ZHCSB26A May   2013  – August 2014

PRODUCTION DATA.  

  1. 特性
  2. 应用
  3. 说明
  4. 简化电路原理图
  5. 修订历史记录
  6. Device Comparison Table
  7. Pin Configuration and Functions
  8. Specifications
    1. 8.1  Absolute Maximum Ratings
    2. 8.2  Handling Ratings
    3. 8.3  Recommended Operating Conditions
    4. 8.4  Thermal Information
    5. 8.5  Supply Current
    6. 8.6  Digital Input and Output DC Characteristics
    7. 8.7  LDO Regulator, Wake-up, and Auto-shutdown DC Characteristics
    8. 8.8  ADC (Temperature and Cell Measurement) Characteristics
    9. 8.9  Integrating ADC (Coulomb Counter) Characteristics
    10. 8.10 Integrated Sense Resistor Characteristics
    11. 8.11 I2C-Compatible Interface Communication Timing Characteristics
  9. Detailed Description
    1. 9.1 Overview
    2. 9.2 Functional Block Diagram
    3. 9.3 Feature Description
    4. 9.4 Device Functional Modes
    5. 9.5 Programming
      1. 9.5.1 Standard Data Commands
      2. 9.5.2 Control( ): 0x00 and 0x01
      3. 9.5.3 Extended Data Commands
      4. 9.5.4 Communications
        1. 9.5.4.1 I2C Interface
        2. 9.5.4.2 I2C Time Out
        3. 9.5.4.3 I2C Command Waiting Time
        4. 9.5.4.4 I2C Clock Stretching
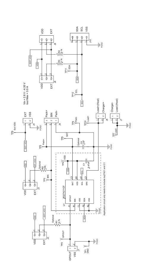
  10. 10Application and Implementation
    1. 10.1 Typical Application
  11. 11Power Supply Recommendation
    1. 11.1 Power Supply Decoupling
  12. 12Layout
    1. 12.1 Layout Guidelines
    2. 12.2 Layout Example
  13. 13器件和文档支持
    1. 13.1 文档支持
      1. 13.1.1 德州仪器 (TI) 相关文档
    2. 13.2 商标
    3. 13.3 静电放电警告
    4. 13.4 术语表
  14. 14机械封装和可订购信息

封装选项

机械数据 (封装 | 引脚)
散热焊盘机械数据 (封装 | 引脚)
订购信息

10 Application and Implementation

10.1 Typical Application

bq27421_EVM_Hack_Output.gif