ZHCSJ79D December 2018 – September 2024 AWR1843
PRODUCTION DATA
| 编号 | 参数 | 最小值 | 典型值 | 最大值 | 单位 | |
|---|---|---|---|---|---|---|
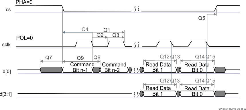
| Q1 | tc(SCLK) | SCLK 周期时间 | 25 | ns | ||
| Q2 | tw(SCLKL) | SCLK 低电平的脉冲持续时间 | 0.5*P – 3(1) | ns | ||
| Q3 | tw(SCLKH) | SCLK 高电平的脉冲持续时间 | 0.5*P – 3 | ns | ||
| Q4 | td(CS-SCLK) | SCLK 下降沿到 CS 有效边沿的延迟时间 | –M*P – 1(2) | –M*P + 2.5(2) | ns | |
| Q5 | td(SCLK-CS) | SCLK 下降沿到 CS 无效边沿的延迟时间 | N*P – 1(2) | N*P + 2.5(2) | ns | |
| Q6 | td(SCLK-D1) | SCLK 下降沿到 d[0] 转换的延迟时间 | -3.5 | 7 | ns | |
| Q7 | tena(CS-D1LZ) | 使能时间,CS 有效边沿到 d[0] 驱动(低阻抗) | –P – 4(2) | –P +1(2) | ns | |
| Q8 | tdis(CS-D1Z) | 禁用时间,CS 有效边沿到 d[0] 三态(高阻抗) | –P – 4(2) | –P +1(2) | ns | |
| Q9 | td(SCLK-D1) | SCLK 第一个下降沿到第一个 d[1] 转换的延迟时间(仅适用于 PHA = 0) | –3.5 – P(2) | 7 – P(2) | ns | |
图 7-14 QSPI 读取(时钟模式 0)
图 7-15 QSPI 写入(时钟模式 0)