SPRS550F October 2009 – July 2014 AM3505 , AM3517
PRODUCTION DATA.
请参考 PDF 数据表获取器件具体的封装图。
Note: The timing data shown is preliminary data and is subject to change in future revisions.
All timing requirements and switching characteristics are valid over the recommended operating conditions of Table 5-3, unless otherwise specified.
The Interface clock is used at the system level to sequence the data and/or control transfers accordingly with the interface protocol.
The two interface clock characteristics are:
The interface clock frequency documented in this document is the maximum clock frequency, which corresponds to the maximum frequency programmable on this output clock. This frequency defines the maximum limit supported by the AM3517/05 IC and does not take into account any system consideration (PCB, peripherals).
The system designer will have to consider these system considerations and AM3517/05 IC timings characteristics as well, to define properly the maximum operating frequency, which corresponds to the maximum frequency supported to transfer the data on this interface.
Jitter is a phase noise, which may alter different characteristics of a clock signal. The jitter specified in this document is the time difference between the typical cycle period and the actual cycle period affected by noise sources on the clock. The cycle (or period) jitter terminology identifies this type of jitter.
Figure 6-1 Cycle (or Period) Jitter
The maximum duty cycle error is the difference between the absolute value of the maximum high-level pulse duration or the maximum low-level pulse duration and the typical pulse duration value:
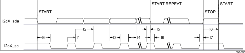
The timing parameter symbols used in the timing requirement and switching characteristic tables are created in accordance with JEDEC Standard 100. To shorten the symbols, some pin names and other related terminologies have been abbreviated as follows:
| LOWERCASE SUBSCRIPTS | |
|---|---|
| Symbols | Parameter |
| c | Cycle time (period) |
| d | Delay time |
| dis | Disable time |
| en | Enable time |
| h | Hold time |
| su | Setup time |
| START | Start bit |
| t | Transition time |
| v | Valid time |
| w | Pulse duration (width) |
| X | Unknown, changing, or dont care level |
| H | High |
| L | Low |
| V | Valid |
| IV | Invalid |
| AE | Active Edge |
| FE | First Edge |
| LE | Last Edge |
| Z | High impedance |
The AM3517/05 processor includes the following external memory interfaces:
The GPMC is the AM3517/05 unified memory controller used to interface external memory devices such as:
Table 6-2 through Table 6-4 assume testing over the recommended operating conditions and electrical characteristic conditions.
| TIMING CONDITION PARAMETER | 1.8V, 3.3V | UNIT | ||
|---|---|---|---|---|
| MIN | MAX | |||
| Input Conditions | ||||
| tR | Input signal rise time | 0.3 | 1.8 | ns |
| tF | Input signal fall time | 0.3 | 1.8 | ns |
| Output Conditions | ||||
| CLOAD | Output load capacitance | 30 | pF | |
| NO. | PARAMETER | 1.8V, 3.3V | UNIT | ||
|---|---|---|---|---|---|
| MIN | MAX | ||||
| F12 | tsu(DV-CLKH) | Setup time, read gpmc_d[15:0] valid before gpmc_clk high | 2.021 | ns | |
| F13 | th(CLKH-DV) | Hold time, gpmc_d[15:0] valid after gpmc_clk high | 3.403 | ns | |
| F21 | tsu(WAITV-CLKH) | Setup time, gpmc_waitx(1) valid before gpmc_clk high | 3.782 | ns | |
| F22 | th(CLKH-WAITV) | Hold Time, gpmc_waitx(1) valid after gpmc_clk high | 3.343 | ns | |
| NO. | PARAMETER | 1.8V, 3.3V | UNIT | |||
|---|---|---|---|---|---|---|
| MIN | MAX | |||||
| F0 | tc(CLK) | Cycle time(14), output clock gpmc_clk period | 10 | ns | ||
| F1 | tw(CLKH) | Typical pulse duration, output clock gpmc_clk high | 0.5 P(12) | 0.5 P(12) | ns | |
| F1 | tw(CLKL) | Typical pulse duration, output clock gpmc_clk low | 0.5 P(12) | 0.5 P(12) | ns | |
| tdc(CLK) | Duty cycle error, output clk gpmc_clk | -500 | 500 | ps | ||
| tj(CLK) | Jitter standard deviation(15), output clock gpmc_clk | 33.30 | ps | |||
| tR(CLK) | Rise time, output clock gpmc_clk | 1.6 | ns | |||
| tF(CLK) | Fall time, output clock gpmc_clk | 1.6 | ns | |||
| tR(DO) | Rise time, output data | 2 | ns | |||
| tF(DO) | Fall time, output data | 2 | ns | |||
| F2 | td(CLKH-nCSV) | Delay time, gpmc_clk rising edge to gpmc_ncsx(11) transition | F(6) - 1.9 | F(6) + 3.3 | ns | |
| F3 | td(CLKH-nCSIV) | Delay time, gpmc_clk rising edge to gpmc_ncsx(11) invalid | E(5) - 1.9 | E(5) + 3.3 | ns | |
| F4 | td(ADDV-CLK) | Delay time, address bus valid to gpmc_clk first edge | B(2) - 4.1 | B(2) + 2.1 | ns | |
| F5 | td(CLKH-ADDIV) | Delay time, gpmc_clk rising edge to gpmc_a[16:1] invalid | -2.103 | ns | ||
| F6 | td(nBEV-CLK) | Delay time, gpmc_nbe0_cle, gpmc_nbe1 valid to gpmc_clk first edge | B(2) - 1.37 | B(2) + 2.1 | ns | |
| F7 | td(CLKH-nBEIV) | Delay time, gpmc_clk rising edge to gpmc_nbe0_cle, gpmc_nbe1 invalid | D(4) - 2.1 | D(4) + 1.1 | ns | |
| F8 | td(CLKH-nADV) | Delay time, gpmc_clk rising edge to gpmc_nadv_ale transition | G(7) - 1.9 | G(7) + 4.1 | ns | |
| F9 | td(CLKH-nADVIV) | Delay time, gpmc_clk rising edge to gpmc_nadv_ale invalid | D(4) - 1.9 | D(4) + 4.1 | ns | |
| F10 | td(CLKH-nOE) | Delay time, gpmc_clk rising edge to gpmc_noe transition | H(8) - 2.1 | H(8) + 2.1 | ns | |
| F11 | td(CLKH-nOEIV) | Delay time, gpcm rising edge to gpmc_noe invalid | E(5) - 2.1 | E(5) + 2.1 | ns | |
| F14 | td(CLKH-nWE) | Delay time, gpmc_clk rising edge to gpmc_nwe transition | I(9) - 1.9 | I(9) + 4.1 | ns | |
| F15 | td(CLKH-Data) | Delay time, gpmc_clk rising edge to data bus transition | J(10) - 2.1 | J(10) + 1.1 | ns | |
| F17 | td(CLKH-nBE) | Delay time, gpmc_clk rising edge to gpmc_nbex_cle transition | J(10) - 2.1 | J(10) + 1.1 | ns | |
| F18 | tW(nCSV) | Pulse duration, gpmc_ncsx(11) low | Read | A(1) | ns | |
| Write | A(1) | ns | ||||
| F19 | tW(nBEV) | Pulse duration, gpmc_nbe0_cle, gpmc_nbe1 low | Read | C(3) | ns | |
| Write | C(3) | ns | ||||
| F20 | tW(nADVV) | Pulse duration, gpmc_nadv_ale low | Read | K(13) | ns | |
| Write | K(13) | ns | ||||
| F23 | td(CLKH-IODIR) | Delay time, gpmc_clk rising edge to gpmc_io_dir high (IN direction) | H(8) - 2.1 | H(8) + 4.1 | ns | |
| F24 | td(CLKH-IODIRIV) | Delay time, gpmc_clk rising edge to gpmc_io_dir low (OUT direction) | M(16) - 2.1 | M(16) + 4.1 | ns | |





Table 6-5 through Table 6-8 assume testing over the recommended operating conditions and electrical characteristic conditions.
| TIMING CONDITION PARAMETER | VALUE | UNIT | |
|---|---|---|---|
| Input Conditions | |||
| tR | Input signal rise time | 1.8 | ns |
| tF | Input signal fall time | 1.8 | ns |
| Output Conditions | |||
| CLOAD | Output load capacitance | 30 | pF |
| NO. | PARAMETER | 1.8V,3.3V | UNIT | |
|---|---|---|---|---|
| MIN | MAX | |||
| FI1 | Maximum output data generation delay from internal functional clock | 6.5 | ns | |
| FI2 | Maximum input data capture delay by internal functional clock | 4 | ns | |
| FI3 | Maximum device select generation delay from internal functional clock | 6.5 | ns | |
| FI4 | Maximum address generation delay from internal functional clock | 6.5 | ns | |
| FI5 | Maximum address valid generation delay from internal functional clock | 6.5 | ns | |
| FI6 | Maximum byte enable generation delay from internal functional clock | 6.5 | ns | |
| FI7 | Maximum output enable generation delay from internal functional clock | 6.5 | ns | |
| FI8 | Maximum write enable generation delay from internal functional clock | 6.5 | ns | |
| FI9 | Maximum functional clock skew | 100 | ps | |
| NO. | PARAMETER | 1.8V,3.3V | UNIT | ||
|---|---|---|---|---|---|
| MIN | MAX | ||||
| FA5(1) | tacc(DAT) | Data maximum access time | H(5) | GPMC_FCLK cycles | |
| FA20(3) | tacc1-pgmode(DAT) | Page mode successive data maximum access time | P(4) | GPMC_FCLK cycles | |
| FA21(2) | tacc2-pgmode(DAT) | Page mode first data maximum access time | H(5) | GPMC_FCLK cycles | |
| NO. | PARAMETER | 1.8V/ 3.3V | UNIT | |||
|---|---|---|---|---|---|---|
| MIN | MAX | |||||
| tR(DO) | Rise time, output data | 2.0 | ns | |||
| tF(DO) | Fall time, output data | 2.0 | ns | |||
| FA0 | tW(nBEV) | Pulse duration, gpmc_nbe0_cle, gpmc_nbe1 valid time | Read | N(12) | ns | |
| Write | N(12) | ns | ||||
| FA1 | tW(nCSV) | Pulse duration, gpmc_ncsx(13) v low | Read | A(1) | ns | |
| Write | A(1) | ns | ||||
| FA3 | td(nCSV-nADVIV) | Delay time, gpmc_ncsx(13) valid to gpmc_nadv_ale invalid | Read | B(2) – 0.2 | B(2) + 2.0 | ns |
| Write | B(2) – 0.2 | B(2) + 2.0 | ns | |||
| FA4 | td(nCSV-nOEIV) | Delay time, gpmc_ncsx(13) valid to gpmc_noe invalid (Single read) | C(3) – 0.2 | C(3) + 2.0 | ns | |
| FA9 | td(AV-nCSV) | Delay time, address bus valid to gpmc_ncsx(13) valid | J(9) – 0.2 | J(9) + 2.0 | ns | |
| FA10 | td(nBEV-nCSV) | Delay time, gpmc_nbe0_cle, gpmc_nbe1 valid to gpmc_ncsx(13) valid | J(9) – 0.2 | J(9) + 2.0 | ns | |
| FA12 | td(nCSV-nADVV) | Delay time, gpmc_ncsx(13) valid to gpmc_nadv_ale valid | K(10) – 0.2 | K(10) + 2.0 | ns | |
| FA13 | td(nCSV-nOEV) | Delay time, gpmc_ncsx(13) valid to gpmc_noe valid | L(11) – 0.2 | L(11) + 2.0 | ns | |
| FA14 | td(nCSV-IODIR) | Delay time, gpmc_ncsx(13) valid to gpmc_io_dir high | L(11) – 0.2 | L(11) + 2.0 | ns | |
| FA15 | td(nCSV-IODIR) | Delay time, gpmc_ncsx(13) valid to gpmc_io_dir low | M(14) – 0.2 | M(14) + 2.0 | ns | |
| FA16 | tw(AIV) | Address invalid duration between 2 successive R/W accesses | G(7) | ns | ||
| FA18 | td(nCSV-nOEIV) | Delay time, gpmc_ncsx(13) valid to gpmc_noe invalid (Burst read) | I(8) – 0.2 | I(8) + 2.0 | ns | |
| FA20 | tw(AV) | Pulse duration, address valid – 2nd, 3rd, and 4th accesses | D(4) | ns | ||
| FA25 | td(nCSV-nWEV) | Delay time, gpmc_ncsx(13) valid to gpmc_nwe valid | E(5) – 0.2 | E(5) + 2.0 | ns | |
| FA27 | td(nCSV-nWEIV) | Delay time, gpmc_ncsx(13) valid to gpmc_nwe invalid | F(6) – 0.2 | F(6) + 2.0 | ns | |
| FA28 | td(nWEV-DV) | Delay time, gpmc_ new valid to data bus valid | 2.0 | ns | ||
| FA29 | td(DV-nCSV) | Delay time, data bus valid to gpmc_ncsx(13) valid | J(9) – 0.2 | J(9) + 2.0 | ns | |
| FA37 | td(nOEV-AIV) | Delay time, gpmc_noe valid to gpmc_a[16:1]_d[15:0] address phase end | 2.0 | ns | ||


Table 6-9 through Table 6-12 assume testing over the recommended operating conditions and electrical characteristic conditions.
| TIMING CONDITION PARAMETER | 1.8V, 3.3V | UNIT | ||
|---|---|---|---|---|
| MIN | MAX | |||
| Input Conditions | ||||
| tR | Input signal rise time | 1.8 | ns | |
| tF | Input signal fall time | 1.8 | ns | |
| CLOAD | Output load capacitance | 30 | pF | |
| NO. | PARAMETER | 1.8V, 3.3V | UNIT | |
|---|---|---|---|---|
| MIN | MAX | |||
| GNFI1 | Maximum output data generation delay from internal functional clock | 6.5 | ns | |
| GNFI2 | Maximum input data capture delay by internal functional clock | 4 | ns | |
| GNFI3 | Maximum device select generation delay from internal functional clock | 6.5 | ns | |
| GNFI4 | Maximum address latch enable generation delay from internal functional clock | 6.5 | ns | |
| GNFI5 | Maximum command latch enable generation delay from internal functional clock | 6.5 | ns | |
| GNFI6 | Maximum output enable generation delay from internal functional clock | 6.5 | ns | |
| GNFI7 | Maximum write enable generation delay from internal functional clock | 6.5 | ns | |
| GNFI8 | Maximum functional clock skew | 100 | ps | |
| NO. | PARAMETER | 1.8V, 3.3V | UNIT | ||
|---|---|---|---|---|---|
| MIN | MAX | ||||
| GNF12(1) | tacc(DAT) | Data maximum access time | J(2) | GPMC_FCLK cycles | |
| NO. | PARAMETER | 1.8V, 3.3V | UNIT | ||
|---|---|---|---|---|---|
| MIN | MAX | ||||
| tR(DO) | Rise time, output data | 2.0 | ns | ||
| tF(DO) | Fall time, output data | 2.0 | ns | ||
| GNF0 | tw(nWEV) | Pulse duration, gpmc_nwe valid time | A(1) | ns | |
| GNF1 | td(nCSV-nWEV) | Delay time, gpmc_ncsx(13) valid to gpmc_nwe valid | B(2) - 0.2 | B(2) + 2.0 | ns |
| GNF2 | tw(CLEH-nWEV) | Delay time, gpmc_nbe0_cle high to gpmc_nwe valid | C(3) - 0.2 | C(3) + 2.0 | ns |
| GNF3 | tw(nWEV-DV) | Delay time, gpmc_d[15:0] valid to gpmc_nwe valid | D(4) - 0.2 | D(4) + 2.0 | ns |
| GNF4 | tw(nWEIV-DIV) | Delay time, gpmc_nwe invalid to gpmc_d[15:0] invalid | E(5) - 0.2 | E(5) + 2.0 | ns |
| GNF5 | tw(nWEIV-CLEIV) | Delay time, gpmc_nwe invalid to gpmc_nbe0_cle invalid | F(6) - 0.2 | F(6) + 2.0 | ns |
| GNF6 | tw(nWEIV-nCSIV) | Delay time, gpmc_nwe invalid to gpmc_ncsx(13) invalid | G(7) - 0.2 | G(7) + 2.0 | ns |
| GNF7 | tw(ALEH-nWEV) | Delay time, gpmc_nadv_ale High to gpmc_nwe valid | C(3) - 0.2 | C(3) + 2.0 | ns |
| GNF8 | tw(nWEIV-ALEIV) | Delay time, gpmc_nwe invalid to gpmc_nadv_ale invalid | F(6) - 0.2 | F(6) + 2.0 | ns |
| GNF9 | tc(nWE) | Cycle time, Write cycle time | H(8) | ns | |
| GNF10 | td(nCSV-nOEV) | Delay time, gpmc_ncsx(13) valid to gpmc_noe valid | I(9) - 0.2 | I(9) + 2.0 | ns |
| GNF13 | tw(nOEV) | Pulse duration, gpmc_noe valid time | K(10) | ns | |
| GN F14 | tc(nOE) | Cycle time, Read cycle time | L(11) | ns | |
| GNF15 | tw(nOEIV-nCSIV) | Delay time, gpmc_noe invalid to gpmc_ncsx(13) invalid | M(12) - 0.2 | M(12) + 2.0 | ns |



The SDRC is a dedicated interface to DDR2/LPDDR1 SDRAM that performs the following functions:
The main features of the controller are:
| OCP Data Bus Width | SDRAM Data Bus Width |
|---|---|
| 64 and 128-Bit | 16, 32, and 64-Bit |
| SDRAM Type | CAS Latencies |
|---|---|
| DDR2 | 2, 3, 4, 5, and 6 |
| LPDDR1 | 2 and 3 |
| SDRAM Type | Internal Banks |
|---|---|
| DDR2 | 1, 2, 4, and 8 |
| LPDDR1 | 1, 2, and 4 |
| SDRAM Type | Burst Length |
|---|---|
| DDR2 | 8 (4 not supported) |
| LPDDR1 | 8 (2 and 4 not supported) |
This section provides the timing specification for the LPDDR interface as a PCB design and manufacturing specification. The design rules constrain PCB trace length, PCB trace skew, signal integrity, cross-talk, and signal timing. These rules, when followed, result in a reliable LPDDR memory system without the need for a complex timing closure process. For more information regarding guidelines for using this LPDDR specification, see the Understanding TI's PCB Routing Rule-Based DDR Timing Specification Application Report (SPRAAV0).
Figure 6-17 and Figure 6-18 show the LPDDR interface schematics for a LPDDR memory system. The 1 x16 LPDDR system schematic is identical to Figure 6-17 except that the high word LPDDR device is deleted.
Figure 6-17 AM3517/05 LPDDR High Level Schematic (x16 memories)
Figure 6-18 AM3517/05 LPDDR High Level Schematic (x32 memory)
Table 6-13 lists the parameters of the JEDEC LPDDR devices that are compatible with this interface. Generally, the LPDDR interface is compatible with x16 and x32 LPDDR333 speed grade LPDDR devices.
| NO. | PARAMETER | MIN | MAX | UNIT | NOTES |
|---|---|---|---|---|---|
| 1 | JEDEC LPDDR Device Speed Grade | LPDDR333 | See Note (1) | ||
| 2 | JEDEC LPDDR Device Bit Width | 16 | 32 | Bits | |
| 3 | JEDEC LPDDR Device Count | 1 | 2 | Devices | See Note (2) |
| 4 | JEDEC LPDDR Device Ball Count | 60 | 90 | Balls |
The minimum stackup required for routing the microprocessor is a six layer stack as listed in Table 6-14. Additional layers may be added to the PCB stack up to accommodate other circuity or to reduce the size of the PCB footprint.
| LAYER | TYPE | DESCRIPTION |
|---|---|---|
| 1 | Signal | Top Routing Mostly Horizontal |
| 2 | Plane | Ground |
| 3 | Plane | Power |
| 4 | Signal | Internal Routing |
| 5 | Plane | Ground |
| 6 | Signal | Bottom Routing Mostly Vertical |
| NO. | PARAMETER | MIN | TYP | MAX | UNIT | NOTES |
|---|---|---|---|---|---|---|
| 1 | PCB Routing/Plane Layers | 6 | ||||
| 2 | Signal Routing Layers | 3 | ||||
| 3 | Full ground layers under LPDDR routing region | 2 | ||||
| 4 | Number of ground plane cuts allowed within LPDDR routing region | 0 | ||||
| 5 | Number of ground reference planes required for each LPDDR routing 1 layer | 1 | ||||
| 6 | Number of layers between LPDDR routing layer and reference ground 0 plane | 0 | ||||
| 7 | PCB Routing Feature Size | 4 | Mils | |||
| 8 | PCB Trace Width w | 4 | Mils | |||
| 9 | PCB BGA escape via pad size | 18 | Mils | |||
| 10 | PCB BGA escape via hole size | 8 | Mils | |||
| 11 | Device BGA Pad Size | See Note(1) | ||||
| 12 | LPDDR Device BGA Pad Size | See Note(2) | ||||
| 13 | Single Ended Impedance, ZO | 50 | 75 | Ω | ||
| 14 | Impedance Control | Z-5 | Z | Z + 5 | Ω | See Note(3) |
Figure 6-19 shows the required placement for the microprocessor as well as the LPDDR devices. The dimensions for Figure 6-19 are defined in Table 6-16. The placement does not restrict the side of the PCB that the devices are mounted on. The ultimate purpose of the placement is to limit the maximum trace lengths and allow for proper routing space. For 1x16 and 1x32 LPDDR memory systems, the second LPDDR device is omitted from the placement.
Figure 6-19 AM3517/05 and LPDDR Device Placement
| NO. | PARAMETER | MIN | MAX | UNIT | NOTES |
|---|---|---|---|---|---|
| 1 | X | 1440 | Mils | See Notes(1), (2) | |
| 2 | Y | 1030 | Mils | See Notes(1), (2) | |
| 3 | Y Offset | 525 | Mils | See Notes(1),(2),(3) | |
| 4 | LPDDR Keepout Region | See Note(4) | |||
| 5 | Clearance from non-LPDDR signal to LPDDR Keepout Region | 4 | w | See Note(5) |
The region of the PCB used for the LPDDR circuitry must be isolated from other signals. The LPDDR keep out region is defined for this purpose and is shown in Figure 6-20. The size of this region varies with the placement and LPDDR routing. Additional clearances required for the keep out region are listed in Table 6-16.
Figure 6-20 LPDDR Keepout Region
Table 6-17 lists the clock net classes for the LPDDR interface. Table 6-18 lists the signal net classes, and associated clock net classes, for the signals in the LPDDR interface. These net classes are used for the termination and routing rules that follow.
| CLOCK NET CLASS | PIN NAMES |
|---|---|
| CK | sdrc_clk/sdrc_nclk |
| DQS0 | sdrc_dqs0 |
| DQS1 | sdrc_dqs1 |
| DQS2 | sdrc_dqs2 |
| DQS3 | sdrc_dqs3 |
| CLOCK NET CLASS | ASSOCIATED CLOCK NET CLASS | PIN NAMES |
|---|---|---|
| ADDR_CTRL | CK | sdrc_ba, sdrc_a, sdrc_ncs0, sdrc_ncas, sdrc_nras, sdrc_nwe, sdrc_cke0 |
| DQ0 | DQS0 | sdrc_d, sdrc_dm0 |
| DQ1 | DQS1 | sdrc_d, sdrc_dm1 |
| DQ2 | DQS2 | sdrc_d, sdrc_dm2 |
| DQ3 | DQS3 | sdrc_d, sdrc_dm3 |
No terminations of any kind are required in order to meet signal integrity and overshoot requirements. Serial terminators are permitted, if desired, to reduce EMI risk; however, serial terminations are the only type permitted. Table 6-19 lists the specifications for the series terminators.
| NO. | PARAMETER | MIN | TYP | MAX | UNIT | NOTES |
|---|---|---|---|---|---|---|
| 1 | CK Net Class | 0 | 10 | Ω | See Note(1) | |
| 2 | ADDR_CTRL Net Class | 0 | 22 | Zo | Ω | See Notes(1),(2),(3) |
| 3 | Data Byte Net Classes (DQS0-DQS3, DQ0-DQ3) |
0 | 22 | Zo | Ω | See Notes(1),(2),(3) |
Figure 6-21 shows the topology of the routing for the CK and ADDR_CTRL net classes. The route is a balanced T as it is intended that the length of segments B and C be equal. In addition, the length of A should be maximized.
Figure 6-21 CK and ADDR_CTRL Routing and Topology
| NO. | PARAMETER | MIN | TYP | MAX | UNIT | NOTES |
|---|---|---|---|---|---|---|
| 1 | Center to Center CK-CK spacing | 2w | ||||
| 2 | CK A to B/A to C Skew Length Mismatch | 25 | Mils | See Note(1) | ||
| 3 | CK B to C Skew Length Mismatch | 25 | Mils | |||
| 4 | Center to Center CK to other LPDDR trace spacing |
4w | See Note(2) | |||
| 5 | CK/ADDR_CTRL nominal trace length | CACLM-50 | CACLM | CACLM+50 | Mils | See Note(3) |
| 6 | ADDR_CTRL to CK Skew Length Mismatch | 100 | Mils | |||
| 7 | ADDR_CTRL to ADDR_CTRL Skew Length Mismatch |
100 | Mils | |||
| 8 | Center to Center ADDR_CTRL to other LPDDR trace 4w spacing | 4w | See Note(2) | |||
| 9 | Center to Center ADDR_CTRL to other ADDR_CTRL 3w trace spacing | 3w | See Note(2) | |||
| 10 | ADDR_CTRL A to B/A to C Skew Length Mismatch | 100 | Mils | See Note(1) | ||
| 11 | ADDR_CTRL B to C Skew Length Mismatch | 100 | Mils |
Figure 6-22 shows the topology and routing for the DQS and DQ net classes; the routes are point to point. Skew matching across bytes is not needed nor recommended.
Figure 6-22 DQS and DQ Routing and Topology
| NO. | PARAMETER | MIN | TYP | MAX | UNIT | NOTES |
|---|---|---|---|---|---|---|
| 2 | DQS E Skew Length Mismatch | 25 | Mils | |||
| 3 | Center to Center DQS to other LPDDR trace spacing | 4w | See Note(2) | |||
| 4 | DQS/DQ nominal trace length | DQLM - 50 | DQLM | DQLM + 50 | Mils | See Note(2) |
| 5 | DQ to DQS Skew Length Mismatch | 100 | Mils | |||
| 6 | DQ to DQ Skew Length Mismatch | 100 | Mils | |||
| 7 | Center to Center DQ to other LPDDR trace spacing | 4w | See Note(2) | |||
| 8 | Center to Center DQ to other DQ trace spacing | 3w | See Note(2),(3) | |||
| 9 | DQ E Skew Length Mismatch | 100 | Mils |
This section provides the timing specification for the DDR2 interface as a PCB design and manufacturing specification. The design rules constrain PCB trace length, PCB trace skew, signal integrity, cross-talk, and signal timing. These rules, when followed, result in a reliable DDR2 memory system without the need for a complex timing closure process. For more information regarding guidelines for using this DDR2 specification, Understanding TI's PCB Routing Rule-Based DDR2 Timing Specification (SPRAAV0).
Figure 6-23 shows the DDR2 interface schematic for a dual-memory DDR2 system. The single-memory system is shown in Figure 6-24. Pin numbers for the AM3517/05 can be obtained from the pin description section.
Table 6-22 lists the parameters of the JEDEC DDR2 devices that are compatible with this interface. Generally, the DDR2 interface is compatible with x16 or x32 DDR2 speed grade DDR2-333 devices.
| No. | Parameter | Min | Max | Unit | Notes |
|---|---|---|---|---|---|
| 1 | JEDEC DDR2 Device Speed Grade | DDR2-333 MHz | See Note (1) | ||
| 2 | JEDEC DDR2 Device Bit Width | x16 | x32 | Bits | |
| 3 | JEDEC DDR2 Device Count | 1 | 2 | Devices | See Note (3) |
| 4 | JEDEC DDR2 Device Ball Count | 84 | 92 | Balls | See Note (2) |
The minimum stackup required for routing the AM3517/05 is a six-layer stack as listed in Table 6-23. Additional layers may be added to the PCB stack up to accommodate other circuitry or to reduce the size of the PCB footprint.
| Layer | Type | Description |
|---|---|---|
| 1 | Signal | Top Routing Mostly Horizontal |
| 2 | Plane | Ground |
| 3 | Plane | Power |
| 4 | Signal | Internal Routing |
| 5 | Plane | Ground |
| 6 | Signal | Bottom Routing Mostly Vertical |
Complete stack up specifications are provided in Table 6-24.
Figure 6-23 DDR2 Dual-Memory High Level Schematic
Figure 6-24 DDR2 Single-Memory High Level Schematic
| No. | Parameter | Min | Typ | Max | Unit | Notes |
|---|---|---|---|---|---|---|
| 1 | PCB Routing/Plane Layers | 6 | ||||
| 2 | Signal Routing Layers | 3 | ||||
| 3 | Full ground layers under DDR2 routing Region | 2 | ||||
| 4 | Number of ground plane cuts allowed within DDR routing region | 0 | ||||
| 5 | Number of ground reference planes required for each DDR2 routing layer | 1 | ||||
| 6 | Number of layers between DDR2 routing layer and ground plane | 0 | ||||
| 7 | PCB Routing Feature Size | 4 | Mils | |||
| 8 | PCB Trace Width w | 4 | Mils | |||
| 9 | PCB BGA escape via pad size | 20 | Mils | |||
| 10 | PCB BGA escape via hole size | 10 | Mils | |||
| 11 | AM3517/05 BGA pad size | 12 | See Note (1) | |||
| 12 | DDR2 Device BGA pad size | See Note (2) | ||||
| 13 | Single Ended Impedance, Zo | 50 | 75 | Ω | ||
| 14 | Impedance Control | Z-5 | Z | Z+5 | Ω | See Note (3) |
Figure 6-24 shows the required placement for the DDR2 devices. The dimensions for Figure 6-25 are defined in Table 6-25. The placement does not restrict the side of the PCB that the devices are mounted on. The ultimate purpose of the placement is to limit the maximum trace lengths and allow for proper routing space. For single-memory DDR2 systems, the second DDR2 device is omitted from the placement.
Figure 6-25 DDR2 Device Placement
| No. | Parameter | Min | Max | Unit | Notes |
|---|---|---|---|---|---|
| 1 | X | 1750 | Mils | See Notes (1), (2) | |
| 2 | Y | 1280 | Mils | See Notes (1), (2) | |
| 3 | Y Offset | 650 | Mils | See Notes (1). (2), (3) | |
| 4 | DDR2 Keepout Region | See Note (4) | |||
| 5 | Clearance from non-DDR2 signal to DDR2 Keepout Region | 4 | w | See Note (5) |
The region of the PCB used for the DDR2 circuitry must be isolated from other signals. The DDR2 keep out region is defined for this purpose and is shown in Figure 6-26. The size of this region varies with the placement and DDR routing. Additional clearances required for the keep out region are listed in Table 6-25.
Figure 6-26 DDR2 Keepout Region
Bulk bypass capacitors are required for moderate speed bypassing of the DDR2 and other circuitry. Table 6-26 contains the minimum numbers and capacitance required for the bulk bypass capacitors. Note that this table only covers the bypass needs of the AM3517/05 and DDR2 interfaces. Additional bulk bypass capacitance may be needed for other circuitry.
| No. | Parameter | Min | Max | Unit | Notes |
|---|---|---|---|---|---|
| 1 | VDDS Bulk Bypass Capacitor Count | 3 | Devices | See Note (1) | |
| 2 | VDDS Bulk Bypass Total Capacitance | 30 | uF | ||
| 3 | DDR#1 Bulk Bypass Capacitor Count | 1 | Devices | See Note (1) | |
| 4 | DDR#1 Bulk Bypass Total Capacitance | 22 | uF | ||
| 5 | DDR#2 Bulk Bypass Capacitor Count | 1 | Devices | See Notes (1), (2) | |
| 6 | DDR#2 Bulk Bypass Total Capacitance | 22 | uF | See Note (2) |
High-speed (HS) bypass capacitors are critical for proper DDR2 interface operation. It is particularly important to minimize the parasitic series inductance of the HS bypass cap, AM3517/05 DDR2 power, and AM3517/05 DDR2 ground connections. Table 6-27 contains the specification for the HS bypass capacitors as well as for the power connections on the PCB.
Table 6-28 lists the clock net classes for the DDR2 interface. Table 6-29 lists the signal net classes, and associated clock net classes, for the signals in the DDR2 interface. These net classes are used for the termination and routing rules that follow.
| No. | Parameter | Min | Max | Unit | Notes |
|---|---|---|---|---|---|
| 1 | HS Bypass Capacitor Package Size | 0402 | 10 Mils | See Note (1) | |
| 2 | Distance from HS bypass capacitor to device being bypassed | 250 | Mils | ||
| 3 | Number of connection vias for each HS bypass capacitor | 2 | Vias | See Note (4) | |
| 4 | Trace length from bypass capacitor contact to connection via | 1 | 30 | Mils | |
| 5 | Number of connection vias for each DDR2 device power or ground balls | 1 | Vias | ||
| 6 | Trace length from DDR2 device power ball to connection via | 35 | Mils | ||
| 7 | VDDS HS Bypass Capacitor Count | 20 | Devices | See Note (2) | |
| 8 | VDDS HS Bypass Capacitor Total Capacitance | 1.2 | μF | ||
| 9 | DDR#1 HS Bypass Capacitor Count | 8 | Devices | See Note (2) | |
| 10 | DDR#1 HS Bypass Capacitor Total Capacitance | 0.4 | μF | ||
| 11 | DDR#2 HS Bypass Capacitor Count | 8 | Devices | See Notes (2), (3) | |
| 12 | DDR#2 HS Bypass Capacitor Total Capacitance | 0.4 | μF | See Note (3) |
| Clock Net Class | AM3517/05 Device Pin Names |
|---|---|
| CK | sdrc_clk/sdrc_nclk |
| DQS0 | sdrc_dqs0p /sdrc_dqs0n |
| DQS1 | sdrc_dqs1p /sdrc_dqs1n |
| DQS2 | sdrc_dqs2p/sdrc_dqs2n |
| DQS3 | sdrc_dqs3p/sdrc_dqs3n |
| Clock Net Class | Associated Clock Net Class | AM3517/05 Device Pin Names |
|---|---|---|
| ADDR_CTRL | CK | sdrc_ba[2:0], sdrc_ncs1, sdrc_a[14:0], sdrc_ncs0 , sdrc_ncas, sdrc_nras, sdrc_nwe, sdrc_cke0 |
| DQ0 | DQS0 | sdrc_d[7:0], sdrc_dm0 |
| DQ1 | DQS1 | sdrc_d[15:8], sdrc_dm1 |
| DQ2 | DQS2 | sdrc_d[23:16],sdrc_dm2 |
| DQ3 | DQS3 | sdrc_d[31:24],sdrc_dm3 |
| SDRC_STRBEN0 | CK,DQS0,DQS1 | sdrc_strben0, sdrc_strben_dly0 |
| SDRC_STRBEN1 | CK,DQS2,DQS3 | sdrc_strben1, sdrc_strben_dly1 |
No terminations of any kind are required in order to meet signal integrity and overshoot requirements. Serial terminators are permitted, if desired, to reduce EMI risk; however, serial terminations are the only type permitted. Table 6-30 lists the specifications for the series terminators.
| No. | Parameter | Min | Typ | Max | Unit | Notes |
|---|---|---|---|---|---|---|
| 1 | CLK Net Class | 0 | 10 | Ω | See Note (1) | |
| 2 | ADDR_CTRL Net Class | 0 | 22 | Zo | Ω | See Notes (1), (2), (3) |
| 3 | Data Byte Net Classes (DQS0-DQS1, D0-D31) | 0 | 22 | Zo | Ω | See Notes (1), (2), (3) |
| 4 | SDRC_STRBENx Net Class (SDRC_STRBENx) | 0 | 10 | Zo | Ω | See Notes (1), (2), (3) |
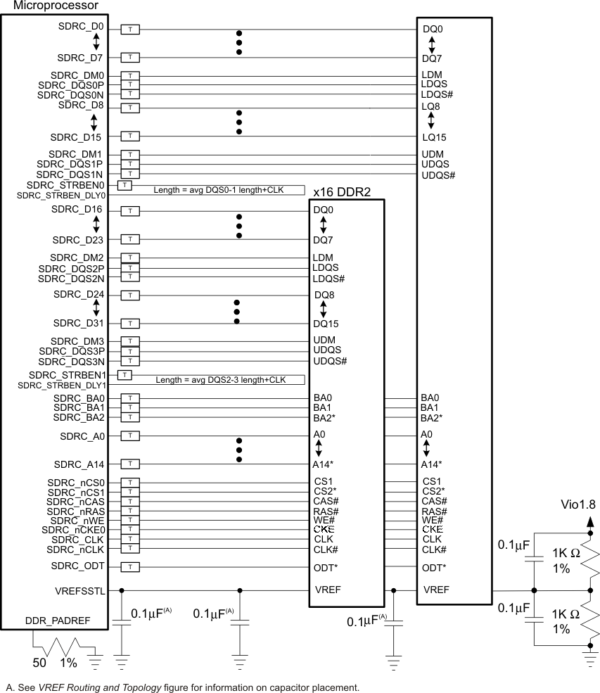
VREF is used as a reference by the input buffers of the DDR2 memories as well as the AM3517/05. VREF is intended to be half of the DDR2 power supply voltage and should be created using a resistive divider as shown in Figure 6-23. Other methods of creating VREF are not recommended. Figure 6-27 shows the layout guidelines for VREF.
Figure 6-27 VREF Routing and Topology
Figure 6-28 shows the topology of the routing for the CLK and ADDR_CTRL net classes. The route is a balanced T as it is intended that the length of segments B and C be equal. In addition, the length of A should be maximized.
Figure 6-28 CLK and ADDR_CTRL Routing and Topology
| No | Parameter | Min | Typ | Max | Unit | Notes |
|---|---|---|---|---|---|---|
| 1 | Center to center DQS-DQSN spacing | 2w | ||||
| 2 | CK differential pair Skew Length Mismatch(4) | 25 | Mils | See Note (1) | ||
| 3 | CLKB to CLKC Skew Length Mismatch | 25 | Mils | |||
| 4 | Center to center CLK to other DDR2 trace spacing | 4w | See Note (3) | |||
| 5 | CK/ADDR_CTRL nominal trace length | CACLM-50 | CACLM | CACLM+50 | Mils | See Note (2) |
| 6 | ADDR_CTRL to CLK Skew Length Mismatch | 100 | Mils | |||
| 7 | ADDR_CTRL to ADDR_CTRL Skew Length Mismatch | 100 | Mils | |||
| 8 | Center to center ADDR_CTRL to other DDR2 trace spacing | 4w | See Note (3) | |||
| 9 | Center to center ADDR_CTRL to other ADDR_CTRL trace spacing | 3w | See Note (3) | |||
| 10 | ADDR_CTRL A to B, ADDR_CTRL A to C, Skew Length Mismatch | 100 | Mils | See Note (1) | ||
| 11 | ADDR_CTRL B to C Skew Length Mismatch | 100 | Mils |
Figure 6-29 shows the topology and routing for the DQS and Dx net classes; the routes are point to point. Skew matching across bytes is not needed nor recommended.
Figure 6-29 DQS and Dx Routing and Topology
| No. | Parameter | Min | Typ | Max | Unit | Notes |
|---|---|---|---|---|---|---|
| 1 | Center to center DQS-DQSN spacing | 2w | ||||
| 2 | DQS E differential pair Skew Length Mismatch(7) | 25 | Mils | |||
| 3 | Center to center DQS to other DDR2 trace spacing | 4w | See Note (4) | |||
| 4 | DQS/Dx nominal trace length | DQLM-50 | DQLM | DQLM+50 | Mils | See Notes (1), (3) |
| 5 | Dx to DQS Skew Length Mismatch | 100 | Mils | See Note (3) | ||
| 6 | Dx to Dx Skew Length Mismatch | 100 | Mils | See Note (3) | ||
| 7 | Center to center Dx to other DDR2 trace spacing | 4w | See Notes (4), (5) | |||
| 8 | Center to Center Dx to other Dx trace spacing | 3w | See Notes (2), (4) |
Figure 6-30 shows the routing for the SDRC_STRBENx net classes. Table 6-33 contains the routing specification. SDRC_STRBENx net classes should be shielded from or routed on different layers than the DQx net classes.
Figure 6-30 SDRC_STRBENx Routing
| No. | Parameter | Min | Typ | Max | Unit | Notes |
|---|---|---|---|---|---|---|
| 1 | SDRC_STRBEN0 Length F | CKB0B1 | See Note (1) | |||
| SDRC_STRBEN1 Length F | CKB0B2 | See Note (2) | ||||
| 3 | Center to center SDRC_STRBENx to any other trace spacing | 4w | ||||
| 4 | DQS/Dx nominal trace length | DQLM-50 | DQLM | DQLM+50 | Mils | |
| 5 | SDRC_STRBENx Skew | 100 | Mils | See Note (3) |
ODT should only be used with 1 chip select as shown in Figure 6-31. If using sdrc_cs0 and sdrc_cs1, sdrc_odt should not be used. ODT signals should be tied off at the memory.
Figure 6-31 ODT Connection Using One Chip select (sdrc_cs0)
The Video Processing Sub-System (VPSS) provides a Video Processing Front End (VPFE) input interface for external imaging peripherals (i.e., image sensors, video decoders, and so forth).
The Video Processing Front-End (VPFE) controller receives input video/image data from external capture devices and stores it to external memory which is transferred into the external memory via a built in DMA engine. An internal buffer block provides a high bandwidth path between the VPSS module and the external memory. The Cortex-A8 will process the image data based on application requirements.
Table 6-34 and Table 6-35 assume testing over recommended operating conditions.
| NO. | PARAMETER | 1.8V, 3.3V | |||
|---|---|---|---|---|---|
| MIN | MAX | UNIT | |||
| VF1 | tc(VDIN_CLK) | Cycle time, pixel clock input, VDIN_CLK | 13.33 | 100 | ns |
| VF2 | tsu(VDIN_D-VDIN_CLK) | Setup time, VDIN_D to VDIN_CLK rising edge | 3.5 | ns | |
| VF3 | tsu(VDIN_HD-VDIN_CLK) | Setup time, VDIN_HD to VDIN_CLK rising edge | 3.5 | ns | |
| VF4 | tsu(VDIN_VD-VDIN_CLK) | Setup time, VDIN_VD to VDIN_CLK rising edge | 3.5 | ns | |
| VF5 | tsu(VDIN_WEN-VDIN_CLK) | Setup time, VDIN_WEN to VDIN_CLK rising edge | 3.5 | ns | |
| VF6 | tsu(C_FLD-VDIN_CLK) | Setup time, VDIN_FIELD to VDIN_CLK rising edge | 3.5 | ns | |
| VF7 | th(VDIN_CLK-VDIN_D) | Hold time, VDIN_D valid after VDIN_CLK rising edge | 2.5 | ns | |
| VF8 | th(VDIN-HD-VDIN_CLK) | Hold time, VDIN_HD to VDIN_CLK rising edge | 2.5 | ns | |
| VF9 | th(VDIN_VD-VDIN_CLK) | Hold time, VDIN_VD to VDIN_CLK rising edge | 2.5 | ns | |
| VF10 | th(VDIN_WEN-VDIN_CLK) | Hold time, VDIN_WEN to VDIN_CLK rising edge | 2.5 | ns | |
| VF11 | th(C_FLD-VDIN_CLK) | Hold time, VDIN_FIELD to VDIN_CLK rising edge | 2.5 | ns | |
| NO. | PARAMETER | 1.8V, 3.3V | |||
|---|---|---|---|---|---|
| MIN | MAX | UNIT | |||
| VF12 | td(VDIN_HD-VDIN_CLK) | Output delay time, VDIN_HD to CLK rising edge | 10 | ns | |
| VF13 | td(VDIN_VD-VDIN_CLK) | Output delay time, VDIN_VD to CLK rising edge | 10 | ns | |
| VF14 | td(VDIN_WEN-VDIN_CLK) | Output delay time, VDIN_WEN to CLK rising edge | 10 | ns | |
| VF15 | toh(VDIN_HD-VDIN_CLK) | Output hold time, VDIN_HD to CLK rising edge | 0.5 | ns | |
| VF16 | toh(VDIN_VD-VDIN_CLK) | Output hold time, VDIN_VD to CLK rising edge | 0.5 | ns | |
| VF17 | toh(C_FLD-VDIN_CLK) | Output hold time, VDIN_FLD to CLK rising edge | 0.5 | ns | |
Figure 6-32 VPFE0 Input Timings
Figure 6-33 VPFE Output Timings
Figure 6-34 VPFE Input Timings With VDIN0_HD as Pixel Clock
The display subsystem (DSS) provides the logic to display the video frame from external (SDRAM) or internal (SRAM) memory on an LCD panel or a TV set. The DSS integrates a display controller. It can be used in two configurations:
The two display supports can be active at the same time.
Two types of LCD panel are supported:
Both configurations are discussed in the following paragraphs.
Table 6-36 assumes testing over the recommended operating conditions (see Figure 6-35).
| NO. | PARAMETER | 1.8V, 3.3V | UNIT | ||
|---|---|---|---|---|---|
| MIN | MAX | ||||
| DL0 | td(PCLKA-HSYNCT) | Delay time, dss_pclk active edge to dss_hsync transition | -4.215 | 4.215 | ns |
| DL1 | td(PCLKA-VSYNCT) | Delay time, dss_pclk active edge to dss_vsync transition | -4.215 | 4.215 | ns |
| DL2 | td(PCLKA-ACBIASA) | Delay time, dss_pclk active edge to dss_acbias active level | -4.215 | 4.215 | ns |
| DL3 | td(PCLKA-DATAV) | Delay time, dss_pclk active edge to dss_data bus valid | -4.215 | 4.215 | ns |
| DL4 | tc(PCLK) | Cycle time(1), dss_pclk | 13.468 | ns | |
| DL5 | tw(PCLK) | Pulse duration, dss_pclk low or high | 6.06 | 7.46 | ns |
| cload | Load capacitance | 25 | pF | ||
Table 6-37 assumes testing over the recommended operating conditions (see Figure 6-36).
| NO. | PARAMETER | 1.8V, 3.3V | UNIT | ||
|---|---|---|---|---|---|
| MIN | MAX | ||||
| DL3 | td(PCLKA-DATAV) | Delay time, dss_pclk active edge to dss_data bus valid | -4.21 | 6.9 | ns |
| DL4 | tc(PCLK) | Cycle time(1), dss_pclk | 22.73 | ns | |
| DL5 | tw(PCLK) | Pulse duration, dss_pclk low or high | 10.23 | 12.5 | ns |
| cload | Load capacitance | 40 | pF | ||
There are five McBSP modules called McBSP1 through McBSP5. McBSP provides a full-duplex, direct serial interface between the AM3517/05 device and other devices in a system such as other application devices or codecs. It can accommodate a wide range of peripherals and clocked frame-oriented protocols (I2S, PCM, and TDM) due to its high level of versatility.
The McBSP1-5 modules may support two types of data transfer at the system level:
The interface clock (CLKX/CLKR) activation edge (data/frame sync capture and generation) has to be configured accordingly with the external peripheral (activation edge capability) and the type of data transfer required at the system level.
The AM3517/05 McBSP1-5 timing characteristics are described for both rising and falling activation edges. McBSP1 supports:
McBSP2, 3, 4, and 5 support only the 4-pin mode.
The following sections describe the timing characteristics for applications in normal mode (that is, AM3517/05 McBSPx connected to one peripheral) and TDM applications in multipoint mode.
Table 6-38 through Table 6-40 assume testing over the recommended operating conditions.
| TIMING CONDITION PARAMETER | 1.8V, 3.3 V | UNIT | ||
|---|---|---|---|---|
| Input Conditions | VALUE | |||
| tR | Input signal rise time | 2(1) | ns | |
| tF | Input signal fall time | 2 | ns | |
| Output Conditions | ||||
| CLOAD | Output load capacitance | 10 | pF | |
| PARAMETER | VDDSHV = 1.8V, 3.3V | UNIT | ||
|---|---|---|---|---|
| MIN | MAX | |||
| tC(CLK) | Cycle Time, mcbsp1_clkr/mcbspx_clkx(2) | 20.83 | ns | |
| tW(CLKH) | Typical pulse duration, mcbsp1_clkr / mcbspx_clkx high(2) | 0.5*P(1) | 0.5*P(1) | ns |
| tW(CLKL) | Typical pulse duration, mcbsp1_clkr / mcbspx_clkx low(2) | 0.5*P(1) | 0.5*P(1) | ns |
| tdc(CLK) | Duty cycle error, mcbsp1_clkr / mcbspx_clkx(2) | -0.75 | 0.75 | ns |
| PARAMETER | VDDSHV = 1.8V, 3.3V | UNIT | ||
|---|---|---|---|---|
| MIN | MAX | |||
| tC(CLK) | Cycle time, mcbsp3_clkx | 31.25 | ns | |
| tW(CLKH) | Typical pulse duration, mcbsp3_clkx high | 0.5*P(1) | 0.5*P(1) | ns |
| tW(CLKL) | Typical pulse duration, mcbsp3_clkx low | 0.5*P(1) | 0.5*P(1) | ns |
| tdc(CLK) | Duty cycle error, mcbsp3_clkx | -0.75 | 0.75 | ns |
Table 6-41 through Table 6-48 list the timing requirements and switching characteristics for McBSP1.
| No. | PARAMETER | VDDSHV=3.3V | VDDSHV=1.8V | UNIT | ||||
|---|---|---|---|---|---|---|---|---|
| MIN | MAX | MIN | MAX | |||||
| B3 | tsu(DRV-CLKAE) | Setup time, mcbsp1_dr valid before mcbsp1_clkr / mcbsp1_clkx active edge | Half Cycle Master | 5.0 | 5.0 | ns | ||
| Half Cycle Slave | 5.2 | 5.2 | ns | |||||
| Full Cycle Master | 4.0 | 4.0 | ns | |||||
| Full Cycle Slave | 4.2 | 4.2 | ns | |||||
| B4 | th(CLKAE-DRV) | Hold time, mcbsp1_dr valid after mcbsp1_clkr / mcbsp1_clkx active edge | Half Cycle Master | 5.8 | 5.8 | ns | ||
| Half Cycle Slave | 5.2 | 5.2 | ns | |||||
| Full Cycle Master | 1.5 | 1.5 | ns | |||||
| Full Cycle Slave | 0.9 | 0.9 | ns | |||||
| B5 | tsu(FSV-CLKAE) | Setup time, mcbsp1_fsr / mcbsp1_fsx valid before mcbsp1_clkr / mcbsp1_clkx active edge | Half Cycle Slave | 5.2 | 5.2 | ns | ||
| Full Cycle Slave | 4.2 | 4.2 | ns | |||||
| B6 | th(CLKAE-FSV) | Hold time, mcbsp1_fsr / mcbsp1_fsx valid after mcbsp1_clkr / mcbsp1_clkx active edge | Half Cycle Slave | 0.5 | 0.5 | ns | ||
| Full Cycle Slave | 1.0 | 1.0 | ns | |||||
| No. | PARAMETER | VDDSHV=3.3V | VDDSHV=1.8V | UNIT | ||||
|---|---|---|---|---|---|---|---|---|
| MIN | MAX | MIN | MAX | |||||
| B2 | td(CLKAE-FSV) | Delay time, mcbsp1_clkr active edge to mcbsp1_fsr / mcbsp1_fsx valid | 0.2 | 14.8 | 0.2 | 14.8 | ns | |
| No. | PARAMETER | VDDSHV = 3.3V | VDDSHV = 1.8V | UNIT | ||||
|---|---|---|---|---|---|---|---|---|
| MIN | MAX | MIN | MAX | |||||
| B5 | tsu(FSXV-CLKXAE) | Setup time, mcbsp1_fsx valid before mcbsp1_clkx active edge | Full Cycle Slave | 5.2 | 4.7 | ns | ||
| Half Cycle Slave | 4.2 | 3.7 | ns | |||||
| B6 | th(CLKXAE-FSXV) | Hold time, mcbsp1_fsx valid after mcbsp1_clkx active edge | Full Cycle Slave | 5.2 | 4.7 | ns | ||
| Half Cycle Slave | 1.0 | 0.5 | ns | |||||
| No. | PARAMETER | VDDSHV = 3.3V | VDDSHV = 1.8V | UNIT | ||||
|---|---|---|---|---|---|---|---|---|
| MIN | MAX | MIN | MAX | |||||
| B2 | td(CLKXAE-FSXV) | Delay time, mcbsp1_clkx active edge to mcbsp1_fsx valid | 0.2 | 14.8 | 0.7 | 14.8 | ns | |
| B8 | td(CLKXAE-DXV) | Delay time, mcbsp1_clkx active edge to mcbsp1_dx valid | Master | 0.6 | 14.8 | 0.6 | 14.8 | ns |
| Slave | 0.6 | 14.8 | 0.6 | 14.8 | ns | |||
| No. | PARAMETER | VDDSHV = 3.3V | VDDSHV = 1.8V | UNIT | ||||
|---|---|---|---|---|---|---|---|---|
| MIN | MAX | MIN | MAX | |||||
| B3 | tsu(DRV-CLKAE) | Setup time, mcbsp1_dr valid before mcbsp1_clkr / mcbsp1_clkx active edge | Half Cycle Master | 5.0 | 5.0 | ns | ||
| Half Cycle Slave | 5.2 | 5.2 | ns | |||||
| Full Cycle Master | 4.0 | 4.0 | ns | |||||
| Full Cycle Slave | 4.2 | 4.2 | ns | |||||
| B4 | th(CLKAE-DRV) | Hold time, mcbsp1_dr valid after mcbsp1_clkr / mcbsp1_clkx active edge | Half Cycle Master | 5.8 | 5.8 | ns | ||
| Half Cycle Slave | 5.2 | 5.2 | ns | |||||
| Full Cycle Master | 1.5 | 1.5 | ns | |||||
| Full Cycle Slave | 0.9 | 0.9 | ns | |||||
| B5 | tsu(FSV-CLKAE) | Setup time, mcbsp1_fsr / mcbsp1_fsx valid before mcbsp1_clkr / mcbsp1_clkx active edge | Half Cycle Slave | 5.2 | 5.2 | ns | ||
| Full Cycle Slave | 4.2 | 4.2 | ns | |||||
| B6 | th(CLKAE-FSV) | Hold time, mcbsp1_fsr / mcbsp1_fsx valid after mcbsp1_clkr / mcbsp1_clkx active edge | Half Cycle Slave | 0.5 | 0.5 | ns | ||
| Full Cycle Slave | 1.0 | 1.0 | ns | |||||
| No. | PARAMETER | VDDSHV = 3.3V | VDDSHV = 1.8V | UNIT | ||||
|---|---|---|---|---|---|---|---|---|
| MIN | MAX | MIN | MAX | |||||
| B2 | td(CLKAE-FSV) | Delay time, mcbsp1_clkr / mcbsp1_clkx active edge to mcbsp1_fsr / mcbsp1_fsx valid | 0.2 | 14.8 | 0.7 | 14.8 | ns | |
| No. | PARAMETER | VDDSHV = 3.3V | VDDSHV = 1.8V | UNIT | ||||
|---|---|---|---|---|---|---|---|---|
| MIN | MAX | MIN | MAX | |||||
| B5 | tsu(FSXV-CLKXAE) | Setup time, mcbsp1_fsx valid before mcbsp1_clkx active edge | Half Cycle Slave | 5.2 | 5.2 | ns | ||
| Full Cycle Slave | 4.2 | 4.2 | ns | |||||
| B6 | th(CLKXAE-FSXV) | Hold time, mcbsp1_fsx valid after mcbsp1_clkx active edge | Half Cycle Slave | 5.2 | 5.2 | ns | ||
| Full Cycle Slave | 1.0 | 1.0 | ns | |||||
| No. | PARAMETER | VDDSHV = 3.3V | VDDSHV = 1.8V | UNIT | ||||
|---|---|---|---|---|---|---|---|---|
| MIN | MAX | MIN | MAX | |||||
| B2 | td(CLKXAE-FSXV) | Delay time, mcbsp1_clkx active edge to mcbsp1_fsx valid | 0.2 | 14.8 | 0.2 | 14.8 | ns | |
| B8 | td(CLKXAE-DXV) | Delay time, mcbsp1_clkx active edge to mcbsp1_dx valid | Master | 0.6 | 14.8 | 0.6 | 14.8 | ns |
| Slave | 0.6 | 14.8 | 0.6 | 14.8 | ns | |||
Table 6-49 through Table 6-56 list the timing requirements and switching characteristics for McBSP2.
| No. | PARAMETER | VDDSHV = 3.3V | VDDSHV = 1.8V | UNIT | ||||
|---|---|---|---|---|---|---|---|---|
| MIN | MAX | MIN | MAX | |||||
| B3 | tsu(DRV-CLKXAE) | Setup time, mcbsp2_dr valid before mcbsp2_clkx active edge | Half Cycle Master | 5.0 | 5.0 | ns | ||
| Half Cycle Slave | 5.2 | 5.2 | ns | |||||
| Full Cycle Master | 4.2 | 4.2 | ns | |||||
| Full Cycle Slave | 4.2 | 4.2 | ns | |||||
| B4 | th(CLKXAE-DRV) | Hold time, mcbsp2_dr valid after mcbsp2_clkx active edge | Half Cycle Master | 5.8 | 5.8 | ns | ||
| Half Cycle Slave | 5.2 | 5.2 | ns | |||||
| Full Cycle Master | 1.5 | 1.5 | ns | |||||
| Full Cycle Slave | 0.9 | 0.9 | ns | |||||
| B5 | tsu(FSV-CLKXAE) | Setup time, mcbsp2_fsx valid before mcbsp2_clkx active edge | Half Cycle Slave | 5.2 | 5.2 | ns | ||
| Full Cycle Slave | 4.2 | 4.2 | ns | |||||
| B6 | th(CLKXAE-FSV) | Hold time, mcbsp2_fsx valid after mcbsp2_clkx active edge | Half Cycle Slave | 5.2 | 5.2 | ns | ||
| Full Cycle Slave | 1.0 | 1.0 | ns | |||||
| No. | PARAMETER | VDDSHV = 3.3V | VDDSHV = 1.8V | UNIT | ||||
|---|---|---|---|---|---|---|---|---|
| MIN | MAX | MIN | MAX | |||||
| B2 | td(CLKXAE-FSXV) | Delay time, mcbsp2_clkx active edge to mcbsp2_fsx valid | 0.2 | 14.8 | 0.2 | 14.8 | ns | |
| No. | PARAMETER | VDDSHV = 3.3V | VDDSHV = 1.8V | UNIT | ||||
|---|---|---|---|---|---|---|---|---|
| MIN | MAX | MIN | MAX | |||||
| B5 | tsu(FSXV-CLKXAE) | Setup time, mcbsp2_fsx valid before mcbsp2_clkx active edge | Half Cycle Slave | 5.2 | 4.7 | ns | ||
| Full Cycle Slave | 4.2 | 3.7 | ns | |||||
| B6 | th(CLKXAE-FSXV) | Hold time, mcbsp2_fsx valid after mcbsp2_clkx active edge | Half Cycle Slave | 5.2 | 4.7 | ns | ||
| Full Cycle Slave | 1.0 | 0.5 | ns | |||||
| No. | PARAMETER | VDDSHV = 3.3V | VDDSHV = 1.8V | UNIT | ||||
|---|---|---|---|---|---|---|---|---|
| MIN | MAX | MIN | MAX | |||||
| B2 | td(CLKXAE-FSXV) | Delay time, mcbsp2_clkx active edge to mcbsp2_fsx valid | 0.2 | 14.8 | 0.2 | 14.8 | ns | |
| B8 | td(CLKXAE-DXV) | Delay time, mcbsp2_clkx active edge to mcbsp2_dx valid | Master | 0.6 | 14.8 | 0.6 | 14.8 | ns |
| Slave | 0.6 | 14.8 | 0.6 | 14.8 | ns | |||
| No. | PARAMETER | VDDSHV = 3.3V | VDDSHV = 1.8V | UNIT | ||||
|---|---|---|---|---|---|---|---|---|
| MIN | MAX | MIN | MAX | |||||
| B3 | tsu(DRV-CLKXAE) | Setup time, mcbsp2_dr valid before mcbsp2_clkx active edge | Half Cycle Master | 5.0 | 5.0 | ns | ||
| Half Cycle Slave | 5.2 | 5.2 | ns | |||||
| Full Cycle Master | 4.2 | 4.2 | ns | |||||
| Full Cycle Slave | 4.2 | 4.2 | ns | |||||
| B4 | th(CLKXAE-DRV) | Hold time, mcbsp2_dr valid after mcbsp2_clkx active edge | Half Cycle Master | 5.8 | 5.8 | ns | ||
| Half Cycle Slave | 5.2 | 5.2 | ns | |||||
| Full Cycle Master | 1.5 | 1.5 | ns | |||||
| Full Cycle Slave | 0.9 | 0.9 | ns | |||||
| B5 | tsu(FSXV-CLKXAE) | Setup time, mcbsp2_fsx valid before mcbsp2_clkx active edge | Half Cycle Slave | 5.2 | 5.2 | ns | ||
| Full Cycle Slave | 4.2 | 4.2 | ns | |||||
| B6 | th(CLKXAE-FSXV) | Hold time, mcbsp2_fsx valid after mcbsp2_clkx active edge | Half Cycle Slave | 5.2 | 5.2 | ns | ||
| Full Cycle Slave | 1.0 | 1.0 | ns | |||||
| No. | PARAMETER | VDDSHV = 3.3V | VDDSHV = 1.8V | UNIT | ||||
|---|---|---|---|---|---|---|---|---|
| MIN | MAX | MIN | MAX | |||||
| B2 | td(CLKXAE-FSXV) | Delay time, mcbsp2_clkx active edge to mcbsp2_fsx valid | 0.2 | 14.8 | 0.2 | 14.8 | ns | |
| No. | PARAMETER | VDDSHV = 3.3V | VDDSHV = 1.8V | UNIT | ||||
|---|---|---|---|---|---|---|---|---|
| MIN | MAX | MIN | MAX | |||||
| B5 | tsu(FSXV-CLKXAE) | Setup time, mcbsp2_fsx valid before mcbsp2_clkx active edge | Half Cycle Slave | 5.2 | 5.2 | ns | ||
| Full Cycle Slave | 4.2 | 4.2 | ns | |||||
| B6 | th(CLKXAE-FSXV) | Hold time, mcbsp2_fsx valid after mcbsp2_clkx active edge | Half Cycle Slave | 5.2 | 5.2 | ns | ||
| Full Cycle Slave | 1.0 | 1.0 | ns | |||||
| No. | PARAMETER | VDDSHV = 3.3V | VDDSHV = 1.8V | UNIT | ||||
|---|---|---|---|---|---|---|---|---|
| MIN | MAX | MIN | MAX | |||||
| B2 | td(CLKXAE-FSXV) | Delay time, mcbsp2_clkx active edge to mcbsp2_fsx valid | 0.2 | 14.8 | 0.2 | 14.8 | ns | |
| B8 | td(CLKXAE-DXV) | Delay time, mcbsp2_clkx active edge to mcbsp2_dx valid | Master | 0.6 | 14.8 | 0.6 | 14.8 | ns |
| Slave | 0.6 | 14.8 | 0.6 | 14.8 | ns | |||
Table 6-57 through Table 6-64 list the timing conditions and switching characteristics for McBSP3 multiplexed on McBSP3 pins.
Note: All timings apply only to Set #1- multiplexing on mcbsp3 pins.
| No. | PARAMETER | VDDSHV = 3.3V | VDDSHV = 1.8V | UNIT | ||||
|---|---|---|---|---|---|---|---|---|
| MIN | MAX | MIN | MAX | |||||
| B3 | tsu(DRV-CLKXAE) | Setup time, mcbsp3_dr valid before mcbsp3_clkx active edge | Half Cycle Master | 7.5 | 7.5 | ns | ||
| Half Cycle Slave | 7.7 | 7.7 | ns | |||||
| Full Cycle Master | 5.6 | 5.6 | ns | |||||
| Full Cycle Slave | 5.8 | 5.8 | ns | |||||
| B4 | th(CLKXAE-DRV) | Hold time, mcbsp3_dr valid after mcbsp3_clkx active edge | Half Cycle Master | 8.3 | 8.3 | ns | ||
| Half Cycle Slave | 7.7 | 7.7 | ns | |||||
| Full Cycle Master | 1.5 | 1.5 | ns | |||||
| Full Cycle Slave | 0.9 | 0.9 | ns | |||||
| B5 | tsu(FSV-CLKXAE) | Setup time, mcbsp3_fsx valid before mcbsp3_clkx active edge | Half Cycle Slave | 7.7 | 7.7 | ns | ||
| Full Cycle Slave | 5.8 | 5.8 | ns | |||||
| B6 | th(CLKXAE-FSV) | Hold time, mcbsp3_fsx valid after mcbsp3_clkx active edge | Half Cycle Slave | 7.7 | 7.7 | ns | ||
| Full Cycle Slave | 1.0 | 1.0 | ns | |||||
| No. | PARAMETER | VDDSHV = 3.3V | VDDSHV = 1.8V | UNIT | ||||
|---|---|---|---|---|---|---|---|---|
| MIN | MAX | MIN | MAX | |||||
| B2 | td(CLKXAE-FSXV) | Delay time, mcbsp3_clkx active edge to mcbsp3_fsx valid | 0.2 | 22.2 | 0.2 | 22.2 | ns | |
| No. | PARAMETER | VDDSHV = 3.3V | VDDSHV = 1.8V | UNIT | ||||
|---|---|---|---|---|---|---|---|---|
| MIN | MAX | MIN | MAX | |||||
| B5 | tsu(FSXV-CLKXAE) | Setup time, mcbsp3_fsx valid before mcbsp3_clkx active edge | Half Cycle Slave | 7.7 | 7.7 | ns | ||
| Full Cycle Slave | 5.8 | 5.8 | ns | |||||
| B6 | th(CLKXAE-FSXV) | Hold time, mcbsp3_fsx valid after mcbsp3_clkx active edge | Half Cycle Slave | 7.7 | 7.7 | ns | ||
| Full Cycle Slave | 1 | 1 | ns | |||||
| No. | PARAMETER | VDDSHV = 3.3V | VDDSHV = 1.8V | UNIT | ||||
|---|---|---|---|---|---|---|---|---|
| MIN | MAX | MIN | MAX | |||||
| B2 | td(CLKXAE-FSXV) | Delay time, mcbsp3_clkx active edge to mcbsp3_fsx valid | 0.2 | 22.2 | 0.2 | 22.2 | ns | |
| B8 | td(CLKXAE-DXV) | Delay time, mcbsp3_clkx active edge to mcbsp3_dx valid | Master | 0.6 | 22.2 | 0.6 | 22.2 | ns |
| Slave | 0.6 | 22.2 | 0.6 | 22.2 | ns | |||
| No. | PARAMETER | VDDSHV = 3.3V | VDDSHV = 1.8V | UNIT | ||||
|---|---|---|---|---|---|---|---|---|
| MIN | MAX | MIN | MAX | |||||
| tsu(DRV-CLKXAE) | Setup time, mcbsp3_dr valid before mcbsp3_clkx active edge | Half Cycle Master | 7.5 | 7.5 | ns | |||
| Half Cycle Slave | 7.7 | 7.7 | ns | |||||
| Full Cycle Master | 5.6 | 5.6 | ns | |||||
| Full Cycle Slave | 5.8 | 5.8 | ns | |||||
| th(CLKXAE-DRV) | Hold time, mcbsp3_dr valid after mcbsp3_clkx active edge | Half Cycle Master | 8.3 | 8.3 | ns | |||
| Half Cycle Slave | 7.7 | 7.7 | ns | |||||
| Full Cycle Master | 1.5 | 1.5 | ns | |||||
| Full Cycle Slave | 0.9 | 0.9 | ns | |||||
| B5 | tsu(FXSV-CLKXAE) | Setup time, mcbsp3_fsx valid before mcbsp3_clkx active edge | Half Cycle Slave | 7.7 | 7.7 | ns | ||
| Full Cycle Slave | 5.8 | 5.8 | ns | |||||
| B6 | th(CLKXAE-FSXV) | Hold time, mcbsp3_fsx valid after mcbsp3_clkx active edge | Half Cycle Slave | 7.7 | 7.7 | ns | ||
| Full Cycle Slave | 1.0 | 1.0 | ns | |||||
| No. | PARAMETER | VDDSHV = 3.3V | VDDSHV = 1.8V | UNIT | ||||
|---|---|---|---|---|---|---|---|---|
| MIN | MAX | MIN | MAX | |||||
| B2 | td(CLKXAE-FSXV) | Delay time, mcbsp3_clkx active edge to mcbsp3_fsx valid | 0.2 | 22.2 | 0.2 | 22.2 | ns | |
| No. | PARAMETER | VDDSHV = 3.3V | VDDSHV = 1.8V | UNIT | ||||
|---|---|---|---|---|---|---|---|---|
| MIN | MAX | MIN | MAX | |||||
| B5 | tsu(FSXV-CLKXAE) | Setup time, mcbsp3_fsx valid before mcbsp3_clkx active edge | Half Cycle Slave | 5.2 | 5.2 | ns | ||
| Full Cycle Slave | 4.2 | 4.2 | ns | |||||
| B6 | th(CLKXAE-FSXV) | Hold time, mcbsp3_fsx valid after mcbsp3_clkx active edge | Half Cycle Slave | 5.2 | 5.2 | ns | ||
| Full Cycle Slave | 1.0 | 1.0 | ns | |||||
| No. | PARAMETER | VDDSHV = 3.3V | VDDSHV = 1.8V | UNIT | ||||
|---|---|---|---|---|---|---|---|---|
| MIN | MAX | MIN | MAX | |||||
| B2 | td(CLKXAE-FSXV) | Delay time, mcbsp3_clkx active edge to mcbsp3_fsx valid | 0.2 | 22.2 | 0.2 | 22.2 | ns | |
| B8 | td(CLKXAE-DXV) | Delay time, mcbsp3_clkx active edge to mcbsp3_dx valid | Master | 0.6 | 22.2 | 0.6 | 22.2 | ns |
| Slave | 0.6 | 22.2 | 0.6 | 22.2 | ns | |||
Table 6-65 through Table 6-72 list the timing conditions and switching characteristics for McBSP3 multiplexed on UART2 or McBSP1 pins.
Note: These timings only apply to Set #2 (multiplexing mode on uart2 pins) and Set #3 (multiplexing on mcbsp1 pins).
| No. | PARAMETER | VDDSHV = 3.3V | VDDSHV = 1.8V | UNIT | ||||
|---|---|---|---|---|---|---|---|---|
| MIN | MAX | MIN | MAX | |||||
| B3 | tsu(DRV-CLKXAE) | Setup time, mcbsp3_dr valid before mcbsp3_clkx active edge | Half Cycle Master | 5.0 | 5.0 | ns | ||
| Half Cycle Slave | 5.2 | 5.2 | ns | |||||
| Full Cycle Master | 4.2 | 4.2 | ns | |||||
| Full Cycle Slave | 4.2 | 4.2 | ns | |||||
| B4 | th(CLKXAE-DRV) | Hold time, mcbsp3_dr valid after mcbsp3_clkx active edge | Half Cycle Master | 5.8 | 5.8 | ns | ||
| Half Cycle Slave | 5.2 | 5.2 | ns | |||||
| Full Cycle Master | 1.5 | 1.5 | ns | |||||
| Full Cycle Slave | 0.9 | 0.9 | ns | |||||
| B5 | tsu(FSV-CLKXAE) | Setup time, mcbsp3_fsx valid before mcbsp3_clkx active edge | Half Cycle Slave | 5.2 | 5.2 | ns | ||
| Full Cycle Slave | 4.2 | 4.2 | ns | |||||
| B6 | th(CLKXAE-FSV) | Hold time, mcbsp3_fsx valid after mcbsp3_clkx active edge | Half Cycle Slave | 5.2 | 5.2 | ns | ||
| Full Cycle Slave | 1.0 | 1.0 | ns | |||||
| No. | PARAMETER | VDDSHV = 3.3V | VDDSHV = 1.8V | UNIT | ||||
|---|---|---|---|---|---|---|---|---|
| MIN | MAX | MIN | MAX | |||||
| B2 | td(CLKXAE-FSXV) | Delay time, mcbsp3_clkx active edge to mcbsp3_fsx valid | 0.2 | 14.8 | 0.2 | 14.8 | ns | |
| No. | PARAMETER | VDDSHV = 3.3V | VDDSHV = 1.8V | UNIT | ||||
|---|---|---|---|---|---|---|---|---|
| MIN | MAX | MIN | MAX | |||||
| B5 | tsu(FSXV-CLKXAE) | Setup time, mcbsp3_fsx valid before mcbsp3_clkx active edge | Half Cycle Slave | 5.2 | 5.2 | ns | ||
| Full Cycle Slave | 4.2 | 4.2 | ns | |||||
| B6 | th(CLKXAE-FSXV) | Hold time, mcbsp3_fsx valid after mcbsp3_clkx active edge | Half Cycle Slave | 5.2 | 5.2 | ns | ||
| Full Cycle Slave | 1.0 | 1.0 | ns | |||||
| No. | PARAMETER | VDDSHV = 3.3V | VDDSHV = 1.8V | UNIT | ||||
|---|---|---|---|---|---|---|---|---|
| MIN | MAX | MIN | MAX | |||||
| B2 | td(CLKXAE-FSXV) | Delay time, mcbsp3_clkx active edge to mcbsp3_fsx valid | 0.2 | 14.8 | 0.2 | 14.8 | ns | |
| B8 | td(CLKXAE-DXV) | Delay time, mcbsp3_clkx active edge to mcbsp3_dx valid | Master | 0.6 | 14.8 | 0.6 | 14.8 | ns |
| Slave | 0.6 | 14.8 | 0.6 | 14.8 | ns | |||
| No. | PARAMETER | VDDSHV = 3.3V | VDDSHV = 1.8V | UNIT | ||||
|---|---|---|---|---|---|---|---|---|
| MIN | MAX | MIN | MAX | |||||
| B3 | tsu(DRV-CLKXAE) | Setup time, mcbsp3_dr valid before mcbsp3_clkx active edge | Half Cycle Master | 5.0 | 5.0 | ns | ||
| Half Cycle Slave | 5.2 | 5.2 | ns | |||||
| Full Cycle Master | 4.2 | 4.2 | ns | |||||
| Full Cycle Slave | 4.2 | 4.2 | ns | |||||
| B4 | th(CLKXAE-DRV) | Hold time, mcbsp3_dr valid after mcbsp3_clkx active edge | Half Cycle Master | 5.8 | 5.8 | ns | ||
| Half Cycle Slave | 5.2 | 5.2 | ns | |||||
| Full Cycle Master | 1.5 | 1.5 | ns | |||||
| Full Cycle Slave | 0.9 | 0.9 | ns | |||||
| B5 | tsu(FXSV-CLKXAE) | Setup time, mcbsp3_fsx valid before mcbsp3_clkx active edge | Half Cycle Slave | 5.2 | 5.2 | ns | ||
| Full Cycle Slave | 4.2 | 4.2 | ns | |||||
| B6 | th(CLKXAE-FSXV) | Hold time, mcbsp3_fsx valid after mcbsp3_clkx active edge | Half Cycle Slave | 5.2 | 5.2 | ns | ||
| Full Cycle Slave | 1.0 | 1.0 | ns | |||||
| No. | PARAMETER | VDDSHV = 3.3V | VDDSHV = 1.8V | UNIT | ||||
|---|---|---|---|---|---|---|---|---|
| MIN | MAX | MIN | MAX | |||||
| B2 | td(CLKXAE-FSXV) | Delay time, mcbsp3_clkx active edge to mcbsp3_fsx valid | 0.2 | 14.8 | 0.2 | 14.8 | ns | |
| No. | PARAMETER | VDDSHV = 3.3V | VDDSHV = 1.8V | UNIT | ||||
|---|---|---|---|---|---|---|---|---|
| MIN | MAX | MIN | MAX | |||||
| B5 | tsu(FSXV-CLKXAE) | Setup time, mcbsp3_fsx valid before mcbsp3_clkx active edge | Half Cycle Slave | 5.2 | 5.2 | ns | ||
| Full Cycle Slave | 4.2 | 4.2 | ns | |||||
| B6 | th(CLKXAE-FSXV) | Hold time, mcbsp3_fsx valid after mcbsp3_clkx active edge | Half Cycle Slave | 5.2 | 5.2 | ns | ||
| Full Cycle Slave | 1.0 | 1.0 | ns | |||||
| No. | PARAMETER | VDDSHV = 3.3V | VDDSHV = 1 .8V | UNIT | ||||
|---|---|---|---|---|---|---|---|---|
| MIN | MAX | MIN | MAX | |||||
| B2 | td(CLKXAE-FSXV) | Delay time, mcbsp3_clkx active edge to mcbsp3_fsx valid | 0.2 | 14.8 | 0.2 | 14.8 | ns | |
| B8 | td(CLKXAE-DXV) | Delay time, mcbsp3_clkx active edge to mcbsp3_dx valid | Master | 0.6 | 14.8 | 0.6 | 14.8 | ns |
| Slave | 0.6 | 14.8 | 0.6 | 14.8 | ns | |||
Table 6-73 through Table 6-80 list the timing requirements and switching characteristics for McBSP4.
| No. | PARAMETER | VDDSHV = 3.3V | VDDSHV = 1.8V | UNIT | ||||
|---|---|---|---|---|---|---|---|---|
| MIN | MAX | MIN | MAX | |||||
| B3 | tsu(DRV-CLKXAE) | Setup time, mcbsp4_dr valid before mcbsp4_clkx active edge | Half Cycle Master | 7.5 | 7.5 | ns | ||
| Half Cycle Slave | 7.7 | 7.7 | ns | |||||
| Full Cycle Master | 3.2 | 3.2 | ns | |||||
| Full Cycle Slave | 4.2 | 4.2 | ns | |||||
| B4 | th(CLKXAE-DRV) | Hold time, mcbsp4_dr valid after mcbsp4_clkx active edge | Half Cycle Master | 7.7 | 7.7 | ns | ||
| Half Cycle Slave | 5.2 | 5.2 | ns | |||||
| Full Cycle Master | 1.5 | 1.5 | ns | |||||
| Full Cycle Slave | 0.9 | 0.9 | ns | |||||
| B5 | tsu(FSV-CLKXAE) | Setup time, mcbsp4_fsx valid before mcbsp4_clkx active edge | Half Cycle Slave | 7.7 | 7.7 | ns | ||
| Full Cycle Slave | 4.2 | 4.2 | ns | |||||
| B6 | th(CLKXAE-FSV) | Hold time, mcbsp4_fsx valid after mcbsp4_clkx active edge | Half Cycle Slave | 5.2 | 5.2 | ns | ||
| Full Cycle Slave | 1.0 | 1.0 | ns | |||||
| No. | PARAMETER | VDDSHV = 3.3V | VDDSHV = 1.8V | UNIT | ||||
|---|---|---|---|---|---|---|---|---|
| MIN | MAX | MIN | MAX | |||||
| B2 | td(CLKXAE-FSXV) | Delay time, mcbsp4_clkx active edge to mcbsp4_fsx valid | 0.2 | 16.6 | 0.2 | 16.6 | ns | |
| No. | PARAMETER | VDDSHV = 3.3V | VDDSHV = 1.8V | UNIT | ||||
|---|---|---|---|---|---|---|---|---|
| MIN | MAX | MIN | MAX | |||||
| B5 | tsu(FSXV-CLKXAE) | Setup time, mcbsp4_fsx valid before mcbsp4_clkx active edge | Half Cycle Slave | 7.7 | 7.7 | ns | ||
| Full Cycle Slave | 3.7 | 3.7 | ns | |||||
| B6 | th(CLKXAE-FSXV) | Hold time, mcbsp4_fsx valid after mcbsp4_clkx active edge | Half Cycle Slave | 1.0 | 1.0 | ns | ||
| Full Cycle Slave | 1.0 | 1.0 | ns | |||||
| No. | PARAMETER | VDDSHV = 3.3V | VDDSHV = 1.8V | UNIT | ||||
|---|---|---|---|---|---|---|---|---|
| MIN | MAX | MIN | MAX | |||||
| B2 | td(CLKXAE-FSXV) | Delay time, mcbsp4_clkx active edge to mcbsp4_fsx valid | 0.2 | 16.6 | 0.2 | 16.6 | ns | |
| B8 | td(CLKXAE-DXV) | Delay time, mcbsp4_clkx active edge to mcbsp4_dx valid | Master | 0.6 | 16.6 | 0.6 | 16.6 | ns |
| Slave | 0.6 | 17.3 | 0.6 | 17.3 | ns | |||
| No. | PARAMETER | VDDSHV = 3.3V | VDDSHV = 1.8V | UNIT | ||||
|---|---|---|---|---|---|---|---|---|
| MIN | MAX | MIN | MAX | |||||
| B3 | tsu(DRV-CLKXAE) | Setup time, mcbsp4_dr valid before mcbsp4_clkx active edge | Half Cycle Master | 7.5 | 7.5 | ns | ||
| Half Cycle Slave | 7.7 | 7.7 | ns | |||||
| Full Cycle Master | 5.6 | 5.6 | ns | |||||
| Full Cycle Slave | 5.8 | 5.8 | ns | |||||
| B4 | th(CLKXAE-DRV) | Hold time, mcbsp4_dr valid after mcbsp4_clkx active edge | Half Cycle Master | 7.7 | 7.7 | ns | ||
| Half Cycle Slave | 5.2 | 5.2 | ns | |||||
| Full Cycle Master | 1.5 | 1.5 | ns | |||||
| Full Cycle Slave | 0.9 | 0.9 | ns | |||||
| B5 | tsu(FXSV-CLKXAE) | Setup time, mcbsp4_fsx valid before mcbsp4_clkx active edge | Half Cycle Slave | 7.7 | 7.7 | ns | ||
| Full Cycle Slave | 5.8 | 5.8 | ns | |||||
| B6 | th(CLKXAE-FSXV) | Hold time, mcbsp4_fsx valid after mcbsp4_clkx active edge | Half Cycle Slave | 5.2 | 5.2 | ns | ||
| Full Cycle Slave | 1.0 | 1.0 | ns | |||||
| No. | PARAMETER | VDDSHV = 3.3V | VDDSHV = 1.8V | UNIT | ||||
|---|---|---|---|---|---|---|---|---|
| MIN | MAX | MIN | MAX | |||||
| B2 | td(CLKXAE-FSXV) | Delay time, mcbsp4_clkx active edge to mcbsp4_fsx valid | 0.2 | 16.6 | 0.2 | 16.6 | ns | |
| No. | PARAMETER | VDDSHV = 3.3V | VDDSHV = 1.8V | UNIT | ||||
|---|---|---|---|---|---|---|---|---|
| MIN | MAX | MIN | MAX | |||||
| B5 | tsu(FSXV-CLKXAE) | Setup time, mcbsp4_fsx valid before mcbsp4_clkx active edge | Half Cycle Slave | 7.7 | 7.7 | ns | ||
| Full Cycle Slave | 3.7 | 3.7 | ns | |||||
| B6 | th(CLKXAE-FSXV) | Hold time, mcbsp4_fsx valid after mcbsp4_clkx active edge | Half Cycle Slave | 5.2 | 5.2 | ns | ||
| Full Cycle Slave | 1.0 | 1.0 | ns | |||||
| No. | PARAMETER | VDDSHV = 3.3V | VDDSHV = 1.8V | UNIT | ||||
|---|---|---|---|---|---|---|---|---|
| MIN | MAX | MIN | MAX | |||||
| B2 | td(CLKXAE-FSXV) | Delay time, mcbsp4_clkx active edge to mcbsp4_fsx valid | 0.2 | 16.6 | 0.2 | 16.6 | ns | |
| B8 | td(CLKXAE-DXV) | Delay time, mcbsp4_clkx active edge to mcbsp4_dx valid | Master | 0.6 | 16.6 | 0.6 | 16.6 | ns |
| Slave | 0.6 | 17.3 | 0.6 | 17.3 | ns | |||
Table 6-81 through Table 6-88 list the timing conditions and switching characteristics for McBSP5.
| No. | PARAMETER | VDDSHV = 3.3V | VDDSHV = 1.8V | UNIT | ||||
|---|---|---|---|---|---|---|---|---|
| MIN | MAX | MIN | MAX | |||||
| B3 | tsu(DRV-CLKXAE) | Setup time, mcbsp5_dr valid before mcbsp5_clkx active edge | Half Cycle Master | 7.5 | 7.5 | ns | ||
| Half Cycle Slave | 7.7 | 7.7 | ns | |||||
| Full Cycle Master | 5.6 | 5.6 | ns | |||||
| Full Cycle Slave | 5.8 | 5.8 | ns | |||||
| B4 | th(CLKXAE-DRV) | Hold time, mcbsp5_dr valid after mcbsp5_clkx active edge | Half Cycle Master | 7.5 | 7.5 | ns | ||
| Half Cycle Slave | 7.7 | 7.7 | ns | |||||
| Full Cycle Master | 1.5 | 1.5 | ns | |||||
| Full Cycle Slave | 0.9 | 0.9 | ns | |||||
| B5 | tsu(FSV-CLKXAE) | Setup time, mcbsp5_fsx valid before mcbsp5_clkx active edge | Half Cycle Slave | 7.7 | 7.7 | ns | ||
| Full Cycle Slave | 5.8 | 5.8 | ns | |||||
| B6 | th(CLKXAE-FSV) | Hold time, mcbsp5_fsx valid after mcbsp5_clkx active edge | Half Cycle Slave | 7.7 | 7.7 | ns | ||
| Full Cycle Slave | 1.0 | 1.0 | ns | |||||
| No. | PARAMETER | VDDSHV = 3.3V | VDDSHV = 1.8V | UNIT | ||||
|---|---|---|---|---|---|---|---|---|
| MIN | MAX | MIN | MAX | |||||
| B2 | td(CLKXAE-FSXV) | Delay time, mcbsp5_clkx active edge to mcbsp5_fsx valid | 0.2 | 14.8 | 0.7 | 14.8 | ns | |
| No. | PARAMETER | VDDSHV = 3.3V | VDDSHV = 1.8V | UNIT | ||||
|---|---|---|---|---|---|---|---|---|
| MIN | MAX | MIN | MAX | |||||
| B5 | tsu(FSXV-CLKXAE) | Setup time, mcbsp5_fsx valid before mcbsp5_clkx active edge | Half Cycle Slave | 7.7 | 7.7 | ns | ||
| Full Cycle Slave | 5.8 | 5.8 | ns | |||||
| B6 | th(CLKXAE-FSXV) | Hold time, mcbsp5_fsx valid after mcbsp5_clkx active edge | Half Cycle Slave | 7.7 | 7.7 | ns | ||
| Full Cycle Slave | 1.0 | 1.0 | ns | |||||
| No. | PARAMETER | VDDSHV = 3.3V | VDDSHV = 1.8V | UNIT | ||||
|---|---|---|---|---|---|---|---|---|
| MIN | MAX | MIN | MAX | |||||
| B2 | td(CLKXAE-FSXV) | Delay time, mcbsp5_clkx active edge to mcbsp5_fsx valid | 0.2 | 14.8 | 0.2 | 14.8 | ns | |
| B8 | td(CLKXAE-DXV) | Delay time, mcbsp5_clkx active edge to mcbsp5_dx valid | Master | 0.6 | 14.8 | 0.6 | 14.8 | ns |
| Slave | 0.6 | 14.8 | 0.6 | 14.8 | ns | |||
| No. | PARAMETER | VDDSHV = 3.3V | VDDSHV = 1.8V | UNIT | ||||
|---|---|---|---|---|---|---|---|---|
| MIN | MAX | MIN | MAX | |||||
| B3 | tsu(DRV-CLKXAE) | Setup time, mcbsp5_dr valid before mcbsp5_clkx active edge | Half Cycle Master | 7.5 | 7.5 | ns | ||
| Half Cycle Slave | 7.7 | 7.7 | ns | |||||
| Full Cycle Master | 5.6 | 5.6 | ns | |||||
| Full Cycle Slave | 5.8 | 5.8 | ns | |||||
| B4 | th(CLKXAE-DRV) | Hold time, mcbsp5_dr valid after mcbsp5_clkx active edge | Half Cycle Master | 8.3 | 8.3 | ns | ||
| Half Cycle Slave | 7.7 | 7.7 | ns | |||||
| Full Cycle Master | 1.5 | 1.5 | ns | |||||
| Full Cycle Slave | 0.9 | 0.9 | ns | |||||
| B5 | tsu(FXSV-CLKXAE) | Setup time, mcbsp5_fsx valid before mcbsp5_clkx active edge | Half Cycle Slave | 7.7 | 7.7 | ns | ||
| Full Cycle Slave | 5.8 | 5.8 | ns | |||||
| B6 | th(CLKXAE-FSXV) | Hold time, mcbsp5_fsx valid after mcbsp5_clkx active edge | Half Cycle Slave | 7.7 | 7.7 | ns | ||
| Full Cycle Slave | 1.0 | 1.0 | ns | |||||
| No. | PARAMETER | VDDSHV = 3.3V | VDDSHV = 1.8V | UNIT | ||||
|---|---|---|---|---|---|---|---|---|
| MIN | MAX | MIN | MAX | |||||
| B2 | td(CLKXAE-FSXV) | Delay time, mcbsp5_clkx active edge to mcbsp5_fsx valid | 0.2 | 22.2 | 0.2 | 22.2 | ns | |
| No. | PARAMETER | VDDSHV = 3.3V | VDDSHV = 1.8V | UNIT | ||||
|---|---|---|---|---|---|---|---|---|
| MIN | MAX | MIN | MAX | |||||
| B5 | tsu(FSXV-CLKXAE) | Setup time, mcbsp5_fsx valid before mcbsp5_clkx active edge | Half Cycle Slave | 7.7 | 7.7 | ns | ||
| Full Cycle Slave | 5.8 | 5.8 | ns | |||||
| B6 | th(CLKXAE-FSXV) | Hold time, mcbsp5_fsx valid after mcbsp5_clkx active edge | Half Cycle Slave | 7.7 | 7.7 | ns | ||
| Full Cycle Slave | 1.0 | 1.0 | ns | |||||
| No. | PARAMETER | VDDSHV = 3.3V | VDDSHV = 1.8V | UNIT | ||||
|---|---|---|---|---|---|---|---|---|
| MIN | MAX | MIN | MAX | |||||
| B2 | td(CLKXAE-FSXV) | Delay time, mcbsp5_clkx active edge to mcbsp5_fsx valid | 0.2 | 22.2 | 0.2 | 22.2 | ns | |
| B8 | td(CLKXAE-DXV) | Delay time, mcbsp5_clkx active edge to mcbsp5_dx valid | Master | 0.6 | 22.2 | 0.6 | 22.2 | ns |
| Slave | 0.6 | 22.2 | 0.6 | 22.2 | ns | |||
Table 6-89 through Table 6-91 assume testing over the recommended operating conditions.
| PARAMETER | DESCRIPTION | VDDSHV = 1.8V or 3.3V | UNIT | |
|---|---|---|---|---|
| MIN | MAX | |||
| tr | Input signal rise time | 1 | 8.5 | ns |
| tf | Input signal fall time | 1 | 8.5 | ns |
| Cload | Output load capacitance | 40 | pf | |
| INDEX | PARAMETER | DESCRIPTION | VDDSHV = 1.8V or 3.3V | UNIT | |
|---|---|---|---|---|---|
| MIN | MAX | ||||
| tw(CLKH) | Cycle Time, mcbspx_clkx | 162.8 | ns | ||
| tw(CLKH) | Typical Pulse duration, mcbspx_clkx high | 81.4 | ns | ||
| tw(CLKL) | Typical Pulse duration, mcbspx_clkx low | 81.4 | ns | ||
| tdc(CLK) | Duty cycle error, mcbspx_clkx | -8.14 | 8.14 | ns | |
| B3 | tsu(DRV-CLKAE) | Setup time, mcbspx_dr valid before mcbspx_clkx active edge | 9 | ns | |
| B4 | th(CLKAE-DRV) | Hold time, mcbspx_dr valid after mcbspx_clkx active edge | 2.4 | ns | |
| B5 | tsu(FSV-CLKAE) | Setup time, mcbspx_fsx valid before mcbspx_clkx active edge | 9 | ns | |
| B6 | th(CLKAE-FSV) | Hold time, mcbspx_fsx valid after mcbspx_clkx active edge | 2.4 | ns | |
| INDEX | PARAMETER | DESCRIPTION | VDDSHV = 1.8V or 3.3V | UNIT | |
|---|---|---|---|---|---|
| MIN | MAX | ||||
| B8 | td(CLKXAE-DXV) | Delay time, mcbspx_clkx active edge to mcbspx_dx valid | 0.6 | 16.8 | ns |
Figure 6-37 McBSP Rising Edge Receive Timing in Master Mode
Figure 6-38 McBSP Rising Edge Receive Timing in Slave Mode
Figure 6-39 McBSP Rising Edge Transmit Timing in Master Mode
Figure 6-40 McBSP Rising Edge Transmit Timing in Slave Mode
Figure 6-41 McBSP Falling Edge Receive Timing in Master Mode
Figure 6-42 McBSP Falling Edge Receive Timing in Slave Mode
Figure 6-43 McBSP Falling Edge Transmit Timing in Master Mode
Figure 6-44 McBSP Falling Edge Transmit Timing in Slave Mode
The multichannel SPI is a master/slave synchronous serial bus. The McSPI1 module supports up to four peripherals and the others (McSPI2, McSPI3, and McSPI4) support up to two peripherals. The following timings are applicable to the different configurations of McSPI in master/slave mode for any McSPI and any channel (n).
Table 6-92 and Table 6-93 assume testing over the recommended operating conditions.
| NO. | PARAMETER | 1.8 V | 3.3 V | UNIT | |||
|---|---|---|---|---|---|---|---|
| MIN | MAX | MIN | MAX | ||||
| SS0 | tc(CLK) | Cycle time, mcspix_clk | 41.67 | 41.67 | ns | ||
| SS1 | tw(CLK) | Pulse duration, mcspix_clk high or low | 18.75 | 22.92 | 11.25 | ns | |
| SS2 | tsu(SIMOV-CLKAE) | Setup time, mcspix_simo valid before mcspix_clk active edge | 4.2 | 4 | ns | ||
| SS3 | th(SIMOV-CLKAE) | Hold time, mcspix_simo valid after mcspix_clk active edge | 4.6 | 3 | ns | ||
| SS4 | tsu(CS0V-CLKFE) | Setup time, mcspix_cs0 valid before mcspix_clk first edge | 13.8 | 7 | ns | ||
| SS5 | th(CS0I-CLKLE) | Hold time, mcspix_cs0 invalid after mcspix_clk last edge | 13.8 | 9.17 | ns | ||
| NO. | PARAMETER | 1.8 V | 3.3 V | UNIT | ||||
|---|---|---|---|---|---|---|---|---|
| MIN | MAX | MIN | MAX | |||||
| SS6 | td(CLKAE-SOMIV) | Delay time, mcspix_clk active edge to mcspix_somi shifted | 1.8 | 15.9 | 2 | 16.5 | ns | |
| SS7 | td(CS0AE-SOMIV) | Delay time, mcspix_cs0 active edge to mcspix_somi shifted | Modes 0 and 2 | 16.38 | 15.9 | ns | ||
Table 6-94 and Table 6-95 assume testing over the recommended operating conditions.
| NO. | PARAMETER | 1.8 V | 3.3 V | UNIT | |||
|---|---|---|---|---|---|---|---|
| MIN | MAX | MIN | MAX | ||||
| SM2 | tsu(SOMIV-CLKAE) | Setup time, mcspix_somi valid before mcspix_clk active edge | 2.56 | 4 | ns | ||
| SM3 | th(SOMIV-CLKAE) | Hold time, mcspix_somi valid after mcspix_clk active edge | 2.93 | 4 | ns | ||
| NO. | PARAMETER | 1.8 V | 3.3 V | UNIT | ||||
|---|---|---|---|---|---|---|---|---|
| MIN | MAX | MIN | MAX | |||||
| SM0 | tc(CLK) | Cycle time, mcspix_clk | 20.83 | 20.83 | ns | |||
| tj(CLK) | Cycle jitter(7), mcspix_clk | -200 | 200 | -200 | 200 | ps | ||
| SM1 | tw(CLK) | Pulse duration, mcspix_clk high or low | 0.45P(2) | 0.55P(2) | 0.45P(2) | 0.55P(2) | ns | |
| SM4 | td(CLKAE-SIMOV) | Delay time, mcspix_clk active edge to mcspix_simo shifted | -2.1 | 5 | -3 | 6 | ns | |
| SM5 | td(CSnA-CLKFE) | Delay time, mcspix_csi active to mcspix_clk first edge | Modes 1 and 3 | A(5) - 3.2 | A(5) - 3.0 | 6 | ns | |
| Modes 0 and 2 | B(6) - 3.2 | B(6) -3.0 | 6 | ns | ||||
| SM6 | td(CLKLE-CSnI) | Delay time, mcspix_clk last edge to mcspix_csi inactive | Modes 1 and 3 | B(6) - 3.2 | B(6) - 3.0 | ns | ||
| Modes 0 and 2 | A(5) - 3.2 | A(5) - 3.0 | ns | |||||
| SM7 | td(CSnAE-SIMOV) | Delay time, mcspix_csi active edge to mcspix_simo shifted | Modes 0 and 2 | 5 | 5 | ns | ||
Table 6-96 and Table 6-97 assume testing over the recommended operating conditions.
| NO. | PARAMETER | 1.8 V | 3.3 V | UNIT | |||
|---|---|---|---|---|---|---|---|
| MIN | MAX | MIN | MAX | ||||
| SM2 | tsu(SOMIV-CLKAE) | Setup time, mcspi3_somi valid before mcspi3_clk active edge | 2.5 | 4 | ns | ||
| SM3 | th(SOMIV-CLKAE) | Hold time, mcspi3_somi valid after mcspi3_clk active edge | 2.89 | 4 | ns | ||
| NO. | PARAMETER | 1.8 V | 3.3 V | UNIT | ||||
|---|---|---|---|---|---|---|---|---|
| MIN | MAX | MIN | MAX | |||||
| SM0 | tc(CLK) | Cycle time, mcspix_clk | 41.67 | 41.67 | ns | |||
| tj(CLK) | Cycle jitter(6) | -200 | 200 | -200 | 200 | ps | ||
| SM1 | tw(CLK) | Pulse duration, mcspix_clk high or low | 0.45P(7) | 0.55P(7) | 0.45P(7) | 0.55P(7) | ns | |
| SM4 | td(CLKAE-SIMOV) | Delay time, mcspix_clk active edge to mcspix_simo shifted | -2.1 | 11.3 | -3 | ns | ||
| SM5 | td(CSnA-CLKFE) | Delay time, mcspix_csi active to mcspix_clk first edge | Modes 1 and 3 | A(4) - 4.4 | A(4) - 3.0 | 6 | ns | |
| Modes 0 and 2 | B(5) - 4.4 | B(5) - 3.0 | 6 | ns | ||||
| SM6 | td(CLKLE-CSnI) | Delay time, mcspix_clk last edge to mcspix_csi inactive | Modes 1 and 3 | B(5) - 4.4 | B(5) - 3.0 | ns | ||
| Modes 0 and 2 | A(4) - 4.4 | A(4) - 3.0 | ns | |||||
| SM7 | td(CSnAE-SIMOV) | Delay time, mcspix_csi active edge to mcspix_simo shifted | Modes 0 and 2 | 11.3 | 5 | ns | ||
The AM3517/05 microprocessor provides three USB ports working in full- and low-speed data transactions (up to 12Mbit/s).
Connected to either a serial link controller or a serial PHY (PHY interface modes) it supports:
Table 6-98 through Table 6-100 assume testing over the recommended operating conditions.
| TIMING CONDITION PARAMETER | 1.8V, 3.3V | UNIT | |
|---|---|---|---|
| Input Conditions | |||
| tR | Input signal rise time | 2.0 | ns |
| tF | Input signal fall time | 2.0 | ns |
| Output Conditions | |||
| CLOAD | Output load capacitance | 15.0 | pF |
| NO. | PARAMETER | 1.8V, 3.3V | UNIT | ||
|---|---|---|---|---|---|
| MIN | MAX | ||||
| FSU1 | td(Vp,Vm) | Time duration, mmx_rxdp and mmx_rxdm low together during transition | 14.0 | ns | |
| FSU2 | td(Vp,Vm) | Time duration, mmx_rxdp and mmx_rxdm high together during transition | 8.0 | ns | |
| FSU3 | td(RCVU0) | Time duration, mmx_rrxcv undefine during a single end 0 (mmx_rxdp and mmx_rxdm low together) | 14.0 | ns | |
| FSU4 | td(RCVU1) | Time duration, mmx_rxrcv undefine during a single end 1 (mmx_rxdp and mmx_rxdm high together) | 8.0 | ns | |
| NO. | PARAMETER | 1.8V, 3.3V | UNIT | ||
|---|---|---|---|---|---|
| MIN | MAX | ||||
| FSU5 | td(TXENL-DATV) | Delay time, mmx_txen_n low to mmx_txdat valid | 81.8 | 84.8 | ns |
| FSU6 | td(TXENL-SE0V) | Delay time, mmx_txen_n low to mmx_txse0 valid | 81.8 | 84.8 | ns |
| FSU7 | ts(DAT-SE0) | Skew between mmx_txdat and mmx_txse0 transition | 1.5 | ns | |
| FSU8 | td(DATI-TXENH) | Delay time, mmx_txdat invalid to mmx_txen_n high | 81.8 | ns | |
| FSU9 | td(SE0I-TXENH) | Delay time, mmx_txse0 invalid to mmx_txen_n high | 81.8 | ns | |
| tR(do) | Rise time, mmx_txen_n | 4.0 | ns | ||
| tF(do) | Fall time, mmx_txen_n | 4.0 | ns | ||
| tR(do) | Rise time, mmx_txdat | 4.0 | ns | ||
| tF(do) | Fall time, mmx_txdat | 4.0 | ns | ||
| tR(do) | Rise time, mmx_txse0 | 4.0 | ns | ||
| tF(do) | Fall time, mmx_txse0 | 4.0 | ns | ||

Table 6-101 through Table 6-103 assume testing over the recommended operating conditions.
| TIMING CONDITION PARAMETER | 1.8V, 3.3V | UNIT | |
|---|---|---|---|
| Input Conditions | |||
| tR | Input signal rise time | 2.0 | ns |
| tF | Input signal fall time | 2.0 | ns |
| Output Conditions | |||
| CLOAD | Output load capacitance | 15.0 | pF |
| NO. | PARAMETER | 1.8V, 3.3V | UNIT | ||
|---|---|---|---|---|---|
| MIN | MAX | ||||
| FSU10 | td(DAT,SE0) | Time duration, mmx_txdat and mmx_txse0 low together during transition | 14.0 | ns | |
| FSU11 | td(DAT,SE0) | Time duration, mmx_txdat and mmx_txse0 high together during transition | 8.0 | ns | |
| FSU12 | td(RCVU0) | Time duration, mmx_rrxcv undefine during a single end 0 (mmx_txdat and mmx_txse0 low together) | 14.0 | ns | |
| FSU13 | td(RCVU1) | Time duration, mmx_rxrcv undefine during a single end 1 (mmx_txdat and mmx_txse0 high together) | 8.0 | ns | |
| NO. | PARAMETER | 1.8V, 3.3V | UNIT | ||
|---|---|---|---|---|---|
| MIN | MAX | ||||
| FSU14 | td(TXENL-DATV) | Delay time, mmx_txen_n low to mmx_txdat valid | 81.8 | 84.8 | ns |
| FSU15 | td(TXENL-SE0V) | Delay time, mmx_txen_n low to mmx_txse0 valid | 81.8 | 84.8 | ns |
| FSU16 | ts(DAT-SE0) | Skew between mmx_txdat and mmx_txse0 transition | 1.5 | ns | |
| FSU17 | td(DATV-TXENH) | Delay time, mmx_txdat invalid before mmx_txen_n high | 81.8 | ns | |
| FSU18 | td(SE0V-TXENH) | Delay time, mmx_txse0 invalid before mmx_txen_n high | 81.8 | ns | |
| tR(txen) | Rise time, mmx_txen_n | 4.0 | ns | ||
| tF(txen) | Fall time, mmx_txen_n | 4.0 | ns | ||
| tR(dat) | Rise time, mmx_txdat | 4.0 | ns | ||
| tF(dat) | Fall time, mmx_txdat | 4.0 | ns | ||
| tR(se0) | Rise time, mmx_txse0 | 4.0 | ns | ||
| tF(se0) | Fall time, mmx_txse0 | 4.0 | ns | ||

Table 6-104 through Table 6-106 assume testing over the recommended operating conditions.
| TIMING CONDITION PARAMETER | 1.8V, 3.3V | UNIT | |
|---|---|---|---|
| Input Conditions | |||
| tR | Input signal rise time | 2.0 | ns |
| tF | Input signal fall time | 2.0 | ns |
| Output Conditions | |||
| CLOAD | Output load capacitance | 15.0 | pF |
| NO. | PARAMETER | 1.8V, 3.3V | UNIT | ||
|---|---|---|---|---|---|
| MIN | MAX | ||||
| FSU19 | td(DAT,SE0) | Time duration, mmx_txdat and mmx_txse0 low together during transition | 14.0 | ns | |
| FSU20 | td(DAT,SE0) | Time duration, mmx_tsdat and mmx_txse0 high together during transition | 8.0 | ns | |
| NO. | PARAMETER | 1.8V, 3.3V | UNIT | ||
|---|---|---|---|---|---|
| MIN | MAX | ||||
| FSU21 | td(TXENL-DATV) | Delay time, mmx_txen_n low to mmx_txdat valid | 81.8 | 84.8 | ns |
| FSU22 | td(TXENL-SE0V) | Delay time, mmx_txen_n low to mmx_txse0 valid | 81.8 | 84.8 | ns |
| FSU23 | ts(DAT-SE0) | Skew between mmx_txdat and mmx_txse0 transition | 1.5 | ns | |
| FSU24 | td(DATI-TXENH) | Delay time, mmx_txdat invalid to mmx_txen_n high | 81.8 | ns | |
| FSU25 | td(SE0I-TXENH) | Delay time, mmx_txse0 invalid to mmx_txen_n high | 81.8 | ns | |
| tR(do) | Rise time, mmx_txen_n | 4.0 | ns | ||
| tF(do) | Fall time, mmx_txen_n | 4.0 | ns | ||
| tR(do) | Rise time, mmx_txdat | 4.0 | ns | ||
| tF(do) | Fall time, mmx_txdat | 4.0 | ns | ||
| tR(do) | Rise time, mmx_txse0 | 4.0 | ns | ||
| tF(do) | Fall time, mmx_txse0 | 4.0 | ns | ||

In addition to the full-speed USB controller, a high-speed (HS) USB controller is instantiated inside the AM3517/05. It allows high-speed transactions (up to 480 Mbit/s) on the USB ports 1 and 2.
Table 6-107 through Table 6-109 assume testing over the recommended operating conditions.
| TIMING CONDITION PARAMETER | 1.8V, 3.3V | UNIT | |
|---|---|---|---|
| Input Conditions | |||
| tR | Input signal rise time | 2 | ns |
| tF | Input signal fall time | 2 | ns |
| Output Conditions | |||
| CLOAD | Output load capacitance | 3 | pF |
| NO. | PARAMETER | 1.8V, 3.3V | UNIT | ||
|---|---|---|---|---|---|
| MIN | MAX | ||||
| HSU3 | ts(DIRV-CLKH) | Setup time, hsusbx_dir valid before hsusbx_clk rising edge | 7.5 | ns | |
| ts(NXTV-CLKH) | Setup time, hsusbx_nxt valid before hsusbx_clk rising edge | 7.5 | ns | ||
| HSU4 | th(CLKH-DIRIV) | Hold time, hsusbx_dir valid after hsusbx_clk rising edge | 0.2 | ns | |
| th(CLKH-NXT/IV) | Hold time, hsusbx_nxt valid after hsusbx_clk rising edge | 0.2 | ns | ||
| HSU5 | ts(DATAV-CLKH) | Setup time, hsusbx_data[0:7] valid before hsusbx_clk rising edge | 7.5 | ns | |
| HSU6 | th(CLKH-DATIV) | Hold time, hsusbx_data[0:7] valid after hsusbx_clk rising edge | 0.2 | ns | |
| N O. | PARAMETER | 1.8V, 3.3V | UNIT | ||
|---|---|---|---|---|---|
| MIN | MAX | ||||
| HSU0 | fp(CLK) | hsusbx_clk clock frequency | 60 | MHz | |
| tj(CLK) | Jitter standard deviation(2), hsusbx_clk | 200 | ps | ||
| HSU1 | td(CLKH-STPV) | Delay time, hsusbx_clk high to output hsusbx_stp valid | 13 | ns | |
| td(CLKH-STPIV) | Delay time, hsusbx_clk high to output hsusbx_stp invalid | 2 | ns | ||
| HSU2 | td(CLKH-DV) | Delay time, hsusbx_clk high to output hsusbx_data[0:7] valid | 13 | ns | |
| td(CLKH-DIV) | Delay time, hsusbx_clk high to output hsusbx_data[0:7] invalid | 2 | ns | ||
| tR(do) | Rise time, output signals | 2 | ns | ||
| tF(do) | Fall time, output signals | 2 | ns | ||

The AM3517/05 USB2.0 peripheral supports the following features:
The USB OTG electrical parameters meet or exceed those specified in the following documents which can be obtained from the USB Implementers Forum:
For additional information related to USB OTG electrical parameters, please see the respective documents on the USB Implementers Forum web site (http://www.usb.org).
The AM3517/05 device has a High-End Controller Area Network Controller (HECC). The HECC uses established protocol to communicate serially with other controllers in harsh environments. The HECC is fully compliant with the Controller Area Network (CAN) protocol, version 2.0B.
Key features of the HECC include the following:
| NO. | 1.8 V, 3.3 V | UNIT | |||
|---|---|---|---|---|---|
| MIN | MAX | ||||
| 1 | f(baud) | Maximum programmable baud rate | 1 | Mbps | |
| 2 | tw(HECC_RX) | Pulse duration, receive data bit | H-1(1) | H+3(1) | ns |
| NO. | PARAMETER | 1.8 V, 3.3 V | UNIT | ||
|---|---|---|---|---|---|
| MIN | MAX | ||||
| 3 | f(baud) | Maximum programmable baud rate | 1 | Mbps | |
| 4 | tw(HECC_TX) | Pulse duration, transmit data bit | H-1(1) | H+3(1) | ns |
Figure 6-51 HECC Transmit/Receive Timing
The Ethernet Media Access Controller (EMAC) provides an efficient interface between the AM3517/05 and the network. The EMAC supports both 10Base-T and 100Base-TX, or 10 Mbits/second (Mbps) and 100 Mbps in either half- or full-duplex mode, with hardware flow control and quality of service (QOS) support.
The EMAC controls the flow of packet data from the AM3517/05 device to the PHY. The MDIO module controls PHY configuration and status monitoring.
Both the EMAC and the MDIO modules interface to the AM3517/05 device through a custom interface that allows efficient data transmission and reception. This custom interface is referred to as the EMAC control module, and is considered integral to the EMAC/MDIO peripheral. The control module is also used to multiplex and control interrupts.
Table 6-112 through Table 6-114 assume testing over the recommended operating conditions.
| NO. | PARAMETER | 1.8V, 3.3V | ||||
|---|---|---|---|---|---|---|
| MIN | TYP | MAX | UNIT | |||
| fc(REFCLK) | Frequency, REF_CLK | 50 | MHz | |||
| ft (REFCLK) | Frequency stability, REF_CLK | +/-50 | ppm | |||
| 1 | tc(REFCLK) | Cycle Time, REF_CLK | 20 | ns | ||
| 2 | tw(REFCLKH) | Pulse Width, REF_CLK High | 7 | 13 | ns | |
| 3 | tw(REFCLKL) | Pulse Width, REF_CLK Low | 7 | 13 | ns | |
| 6 | tsu(RXD-REFCLK) | Input Setup Time, RXD Valid before REF_CLK High | 4 | ns | ||
| 7 | th(REFCLK-RXD) | Input Hold Time, RXD Valid after REF_CLK High | 2 | ns | ||
| 8 | tsu(CRSDV-REFCLK) | Input Setup Time, CRSDV Valid before REF_CLK High | 4 | ns | ||
| 9 | th(REFCLK-CRSDV) | Input Hold Time, CRSDV Valid after REF_CLK High | 2 | ns | ||
| 10 | tsu(RXER-REFCLK) | Input Setup Time, RXER Valid before REF_CLK High | 4 | ns | ||
| 11 | th(REFCLKR-RXER) | Input Hold Time, RXER Valid after REF_CLK High | 2 | ns | ||
| TIMING CONDITION PARAMETER | 1.8V, 3.3V | UNIT | ||
|---|---|---|---|---|
| Input Conditions | MIN | MAX | ||
| tR | Input signal rise time | 1 | 5 | ns |
| tF | Input signal fall time | 1 | 5 | ns |
| Output Conditions | ||||
| CLOAD | Output load capacitance | 5.5 | pF | |
| NO. | PARAMETER | 1.8V, 3.3V | ||||
|---|---|---|---|---|---|---|
| MIN | TYP | MAX | UNIT | |||
| 4 | td(REFCLK-TXD) | Output Delay Time, REF_CLK High to TXD Valid | 2.5 | 13 | ns | |
| 5 | td(REFCLK-TXEN) | Output Delay Time, REF_CLK High to TXEN Valid | 2.5 | 13 | ns | |
Figure 6-52 RMII Timing Diagram
The Management Data Input/Output (MDIO) module continuously polls all 32 MDIO addresses in order to enumerate all PHY devices in the system.
The Management Data Input/Output (MDIO) module implements the 802.3 serial management interface to interrogate and control Ethernet PHY(s) using a shared two-wire bus. Host software uses the MDIO module to configure the auto-negotiation parameters of each PHY attached to the EMAC, retrieve the negotiation results, and configure required parameters in the EMAC module for correct operation. The module is designed to allow almost transparent operation of the MDIO interface, with very little maintenance from the core processor. Only one PHY may be connected at any given time.
| No. | PARAMETER | UNIT | |||
|---|---|---|---|---|---|
| MIN | MAX | ||||
| 1 | tc(MD_CLK) | Cycle time, MD_CLK | 400 | ns | |
| 4 | tsu(MDIO-MDCLKH) | Setup time, MDIO data input valid before MD_CLK high | 20 | ns | |
| 5 | th(MDCLKH-MDIO) | Hold time, MDIO data input valid after MDCLK high | 0 | ns | |
Figure 6-53 MDIO Input Timing
| No. | PARAMETER | UNIT | |||
|---|---|---|---|---|---|
| MIN | MAX | ||||
| 7 | td(MDCLKL-MDIO) | Delay time, MDCLK low to MDIO data output valid | 0 | 100 | ns |
Figure 6-54 MDIO Output Timing
The AM3517/05 has four UARTs (one with Infrared Data Association [IrDA] and Consumer Infrared [CIR] modes).
| NO. | 1.8V, 3.3V | UNIT | |||
|---|---|---|---|---|---|
| MIN | MAX | ||||
| 4 | tw(URXDB) | Pulse duration, receive data bit (RXDn) | .96U | 1.05U | ns |
| 5 | tw(URXSB) | Pulse duration, receive start bit | .96U | 1.05U | ns |
| NO. | PARAMETER | 1.8V, 3.3V | UNIT | ||
|---|---|---|---|---|---|
| MIN | MAX | ||||
| 1 | f(baud) | UART0 Maximum programmable baud rate f(baud_15) | 5 | mbps | |
| UART0 Maximum programmable baud rate f(baud_30) | 0.23 | ||||
| UART0 Maximum programmable baud rate f(baud_100) | 0.115 | ||||
| 2 | tw(UTXDB) | Pulse duration, transmit data bit, 15/30/100 pF | U - 2 | U + 2 | ns |
| 3 | tw(UTXSB) | Pulse duration, transmit start bit, 15/30/100 pF | U - 2 | U + 2 | ns |
Figure 6-55 UART Transmit/Receive Timing
The IrDA module can operate in three different modes:
Figure 6-56 UART IrDA Pulse Parameters
| SIGNALING RATE | ELECTRICAL PULSE DURATION | UNIT | ||
|---|---|---|---|---|
| MIN | NOMINAL | MAX | ||
| SIR | ||||
| 2.4 Kbit/s | 1.41 | 78.1 | 88.55 | μs |
| 9.6 Kbit/s | 1.41 | 19.5 | 22.13 | μs |
| 19.2 Kbit/s | 1.41 | 9.75 | 11.07 | μs |
| 38.4 Kbit/s | 1.41 | 4.87 | 5.96 | μs |
| 57.6 Kbit/s | 1.41 | 3.25 | 4.34 | μs |
| 115.2 Kbit/s | 1.41 | 1.62 | 2.23 | μs |
| MIR | ||||
| 0.576 Mbit/s | 297.2 | 416 | 518.8 | ns |
| 1.152 Mbit/s | 149.6 | 208 | 258.4 | ns |
| FIR | ||||
| 4.0 Mbit/s (Single pulse) | 67 | 125 | 164 | ns |
| 4.0 Mbit/s (Double pulse) | 190 | 250 | 289 | ns |
| PARAMETER | MAX | UNIT | |
|---|---|---|---|
| tR | Rising time, uart3_rx_irrx | 200 | ns |
| tF | Falling time, uart3_rx_irrx | 200 | ns |
| SIGNALING RATE | ELECTRICAL PULSE DURATION | UNIT | ||
|---|---|---|---|---|
| MIN | NOMINAL | MAX | ||
| SIR | ||||
| 2.4 Kbit/s | 78.1 | 78.1 | 78.1 | μs |
| 9.6 Kbit/s | 19.5 | 19.5 | 19.5 | μs |
| 19.2 Kbit/s | 9.75 | 9.75 | 9.75 | μs |
| 38.4 Kbit/s | 4.87 | 4.87 | 4.87 | μs |
| 57.6 Kbit/s | 3.25 | 3.25 | 3.25 | μs |
| 115.2 Kbit/s | 1.62 | 1.62 | 1.62 | μs |
| MIR | ||||
| 0.576 Mbit/s | 414 | 416 | 419 | ns |
| 1.152 Mbit/s | 206 | 208 | 211 | ns |
| FIR | ||||
| 4.0 Mbit/s (Single pulse) | 123 | 125 | 128 | ns |
| 4.0 Mbit/s (Double pulse) | 248 | 250 | 253 | ns |
This module is intended to work with both the HDQ and the 1-Wire protocols. The protocols use a single wire to communicate between the master and the slave. The protocols employ an asynchronous return to 1 mechanism where, after any command, the line is pulled high.
Table 6-122 and Table 6-123 assume testing over the recommended operating conditions (see Figure 6-57 through Figure 6-60).
| PARAMETER | DESCRIPTION | MIN | MAX | UNIT |
|---|---|---|---|---|
| tCYCD | Bit window | 253 | s | |
| tHW1 | Reads 1 | 68 | ||
| tHW0 | Reads 0 | 180 | ||
| tRSPS | Command to host respond time(1) |
| PARAMETER | DESCRIPTION | MIN | TYP | MAX | UNIT |
|---|---|---|---|---|---|
| tB | Break timing | 193 | s | ||
| tBR | Break recovery | 63 | |||
| tCYCH | Bit window | 253 | |||
| tDW1 | Sends1 (write) | 1.3 | |||
| tDW0 | Sends0 (write) | 101 |
Figure 6-57 HDQ Break (Reset) Timing
Figure 6-58 HDQ Read Bit Timing (Data)
Figure 6-59 HDQ Write Bit Timing (Command/Address or Data)
Figure 6-60 HDQ Communication Timing
Table 6-124 and Table 6-125 assume testing over the recommended operating conditions (see Figure 6-61 through Figure 6-63).
| PARAMETER | DESCRIPTION | MIN | MAX | UNIT |
|---|---|---|---|---|
| tPDH | Presence pulse delay high | 68 | s | |
| tPDL | Presence pulse delay low | 68 tPDH | ||
| tRDV + tREL | Read bit-zero time | 102 |
| PARAMETER | DESCRIPTION | MIN | TYP | MAX | UNIT |
|---|---|---|---|---|---|
| tRSTL | Reset time low | 484 | s | ||
| tRSTH | Reset time high | 484 | |||
| tSLOT | Write bit cycle time | 102 | |||
| tLOW1 | Write bit-one time | 1.3 | |||
| tLOW0 | Write bit-zero time | 101 | |||
| tREC | Recovery time | 134 | |||
| tLOWR | Read bit strobe time | 13 |
Figure 6-61 1-Wire Break (Reset) Timing
Figure 6-62 1-Wire Read Bit Timing (Data)
Figure 6-63 1-Wire Write Bit Timing (Command/Address or Data)
The multimaster I2C peripheral provides an interface between two or more devices via an I2C serial bus. The I2C controller supports the multimaster mode which allows more than one device capable of controlling the bus to be connected to it. Each I2C device is recognized by a unique address and can operate as either transmitter or receiver, according to the function of the device. In addition to being a transmitter or receiver, a device connected to the I2C bus can also be considered as master or slave when performing data transfers. This data transfer is carried out via two serial bidirectional wires:
The following sections illustrate the data transfer is in master or slave configuration with 7-bit addressing format. The I2C interface is compliant with Philips I2C specification version 2.1. It supports standard mode (up to 100K bits/s), fast mode (up to 400K bits/s) and high-speed mode (up to 3.4Mb/s) .
| 1.8V, 3.3-V | |||||||
|---|---|---|---|---|---|---|---|
| NO. | PARAMETER(3) | STANDARD MODE | FAST MODE | UNIT | |||
| MIN | MAX | MIN | MAX | ||||
| fSCL | Clock Frequency, i2cX_scl | 100 | 400 | kHz | |||
| I1 | tw(SCLH) | Pulse Duration, i2cX_scl high | 4 | 0.6 | s | ||
| I2 | tw(SCLL) | Pulse Duration, i2cX_scl low | 4.7 | 1.3 | s | ||
| I3 | tsu(SDAV-SCLH) | Setup time, i2cX_sda valid before i2cX_scl active level | 250 | 100(1) | ns | ||
| I4 | th(SCLHSDAV) | Hold time, i2cX_sda valid after i2cX_scl active level | 3.45(2) | 0.9(2) | s | ||
| I5 | tsu(SDAL-SCLH) | Setup time, i2cX_scl high after i2cX_sda low (for a START(4) condition or a repeated START condition) | 4.7 | 0.6 | s | ||
| I6 | th(SCLHSDAH) | Hold time, i2cX_sda low level after i2cX_scl high level (STOP condition) | 4 | 0.6 | s | ||
| I7 | th(SCLHRSTART) | Hold time, i2cX_sda low level after i2cX_scl high level (for a repeated START condition) | 4 | 0.6 | s | ||
| I8 | tw(SDAH) | Pulse duration, i2cX_sda high between STOP and START conditions | 4.7 | 1.3 | s | ||
| tR(SCL) | Rise time, i2cX_scl | 1000 | 300 | ns | |||
| tF(SCL) | Fall time, i2cX_scl | 300 | 300 | ns | |||
| tR(SDA) | Rise time, i2cX_sda | 1000 | 300 | ns | |||
| tF(SDA) | Fall time, i2cX_sda | 300 | 300 | ns | |||
| CB | Capacitive load for each bus line | 60 | 60 | pF | |||
Figure 6-64 I2C Standard/Fast Mode
| 1.8V, 3.3V | |||||
|---|---|---|---|---|---|
| NO. | PARAMETER | UNIT | |||
| MIN | MAX | ||||
| fSCL | Clock frequency, i2cX_scl | 3.4 | MHz | ||
| I1 | tw(SCLH) | Pulse duration, i2cX_scl high | 60(1) | s | |
| I2 | tw(SCLL) | Pulse duration, i2cX_scl low | 160(1) | s | |
| I3 | tsu(SDAV-SCLH) | Setup time, i2cX_sda valid before i2cX_scl active level | 10 | ns | |
| I4 | th(SCLHSDAV) | Hold time, i2cX_sda valid after i2cX_scl active level | 70 | s | |
| I5 | tsu(SDAL-SCLH) | Setup time, i2cX_scl high after i2cX_sda low (for a START(2) condition or a repeated START condition) |
160 | s | |
| I6 | th(SCLHSDAH) | Hold time, i2cX_sda low level after i2cX_scl high level (STOP condition) | 160 | s | |
| I7 | th(SCLHRSTART) | Hold time, i2cX_sda low level after i2cX_scl high level (for a repeated START condition) | 160 | ns | |
| tR(SCL) | Rise time, i2cX_scl | 10 | 40 | ns | |
| tR(SCL) | Rise time, i2cX_scl after a repeated START condition and after a bit acknowledge | 10 | 80 | ns | |
| tF(SCL) | Fall time, i2cX_scl | 10 | 40 | ns | |
| tR(SDA) | Rise time, i2cX_sda | 10 | 80 | ns | |
| tF(SDA) | Fall time, i2cX_sda | 10 | 80 | ns | |
| AM3517/05 | STANDARD-I2C | ||
|---|---|---|---|
| S/F Mode | HS Mode | ||
| fSCL | FSCL | FSCLH | |
| I1 | tw(SCLH) | THIGH | THIGH |
| I2 | tw(SCLL) | TLOW | TLOW |
| I3 | tsu(SDAV-SCLH) | TSU;DAT | TSU;DAT |
| I4 | th(SCLH-SDAV) | TSU;DAT | TSU;DAT |
| I5 | tsu(SDAL-SCLH) | TSU;STA | TSU;STA |
| I6 | th(SCLH-SDAH) | THD;STA | THD;STA |
| I7 | th(SCLH-RSTART) | TSU;STO | TSU;STO |
| I8 | tw(SDAH) | TBUF | |
The MMC/SDIO host controller provides an interface to high-speed and standard MMC, SD memory cards, or SDIO cards. The application interface is responsible for managing transaction semantics. The MMC/SDIO host controller deals with MMC/SDIO protocol at transmission level, packing data, adding CRC, start/end bit, and checking for syntactical correctness.
There are three MMC interfaces on the AM3517/05:
Table 6-129 through Table 6-131 assume testing over the recommended operating conditions and electrical characteristic conditions.
| TIMING CONDITION PARAMETER | 1.8V, 3.3V | UNIT | ||
|---|---|---|---|---|
| MIN | MAX | |||
| SD Identification Mode | ||||
| Input Conditions | ||||
| tr | Input signal rise time | 10 | ns | |
| tf | Input signal fall time | 10 | ns | |
| Output Conditions | ||||
| CLOAD | Output load capacitance | 30 | pF | |
| NO. | PARAMETER | 1.8V, 3.3V | UNIT | ||
|---|---|---|---|---|---|
| MIN | MAX | ||||
| SD Identification Mode | |||||
| MMC/SD/SDIO Interface 1 | |||||
| HSSD3/SD3 | tsu(CMDV-CLKIH) | Setup time, mmc1_cmd valid before mmc1_clk rising clock edge | 1198.4 | ns | |
| HSSD4/SD4 | tsu(CLKIH-CMDIV) | Hold time, mmc1_cmd valid after mmc1_clk rising clock edge | 1249.2 | ns | |
| MMC/SD/SDIO Interface 2 | |||||
| HSSD3/SD3 | tsu(CMDV-CLKIH) | Setup time, mmc2_cmd valid before mmc2_clk rising clock edge | 1198.4 | ns | |
| HSSD4/SD4 | tsu(CLKIH-CMDIV) | Hold time, mmc2_cmd valid after mmc2_clk rising clock edge | 1249.2 | ns | |
| MMC/SD/SDIO Interface 3 | |||||
| HSSD3/SD3 | tsu(CMDV-CLKIH) | Setup time, mmc3_cmd valid before mmc3_clk rising clock edge | 1198.4 | ns | |
| HSSD4/SD4 | tsu(CLKIH-CMDIV) | Hold time, mmc3_cmd valid after mmc3_clk rising clock edge | 1249.2 | ns | |
| NO. | PARAMETER | 1.8V, 3.3V | UNIT | ||
|---|---|---|---|---|---|
| MIN | MAX | ||||
| SD Identification Mode | |||||
| HSSD1/SD1 | tc(clk) | Cycle time, output clk period | 2500 | ns | |
| HSSD2/SD2 | tW(clkH) | Typical pulse duration, output clk high | X(4)*PO(1) | ns | |
| HSSD2/SD2 | tW(clkL) | Typical pulse duration, output clk low | Y(5)*PO(1) | ns | |
| tdc(clk) | Duty cycle error, output clk | 125 | ns | ||
| tj(clk) | Jitter standard deviation, output clk | 200 | ps | ||
| MMC/SD/SDIO Interface 1 | |||||
| tr(clk) | Rise time, output clk | 10 | ns | ||
| tf(clkH) | Fall time, output clk | 10 | ns | ||
| tr(clkL) | Rise time, output data | 10 | ns | ||
| tf(clk) | Fall time, output data | 10 | ns | ||
| HSSD5/SD5 | td(CLKOH-CMD) | Delay time, mmc1_clk rising clock edge to mmc1_cmd transition | 6.3 | 2492.7 | ns |
| MMC/SD/SDIO Interface 2 | |||||
| tr(clk) | Rise time, output clk | 10 | ns | ||
| tf(clkH) | Fall time, output clk | 10 | ns | ||
| tr(clkL) | Rise time, output data | 10 | ns | ||
| tf(clk) | Fall time, output data | 10 | ns | ||
| HSSD5/SD5 | td(CLKOH-CMD) | Delay time, mmc2_clk rising clock edge to mmc2_cmd transition | 6.3 | 2492.7 | ns |
| MMC/SD/SDIO Interface 3 | |||||
| tr(clk) | Rise time, output clk | 10 | ns | ||
| tf(clkH) | Fall time, output clk | 10 | ns | ||
| tr(clkL) | Rise time, output data | 10 | ns | ||
| tf(clk) | Fall time, output data | 10 | ns | ||
| HSSD5/SD5 | td(CLKOH-CMD) | Delay time, mmc3_clk rising clock edge to mmc3_cmd transition | 6.3 | 2492.7 | ns |
| CLKD | X |
|---|---|
| 1 or Even | 0.5 |
| Odd | (trunc[CLKD/2]+1)/CLKD |
| CLKD | Y |
|---|---|
| 1 or Even | 0.5 |
| Odd | (trunc[CLKD/2])/CLKD |
Table 6-134 through Table 6-136 assume testing over the recommended operating conditions and electrical characteristic conditions.
| TIMING CONDITION PARAMETER | 1.8V, 3.3V | UNIT | ||
|---|---|---|---|---|
| MIN | MAX | |||
| High-Speed MMC Mode | ||||
| Input Conditions | ||||
| tr | Input signal rise time | 0.19 | 3 | ns |
| tf | Input signal fall time | 0.19 | 3 | ns |
| Output Conditions | ||||
| CLOAD | Output load capacitance | 30 | pF | |
| NO. | PARAMETER | 1.8 V | 3.3V | UNIT | |||
|---|---|---|---|---|---|---|---|
| MIN | MAX | MIN | MAX | ||||
| High-Speed MMC Mode | |||||||
| MMC/SD/SDIO Interface 1 | |||||||
| MMC3 | tsu(CMDV-CLKIH) | Setup time, mmc1_cmd valid before mmc1_clk rising clock edge | 2.13 | 2.41 | ns | ||
| MMC4 | th(CLKIH-CMDIV) | Hold time, mmc1_cmd valid after mmc1_clk rising clock edge | 3.47 | 2.09 | ns | ||
| MMC7 | tsu(DATxV-CLKIH) | Setup time, mmc1_datx valid before mmc1_clk rising clock edge | 2.13 | 2.41 | ns | ||
| MMC8 | th(CLKIH-DATxIV) | Hold time, mmc1_datx valid after mmc1_clk rising clock edge | 3.47 | 2.09 | ns | ||
| MMC/SD/SDIO Interface 2 | |||||||
| MMC3 | tsu(CMDV-CLKIH) | Setup time, mmc2_cmd valid before mmc2_clk rising clock edge | 2.88 | 3.23 | ns | ||
| MMC4 | th(CLKIH-CMDIV) | Hold time, mmc2_cmd valid after mmc2_clk rising clock edge | 2.90 | 1.46 | ns | ||
| MMC7 | tsu(DATxV-CLKIH) | Setup time, mmc2_datx valid before mmc2_clk rising clock edge | 2.88 | 3.23 | ns | ||
| MMC8 | th(CLKIH-DATxIV) | Hold time, mmc2_datx valid after mmc2_clk rising clock edge | 2.90 | 1.46 | ns | ||
| MMC/SD/SDIO Interface 3 | |||||||
| MMC3 | tsu(CMDV-CLKIH) | Setup time, mmc3_cmd valid before mmc3_clk rising clock edge | 3.38 | 3.41 | ns | ||
| MMC4 | th(CLKIH-CMDIV) | Hold time, mmc3_cmd valid after mmc3_clk rising clock edge | 2.83 | 1.46 | ns | ||
| MMC7 | tsu(DATxV-CLKIH) | Setup time, mmc3_datx valid before mmc3_clk rising clock edge | 3.38 | 3.41 | ns | ||
| MMC8 | th(CLKIH-DATxIV) | Hold time, mmc3_datx valid after mmc3_clk rising clock edge | 2.83 | 1.46 | ns | ||
| N O. | PARAMETER | 1.8V, 3.3V | UNIT | ||
|---|---|---|---|---|---|
| MIN | MAX | ||||
| High-Speed MMC Mode | |||||
| MMC1 | tc(clk) | Cycle time, output clk period | 20.83 | ns | |
| MMC2 | tW(clkH) | Typical pulse duration, output clk high | X(4)*PO(1) | ns | |
| MMC2 | tW(clkL) | Typical pulse duration, output clk low | Y(5)*PO(1) | ns | |
| tdc(clk) | Duty cycle error, output clk | 1041.67 | ps | ||
| tj(clk) | Jitter standard deviation, output clk | 200 | ps | ||
| MMC/SD/SDIO Interface 1 | |||||
| tc(clk) | Rise time, output clk | 3 | ns | ||
| tW(clkH) | Fall time, output clk | 3 | ns | ||
| tW(clkL) | Rise time, output data | 3 | ns | ||
| tdc(clk) | Fall time, output data | 3 | ns | ||
| MMC5 | td(CLKOH-CMD) | Delay time, mmc1_clk rising clock edge to mmc1_cmd transition | 3.7 | 14.11 | ns |
| MMC6 | td(CLKOH-DATx) | Delay time, mmc1_clk rising clock edge to mmc1_datx transition | 3.7 | 16.50 | ns |
| MMC/SD/SDIO Interface 2 | |||||
| tc(clk) | Rise time, output clk | 3 | ns | ||
| tW(clkH) | Fall time, output clk | 3 | ns | ||
| tW(clkL) | Rise time, output data | 3 | ns | ||
| tdc(clk) | Fall time, output data | 3 | ns | ||
| MMC5 | td(CLKOH-CMD) | Delay time, mmc2_clk rising clock edge to mmc2_cmd transition | 3.7 | 14.11 | ns |
| MMC6 | td(CLKOH-DATx) | Delay time, mmc2_clk rising clock edge to mmc2_datx transition | 3.7 | 16.50 | ns |
| MMC/SD/SDIO Interface 3 | |||||
| tc(clk) | Rise time, output clk | 3 | ns | ||
| tW(clkH) | Fall time, output clk | 3 | ns | ||
| tW(clkL) | Rise time, output data | 3 | ns | ||
| tdc(clk) | Fall time, output data | 3 | ns | ||
| MMC5 | td(CLKOH-CMD) | Delay time, mmc3_clk rising clock edge to mmc3_cmd transition | 3.7 | 14.11 | ns |
| MMC6 | td(CLKOH-DATx) | Delay time, mmc3_clk rising clock edge to mmc3_datx transition | 3.7 | 14.11 | ns |
| CLKD | X |
|---|---|
| 1 or Even | 0.5 |
| Odd | (trunc[CLKD/2]+1)/CLKD |
| CLKD | Y |
|---|---|
| 1 or Even | 0.5 |
| Odd | (trunc[CLKD/2])/CLKD |
For details about clock division factor CLKD, see the AM35x ARM Microprocessor Technical Reference Manual (SPRUGR0).
Table 6-139 through Table 6-141 assume testing over the recommended operating conditions and electrical characteristic conditions.
| TIMING CONDITION PARAMETER | 1.8-V,3.3-V | UNIT | ||
|---|---|---|---|---|
| MIN | MAX | |||
| Standard MMC Mode and MMC Identification Mode | ||||
| Input Conditions | ||||
| tr | Input signal rise time | 0.19 | 10 | ns |
| tf | Input signal fall time | 0.19 | 10 | ns |
| Output Conditions | ||||
| CLOAD | Output load capacitance | 30 | pF | |
| NO. | PARAMETER | 1.8 V | 3.3V | UNIT | |||
|---|---|---|---|---|---|---|---|
| MIN | MAX | MIN | MAX | ||||
| Standard MMC Mode and MMC Identification Mode | |||||||
| MMC/SD/SDIO Interface 1 | |||||||
| MMC3 | tsu(CMDV-CLKIH) | Setup time, mmc1_cmd valid before mmc1_clk rising clock edge | 2.13 | 2.41 | ns | ||
| MMC4 | th(CLKIH-CMDIV) | Hold time, mmc1_cmd valid after mmc1_clk rising clock edge | 3.47 | 2.09 | ns | ||
| MMC7 | tsu(DATxV-CLKIH) | Setup time, mmc1_datx valid before mmc1_clk rising clock edge | 2.13 | 2.41 | ns | ||
| MMC8 | th(CLKIH-DATxIV) | Hold time, mmc1_datx valid after mmc1_clk rising clock edge | 3.47 | 2.09 | ns | ||
| MMC/SD/SDIO Interface 2 | |||||||
| MMC3 | tsu(CMDV-CLKIH) | Setup time, mmc2_cmd valid before mmc2_clk rising clock edge | 2.88 | 3.23 | ns | ||
| MMC4 | th(CLKIH-CMDIV) | Hold time, mmc2_cmd valid after mmc2_clk rising clock edge | 2.90 | 1.46 | ns | ||
| MMC7 | tsu(DATxV-CLKIH) | Setup time, mmc2_datx valid before mmc2_clk rising clock edge | 2.88 | 3.23 | ns | ||
| MMC8 | th(CLKIH-DATxIV) | Hold time, mmc2_datx valid after mmc2_clk rising clock edge | 2.90 | 1.46 | ns | ||
| MMC/SD/SDIO Interface 3 | |||||||
| MMC3 | tsu(CMDV-CLKIH) | Setup time, mmc3_cmd valid before mmc3_clk rising clock edge | 3.38 | 3.41 | ns | ||
| MMC4 | th(CLKIH-CMDIV) | Hold time, mmc3_cmd valid after mmc3_clk rising clock edge | 2.83 | 1.46 | ns | ||
| MMC7 | tsu(DATxV-CLKIH) | Setup time, mmc3_datx valid before mmc3_clk rising clock edge | 3.38 | 3.41 | ns | ||
| MMC8 | th(CLKIH-DATxIV) | Hold time, mmc3_datx valid after mmc3_clk rising clock edge | 2.83 | 1.46 | ns | ||
| NO. | PARAMETER | 1.8V, 3.3V | UNIT | ||
|---|---|---|---|---|---|
| MIN | MAX | ||||
| MMC Identification Mode | |||||
| MMC1 | tc(clk) | Cycle time | 2500 | ns | |
| MMC2 | tW(clkH) | Typical pulse duration, output clk high | X(3)*PO(5) | ns | |
| MMC2 | tW(clkL) | Typical pulse duration, output clk low | Y(4)*PO(5) | ns | |
| tdc(clk) | Duty cycle error, output clk | 2604.17 | ns | ||
| tj(clk) | Jitter standard deviation | 200 | ps | ||
| Standard MMC Mode | |||||
| MMC1 | tc(clk) | Cycle time | 2500 | ns | |
| MMC2 | tW(clkH) | Typical pulse duration, output clk high | X(3)*PO(5) | ns | |
| MMC2 | tW(clkL) | Typical pulse duration, output clk low | Y(4)*PO(5) | ns | |
| tdc(clk) | Duty cycle error, output clk | 2604.17 | ps | ||
| tj(clk) | Jitter standard deviation | 200 | ps | ||
| MMC/SD/SDIO Interface 1 | |||||
| tr(clk) | Rise time, output clk | 10 | ns | ||
| tf(clkH) | Fall time, output clk | 10 | ns | ||
| tr(clkL) | Rise time, output data | 10 | ns | ||
| tf(clk) | Fall time, output data | 10 | ns | ||
| MMC5 | td(CLKOH-CMD) | Delay time, mmc1_clk rising clock edge to mmc1_cmd transition | 4.3 | 47.78 | ns |
| MMC6 | td(CLKOH-DATx) | Delay time, mmc1_clk rising clock edge to mmc1_datx transition | 4.3 | 47.78 | ns |
| MMC/SD/SDIO Interface 2 | |||||
| tr(clk) | Rise time, output clk | 10 | ns | ||
| tf(clkH) | Fall time, output clk | 10 | ns | ||
| tr(clkL) | Rise time, output data | 10 | ns | ||
| tf(clk) | Fall time, output data | 10 | ns | ||
| MMC5 | td(CLKOH-CMD) | Delay time, mmc2_clk rising clock edge to mmc2_cmd transition | 4.3 | 47.78 | ns |
| MMC6 | td(CLKOH-DATx) | Delay time, mmc2_clk rising clock edge to mmc2_datx transition | 4.3 | 47.78 | ns |
| MMC/SD/SDIO Interface 3 | |||||
| tr(clk) | Rise time, output clk | 10 | ns | ||
| tf(clkH) | Fall time, output clk | 10 | ns | ||
| tr(clkL) | Rise time, output data | 10 | ns | ||
| tf(clk) | Fall time, output data | 10 | ns | ||
| MMC5 | td(CLKOH-CMD) | Delay time, mmc3_clk rising clock edge to mmc3_cmd transition | 4.3 | 47.78 | ns |
| MMC6 | td(CLKOH-DATx) | Delay time, mmc3_clk rising clock edge to mmc3_datx transition | 4.3 | 47.78 | ns |
| CLKD | X |
|---|---|
| 1 or Even | 0.5 |
| Odd | (trunc[CLKD/2]+1)/CLKD |
| CLKD | Y |
|---|---|
| 1 or Even | 0.5 |
| Odd | (trunc[CLKD/2])/CLKD |
For details about clock division factor CLKD, see the AM35x ARM Microprocessor Technical Reference Manual (SPRUGR0).


Table 6-144 through Table 6-146 assume testing over the recommended operating conditions and electrical characteristic conditions.
| TIMING CONDITION PARAMETER | 1.8V, 3.3V | UNIT | ||
|---|---|---|---|---|
| MIN | MAX | |||
| High-Speed SD Mode | ||||
| Input Conditions | ||||
| tR | Input signal rise time | 0.19 | 3 | ns |
| tF | Input signal fall time | 0.19 | 3 | ns |
| Output Conditions | ||||
| CLOAD | Output load capacitance | 30 | pF | |
| NO. | PARAMETER | 1.8V, 3.3V | UNIT | ||
|---|---|---|---|---|---|
| MIN | MAX | ||||
| High-Speed SD Mode | |||||
| MMC/SD/SDIO Interface 1 | |||||
| HSSD3 | tsu(CMDV-CLKIH) | Setup time, mmc1_cmd valid before mmc1_clk rising clock edge | 5.61 | ns | |
| HSSD4 | th(CLKIH-CMDIV) | Hold time, mmc1_cmd valid after mmc1_clk rising clock edge | 2.28 | ns | |
| HSSD7 | tsu(DATxV-CLKIH) | Setup time, mmc1_datx valid before mmc1_clk rising clock edge | 5.61 | ns | |
| HSSD8 | th(CLKIH-DATxIV) | Hold time, mmc1_datx valid after mmc1_clk rising clock edge | 2.28 | ns | |
| MMC/SD/SDIO Interface 2 | |||||
| HSSD3 | tsu(CMDV-CLKIH) | Setup time, mmc2_cmd valid before mmc2_clk rising clock edge | 5.61 | ns | |
| HSSD4 | th(CLKIH-CMDIV) | Hold time, mmc2_cmd valid after mmc2_clk rising clock edge | 2.28 | ns | |
| HSSD7 | tsu(DATxV-CLKIH) | Setup time, mmc2_datx valid before mmc2_clk rising clock edge | 5.61 | ns | |
| HSSD8 | th(CLKIH-DATxIV) | Hold time, mmc2_datx valid after mmc2_clk rising clock edge | 2.28 | ns | |
| MMC/SD/SDIO Interface 3 | |||||
| HSSD3 | tsu(CMDV-CLKIH) | Setup time, mmc3_cmd valid before mmc3_clk rising clock edge | 5.61 | ns | |
| HSSD4 | th(CLKIH-CMDIV) | Hold time, mmc3_cmd valid after mmc3_clk rising clock edge | 2.28 | ns | |
| HSSD7 | tsu(DATxV-CLKIH) | Setup time, mmc3_datx valid before mmc3_clk rising clock edge | 5.61 | ns | |
| HSSD8 | th(CLKIH-DATxIV) | Hold time, mmc3_datx valid after mmc3_clk rising clock edge | 2.28 | ns | |
| NO. | PARAMETER | 1.8 V, 3.3 V | UNIT | ||
|---|---|---|---|---|---|
| MIN | MAX | ||||
| High-Speed SD Mode | |||||
| HSSD1 | tc(clk) | Cycle time | 20.83 | ns | |
| HSSD2 | tW(clkH) | Typical pulse duration, output clk high | X(4)*PO(1) | ns | |
| HSSD2 | tW(clkL) | Typical pulse duration, output clk low | Y(5)*PO(1) | ns | |
| tdc(clk) | Duty cycle error, output clk | 1041.67 | ps | ||
| tj(clk) | Jitter standard deviation | 200 | ps | ||
| MMC/SD/SDIO Interface 1 | |||||
| tr(clk) | Rise time, output clk | 3 | ns | ||
| tf(clkH) | Fall time, output clk | 3 | ns | ||
| tr(clkL) | Rise time, output data | 3 | ns | ||
| tf(clk) | Fall time, output data | 3 | ns | ||
| HSSD5 | td(CLKOH-CMD) | Delay time, mmc1_clk rising clock edge to mmc1_cmd transition | 3.72 | 14.11 | ns |
| HSSD6 | td(CLKOH-DATx) | Delay time, mmc1_clk rising clock edge to mmc1_datx transition | 3.72 | 14.11 | ns |
| MMC/SD/SDIO Interface 2 | |||||
| tr(clk) | Rise time, output clk | 3 | ns | ||
| tf(clkH) | Fall time, output clk | 3 | ns | ||
| tr(clkL) | Rise time, output data | 3 | ns | ||
| tf(clk) | Fall time, output data | 3 | ns | ||
| HSSD5 | td(CLKOH-CMD) | Delay time, mmc2_clk rising clock edge to mmc2_cmd transition | 3.72 | 14.11 | ns |
| HSSD6 | td(CLKOH-DATx) | Delay time, mmc2_clk rising clock edge to mmc2_datx transition | 3.72 | 14.11 | ns |
| MMC/SD/SDIO Interface 3 | |||||
| tr(clk) | Rise time, output clk | 3 | ns | ||
| tf(clkH) | Fall time, output clk | 3 | ns | ||
| tr(clkL) | Rise time, output data | 3 | ns | ||
| tf(clk) | Fall time, output data | 3 | ns | ||
| HSSD5 | td(CLKOH-CMD) | Delay time, mmc3_clk rising clock edge to mmc3_cmd transition | 3.72 | 14.11 | ns |
| HSSD6 | td(CLKOH-DATx) | Delay time, mmc3_clk rising clock edge to mmc3_datx transition | 3.72 | 14.11 | ns |
| CLKD | X |
|---|---|
| 1 or Even | 0.5 |
| Odd | (trunc[CLKD/2]+1)/CLKD |
| CLKD | Y |
|---|---|
| 1 or Even | 0.5 |
| Odd | (trunc[CLKD/2])/CLKD |
For details about clock division factor CLKD, see the AM35x ARM Microprocessor Technical Reference Manual (SPRUGR0).


Table 6-149 through Table 6-151 assume testing over the recommended operating conditions and electrical characteristic conditions.
| TIMING CONDITION PARAMETER | 1.8V, 3.3V | UNIT | ||
|---|---|---|---|---|
| MIN | MAX | |||
| Standard SD Mode | ||||
| Input Conditions | ||||
| tR | Input signal rise time | 0.19 | 10 | ns |
| tF | Input signal fall time | 0.19 | 10 | ns |
| Output Conditions | ||||
| CLOAD | Output load capacitance | 30 | pF | |
| NO. | PARAMETER | 1.8 V, 3.3V | UNIT | ||
|---|---|---|---|---|---|
| MIN | MAX | ||||
| Standard SD Mode | |||||
| MMC/SD/SDIO Interface 1 | |||||
| SD3 | tsu(CMDV-CLKIH) | Setup time, mmc1_cmd valid before mmc1_clk rising clock edge | 6.23 | ns | |
| SD4 | th(CLKIH-CMDIV) | Hold time, mmc1_cmd valid after mmc1_clk rising clock edge | 19.37 | ns | |
| SD7 | tsu(DATxV-CLKIH) | Setup time, mmc1_datx valid before mmc1_clk rising clock edge | 6.23 | ns | |
| SD8 | th(CLKIH-DATxIV) | Hold time, mmc1_datx valid after mmc1_clk rising clock edge | 19.37 | ns | |
| MMC/SD/SDIO Interface 2 | |||||
| SD3 | tsu(CMDV-CLKIH) | Setup time, mmc2_cmd valid before mmc2_clk rising clock edge | 6.23 | ns | |
| SD4 | th(CLKIH-CMDIV) | Hold time, mmc2_cmd valid after mmc2_clk rising clock edge | 19.37 | ns | |
| SD7 | tsu(DATxV-CLKIH) | Setup time, mmc2_datx valid before mmc2_clk rising clock edge | 6.23 | ns | |
| SD8 | th(CLKIH-DATxIV) | Hold time, mmc2_datx valid after mmc2_clk rising clock edge | 19.37 | ns | |
| MMC/SD/SDIO Interface 3 | |||||
| SD3 | tsu(CMDV-CLKIH) | Setup time, mmc3_cmd valid before mmc3_clk rising clock edge | 6.23 | ns | |
| SD4 | th(CLKIH-CMDIV) | Hold time, mmc3_cmd valid after mmc3_clk rising clock edge | 19.37 | ns | |
| SD7 | tsu(DATxV-CLKIH) | Setup time, mmc3_datx valid before mmc3_clk rising clock edge | 6.23 | ns | |
| SD8 | th(CLKIH-DATxIV) | Hold time, mmc3_datx valid after mmc3_clk rising clock edge | 19.37 | ns | |
| NO. | PARAMETER | 1.8V, 3.3V | UNIT | ||
|---|---|---|---|---|---|
| MIN | MAX | ||||
| Standard SD Mode | |||||
| SD1 | tc(clk) | Cycle time | 41.67 | ns | |
| SD2 | tW(clkH) | Typical pulse duration, output clk high | X(4)*PO(1) | ns | |
| SD2 | tW(clkL) | Typical pulse duration, output clk low | Y(5)*PO(1) | ns | |
| tdc(clk) | Duty cycle error, output clk | 2083.33 | ps | ||
| tj(clk) | Jitter standard deviation | 200 | ps | ||
| MMC/SD/SDIO Interface 1 | |||||
| tr(clk) | Rise time, output clk | 10 | ns | ||
| tf(clkH) | Fall time, output clk | 10 | ns | ||
| tr(clkL) | Rise time, output data | 10 | ns | ||
| tf(clk) | Fall time, output data | 10 | ns | ||
| SD5 | td(CLKOH-CMD) | Delay time, mmc1_clk rising clock edge to mmc1_cmd transition | 6.13 | 35.53 | ns |
| SD6 | td(CLKOH-DATx) | Delay time, mmc1_clk rising clock edge to mmc1_datx transition | 6.13 | 35.53 | ns |
| MMC/SD/SDIO Interface 2 | |||||
| tr(clk) | Rise time, output clk | 10 | ns | ||
| tf(clkH) | Fall time, output clk | 10 | ns | ||
| tr(clkL) | Rise time, output data | 10 | ns | ||
| tf(clk) | Fall time, output data | 10 | ns | ||
| SD5 | td(CLKOH-CMD) | Delay time, mmc2_clk rising clock edge to mmc2_cmd transition | 6.13 | 35.53 | ns |
| SD6 | td(CLKOH-DATx) | Delay time, mmc2_clk rising clock edge to mmc2_datx transition | 6.13 | 35.53 | ns |
| MMC/SD/SDIO Interface 3 | |||||
| tr(clk) | Rise time, output clk | 10 | ns | ||
| tf(clkH) | Fall time, output clk | 10 | ns | ||
| tr(clkL) | Rise time, output data | 10 | ns | ||
| tf(clk) | Fall time, output data | 10 | ns | ||
| SD5 | td(CLKOH-CMD) | Delay time, mmc3_clk rising clock edge to mmc3_cmd transition | 6.13 | 35.53 | ns |
| SD6 | td(CLKOH-DATx) | Delay time, mmc3_clk rising clock edge to mmc3_datx transition | 6.13 | 35.53 | ns |
| CLKD | X |
|---|---|
| 1 or Even | 0.5 |
| Odd | (trunc[CLKD/2]+1)/CLKD |
| CLKD | Y |
|---|---|
| 1 or Even | 0.5 |
| Odd | (trunc[CLKD/2])/CLKD |
For details about clock division factor CLKD, see the AM35x ARM Microprocessor Technical Reference Manual (SPRUGR0).


The emulation and trace interfaces allow tracing activities of the following CPUs:
All processors can be emulated via JTAG ports.
Table 6-154 assumes testing over the recommended operating conditions.
| NO. | PARAMETER | MIN | MAX | UNIT | |
|---|---|---|---|---|---|
| f | 1/tc(CLK) | Frequency, etk_clk | 166 | MHz | |
| ETM0 | tc(CLK) | Cycle time | 6.02 | ns | |
| ETM1 | tW(CLK) | Clock pulse width, etk_clk | 3.01 | ns | |
| ETM2 | td(CLK-CTL) | Delay time, etk_clk clock edge to etk_ctl transition | -0.5 | 0.5 | ns |
| ETM3 | td(CLK-D) | Delay time, etk_clk clock high to etk_d[15:0] transition | -0.5 | 0.5 | ns |
Figure 6-72 Embedded Trace Macro Interface
AM3517/05 JTAG TAP controller handles standard IEEE JTAG interfaces. The following sections define the timing requirements for several tools used to test the AM3517/05 processors as:
Table 6-155 through Table 6-157 assume testing over the recommended operating conditions and electrical characteristic conditions.
| TIMING CONDITION PARAMETER | 1.8 V | 3.3 V | UNIT | |
|---|---|---|---|---|
| MAX | MAX | |||
| Input Conditions | ||||
| tR | Input signal rise time | 5 | 3 | ns |
| tF | Input signal fall time | 5 | 3 | ns |
| Output Conditions | ||||
| CLOAD | Output load capacitance | 30 | pF | |
| NO. | PARAMETER | 1.8V | 3.3V | UNIT | |||
|---|---|---|---|---|---|---|---|
| MIN | MAX | MIN | MAX | ||||
| JT4 | tc(tck) | Cycle time | 20 | 20 | ns | ||
| JT5 | tw(tckL) | Typical pulse duration, jtag_tck low | 10 | 10 | ns | ||
| JT6 | tw(tckH) | Typical pulse duration, jtag_tck high | 10 | 10 | ns | ||
| tdc(tck) | Duty cycle error, jtag_tck | -1250 | 1250 | -1250 | 1250 | ps | |
| tj(tck) | Cycle jitter | -1250 | 1250 | -1250 | 1250 | ps | |
| JT7 | tsu(tdiV-rtckH) | Setup time, jtag_tdi valid before jtag_rtck high | 1.8 | 3.8 | ns | ||
| JT8 | th(tdiV-rtckH) | Hold time, jtag_tdi valid after jtag_rtck high | 0.7 | 2.7 | ns | ||
| JT9 | tsu(tmsV-rtckH) | Setup time, jtag_tms valid before jtag_rtck high | 1.8 | 3.8 | ns | ||
| JT10 | th(tmsV-rtckH) | Hold time, jtag_tms valid after jtag_rtck high | 0.7 | 2.7 | ns | ||
| JT12 | tsu(emuxV-rtckH) | Setup time, jtag_emux | 14.6 | 14.6 | ns | ||
| JT13 | th(emuxV-rtckH) | Hold time,jtag_emux | 2 | 2 | ns | ||
| 1.8 V | 3.3 V | ||||||
|---|---|---|---|---|---|---|---|
| NO. | PARAMETER | MIN | MAX | MIN | MAX | UNIT | |
| JT1 | tc(rtck) | Cycle time(1), jtag_rtck period | 20 | 20 | ns | ||
| JT2 | tw(rtckL) | Typical pulse duration, jtag_rtck low | 10 | 10 | ns | ||
| JT3 | tw(rtckH) | Typical pulse duration, jtag_rtck high | 10 | 10 | ns | ||
| tdc(rtck) | Duty cycle error, jtag_rtck | -1250 | 1250 | -1250 | 1250 | ps | |
| tj(rtck) | Jitter standard deviation(2), jtag_rtck | 33.33 | 33.33 | ps | |||
| tR(rtck) | Rise time, jtag_rtck | 4 | 4 | ns | |||
| tF(rtck) | Fall time, jtag_rtck | 4 | 4 | ns | |||
| JT11 | td(rtckL-tdoV) | Delay time, jtag_rtck low to jtag_tdo valid | -5.8 | 5.8 | -8 | 8 | ns |
| tR(tdo) | Rise time, jtag_tdo | 4 | 4 | ns | |||
| tF(tdo) | Fall time, jtag_tdo | 4 | 4 | ns | |||
| JT14 | td(rtckH-emuxV) | Delay time, jtag_rtck high to ,jtag_emux | 2.7 | 15.1 | 2.7 | 15.1 | ns |
| tR(emux) | Rise time, jtag_emux | 6 | 6 | ns | |||
| tF(emux) | Fall time, jtag_emux | 6 | 6 | ns | |||

Table 6-158 through Table 6-160 assume testing over the recommended operating conditions and electrical characteristic conditions.
| TIMING CONDITION PARAMETER | 1.8 V | 3.3 V | UNIT | |
|---|---|---|---|---|
| MAX | MAX | |||
| Input Conditions | ||||
| tR | Input signal rise time | 5 | 3 | ns |
| tF | Input signal fall time | 5 | 3 | ns |
| Output Conditions | ||||
| CLOAD | Output load capacitance | 30 | pF | |
| 1.8 V | 3.3 V | ||||||
|---|---|---|---|---|---|---|---|
| NO. | PARAMETER | MIN | MAX | MIN | MAX | UNIT | |
| JA4 | tc(tck) | Cycle time | 20 | 20 | ns | ||
| JA5 | tw(tckL) | Typical pulse duration, jtag_tck low | 10 | 10 | ns | ||
| JA6 | tw(tckH) | Typical pulse duration, jtag_tck high | 10 | 10 | ns | ||
| tdc(lclk) | Duty cycle error, jtag_tck | -2500 | 2500 | -2500 | 2500 | ps | |
| tj(lclk) | Cycle jitter | -1500 | 1500 | -1500 | 1500 | ps | |
| JA7 | tsu(tdiV-tckH) | Setup time, jtag_tdi valid before jtag_tck high | 13.8 | 13.8 | ns | ||
| JA8 | th(tdiV-tckH) | Hold time, jtag_tdi valid after jtag_tck high | 13.8 | 13.8 | ns | ||
| JA9 | tsu(tmsV-tckH) | Setup time, jtag_tms valid before jtag_tck high | 13.8 | 13.8 | ns | ||
| JA10 | th(tmsV-tckH) | Hold time, jtag_tms valid after jtag_tck high | 13.8 | 13.8 | ns | ||
| 1.8 V | 3.3 V | ||||||
|---|---|---|---|---|---|---|---|
| NO. | PARAMETER | MIN | MAX | MIN | MAX | UNIT | |
| JA1 | tc(rtck) | Cycle time | 20 | 20 | ns | ||
| JA2 | tw(rtckL) | Typical pulse duration, jtag_rtck low | 10 | 10 | ns | ||
| JA3 | tw(rtckH) | Typical pulse duration, jtag_rtck high | 10 | 10 | ns | ||
| tdc(rtck) | Duty cycle error, jtag_rtck | -2500 | 2500 | -2500 | 2500 | ps | |
| tj(rtck) | Jitter standard deviation | 33.33 | 33.33 | ps | |||
| tR(rtck) | Rise time, jtag_rtck | 4 | 4 | ns | |||
| tF(rtck) | Fall time, jtag_rtck | 4 | 4 | ns | |||
| JA11 | td(rtckL-tdoV) | Delay time, jtag_rtck low to jtag_tdo valid | -14.6 | 14.6 | -14.6 | 14.6 | ns |
| tR(tdo) | Rise time, jtag_tdo, | 4 | 4 | ns | |||
| tF(tdo) | Fall time, jtag_tdo | 4 | 4 | ns | |||
Figure 6-74 JTAG Interface Timing Adaptive Clock Mode