SBAS971C December   2019  – June 2020 AFE7920 , AFE7921 , AFE7988 , AFE7989

PRODUCTION DATA.  

  1. 1Features
  2. 2Applications
  3. 3Description
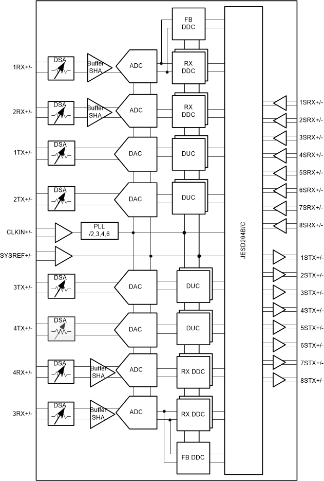
  4. 4Functional Block Diagram
    1. 4.1 AFE7920/AFE7921 Functional Block Diagram
    2. 4.2 AFE7988/89 Functional Block Diagram
  5. 5Revision History
  6. 6Device and Documentation Support
    1. 6.1 Device Support
      1. 6.1.1 Third-Party Products Disclaimer
    2. 6.2 Related Links
    3. 6.3 Receiving Notification of Documentation Updates
    4. 6.4 Support Resources
    5. 6.5 Trademarks
    6. 6.6 Electrostatic Discharge Caution
    7. 6.7 Glossary
  7. 7Mechanical, Packaging, and Orderable Information

封装选项

机械数据 (封装 | 引脚)
散热焊盘机械数据 (封装 | 引脚)
订购信息

AFE7988/89 Functional Block Diagram

AFE7920 AFE7921 AFE7988 AFE7989 fig-02-sbas954.gif