8.1 Overview
The AFE has an integrated transmitter and receiver for optical heart-rate monitoring and pulse oximetry applications. The system is characterized by a parameter termed the pulse repetition frequency (PRF) that determines the repetition periodicity of a sequence of operations. Every cycle of a PRF results in four 24-bit digital samples at the output of the AFE, each of which is stored in a separate register.
8.3 Feature Description
8.3.1 TIA and Switched RC Filter
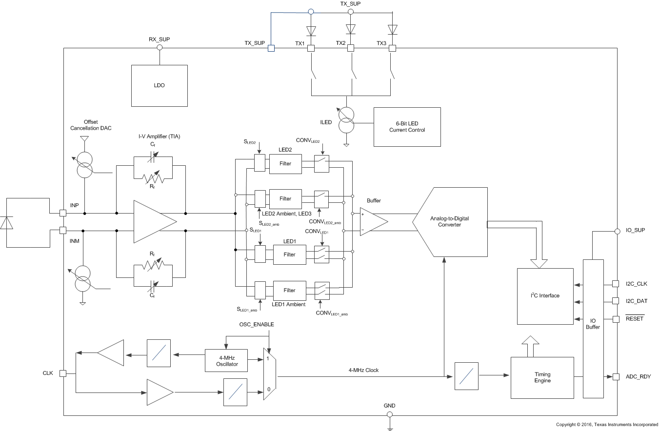
The receiver input pins (INP, INM) are meant to be connected differentially to a photodiode. The signal current from the photodiode is converted to a differential voltage using a transimpedance amplifier (TIA). The TIA gain is set by its feedback resistor (Rf) and can be programmed from 10 kΩ to 2 MΩ. The transimpedance gain between the input current and output differential voltage of the TIA is equal to 2 × Rf. At the output of the TIA is a switched RC filter. There are four parallel instances of the filter, each of which are connected to the TIA output signal during one of four sampling phases.
The signal chain is kept fully differential throughout the receiver channel in order to enable excellent rejection of common-mode noise as well as noise on power supplies. For simplicity, the scheme with the four parallel filters is shown in Figure 23 for a single-ended representation of the signal chain. The ADCRST signal corresponds to the collection of active phases of four ADCRST pulses: ADCRST0, ADCRST1, ADCRST2, and ADCRST3.
8.3.1.1 Operation with Two and Three LEDs
The four sampling phases can correspond to either of the following signal state sequences received by the photodiode:
- 2-LED mode: LED2 → ambient phase 2 → LED1 → ambient phase 1
- 3-LED mode: LED2 → LED3 → LED1 → ambient
The sequence of the phases within a pulse repetition cycle is shown in
Figure 24.
In the 2-LED mode, LED1 and LED2 are pulsed during the corresponding sampling instants. In the 3-LED mode, LED1, LED2, and LED3 are pulsed during the corresponding sampling instants. As mentioned in the TIA Gain Settings and Operation with Two and Three LEDs sections, the TIA gain (Rf) and feedback capacitor (Cf) can be programmed differently between two sets: Rf1 / Cf1 and Rf2 / Cf2. The way these sets are applied to the four phases is shown in Figure 24.
8.3.1.1.1 LED Current Setting
The default LED current range is from 0 mA to 50 mA. The individual currents of each of the three LEDs can be controlled independently, each with a separate 6-bit control.
Taken as a decimal number, the 6-bit setting provides 63 equal steps between 0 mA and 50 mA. Each increment of the ILED 6-bit code causes the LED current setting to increment by approximately 0.8 mA. For details, see register 22h.
The LED current range can be doubled by setting the ILED_2X bit to 1. The accuracy of higher current settings close to 100 mA can be low because of current saturation of the driver. Each increment of the ILED 6-bit code causes the LED current to increment by approximately 1.6 mA when ILED_2X is set to 1.
8.3.1.2 TIA Gain Settings
The TIA gain is set by programming the value of Rf (the feedback resistor of the TIA). The Rf setting is controlled using the TIA_GAIN register bit. For details see register 21h.
By default, the same TIA_GAIN setting is applied for all four phases of the receiver. Separate gains can be set for two of the four phases by setting the EN_SEP_GAIN bit. When the EN_SEP_GAIN bit is enabled, the TIA_GAIN register controls the Rf1 setting and the TIA_GAIN_SEP register controls the Rf2 settings.
Mapping of the Rf1 / Rf2 values to the two sets of 3-bit controls is described in Table 50.
8.3.1.3 TIA Bandwidth Settings
TIA bandwidth settings are similar to TIA gain settings. The TIA bandwidth is set by programming the value of Cf (the feedback capacitance of the TIA). The product of Rf and Cf gives the time constant of the TIA and must be set approximately 1/5th (or less) of the LED or sampling pulse durations. This choice of time constant allows the TIA to pass the incoming pulses from the photodiode.
Cf is controlled using the TIA_CF register bit. For details, see register 21.
By default, the same TIA_CF setting is applied for all four phases of the receiver. Similar to the TIA gain settings, a separate Cf can be set for two of the four phases by setting the EN_SEP_GAIN bit. When the EN_SEP_GAIN bit is enabled, the TIA_CF register controls the Cf1 settings and TIA_CF_SEP controls the Cf2 settings. Mapping the Cf1 / Cf2 values to the two sets of 3-bit controls is the same as illustrated in Table 51.
8.3.2 Power Management
The AFE has three independent supplies for the transmitter, receiver, and I/O.
8.3.2.1 Transmitter Supply (TX_SUP)
The transmitter supply has a range of 3.0 V to 5.25 V. In the most common arrangement, this supply can be the same supply that the anodes of the LEDs are tied to, as shown in Figure 25.
When the LEDs must be tied to a different supply, care must be taken to ensure that the LED supply is within
0.3 V of TX_SUP. This consideration of the LED supply voltage prevents the electrostatic discharge (ESD) diodes inside the AFE from turning on during the off state of the LEDs.
8.3.2.2 Receiver Supply (RX_SUP)
The receiver supply has a range of 2.0 V to 3.6 V. The AFE has internal low-dropout (LDO) regulators operating at 1.8 V that regulate both the analog and digital blocks inside the AFE. This rejection of supply noise from the internal LDOs, coupled with the differential nature of the architecture, enables excellent noise rejection on the supplies (for instance, 50-Hz noise).
8.3.2.3 I/O Supply (IO_SUP)
The I/O supply can either be tied to RX_SUP or can be separately driven. The motivation for a separate I/O supply is to interface with certain microcontrollers (MCUs) that require a 1.8-V I/O current. In this case, IO_SUP can be driven separately from RX_SUP and can be tied to 1.8 V.
8.3.2.4 Boost Converters Selection
If the supply voltage for TX_SUP (and the LEDs) is unavailable in the system, a boost converter may be required to generate the supply voltage. TI has a portfolio of boost converters from which an appropriate device can be selected. Some choices are listed in Table 1.
Table 1. TI Boost Converter Details(1)
| TI PART NUMBER |
SIZE (mm, L × W × H) |
INPUT SUPPLY (V) |
OUTPUT SUPPLY |
TYPICAL QUIESCENT CURRENT (µA) |
EXTERNAL COMPONENTS |
| TPS61254 |
1.2 × 1.3 × 0.625 |
2.3 to 5.5 |
Different parts with a fixed voltage up to 5 V |
36 |
2 capacitors, 1 inductor |
| TPS61240 |
0.9 × 1.3 × 0.625 |
2.3 to 5.5 |
5 V (fixed) |
30 |
2 capacitors, 1 inductor |
| TPS61252 |
2 × 2 × 0.75 |
2.3 to 6 |
Adjustable up to 6.5 V |
30 |
3 capacitors, 1 inductor, 4 resistors |
| TPS61220 |
2 × 2.2 × 1 |
0.7 to 5.5 |
Adjustable from 1.8 V to 6 V |
5.5 |
2 capacitors, 1 inductor, 2 resistors |
(1) For the most current information, see the TI data sheets corresponding to each device (available for download from
www.ti.com).
8.3.3 Offset Cancellation DAC
A typical optical heart-rate signal has a dc component and an ac component. Although a higher TIA gain maximizes the ac signal at the AFE output, the magnitude of the dc component limits the maximum gain possible in the TIA. In order to decouple the affect of the dc level on the allowed ac signal gain, a current digital-to-analog converter (DAC) is placed at the input of the device. By setting a programmable cancellation current (based on the dc current signal level), the effective signal that is gained up by the TIA can be reduced. This reduction in the effective signal current into the TIA results in the ability to set a higher TIA gain than what is otherwise possible without enabling the offset correction. In each of the four phases of operation, a separate programmable current value can be set by programming four different sets of register bits. These cancellation currents are automatically presented to the input of the TIA in the appropriate phase. The ability to set a different cancellation current in each of the four phases can be used to cancel out the ambient current in the ambient phase. In the LED on phase, this ability can be used to cancel out the sum of the ambient current and dc current of the heart-rate signal. The polarities of the signal current and offset cancellation current is illustrated in Figure 26. The polarity of the offset cancellation current can be reversed by programming the POL_OFFDAC bits.
With zero input current and zero current in the offset cancellation DAC, the output of the AFE will be close to zero. Based on the channel offset, the output voltage for zero input current could be a small positive or negative value, usually in the range of several mV. With the photodiode connected as shown in Figure 26 and a signal current coming from the photodiode, the output code of the device is expected to be positive with the offset cancellation DAC set to zero (Ioffset = 0). With Ioffset set negative (POL_OFFFAC = 1), a dc offset can be subtracted from the signal and the ac signal can be amplified with a higher gain than what is otherwise possible.
A breakdown of the signal current and voltage levels is provided in Table 2 for a variety of signal levels. In Table 2, the current transfer ratio (CTR) is used to describe the relationship between the set LED current and the resulting photodiode current (IPD). CTR is the ratio of the photodiode current for a given LED current and is a function of the optical and mechanical parameters as well as human physiology.
Table 2. Signal Current and Voltage Levels for a Hypothetical Use Case(1)
| PHASE |
ILED (mA) |
CTR (µA / mA) |
Isig (µA) |
Iamb (µA) |
IPD (µA) |
I_OFFDAC (µA) |
Ieff (µA) |
Rf (MΩ) |
TIA_diff (V) |
| LED2 |
25 |
0.025 |
0.625 |
1 |
1.625 |
–1.4 |
0.225 |
1 |
0.45 |
| LED3 |
50 |
0.025 |
1.25 |
1 |
2.25 |
–1.87 |
0.38 |
0.5 |
0.38 |
| LED1 |
12.5 |
0.025 |
0.3125 |
1 |
1.3125 |
–0.93 |
0.3825 |
0.5 |
0.3825 |
| AMB1 |
0 |
0.025 |
0 |
1 |
1 |
–0.93 |
0.07 |
2 |
0.28 |
(1) ILED is the set LED current; CTR is the current transfer ratio (in µA / mA); Isig is the photodiode signal current resulting from LED pulsing (Isig = ILED × CTR); Iamb is the current in the photodiode resulting from ambient light (that is present in all phases and adds to Isig); IPD is the total input current (Isig + Iamb); I_OFFDAC is the current setting of the offset cancellation DAC; Ieff is the effective current after offset cancellation (Isig + I_OFFDAC); Rf is the TIA gain setting; and TIA_diff is the output differential signal of the TIA (note that this signal must be within the range of ±1 V).
8.3.3.1 Offset Cancellation DAC Controls
The I_OFFDAC bits control the magnitude of the current subtracted (or added) at the TIA input. The POL_OFFDAC bits control the polarity of the current and determine whether the current is subtracted from or added to the input. For details, see register 3Ah.
8.3.4 Analog-to-Digital Converter (ADC)
The AFE has an ADC that provides a 22-bit representation of the current from the photodiode. The ADC codes corresponding to the various sampling phases can be read out from 24-bit registers in twos complement format. The ADC full-scale input range is ±1.2 V and spans bits 21 to 0. The mapping of the ADC input voltage to the ADC code is shown in Table 3.
Table 3. Mapping the ADC Input Voltage to the ADC Code
| DIFFERENTIAL INPUT VOLTAGE AT ADC INPUT |
24-BIT ADC OUTPUT CODE |
| –1.2 V |
111000000000000000000000 |
| (–1.2 / 221) V |
111111111111111111111111 |
| 0 |
000000000000000000000000 |
| (1.2 / 221) V |
000000000000000000000001 |
| 1.2 V |
000111111111111111111111 |
The two MSBs of the 24-bit word serve as sign-extension bits to the 22-bit ADC code and are equal to the MSB of the 22-bit ADC code when the input to the ADC is within its full-scale range, as shown in Table 4.
Table 4. Using Sign-Extension Bits to Determine the Input Operating Voltage
| BITS 23-21 |
INPUT STATUS |
| 000 |
Positive and lower than positive full-scale (within full-scale range) |
| 111 |
Negative and higher than negative full-scale (within full-scale range) |
| 001 |
Positive and higher than positive full-scale (outside full-scale range) |
| 110 |
Negative and lower than negative full-scale (outside full-scale range) |
Noted that the TIA has an operating range of ±1 V even though the ADC input full-scale range is ±1.2 V, as shown in Figure 27. When setting the TIA gain, ensure that the signal at the TIA output does not exceed ±1 V.
8.3.5 I2C Interface
The AFE has an I2C interface for communication. The I2C_CLK and I2C_DAT lines require external pullup resistors to IO_SUP. See the I2C protocol standards documents for details of the I2C interface. This section only describes certain key features of the interface. The data on I2C_DAT must be stable during the high level of I2C_CLK and may transition during the low level of I2C_CLK, as shown in Figure 28.
The start condition is indicated by a high-to-low transition of the I2C_DAT line when the I2C_CLK is high. A stop condition is indicated by a low-to-high transition of the I2C_DAT line when the I2C_CLK is high. Figure 29 shows the start and stop conditions.
With the previously mentioned protocols for data, start, and stop conditions in place, the write and read operations are as shown in Figure 30 and Figure 31, respectively. In Figure 30 and Figure 31, the slave address for the AFE (indicated as SA6 to SA0) is a 7-bit representation of address 58h. The R/W bit is the read/write bit and is set to '1' for Read and '0' for Write. Only the ADC output registers (addressed from 2Ah to 2Fh) can be read out without the need for setting the REG_READ bit. Prior to reading out any other register, the REG_READ bit needs to be additionally set to '1'. In Figure 30 and Figure 31, the activity performed by the host is shown in black whereas activity from the AFE is shown in red. Thus, after the host sends the slave address during a write operation, the AFE pulls the I2C_DAT line low (shown as ACK) if the slave address matches 58h. Similarly, the host pulls the I2C_DAT line high (shown as NACK) as acknowledgment of a successfully completed read operation involving three bytes of data. Continuous read/write mode is not supported.
8.3.6 Timing Engine
The AFE has a fully-integrated timing engine that can be programmed to generate all clock phases for synchronized transmit drive, receive sampling, and data conversion. To enable the timing engine (after powering up the device), enable the TIMEREN bit.
8.3.6.1 Timer and PRF Controls
The timing engine inside the AFE has a 16-bit counter. The duration of the count with respect to an internal clock (the timer clock) determines the pulse repetition period. The pulse repetition frequency (PRF) can be set using the PRPCT register bits that represent the high value of the counter (the low value of the counter is 0). The counter automatically counts until reaching PRPCT and then returns to 0 to start the next count. To suspend the count and keep the counter in reset state, enable the TM_COUNT_RST bit.
8.3.6.2 Timing Control Registers
The start and stop counts for the various dynamic signals generated by the timing engine are shown in Table 5. The timing edge numbers are in reference to Figure 32.
Table 5. Timing Register and Edge Details
| TIMING SIGNAL |
DESCRIPTION |
REGISTER ADDRESS (Hex) |
TIMING EDGE |
| LED2STC |
Sample LED2 start |
1h |
TE3 |
| LED2ENDC |
Sample LED2 end |
2h |
TE4 |
| LED1LEDSTC |
LED1 start |
3h |
TE17 |
| LED1LEDENDC |
LED1 end |
4h |
TE18 |
| ALED2STC\LED3STC |
Sample ambient 2 (or sample LED3) start |
5h |
TE11 |
| ALED2ENDC\LED3ENDC |
Sample ambient 2 (or sample LED3) end |
6h |
TE12 |
| LED1STC |
Sample LED1 start |
7h |
TE19 |
| LED1ENDC |
Sample LED1 end |
8h |
TE20 |
| LED2LEDSTC |
LED2 start |
9h |
TE1 |
| LED2LEDENDC |
LED2 end |
Ah |
TE2 |
| ALED1STC |
Sample ambient 1 start |
Bh |
TE25 |
| ALED1ENDC |
Sample ambient 1 end |
Ch |
TE26 |
| LED2CONVST |
LED2 convert phase start |
Dh |
TE7 |
| LED2CONVEND |
LED2 convert phase end |
Eh |
TE8 |
| ALED2CONVST\LED3CONVST |
Ambient 2 (or LED3) convert phase start |
Fh |
TE15 |
| ALED2CONVEND\LED3CONVEND |
Ambient 2 (or LED3) convert phase end |
10h |
TE16 |
| LED1CONVST |
LED1 convert phase start |
11h |
TE23 |
| LED1CONVEND |
LED1 convert phase end |
12h |
TE24 |
| ALED1CONVST |
Ambient 1 convert phase start |
13h |
TE29 |
| ALED1CONVEND |
Ambient 1 convert phase end |
14h |
TE30 |
| ADCRSTSTCT0 |
ADC reset phase 0 start |
15h |
TE5 |
| ADCRSTENDCT0 |
ADC reset phase 0 end |
16h |
TE6 |
| ADCRSTSTCT1 |
ADC reset phase 1 start |
17h |
TE13 |
| ADCRSTENDCT1 |
ADC reset phase 1 end |
18h |
TE14 |
| ADCRSTSTCT2 |
ADC reset phase 2 start |
19h |
TE21 |
| ADCRSTENDCT2 |
ADC reset phase 2 end |
1Ah |
TE22 |
| ADCRSTSTCT3 |
ADC reset phase 3 start |
1Bh |
TE27 |
| ADCRSTENDCT3 |
ADC reset phase 3 end |
1Ch |
TE28 |
When three LEDs are used within a single period, the Ambient2 phase is replaced by the LED3 phase. The timing controls for driving the third LED are as shown in Table 6.
Table 6. Timing Controls for Driving the Third LED
| TIMING SIGNAL |
DESCRIPTION |
REGISTER ADDRESS (Hex) |
TIMING EDGE |
| LED3LEDSTC |
LED3 start |
36h |
TE9 |
| LED3LEDENDC |
LED3 end |
37h |
TE10 |
The timing diagram for when all three LEDs are active is shown in Figure 32.
Figure 32. Timing Diagram
8.3.6.3 Receiver Timing
The timing engine can be programmed to set the different phases of the receiver. The relative timings of the LED phase, sampling phase, ADC reset phase, and ADC conversion phases are shown in Figure 33 and Table 7.
Table 7. Receiver Timing Details
|
MIN |
MAX |
UNIT |
| t1 |
Start of LED to start of sampling |
Max [25, (0.2 × LED pulse duration)] |
|
µs |
| t2 |
End of LED to start of ADC reset phase |
2 |
|
Counts(1) |
| t3 |
Duration of ADC reset phase |
6 |
|
Counts |
| t4 |
End of ADC reset phase to start of ADC conversion phase |
2 |
2 |
Count |
| t5 |
Duration of ADC conversion phase(2) |
(NUMAV + 2) × 200 × tADC + 15(3) |
|
µs |
(1) Refers to one clock period of CLK_TE.
(2) See
Figure 36 for notations of the clocking domain.
(3) tADC = 1 / fADC.
The fourth ADCRST signal (ADCRST3) in a period also defines the start of the ADC_RDY pulse. The rising edge of the ADC_RDY signal can be used as an interrupt by the MCU to readout the registers corresponding to the preceding four conversions in that period. If any of the four conversion phases are not needed, then their duration can be set to 0. However, the corresponding ADCRSTx pulse must still be defined. All four ADCRSTx pulses must be defined in order to generate the ADC_RDY pulse. A scheme of the ADC_RDY pulse generation is shown in Figure 34. The ADC_RDY pulse timing is shown in Table 8.
Table 8. ADC_RDY Timing Details
|
TYP |
MAX |
UNIT |
| t6 |
End of fourth ADC reset phase to start of ADC_RDY pulse |
(NUMAV + 1) × 200 × tADC |
(NUMAV + 2) × 200 × tADC + 15 |
µs |
| t7 |
ADC_RDY pulse duration |
tADC(1) |
|
µs |
(1) If a larger pulse duration is needed for the ADC_RDY interrupt, use PROG_TG_EN to enable a programmable timing signal to come out of the ADC_RDY pin. The location of the signal can be set using the PROG_TG_STC and PROG_TG_ENDC counts.
8.3.6.4 Dynamic Power-Down Timing
The dynamic power-down feature can be used to shut down the receiver inside every cycle to save power, as shown in Figure 35 and Table 9.
Table 9. Dynamic Power-Down Timing Details
|
MIN |
UNIT |
| t8 |
End of 4th conversion phase to the start of PDNCYCLE |
200 |
µs |
| t9 |
End of PDNCYCLE to start of next period |
200 |
µs |
The timing controls for the PDNCYCLE pulse are shown in Table 10.
Table 10. Timing Controls for Dynamic Power-Down
| TIMING SIGNAL |
DESCRIPTION |
REGISTER ADDRESS (Hex) |
TIMING EDGE(1) |
| PDNCYCLESTC |
Dynamic power-down start |
32h |
TE31 |
| PDNCYCLEENDC |
Dynamic power-down end |
33h |
TE32 |
8.3.6.5 Sample Register Values
Table 11 lists a sample of the register settings for generating the different timing signals. These sample settings correspond to CLK_INT = 4 MHz and a PRF of 100 Hz. Three LEDs are used in a cycle, each with a duty cycle of 1%, corresponding to a pulse duration of 100 µs. The conversion durations are set in order to accommodate four averages (NUMAV = 3). Two cases are described in Table 11: one for CLKDIV_PRF = 1 (CLK_TE = 4 MHz) and the other for CLKDIV_PRF = 16 (CLK_TE = 250 kHz).
Table 11. Sample Register Settings
| SIGNAL(3) |
REGISTER FIELD |
NO DIVISION OF CLOCK TO TIMING ENGINE CLOCK (CLKDIV_PRF = 1) |
ADC CLOCK TO TIMING ENGINE CLOCK DIVIDED BY 16 (CLKDIV_PRF = 16) |
| TIME DURATION (µs) |
REGISTER SETTING(1) |
TIME DURATION (µs) |
REGISTER SETTING(1) |
| PRF COUNTER |
PRPCT |
10000 |
39999(2) |
10000 |
2499(2) |
| LED2 |
LED2LEDSTC |
100 |
0 |
100 |
0 |
| LED2LEDENDC |
399 |
24 |
| SLED2 |
LED2STC |
75 |
100 |
72 |
7 |
| LED2ENDC |
399 |
24 |
| ADCRST0 |
ADCRSTSTCT0 |
1.75 |
401 |
4 |
26 |
| ADCRSTENDCT0 |
407 |
26 |
| CONVLED2 |
LED2CONVST |
265 |
409 |
268 |
28 |
| LED2CONVEND |
1468 |
94 |
| LED3 |
LED3LEDSTC |
100 |
401 |
100 |
26 |
| LED3LEDENDC |
800 |
50 |
| SLED3 |
ALED2STC\ LED3STC |
75 |
501 |
72 |
33 |
ALED2ENDC\ LED3ENDC |
800 |
50 |
| ADCRST1 |
ADCRSTSTCT1 |
1.75 |
1470 |
4 |
96 |
| ADCRSTENDCT1 |
1476 |
96 |
| CONVLED3 |
ALED2CONVST\ LED3CONVST |
265 |
1478 |
268 |
98 |
ALED2CONVEND\ LED3CONVEND |
2537 |
164 |
| LED1 |
LED1LEDSTC |
100 |
802 |
100 |
52 |
| LED1LEDENDC |
1201 |
76 |
| SLED1 |
LED1STC |
75 |
902 |
72 |
59 |
| LED1ENDC |
1201 |
76 |
| ADCRST2 |
ADCRSTSTCT2 |
1.75 |
2539 |
4 |
166 |
| ADCRSTENDCT2 |
2545 |
166 |
| CONVLED1 |
LED1CONVST |
265 |
2547 |
268 |
168 |
| LED1CONVEND |
3606 |
234 |
| SLED_AMB |
ALED1STC |
75 |
1303 |
72 |
85 |
| ALED1ENDC |
1602 |
102 |
| ADCRST3 |
ADCRSTSTCT3 |
1.75 |
3608 |
4 |
236 |
| ADCRSTENDCT3 |
3614 |
236 |
| CONVLED_AMB |
ALED1CONVST |
265 |
3616 |
268 |
238 |
| ALED1CONVEND |
4675 |
304 |
| PDNCYCLE |
PDNCYCLESTC |
8431.25 |
5475 |
8384 |
354 |
| PDNCYCLEENDC |
39199 |
2449 |
(1) Time duration = (end count – start count + 1) / fTE.
(2) For PRPCT, start count = 0.
The timing described in Table 11 minimizes the active time, thereby enabling the signal chain to be in the dynamic power-down state for the maximum fraction of time. In this timing, the LED active phase overlaps with the conversion phase corresponding to a previous LED. The ground bounce from the LED switching can couple into the receiver and cause a small interference between one phase and the next. In most intended applications, this bounce is not expected to cause any problems. However, if the lowest level of interference across phases must be attained, the timing registers can be programmed as shown in Table 12.
Table 12. Sample Register Settings for Low Interference Across Phases
| SIGNAL(3) |
REGISTER FIELD |
NO DIVISION OF CLOCK TO TIMING ENGINE CLOCK (CLKDIV_PRF = 1) |
| TIME DURATION (µs) |
REGISTER SETTING |
| PRF COUNTER |
PRPCT |
10000 |
39999 |
| LED2 |
LED2LEDSTC |
99.75 |
0 |
| LED2LEDENDC |
398 |
| SLED2 |
LED2STC |
74.75 |
100 |
| LED2ENDC |
398 |
| ADCRST0 |
ADCRSTSTCT0 |
1.75 |
5600 |
| ADCRSTENDCT0 |
5606 |
| CONVLED2 |
LED2CONVST |
115 |
5608 |
| LED2CONVEND |
6067 |
| LED3 |
LED3LEDSTC |
99.75 |
400 |
| LED3LEDENDC |
798 |
| SLED3 |
ALED2STC\ LED3STC |
74.75 |
500 |
ALED2ENDC\ LED3ENDC |
798 |
| ADCRST1 |
ADCRSTSTCT1 |
1.75 |
6069 |
| ADCRSTENDCT1 |
6075 |
| CONVLED3 |
ALED2CONVST\ LED3CONVST |
115 |
6077 |
ALED2CONVEND\ LED3CONVEND |
6536 |
| LED1 |
LED1LEDSTC |
99.75 |
800 |
| LED1LEDENDC |
1198 |
| SLED1 |
LED1STC |
74.75 |
900 |
| LED1ENDC |
1198 |
| ADCRST2 |
ADCRSTSTCT2 |
1.75 |
6538 |
| ADCRSTENDCT2 |
6544 |
| CONVLED1 |
LED1CONVST |
115.25 |
6546 |
| LED1CONVEND |
7006 |
| SLED_AMB |
ALED1STC |
74.75 |
1300 |
| ALED1ENDC |
1598 |
| ADCRST3 |
ADCRSTSTCT3 |
1.75 |
7008 |
| ADCRSTENDCT3 |
7014 |
| CONVLED_AMB |
ALED1CONVST |
115 |
7016 |
| ALED1CONVEND |
7475 |
| PDNCYCLE |
PDNCYCLESTC |
7881.25 |
7675 |
| PDNCYCLEENDC |
39199 |
8.4 Device Functional Modes
8.4.1 Power Modes
The AFE has the following power modes:
- Normal mode.
- Hardware power-down mode (PWDN): this mode is set using the RESETZ pin. When the RESETZ pin is pulled low for more than 200 µs, the device enters hardware power-down mode where the power consumption is very low (of a few µA).
- Software power-down mode (PDNAFE) using a register bit.
- Dynamic power-down mode: this mode is enabled by setting the start and end points of the PDN_CYCLE signal that is controlled using the timing engine. During the PDN_CYCLE high phase, the functional blocks (as selected by the DYNAMICx bits) are powered down. When powering down the TIA in dynamic power-down mode, consideration must be given to the dynamics of the photodiode. When the TIA is powered down, the feedback mechanism is no longer available to maintain zero bias across the photodiode, resulting in a voltage drift across the photodiode. When the AFE comes out of dynamic power-down into active mode, a transient recovery time for the photodiode results. Additionally, the INP, INM pins can be shorted through a switch to an internal reference voltage (VCM) to keep the photodiode in zero bias whenever the TIA is in power-down mode. Maintaining zero bias across the photodiode is accomplished by setting the ENABLE_INPUT_SHORT bit to 1. By setting this bit in conjunction with the DYNAMIC3 bit, the dynamics of the photodiode can be better controlled during the dynamic power-down mode.
8.4.2 RESET Modes
The AFE has internal registers that must be reset before valid operation. There are two ways to reset the device:
- Either through the RESETZ pin (a reset signal can be issued by pulsing the RESETZ pin low for a duration of time between 25 to 50 µs) or
- A software reset via the SW_RESET register bit.
8.4.3 Clocking Modes
The AFE has an internal oscillator that can generate a 4-MHz clock. This clock can be made to come out of the CLK pin for use by the rest of the system. The default mode is to use an external clock. The frequency range of this external clock is between 4 MHz to 60 MHz. A programmable internal division ratio between 1 to 12 must be set so that the divided clock is between 4 MHz to 6 MHz. For high-accuracy measurements, operating the AFE using an input (external) clock with high accuracy is preferable. If a high-accuracy measurement is required when using the internal oscillator, a correction scheme can be used in the MCU to digitally compensate for the inaccuracy in the oscillator. One method of this approach is to accurately estimate the PRF by measuring the ADC_RDY periodicity in terms of a high-accuracy MCU clock (for example, a 32-kHz clock) to establish the accurate PRF. This information can then be used to digitally correct the heart rate computation.
8.4.4 PRF Programmability
By default, the internal clock is 4 MHz. This clock also goes to the timing engine that has a 16-bit counter. The maximum setting of this counter (all 16 bits set to 1) determines the lowest value of PRF, resulting in a minimum PRF of 61 Hz. To extend the lower range of PRF, an independent programmable divider is introduced in the clock going to the timing engine. By programming this divider between 1 to 16 with the CLKDIV_PRF register control, the lower range of PRF can be extended from 61 Hz to approximately 4 Hz (limit the minimum PRF to
10 Hz). The various clocking domains and controls are described in Figure 36 and Table 13.
Table 13. Clock Domains and Operating Ranges
| CLOCK |
DESCRIPTION |
FREQUENCY |
FREQUENCY RANGE |
COMMENTS |
| CLK_INT |
Clock generated by the internal oscillator |
fINT |
4 MHz (1) |
Internal clock when the oscillator is enabled |
| CLK_EXT |
External clock |
fEXT |
4 MHz to 60 MHz |
Set the division ratio with CLKDIV_EXTMODE so that CLK_ADC is 4 MHz to 6 MHz |
| CLK_ADC |
Clock used by the ADC for conversion |
fADC |
4 MHz to 6 MHz |
Selected as either an internal clock or a divided version of the external clock |
| CLK_TE |
Clock used by the timing engine |
fTE |
fADC divided by 1 to 16 |
Division ratio is set by CLKDIV_PRF |
| ADC_RDY |
Interrupt to MCU at the same rate as the PRF |
fPRF |
Limit to 10 Hz-1000 Hz, limited to 1000 / (division ratio as set by CLKDIV_PRF) |
Set by PRPCT and fTE |
8.4.5 Averaging Modes
To reduce the noise, the input to the ADC (sampled on the CSAMPx capacitors) can be converted by the ADC multiple times and averaged. The number of averages is set using the NUMAV register control based on Equation 1:
Equation 1. Number of Averages = (NUMAV + 1)
By default, NUMAV = 0. Therefore, the default mode corresponds to when the ADC converts its input one time in each of the four phases and stores the content in the register corresponding to that phase.
When NUMAV is programmed (for example if NUMAV = 3), the ADC converts its input four times in each phase, averages the four conversions, and stores the averaged value in the register corresponding to that phase.
Averaging only helps in reducing ADC noise and not the front end noise because the input to the ADC is the same sampled voltage across all the ADC conversions used to generate the average (this voltage corresponds to the voltage sampled on the four CSAMPx capacitors in Figure 23). The number of samples that can be averaged ranges from 1 to 16 (when NUMAV is programmed from 0 to 15). A higher number of averages results in larger conversion times; see Table 7.
Averaging is implemented in the following manner:
The number of ADC samples corresponding to the number of averages (NUMAV + 1) are accumulated, as shown in Equation 2.
Equation 2.

where
- ADCi = the ith sample converted by the ADC.
The accumulator output (SUMADC) is then divided by a factor D that is obtained by D = 128 ÷ X , with X being an integer.
The averaged output is shown in Equation 3:
Equation 3. ADCOUT = SUMADC ÷ D
where
- D = 128 ÷ X, with X being an integer.
This implementation gives an averaging function that is exact when the number of averages is a power of 2 but deviates from ideal values for other settings, as shown in Table 14.
Table 14. Averaging Mode Settings
| NUMAV |
NUMBER OF AVERAGES |
INTEGER (X) |
DIVISION FACTOR (D) |
| 0 |
1 |
128 |
1.0 |
| 1 |
2 |
64 |
2.0 |
| 2 |
3 |
43 |
2.97 |
| 3 |
4 |
32 |
4.0 |
| 4 |
5 |
26 |
4.92 |
| 5 |
6 |
21 |
6.10 |
| 6 |
7 |
18 |
7.11 |
| 7 |
8 |
16 |
8.0 |
| 8 |
9 |
14 |
9.14 |
| 9 |
10 |
13 |
9.85 |
| 10 |
11 |
12 |
10.67 |
| 11 |
12 |
11 |
11.64 |
| 12 |
13 |
10 |
12.8 |
| 13 |
14 |
9 |
14.22 |
| 14 |
15 |
9 |
14.22 |
| 15 |
16 |
8 |
16.0 |
8.4.6 Decimation Mode
The AFE4404 has a decimation mode that can be used to improve the performance at low pulse repetition frequencies (PRFs). In this mode, up to N (N = 2, 4, 8, or 16) consecutive data samples can be averaged. The averaged output comes out one time every N clock cycles. The ADC_RDY frequency also reduces to PRF / N.
A timing diagram is shown in Figure 37 for where the decimation factor = 4 and PRF = 100 Hz. Figure 37 is only intended to illustrate the change in periodicity of ADC_RDY and the update rate of the registers relative to the pulse repetition period. However, the timing of all other signals continues to be as per the descriptions mentioned in the Timing Engine section.
8.4.6.1 Decimation Mode Power and Performance
The main advantage of the decimation mode is that this mode can be used to reduce the readout rate of the MCU because the data rate reduces by the decimation factor. Normally, reducing the data rate leads to SNR loss. However, with decimation mode, there is no SNR loss regardless of the lower data rate because of the averaging of consecutive samples. Table 15 compares different modes of operation.
Table 15. Different Modes of Operation
| MODE |
RATE OF DEVICE SAMPLES AND CONVERSIONS |
RATE OF MCU DATA READS |
RELATIVE PERFORMANCE |
| No decimation, 100-Hz PRF |
100 Hz |
100 Hz |
Reference |
| No decimation, 25-Hz PRF |
25 Hz |
25 Hz |
SNR is approximately 6 dB lower than reference |
| 4X decimation mode, 100-Hz PRF |
100 Hz |
25 Hz |
SNR is comparable to reference |