ZHCSG66 March   2017 ADS7056

PRODUCTION DATA.  

  1. 特性
  2. 应用
  3. 说明
  4. 修订历史记录
  5. Pin Configuration and Functions
  6. Specifications
    1. 6.1 Absolute Maximum Ratings
    2. 6.2 ESD Ratings
    3. 6.3 Recommended Operating Conditions
    4. 6.4 Thermal Information
    5. 6.5 Electrical Characteristics
    6. 6.6 Timing Requirements
    7. 6.7 Switching Characteristics
    8. 6.8 Typical Characteristics
  7. Parameter Measurement Information
    1. 7.1 Digital Voltage Levels
  8. Detailed Description
    1. 8.1 Overview
    2. 8.2 Functional Block Diagram
    3. 8.3 Feature Description
      1. 8.3.1 Analog Input
      2. 8.3.2 Reference
      3. 8.3.3 ADC Transfer Function
    4. 8.4 Device Functional Modes
      1. 8.4.1 ACQ State
      2. 8.4.2 CNV State
      3. 8.4.3 OFFCAL State
        1. 8.4.3.1 Offset Calibration on Power-Up
        2. 8.4.3.2 Offset Calibration During Normal Operation
  9. Application and Implementation
    1. 9.1 Application Information
    2. 9.2 Typical Applications
      1. 9.2.1 Single-Supply Data Acquisition With the ADS7056
        1. 9.2.1.1 Design Requirements
        2. 9.2.1.2 Detailed Design Procedure
          1. 9.2.1.2.1 Low Distortion Charge Kickback Filter Design
          2. 9.2.1.2.2 Input Amplifier Selection
          3. 9.2.1.2.3 Reference Circuit
        3. 9.2.1.3 Application Curves
      2. 9.2.2 High Bandwidth (1 MHz) Data Acquisition With the ADS7056
        1. 9.2.2.1 Design Requirements
        2. 9.2.2.2 Detailed Design Procedure
        3. 9.2.2.3 Application Curves
      3. 9.2.3 14-Bit, 10-kSPS DAQ Circuit Optimized for DC Sensor Measurements
        1. 9.2.3.1 Design Requirements
        2. 9.2.3.2 Detailed Design Procedure
        3. 9.2.3.3 Application Curve
  10. 10Power Supply Recommendations
    1. 10.1 AVDD and DVDD Supply Recommendations
    2. 10.2 Optimizing Power Consumed by the Device
      1. 10.2.1 Estimating Digital Power Consumption
  11. 11Layout
    1. 11.1 Layout Guidelines
    2. 11.2 Layout Example
  12. 12器件和文档支持
    1. 12.1 文档支持
      1. 12.1.1 相关文档
    2. 12.2 接收文档更新通知
    3. 12.3 社区资源
    4. 12.4 商标
    5. 12.5 静电放电警告
    6. 12.6 Glossary
  13. 13机械、封装和可订购信息

封装选项

请参考 PDF 数据表获取器件具体的封装图。

机械数据 (封装 | 引脚)
  • RUG|8
散热焊盘机械数据 (封装 | 引脚)
订购信息

Power Supply Recommendations

AVDD and DVDD Supply Recommendations

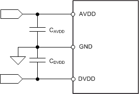
The device has two separate power supplies: AVDD and DVDD. AVDD powers the analog blocks and is also used as the reference voltage for the analog-to-digital conversion. Always set the AVDD supply to be greater than or equal to the maximum input signal to avoid saturation of codes. Decouple the AVDD pin to the GND pin with a 3.3-µF ceramic decoupling capacitor.

DVDD is used for the interface circuits. Decouple the DVDD pin to the GND pin with a 1-µF ceramic decoupling capacitor. Figure 52 shows the decoupling recommendations.

ADS7056 ads7056-power-supply-decoupling-sbas769.gif Figure 52. Power-Supply Decoupling

Optimizing Power Consumed by the Device

  • Keep the analog supply voltage (AVDD) in the specified operating range and equal to the maximum analog input voltage.
  • Keep the digital supply voltage (DVDD) in the specified operating range and at the lowest value supported by the host controller.
  • Reduce the load capacitance on the SDO output.
  • Run the device at the optimum throughput. Power consumption reduces proportionally with the throughput.

Estimating Digital Power Consumption

The current consumption from the DVDD supply depends on the DVDD voltage, the load capacitance on the SDO pin (CLOAD-SDO), and the output code, and can be calculated as:

Equation 4. IDVDD = CLOAD-SDO × V × f

where

  • CLOAD-SDO = Load capacitance on the SDO pin
  • V = DVDD supply voltage
  • f = frequency of transitions on the SDO output

The number of transitions on the SDO output depends on the output code, and thus changes with the analog input. The maximum value of f occurs when data output on the SDO change on every SCLK (that is, for output codes of 2AAAh or 1555h). With an output code of 2AAAh, f = 17.5 MHz and when CLOAD-SDO = 20 pF and DVDD = 1.8 V, IDVDD= 630 µA.