ZHCS313K January   2010  – August 2015 ADS1294 , ADS1294R , ADS1296 , ADS1296R , ADS1298 , ADS1298R

PRODUCTION DATA.  

  1. 特性
  2. 应用
    1.     简化电路原理图
  3. 说明
  4. 修订历史记录
  5. 器件比较表
  6. 引脚配置和功能
    1.     引脚功能:NFBGA 封装
    2.     引脚功能:TQFP 封装
  7. 规格
    1. 7.1 绝对最大额定值
    2. 7.2 ESD 额定值
    3. 7.3 建议的工作条件
    4. 7.4 热性能信息
    5. 7.5 电气特性
    6. 7.6 时序要求:串行接口
    7. 7.7 开关特性:串行接口
    8. 7.8 典型特性
  8. 参数测量信息
    1. 8.1 噪声测量
  9. 详细 说明
    1. 9.1 概要
    2. 9.2 功能方框图
    3. 9.3 特性 说明
      1. 9.3.1 模拟功能
        1. 9.3.1.1 EMI 滤波器
        2. 9.3.1.2 模拟输入结构
        3. 9.3.1.3 输入多路复用器
          1. 9.3.1.3.1 器件噪声测量
          2. 9.3.1.3.2 测试信号(TestP 和 TestN)
          3. 9.3.1.3.3 辅助差分输入(TESTP_PACE_OUT1、TESTN_PACE_OUT2)
          4. 9.3.1.3.4 温度传感器(TempP、TempN)
          5. 9.3.1.3.5 电源测量(MVDDP、MVDDN)
          6. 9.3.1.3.6 导联脱落激励信号(LoffP、LoffN)
          7. 9.3.1.3.7 辅助单端输入
        4. 9.3.1.4 模拟输入
        5. 9.3.1.5 PGA 设置和输入范围
          1. 9.3.1.5.1 输入共模范围
          2. 9.3.1.5.2 输入差分动态范围
          3. 9.3.1.5.3 ADC Δ-Σ 调制器
        6. 9.3.1.6 基准
        7. 9.3.1.7 ECG 专用功能
          1. 9.3.1.7.1 输入多路复用器(重新路由右腿驱动信号)
          2. 9.3.1.7.2 输入多路复用器(测量右腿驱动信号)
          3. 9.3.1.7.3 威尔逊中心端子 (WCT) 和胸导联
            1. 9.3.1.7.3.1 增强的导联
            2. 9.3.1.7.3.2 具有 WCT 点的右腿驱动
          4. 9.3.1.7.4 导联脱落检测
            1. 9.3.1.7.4.1 直流导联脱落
            2. 9.3.1.7.4.2 交流导联脱落
          5. 9.3.1.7.5 RLD 导联脱落
          6. 9.3.1.7.6 右腿驱动 (RLD) 直流偏置电流
            1. 9.3.1.7.6.1 WCT 用作 RLD
            2. 9.3.1.7.6.2 使用多个器件的 RLD 配置
          7. 9.3.1.7.7 起搏信号检测
            1. 9.3.1.7.7.1 软件方法
            2. 9.3.1.7.7.2 外部硬件方法
          8. 9.3.1.7.8 呼吸
            1. 9.3.1.7.8.1 外部呼吸电路 (RESP_CTRL = 01b)
            2. 9.3.1.7.8.2 具有内部时钟的内部呼吸电路(RESP_CTRL = 10b,仅限 ADS129xR)
            3. 9.3.1.7.8.3 具有用户生成的信号的内部呼吸电路(RESP_CTRL = 11b,仅限 ADS129xR)
      2. 9.3.2 数字功能
        1. 9.3.2.1 GPIO 引脚 (GPIO[4:1])
        2. 9.3.2.2 关断引脚 (PWDN)
        3. 9.3.2.3 复位(RESET 引脚和复位命令)
        4. 9.3.2.4 数字抽取滤波器
          1. 9.3.2.4.1 Sinc 滤波器级 (sinx/x)
        5. 9.3.2.5 时钟
    4. 9.4 器件功能模式
      1. 9.4.1 数据采集
        1. 9.4.1.1 启动模式
          1. 9.4.1.1.1 建立时间
        2. 9.4.1.2 数据就绪引脚 (DRDY)
        3. 9.4.1.3 数据检索
          1. 9.4.1.3.1 状态字
          2. 9.4.1.3.2 读回长度
          3. 9.4.1.3.3 数据格式
        4. 9.4.1.4 单冲模式
        5. 9.4.1.5 连续转换模式
      2. 9.4.2 多器件配置
        1. 9.4.2.1 级联配置
        2. 9.4.2.2 菊花链配置
    5. 9.5 编程
      1. 9.5.1 SPI 接口
        1. 9.5.1.1 片选引脚 (CS)
        2. 9.5.1.2 串行时钟 (SCLK)
          1. 9.5.1.2.1 SCLK 计时方法
        3. 9.5.1.3 数据输入引脚 (DIN)
        4. 9.5.1.4 数据输出引脚 (DOUT)
      2. 9.5.2 SPI 命令定义
        1. 9.5.2.1  WAKEUP:退出待机模式
        2. 9.5.2.2  STANDBY:进入待机模式
        3. 9.5.2.3  RESET:将寄存器重置为默认值
        4. 9.5.2.4  START:开始转换
        5. 9.5.2.5  STOP:停止转换
        6. 9.5.2.6  RDATAC:连续读取数据
        7. 9.5.2.7  SDATAC:停止连续读取数据
        8. 9.5.2.8  RDATA:读取数据
        9. 9.5.2.9  发送多字节命令
        10. 9.5.2.10 RREG:从寄存器进行读取
        11. 9.5.2.11 WREG:对寄存器进行写入
    6. 9.6 寄存器映射
      1. Table 16. 寄存器分配
      2. 9.6.1     寄存器说明
        1. 9.6.1.1  ID:ID 控制寄存器(地址 = 00h)(复位 = xxh)
          1. Table 17. ID 控制寄存器字段说明
        2. 9.6.1.2  CONFIG1:配置寄存器 1(地址 = 01h)(复位 = 06h)
          1. Table 18. 配置寄存器 1 字段说明
        3. 9.6.1.3  CONFIG2:配置寄存器 2(地址 = 02h)(复位 = 40h)
          1. Table 19. 配置寄存器 2 字段说明
        4. 9.6.1.4  CONFIG3:配置寄存器 3(地址 = 03h)(复位 = 40h)
          1. Table 20. 配置寄存器 3 字段说明
        5. 9.6.1.5  LOFF:导联脱落控制寄存器(地址 = 04h)(复位 = 00h)
          1. Table 21. 导联脱落控制寄存器字段说明
        6. 9.6.1.6  CHnSET:各个通道设置(n = 1 至 8)(地址 = 05h 至 0Ch)(复位 = 00h)
          1. Table 22. 各个通道设置(n = 1 至 8)字段说明
        7. 9.6.1.7  RLD_SENSP:RLD 正信号导出寄存器(地址 = 0Dh)(复位 = 00h)
          1. Table 23. RLD 正信号导出字段说明
        8. 9.6.1.8  RLD_SENSN:RLD 负信号导出寄存器(地址 = 0Eh)(复位 = 00h)
          1. Table 24. RLD 负信号导出字段说明
        9. 9.6.1.9  LOFF_SENSP:正信号导联脱落检测寄存器(地址 = 0Fh)(复位 = 00h)
          1. Table 25. 正信号导联脱落检测字段说明
        10. 9.6.1.10 LOFF_SENSN:负信号导联脱落检测寄存器(地址 = 10h)(复位 = 00h)
          1. Table 26. 负信号导联脱落检测字段说明
        11. 9.6.1.11 LOFF_FLIP:导联脱落翻转寄存器(地址 = 11h)(复位 = 00h)
          1. Table 27. 导联脱落翻转寄存器字段说明
        12. 9.6.1.12 LOFF_STATP:导联脱落正信号状态寄存器(地址 = 12h)(复位 = 00h)
          1. Table 28. 导联脱落正信号状态字段说明
        13. 9.6.1.13 LOFF_STATN:导联脱落负信号状态寄存器(地址 = 13h)(复位 = 00h)
          1. Table 29. 导联脱落负信号状态字段说明
        14. 9.6.1.14 GPIO:通用 I/O 寄存器(地址 = 14h)(复位 = 0Fh)
          1. Table 30. 通用 I/O 字段说明
        15. 9.6.1.15 PACE:起搏信号检测寄存器(地址 = 15h)(复位 = 00h)
          1. Table 31. 起搏信号检测寄存器字段说明
        16. 9.6.1.16 RESP:呼吸控制寄存器(地址 = 16h)(复位 = 00h)
          1. Table 32. 呼吸控制寄存器字段说明
        17. 9.6.1.17 CONFIG4:配置寄存器 4(地址 = 17h)(复位 = 00h)
          1. Table 33. 配置寄存器 4 字段说明
        18. 9.6.1.18 WCT1:威尔逊中心端子和增强导联控制寄存器(地址 = 18h)(复位 = 00h)
          1. Table 34. 威尔逊中心端子和增强导联控制字段说明
        19. 9.6.1.19 WCT2:威尔逊中心端子控制寄存器(地址 = 18h)(复位 = 00h)
          1. Table 35. 威尔逊中心端子控制字段说明
  10. 10应用和实现
    1. 10.1 应用信息
      1. 10.1.1 设置器件以进行基本数据采集
        1. 10.1.1.1 导联脱落
        2. 10.1.1.2 右腿驱动
        3. 10.1.1.3 起搏信号检测
      2. 10.1.2 建立输入共模
      3. 10.1.3 抗混叠
    2. 10.2 典型 应用
      1. 10.2.1 使用内部调制电路的 ADS129xR 呼吸测量
        1. 10.2.1.1 设计要求
        2. 10.2.1.2 详细设计流程
        3. 10.2.1.3 应用曲线
      2. 10.2.2 使用 ADS129x 上的 PACEOUT 引脚进行基于软件的人工起搏器检测
        1. 10.2.2.1 设计要求
        2. 10.2.2.2 详细设计流程
        3. 10.2.2.3 应用曲线
  11. 11电源建议
    1. 11.1 上电排序
    2. 11.2 连接到单极(3V 或 1.8V)电源
    3. 11.3 连接到双极(±1.5V 或 ±1.8V)电源
  12. 12布局
    1. 12.1 布局指南
    2. 12.2 布局示例
  13. 13器件和文档支持
    1. 13.1 相关链接
    2. 13.2 社区资源
    3. 13.3 商标
    4. 13.4 静电放电警告
    5. 13.5 术语表
  14. 14机械、封装和可订购信息

封装选项

机械数据 (封装 | 引脚)
散热焊盘机械数据 (封装 | 引脚)
订购信息

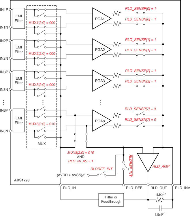
输入多路复用器(测量右腿驱动信号)

也可以将 RLDOUT 信号路由到用于测量的通道(不用于 RLD 计算)。Figure 34 显示了用于将 RLDIN 信号路由到通道 8 的寄存器设置。测量是相对于 RLDREF 引脚上的电压完成的。如果 RLDREF 设置为内部,则为 (AVDD + AVSS)/2。此功能对于产品开发期间的调试非常有用。

ADS1294 ADS1294R ADS1296 ADS1296R ADS1298 ADS1298R ai_in_mux_ecg2_bas459.gif
典型值,仅用作示例。
Figure 34. 配置为由通道 8 读回的 RLDOUT 信号