ZHCS311E May   2009  – December 2024 ADS1113 , ADS1114 , ADS1115

PRODUCTION DATA  

  1.   1
  2. 特性
  3. 应用
  4. 说明
  5.   Device Comparison Table
  6. Pin Configuration and Functions
  7. Specifications
    1. 5.1 Absolute Maximum Ratings
    2. 5.2 ESD Ratings
    3. 5.3 Recommended Operating Conditions
    4. 5.4 Thermal Information
    5. 5.5 Electrical Characteristics
    6. 5.6 Timing Requirements: I2C
    7. 5.7 Typical Characteristics
  8. Parameter Measurement Information
    1. 6.1 Noise Performance
  9. Detailed Description
    1. 7.1 Overview
    2. 7.2 Functional Block Diagrams
    3. 7.3 Feature Description
      1. 7.3.1 Multiplexer
      2. 7.3.2 Analog Inputs
      3. 7.3.3 Full-Scale Range (FSR) and LSB Size
      4. 7.3.4 Voltage Reference
      5. 7.3.5 Oscillator
      6. 7.3.6 Output Data Rate and Conversion Time
      7. 7.3.7 Digital Comparator (ADS1114 and ADS1115 Only)
      8. 7.3.8 Conversion Ready Pin (ADS1114 and ADS1115 Only)
      9. 7.3.9 SMbus Alert Response
    4. 7.4 Device Functional Modes
      1. 7.4.1 Reset and Power-Up
      2. 7.4.2 Operating Modes
        1. 7.4.2.1 Single-Shot Mode
        2. 7.4.2.2 Continuous-Conversion Mode
      3. 7.4.3 Duty Cycling For Low Power
    5. 7.5 Programming
      1. 7.5.1 I2C Interface
        1. 7.5.1.1 I2C Address Selection
        2. 7.5.1.2 I2C General Call
        3. 7.5.1.3 I2C Speed Modes
      2. 7.5.2 Target Mode Operations
        1. 7.5.2.1 Receive Mode
        2. 7.5.2.2 Transmit Mode
      3. 7.5.3 Writing To and Reading From the Registers
      4. 7.5.4 Data Format
  10. Registers
    1. 8.1 Register Map
      1. 8.1.1 Address Pointer Register (address = N/A) [reset = N/A]
      2. 8.1.2 Conversion Register (P[1:0] = 00b) [reset = 0000h]
      3. 8.1.3 Config Register (P[1:0] = 01b) [reset = 8583h]
      4. 8.1.4 Lo_thresh (P[1:0] = 10b) [reset = 8000h] and Hi_thresh (P[1:0] = 11b) [reset = 7FFFh] Registers
  11. Application and Implementation
    1. 9.1 Application Information
      1. 9.1.1 Basic Connections
      2. 9.1.2 Single-Ended Inputs
      3. 9.1.3 Input Protection
      4. 9.1.4 Unused Inputs and Outputs
      5. 9.1.5 Analog Input Filtering
      6. 9.1.6 Connecting Multiple Devices
      7. 9.1.7 Quick-Start Guide
    2. 9.2 Typical Application
      1. 9.2.1 Design Requirements
      2. 9.2.2 Detailed Design Procedure
        1. 9.2.2.1 Shunt Resistor Considerations
        2. 9.2.2.2 Operational Amplifier Considerations
        3. 9.2.2.3 ADC Input Common-Mode Considerations
        4. 9.2.2.4 Resistor (R1, R2, R3, R4) Considerations
        5. 9.2.2.5 Noise and Input Impedance Considerations
        6. 9.2.2.6 First-Order RC Filter Considerations
        7. 9.2.2.7 Circuit Implementation
        8. 9.2.2.8 Results Summary
      3. 9.2.3 Application Curves
  12. 10Power Supply Recommendations
    1. 10.1 Power-Supply Sequencing
    2. 10.2 Power-Supply Decoupling
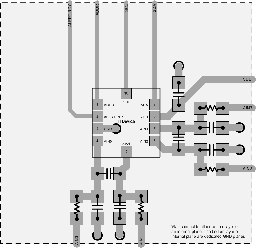
  13. 11Layout
    1. 11.1 Layout Guidelines
    2. 11.2 Layout Example
  14. 12Device and Documentation Support
    1. 12.1 Documentation Support
      1. 12.1.1 Related Documentation
    2. 12.2 接收文档更新通知
    3. 12.3 支持资源
    4. 12.4 Trademarks
    5. 12.5 静电放电警告
    6. 12.6 术语表
  15. 13Revision History
  16. 14Mechanical, Packaging, and Orderable Information

封装选项

机械数据 (封装 | 引脚)
散热焊盘机械数据 (封装 | 引脚)
订购信息

Layout Example

ADS1113 ADS1114 ADS1115 ADS1115 X2QFN PackageFigure 11-2 ADS1115 X2QFN Package
ADS1113 ADS1114 ADS1115 ADS1115 VSSOP Package Figure 11-3 ADS1115 VSSOP Package