ZHCS311E May   2009  – December 2024 ADS1113 , ADS1114 , ADS1115

PRODUCTION DATA  

  1.   1
  2. 特性
  3. 应用
  4. 说明
  5.   Device Comparison Table
  6. Pin Configuration and Functions
  7. Specifications
    1. 5.1 Absolute Maximum Ratings
    2. 5.2 ESD Ratings
    3. 5.3 Recommended Operating Conditions
    4. 5.4 Thermal Information
    5. 5.5 Electrical Characteristics
    6. 5.6 Timing Requirements: I2C
    7. 5.7 Typical Characteristics
  8. Parameter Measurement Information
    1. 6.1 Noise Performance
  9. Detailed Description
    1. 7.1 Overview
    2. 7.2 Functional Block Diagrams
    3. 7.3 Feature Description
      1. 7.3.1 Multiplexer
      2. 7.3.2 Analog Inputs
      3. 7.3.3 Full-Scale Range (FSR) and LSB Size
      4. 7.3.4 Voltage Reference
      5. 7.3.5 Oscillator
      6. 7.3.6 Output Data Rate and Conversion Time
      7. 7.3.7 Digital Comparator (ADS1114 and ADS1115 Only)
      8. 7.3.8 Conversion Ready Pin (ADS1114 and ADS1115 Only)
      9. 7.3.9 SMbus Alert Response
    4. 7.4 Device Functional Modes
      1. 7.4.1 Reset and Power-Up
      2. 7.4.2 Operating Modes
        1. 7.4.2.1 Single-Shot Mode
        2. 7.4.2.2 Continuous-Conversion Mode
      3. 7.4.3 Duty Cycling For Low Power
    5. 7.5 Programming
      1. 7.5.1 I2C Interface
        1. 7.5.1.1 I2C Address Selection
        2. 7.5.1.2 I2C General Call
        3. 7.5.1.3 I2C Speed Modes
      2. 7.5.2 Target Mode Operations
        1. 7.5.2.1 Receive Mode
        2. 7.5.2.2 Transmit Mode
      3. 7.5.3 Writing To and Reading From the Registers
      4. 7.5.4 Data Format
  10. Registers
    1. 8.1 Register Map
      1. 8.1.1 Address Pointer Register (address = N/A) [reset = N/A]
      2. 8.1.2 Conversion Register (P[1:0] = 00b) [reset = 0000h]
      3. 8.1.3 Config Register (P[1:0] = 01b) [reset = 8583h]
      4. 8.1.4 Lo_thresh (P[1:0] = 10b) [reset = 8000h] and Hi_thresh (P[1:0] = 11b) [reset = 7FFFh] Registers
  11. Application and Implementation
    1. 9.1 Application Information
      1. 9.1.1 Basic Connections
      2. 9.1.2 Single-Ended Inputs
      3. 9.1.3 Input Protection
      4. 9.1.4 Unused Inputs and Outputs
      5. 9.1.5 Analog Input Filtering
      6. 9.1.6 Connecting Multiple Devices
      7. 9.1.7 Quick-Start Guide
    2. 9.2 Typical Application
      1. 9.2.1 Design Requirements
      2. 9.2.2 Detailed Design Procedure
        1. 9.2.2.1 Shunt Resistor Considerations
        2. 9.2.2.2 Operational Amplifier Considerations
        3. 9.2.2.3 ADC Input Common-Mode Considerations
        4. 9.2.2.4 Resistor (R1, R2, R3, R4) Considerations
        5. 9.2.2.5 Noise and Input Impedance Considerations
        6. 9.2.2.6 First-Order RC Filter Considerations
        7. 9.2.2.7 Circuit Implementation
        8. 9.2.2.8 Results Summary
      3. 9.2.3 Application Curves
  12. 10Power Supply Recommendations
    1. 10.1 Power-Supply Sequencing
    2. 10.2 Power-Supply Decoupling
  13. 11Layout
    1. 11.1 Layout Guidelines
    2. 11.2 Layout Example
  14. 12Device and Documentation Support
    1. 12.1 Documentation Support
      1. 12.1.1 Related Documentation
    2. 12.2 接收文档更新通知
    3. 12.3 支持资源
    4. 12.4 Trademarks
    5. 12.5 静电放电警告
    6. 12.6 术语表
  15. 13Revision History
  16. 14Mechanical, Packaging, and Orderable Information

封装选项

机械数据 (封装 | 引脚)
散热焊盘机械数据 (封装 | 引脚)
订购信息

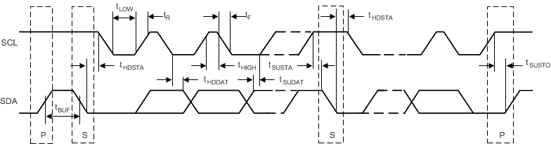
Timing Requirements: I2C

over operating ambient temperature range and VDD = 2.0V to 5.5V (unless otherwise noted)
FAST MODE HIGH-SPEED MODE UNIT
MIN MAX MIN MAX
fSCL SCL clock frequency 0.01 0.4 0.01 3.4 MHz
tBUF Bus free time between START and STOP condition 600 160 ns
tHDSTA Hold time after repeated START condition.
After this period, the first clock is generated.
600 160 ns
tSUSTA Setup time for a repeated START condition 600 160 ns
tSUSTO Setup time for STOP condition 600 160 ns
tHDDAT Data hold time 0 0 ns
tSUDAT Data setup time 100 10 ns
tLOW Low period of the SCL clock pin 1300 160 ns
tHIGH High period for the SCL clock pin 600 60 ns
tF Fall time for both SDA and SCL signals(1) 300 160 ns
tR Rise time for both SDA and SCL signals(1) 300 160 ns
For high-speed mode maximum values, the capacitive load on the bus line must not exceed 400pF.


ADS1113 ADS1114 ADS1115 I2C Interface Timing Figure 5-1 I2C Interface Timing