SCAS582Q November 1996 – October 2014 SN74LVCHR16245A
PRODUCTION DATA.
请参考 PDF 数据表获取器件具体的封装图。
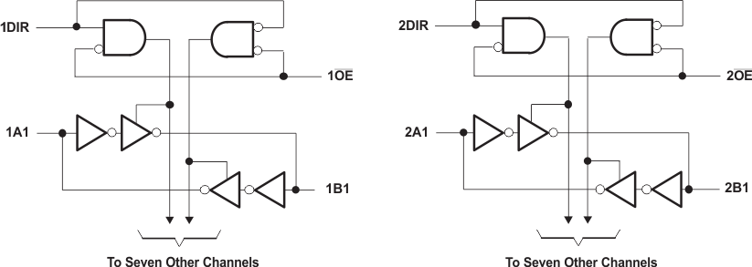
This 16-bit (dual-octal) noninverting bus transceiver is designed for 1.65-V to 3.6-V VCC operation.
The SN74LVCHR16245A device is designed for asynchronous communication between data buses. The control-function implementation minimizes external-timing requirements.
| PART NUMBER | PACKAGE | BODY SIZE (NOM) |
|---|---|---|
| SN74LVCHR16245A | TSSOP (48) | 12.50 mm × 6.10 mm |
| SSOP (48) | 15.88 mm × 7.49 mm | |
| TVSOP (48) | 9.70 mm × 4.40 mm |
