ZHCSED7A November   2015  – November 2015 OPA1612-Q1

PRODUCTION DATA.  

  1. 特性
  2. 应用
  3. 概述
  4. 修订历史记录
  5. Pin Configuration and Functions
  6. Specifications
    1. 6.1 Absolute Maximum Ratings
    2. 6.2 ESD Ratings
    3. 6.3 Recommended Operating Conditions
    4. 6.4 Thermal Information
    5. 6.5 Electrical Characteristics: VS = ±2.25 V to ±18 V
    6. 6.6 Typical Characteristics
  7. Parameter Measurement Information
  8. Detailed Description
    1. 8.1 Overview
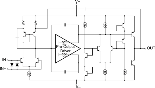
    2. 8.2 Functional Block Diagram
    3. 8.3 Feature Description
      1. 8.3.1 Power Dissipation
      2. 8.3.2 Electrical Overstress
      3. 8.3.3 Operating Voltage
      4. 8.3.4 Input Protection
    4. 8.4 Device Functional Modes
  9. Application and Implementation
    1. 9.1 Application Information
    2. 9.2 Typical Application
      1. 9.2.1 Design Requirements
      2. 9.2.2 Detailed Design Procedure
        1. 9.2.2.1 Noise Performance
          1. 9.2.2.1.1 Basic Noise Calculations
        2. 9.2.2.2 Total Harmonic Distortion Measurements
        3. 9.2.2.3 Capacitive Loads
      3. 9.2.3 Application Curves
  10. 10Power-Supply Recommendations
  11. 11Layout
    1. 11.1 Layout Guidelines
    2. 11.2 Layout Example
  12. 12器件和文档支持
    1. 12.1 文档支持
      1. 12.1.1 相关文档 
    2. 12.2 社区资源
    3. 12.3 商标
    4. 12.4 静电放电警告
    5. 12.5 Glossary
  13. 13机械、封装和可订购信息

封装选项

机械数据 (封装 | 引脚)
散热焊盘机械数据 (封装 | 引脚)
订购信息

1 特性

  • 符合汽车应用要求
  • 具有符合 AEC-Q100 的下列结果:
    • 器件温度 1 级:-40℃ 至 +125℃ 的环境运行温度范围
    • 器件人体放电模式 (HBM) 分类等级 2
    • 器件组件充电模式 (CDM) 分类等级 C6
  • 出色音质
  • 超低噪声:1kHz 时为 1.1nV/√Hz
  • 超低失真:
    1kHz 时为 0.000015%
  • 高压摆率:27V/μs
  • 高带宽:40MHz (G = +1)
  • 高开环增益:130dB
  • 单位增益稳定
  • 低静态电流:
    每通道 3.6mA
  • 轨到轨输出
  • 宽电源电压范围:±2.25V 至 ±18V

2 应用

  • 专业音频设备
  • 麦克风前置放大器
  • 模数混合控制台
  • 播音室设备
  • 音频测试和测量
  • 高端 A/V 接收器

3 概述

OPA1612-Q1 器件是一款双通道、 SoundPlus™双极输入运算放大器,在 1kHz 频率下可实现很低的噪声密度 (1.1nV/√Hz) 以及超低失真 (0.000015%)。 OPA1612-Q1 器件可在 2kΩ 负载条件下提供摆幅在 600mV 以内的轨到轨输出,这有助于提高余量并实现动态范围的最大化。 此外,这些器件还具有 ±30mA 高输出驱动能力。

这些器件支持 ±2.25V 到 ±18V 的宽电源电压范围,每通道电源电流仅为 3.6mA。 OPA1612-Q1 运算放大器的单位增益稳定,在宽负载条件范围内可提供出色的动态性能。

双通道型号具有完全独立的电路,即使处于过驱或过载状态也可在通道间实现最低串扰和零交互。

OPA1612-Q1 器件采用小外形尺寸集成电路 (SOIC)-8 封装 封装。 该器件的额定工作温度范围为 –40°C 至 +125°C。

器件信息(1)

器件型号 封装 封装尺寸(标称值)
OPA1612-Q1 SOIC (8) 4.90mm x 3.91mm
  1. 如需了解所有可用封装,请见数据表末尾的可订购产品附录。


功能框图

OPA1612-Q1 pg1_fbd_bos450.gif

THD+N 比与输出幅值间的关系

OPA1612-Q1 fp_thdn_vout_amp_bos450.gif