ZHCSED7A November   2015  – November 2015 OPA1612-Q1

PRODUCTION DATA.  

  1. 特性
  2. 应用
  3. 概述
  4. 修订历史记录
  5. Pin Configuration and Functions
  6. Specifications
    1. 6.1 Absolute Maximum Ratings
    2. 6.2 ESD Ratings
    3. 6.3 Recommended Operating Conditions
    4. 6.4 Thermal Information
    5. 6.5 Electrical Characteristics: VS = ±2.25 V to ±18 V
    6. 6.6 Typical Characteristics
  7. Parameter Measurement Information
  8. Detailed Description
    1. 8.1 Overview
    2. 8.2 Functional Block Diagram
    3. 8.3 Feature Description
      1. 8.3.1 Power Dissipation
      2. 8.3.2 Electrical Overstress
      3. 8.3.3 Operating Voltage
      4. 8.3.4 Input Protection
    4. 8.4 Device Functional Modes
  9. Application and Implementation
    1. 9.1 Application Information
    2. 9.2 Typical Application
      1. 9.2.1 Design Requirements
      2. 9.2.2 Detailed Design Procedure
        1. 9.2.2.1 Noise Performance
          1. 9.2.2.1.1 Basic Noise Calculations
        2. 9.2.2.2 Total Harmonic Distortion Measurements
        3. 9.2.2.3 Capacitive Loads
      3. 9.2.3 Application Curves
  10. 10Power-Supply Recommendations
  11. 11Layout
    1. 11.1 Layout Guidelines
    2. 11.2 Layout Example
  12. 12器件和文档支持
    1. 12.1 文档支持
      1. 12.1.1 相关文档 
    2. 12.2 社区资源
    3. 12.3 商标
    4. 12.4 静电放电警告
    5. 12.5 Glossary
  13. 13机械、封装和可订购信息

封装选项

机械数据 (封装 | 引脚)
散热焊盘机械数据 (封装 | 引脚)
订购信息

8 Detailed Description

8.1 Overview

The OPA1612-Q1 bipolar-input operational amplifierachieves very low 1.1-nV/√Hz noise density with an ultralow distortion of 0.000015% at 1 kHz. The rail-to-rail output swing, within 600 mV with a 2-kΩ load, increases headroom and maximizes dynamic range. These devices also have a high output drive capability of ±40 mA. The wide supply range of ±2.25 V to ±18 V, on only 3.6 mA of supply current per channel, makes them applicable to both 5-V systems and 36-V audio applications. The OPA1612-Q1 op amp is unity-gain stable and provide excellent dynamic behavior over a wide range of load conditions.

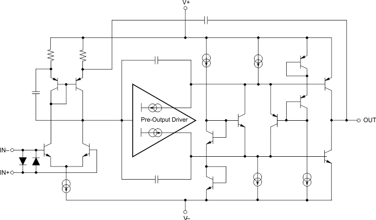
8.2 Functional Block Diagram

OPA1612-Q1 ai_schematic_bos450.gif

8.3 Feature Description

8.3.1 Power Dissipation

The OPA1612-Q1 op amp is capable of driving 2-kΩ loads with a power-supply voltage up to ±18 V. Internal power dissipation increases when operating at high supply voltages. Copper leadframe construction used in the OPA1612-Q1 op amp improves heat dissipation compared to conventional materials. Circuit board layout can also help minimize junction temperature rise. Wide copper traces help dissipate the heat by acting as an additional heat sink. Temperature rise can be further minimized by soldering the devices to the circuit board rather than using a socket.

8.3.2 Electrical Overstress

Designers often ask questions about the capability of an operational amplifier to withstand electrical overstress. These questions tend to focus on the device inputs, but may involve the supply voltage pins or even the output pin. Each of these different pin functions have electrical stress limits determined by the voltage breakdown characteristics of the particular semiconductor fabrication process and specific circuits connected to the pin. Additionally, internal electrostatic discharge (ESD) protection is built into these circuits to protect them from accidental ESD events both before and during product assembly.

Having a good understanding of this basic ESD circuitry and its relevance to an electrical overstress event is helpful. Figure 35 shows the ESD circuits contained in the OPA1612-Q1 device (indicated by the dashed line area). The ESD protection circuitry involves several current-steering diodes connected from the input and output pins and routed back to the internal power-supply lines, where they meet at an absorption device internal to the operational amplifier. This protection circuitry is intended to remain inactive during normal circuit operation.

OPA1612-Q1 ai_equiv_esd_cir_slos931.gif
1.

NOINDENT:

VIN = +VS + 500 mV.
Figure 35. Equivalent Internal ESD Circuitry and its Relation to a Typical Circuit Application

An ESD event produces a short duration, high-voltage pulse that is transformed into a short duration, high-current pulse when discharged through a semiconductor device. The ESD protection circuits are designed to provide a current path around the operational amplifier core to prevent damage to the core. The energy absorbed by the protection circuitry is then dissipated as heat.

When an ESD voltage develops across two or more of the amplifier device pins, current flows through one or more of the steering diodes. Depending on the path that the current takes, the absorption device may activate. The absorption device internal to the OPA1612-Q1 device triggers when a fast ESD voltage pulse is impressed across the supply pins. Once triggered, the absorption device quickly activates and clamps the ESD pulse to a safe voltage level.

When the operational amplifier connects into a circuit such as the one Figure 35 shows, the ESD protection components are intended to remain inactive and not become involved in the application circuit operation. However, circumstances may arise where an applied voltage exceeds the operating voltage range of a given pin. If this condition occurs, some of the internal ESD protection circuits may possibly be biased on, and conduct current. Any such current flow occurs through steering diode paths and rarely involves the absorption device.

Figure 35 shows a specific example where the input voltage, VIN, exceeds the positive supply voltage (+VS) by 500 mV or more. Much of what happens in the circuit depends on the supply characteristics. If +VS can sink the current, one of the upper input steering diodes conducts and directs current to +VS. Excessively high current levels can flow with increasingly higher VIN. As a result, the datasheet specifications recommend that applications limit the input current to 10 mA.

If the supply is not capable of sinking the current, VIN may begin sourcing current to the operational amplifier, and then take over as the source of positive supply voltage. The danger in this case is that the voltage can rise to levels that exceed the operational amplifier absolute maximum ratings. In extreme but rare cases, the absorption device triggers on while +VS and –VS are applied. If this event happens, a direct current path is established between the +VS and –VS supplies. The power dissipation of the absorption device is quickly exceeded, and the extreme internal heating destroys the operational amplifier.

Another common question involves what happens to the amplifier if an input signal is applied to the input while the power supplies +VS or –VS are at 0 V. Again, the result depends on the supply characteristic while at 0 V, or at a level below the input signal amplitude. If the supplies appear as high impedance, then the operational amplifier supply current may be supplied by the input source via the current steering diodes. This state is not a normal bias condition; the amplifier most likely does not operate normally. If the supplies are low impedance, then the current through the steering diodes can become quite high. The current level depends on the ability of the input source to deliver current, and any resistance in the input path.

If there is an uncertainty about the ability of the supply to absorb this current, external zener diodes may be added to the supply pins; see Figure 35. The zener voltage must be selected such that the diode does not turn on during normal operation. However, the zener diode voltage must be low enough so that the zener diode conducts if the supply pin begins to rise above the safe operating supply voltage level.

8.3.3 Operating Voltage

The OPA1612-Q1 op amp operates from ±2.25-V to ±18-V supplies while maintaining excellent performance. The OPA1612-Q1 device can operate with as little as +4.5 V between the supplies and with up to +36 V between the supplies. However, some applications do not require equal positive and negative output voltage swing. With the OPA1612-Q1 device, power-supply voltages do not need to be equal. For example, the positive supply could be set to +25 V with the negative supply at –5 V.

In all cases, the common-mode voltage must be maintained within the specified range. In addition, key parameters are assured over the specified temperature range of TA = –40°C to +85°C. Parameters that vary with operating voltage or temperature are shown in the Typical Characteristics section.

8.3.4 Input Protection

The input terminals of the OPA1612-Q1 device is protected from excessive differential voltage with back-to-back diodes, as Figure 36 shows. In most circuit applications, the input protection circuitry has no consequence. However, in low-gain or G = +1 circuits, fast ramping input signals can forward bias these diodes because the output of the amplifier cannot respond rapidly enough to the input ramp. This effect is illustrated in Figure 17 of the Typical Characteristics section. If the input signal is fast enough to create this forward bias condition, the input signal current must be limited to 10 mA or less. If the input signal current is not inherently limited, an input series resistor (RI) or a feedback resistor (RF) can be used to limit the signal input current. This input series resistor degrades the low-noise performance of the OPA1612-Q1 device and is examined in the Noise Performance section. Figure 36 shows an example configuration when both current-limiting input and feedback resistors are used.

OPA1612-Q1 ai_pulse_op_slos931.gif Figure 36. Pulsed Operation

8.4 Device Functional Modes

The OPA1612-Q1 device has a single functional mode. The device is powered on as long as the power supply voltage is between 4.5 V (±2.25 V) and 36 V (±18 V).