ZHCSDW6A June 2015 – July 2015 ONET1130EP
PRODUCTION DATA.
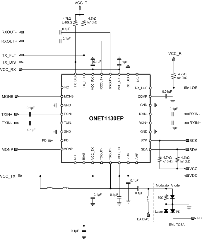
ONET1130EP 是一款集成调制器驱动器和限幅放大器,设计为以 1Gbps 至 11.7Gbps 范围内的速率运行。 该器件包含光学和电气环回,并且可利用两线制串行接口进行数字控制。
发送路径包含 1 个可调节输入均衡器(用于均衡长达 300mm
(12 英寸)的 FR4 印刷电路板的微带传输线或带状传输线)、 和 1 个输出调制器驱动器。 该器件以交叉点调节和去加重的形式提供输出波形控制,从而增加光学眼图波罩余量。 该器件提供激光二极管偏置电流,并且包含集成自动功率控制 (APC) 回路,用于对平均光学功率随电压、温度和时间的变化进行补偿。
接收路径包含 1 个具有可编程均衡和阈值调节功能的限幅放大器、 和输出去加重功能(用于对器件输出端所连接的连接器、微带传输线或带状传输线上与频率相关的损耗进行补偿)。接收器输出幅值和信号损失有效电平都是可以调节的。
| 订货编号 | 封装(引脚) | 封装尺寸 |
|---|---|---|
| ONET1130EP | VQFN (32) | 4.00mm x 4.00mm |
