SNVS049F February   2000  – March 2016 LM4120

PRODUCTION DATA.  

  1. Features
  2. Applications
  3. Description
  4. Revision History
  5. Pin Configuration and Functions
  6. Specifications
    1. 6.1 Absolute Maximum Ratings
    2. 6.2 ESD Ratings
    3. 6.3 Recommended Operating Conditions
    4. 6.4 Thermal Information
    5. 6.5 Electrical Characteristics
    6. 6.6 Typical Characteristics
  7. Detailed Description
    1. 7.1 Overview
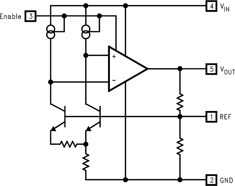
    2. 7.2 Functional Block Diagram
    3. 7.3 Feature Description
      1. 7.3.1 Enable
      2. 7.3.2 Reference
    4. 7.4 Device Functional Modes
  8. Application and Implementation
    1. 8.1 Application Information
    2. 8.2 Typical Application
      1. 8.2.1 Design Requirements
      2. 8.2.2 Detailed Design Procedure
        1. 8.2.2.1 Input Capacitors
        2. 8.2.2.2 Output Capacitors
      3. 8.2.3 Application Curves
  9. Power Supply Recommendations
  10. 10Layout
    1. 10.1 Layout Guidelines
    2. 10.2 Layout Example
  11. 11Device and Documentation Support
    1. 11.1 Community Resources
    2. 11.2 Trademarks
    3. 11.3 Electrostatic Discharge Caution
    4. 11.4 Glossary
  12. 12Mechanical, Packaging, and Orderable Information

封装选项

机械数据 (封装 | 引脚)
散热焊盘机械数据 (封装 | 引脚)
订购信息

1 Features

  • Small SOT23-5 Package
  • Low Dropout Voltage: 120 mV Typical at 1 mA
  • High Output Voltage Accuracy: 0.2%
  • Source and Sink Current Output: ±5 mA
  • Supply Current: 160 μA Typical
  • Low Temperature Coefficient: 50 ppm/°C
  • Enable Pin
  • Fixed Output Voltages: 1.8, 2.048, 2.5, 3, 3.3, 4.096, and 5 V
  • Industrial Temperature Range: −40°C to 85°C
  • (For Extended Temperature Range, −40°C to 125°C, Contact TI)

2 Applications

  • Portable, Battery-Powered Equipment
  • Instrumentation and Process Control
  • Automotive and Industrial
  • Test Equipment
  • Data Acquisition Systems
  • Precision Regulators
  • Battery Chargers
  • Base Stations
  • Communications
  • Medical Equipment

3 Description

The LM4120 device is a precision low-power, low dropout bandgap voltage reference with up to 5-mA output current source and sink capability.

This series reference operates with input voltages as low as 2 V and up to 12 V, consuming 160-µA (typical) supply current. In power-down mode, device current drops to less than 2 μA.

The LM4120 comes in two grades (A and Standard) and seven voltage options for greater flexibility. The best grade devices (A) have an initial accuracy of 0.2%, while the standard have an initial accuracy of 0.5%, both with a temperature coefficient of
50 ppm/°C ensured from −40°C to 125°C.

The very low dropout voltage, low supply current, and power-down capability of the LM4120 make this product an ideal choice for battery-powered and portable applications.

The device performance is ensured over the industrial temperature range (−40°C to 85°C), while certain specifications are ensured over the extended temperature range (−40°C to 125°C). Contact TI for full specifications over the extended temperature range. The LM4120 is available in a standard 5-pin SOT-23 package.

Device Information(1)

PART NUMBER PACKAGE BODY SIZE (NOM)
LM4120 SOT-23 (5) 1.60 mm × 2.90 mm
  1. For all available packages, see the orderable addendum at the end of the data sheet.

Functional Block Diagram

LM4120 10104701.png