ZHCUAK6C March   2011  – August 2021 TPS56121

 

  1.   商标
  2. 引言
  3. 说明
    1. 2.1 应用
    2. 2.2 特性
  4. 电气性能规格
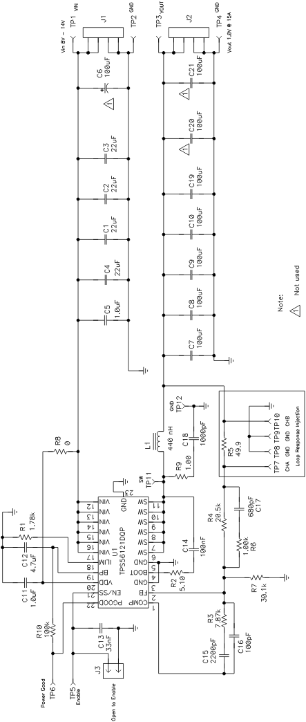
  5. 原理图
  6. 测试设置
    1. 5.1 测试设备
      1. 5.1.1 电压源
      2. 5.1.2 仪表
      3. 5.1.3 负载
      4. 5.1.4 示波器
      5. 5.1.5 风扇
    2. 5.2 推荐的线规
      1. 5.2.1 VIN 至 J1
      2. 5.2.2 J2 至 LOAD
    3. 5.3 设备设置过程
  7. 配置
    1. 6.1 启用选择 (J3)
  8. 测试点说明
    1. 7.1 输入电压监控(TP1 和 TP2)
    2. 7.2 输出电压监控(TP3 和 TP4)
    3. 7.3 启用/软启动监测 (TP5)
    4. 7.4 电源正常状态监控 (TP6)
    5. 7.5 环路响应测试(TP7、TP8、TP9 和 TP10)
    6. 7.6 开关节点电压监测(TP11 和 TP12)
  9. 测试过程
    1. 8.1 启动/关断程序
    2. 8.2 输出波纹电压测量步骤
    3. 8.3 控制环路增益和相位测量步骤
    4. 8.4 设备停机
  10. 性能数据和典型特性曲线
    1. 9.1  效率
    2. 9.2  负载调节
    3. 9.3  线性调整率
    4. 9.4  输出电压纹波
    5. 9.5  开关节点
    6. 9.6  负载瞬态
    7. 9.7  启动
    8. 9.8  电源关闭
    9. 9.9  过流保护
    10. 9.10 控制环路波特图
    11. 9.11 热像图
  11. 10EVM 装配图和 PCB 布局布线
  12. 11物料清单
  13. 12修订历史记录

原理图

GUID-DFFF6C64-20FA-46E4-87B9-FC0ADAEA8658-low.gif图 4-1 TPS56121EVM-601 原理图