ZHCU978A February   2017  – February 2022 TPS543C20

 

  1.   TPS543C20 80A 双相可堆叠评估模块
  2.   商标
  3. 引言
    1. 1.1 准备工作
  4. 说明
    1. 2.1 典型的终端用户应用
    2. 2.2 EVM 特性
  5. EVM 电气性能技术参数
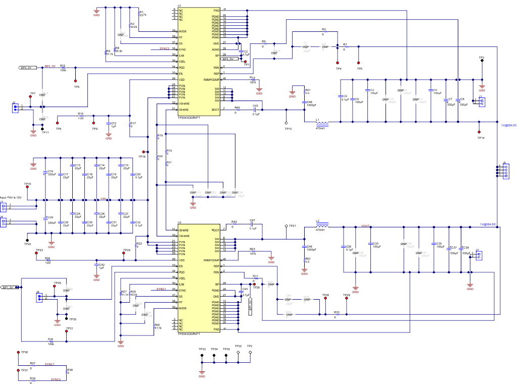
  6. 原理图
  7. 测试设备
  8. TPS543C20EVM-869
  9. 测试点、跳线和开关列表
  10. 测试步骤
    1. 8.1 线路和负载调节测量程序
    2. 8.2 效率
    3. 8.3 设备停机
  11. 性能数据和典型特性曲线
    1. 9.1 负载调节
    2. 9.2 效率
    3. 9.3 功率损耗
    4. 9.4 瞬态响应
    5. 9.5 输出纹波
    6. 9.6 使能开启
    7. 9.7 开启和关闭控制
    8. 9.8 热像图
  12. 10EVM 装配图和 PCB 布局
  13. 11物料清单
  14. 12修订历史记录

原理图

图 4-1 所示为 EVM 原理图。

GUID-3AA30B39-01AF-4D3F-8840-F99A7C5D3A15-low.gif图 4-1 TPS543C20EVM-869 原理图