ZHCSMR0B May   2020  – May 2022 DRV8932

PRODUCTION DATA  

  1. 特性
  2. 应用
  3. 说明
  4. 修订历史记录
  5. 引脚配置和功能
    1.     引脚功能
  6. 规格
    1. 6.1 绝对最大额定值
    2. 6.2 ESD 等级
    3. 6.3 建议运行条件
    4. 6.4 热性能信息
    5. 6.5 电气特性
    6. 6.6 典型特性
  7. 详细说明
    1. 7.1 概述
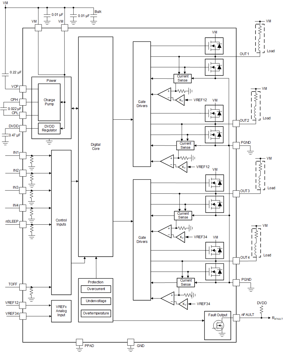
    2. 7.2 功能方框图
    3. 7.3 特性说明
      1. 7.3.1 电桥控制
      2. 7.3.2 电流调节
      3. 7.3.3 衰减模式
        1. 7.3.3.1 消隐时间
      4. 7.3.4 电荷泵
      5. 7.3.5 线性稳压器
      6. 7.3.6 逻辑和四电平引脚图
        1. 7.3.6.1 nFAULT 引脚
      7. 7.3.7 保护电路
        1. 7.3.7.1 VM 欠压锁定 (UVLO)
        2. 7.3.7.2 VCP 欠压锁定 (CPUV)
        3. 7.3.7.3 过流保护 (OCP)
        4. 7.3.7.4 热关断 (OTSD)
        5. 7.3.7.5 故障条件汇总
    4. 7.4 器件功能模式
      1. 7.4.1 睡眠模式 (nSLEEP = 0)
      2. 7.4.2 工作模式 (nSLEEP = 1)
      3. 7.4.3 nSLEEP 复位脉冲
      4. 7.4.4 功能模式汇总
  8. 应用和实施
    1. 8.1 应用信息
    2. 8.2 典型应用
      1. 8.2.1 设计要求
      2. 8.2.2 详细设计过程
        1. 8.2.2.1 电流调节
        2. 8.2.2.2 功率损耗和热量计算
        3. 8.2.2.3 应用曲线
  9. 电源相关建议
    1. 9.1 大容量电容
  10. 10布局
    1. 10.1 布局指南
      1. 10.1.1 布局示例
  11. 11器件和文档支持
    1. 11.1 文档支持
      1. 11.1.1 相关文档
    2. 11.2 接收文档更新通知
    3. 11.3 社区资源
    4. 11.4 商标
  12. 12机械、封装和可订购信息

功能方框图

GUID-4909F760-8189-45D3-855B-7A70FD2873CC-low.gif图 7-1 DRV8932 方框图