ZHCSM48A December   2020  – April 2021 AMC3306M05

PRODUCTION DATA  

  1. 特性
  2. 应用
  3. 说明
  4. Revision History
  5. Pin Configuration and Functions
  6. Specifications
    1. 6.1  Absolute Maximum Ratings
    2. 6.2  ESD Ratings
    3. 6.3  Recommended Operating Conditions
    4. 6.4  Thermal Information
    5. 6.5  Power Ratings
    6. 6.6  Insulation Specifications
    7. 6.7  Safety-Related Certifications
    8. 6.8  Safety Limiting Values
    9. 6.9  Electrical Characteristics
    10. 6.10 Switching Characteristics
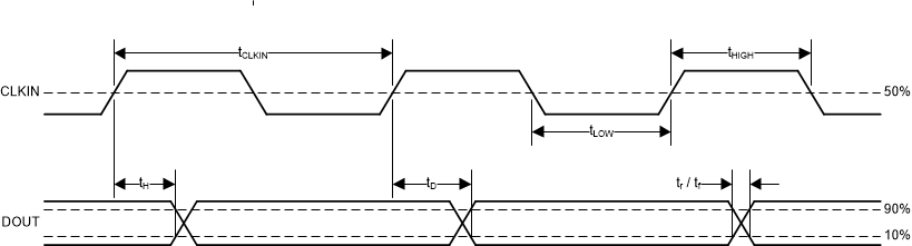
    11. 6.11 Timing Diagrams
    12. 6.12 Insulation Characteristics Curves
    13. 6.13 Typical Characteristics
  7. Detailed Description
    1. 7.1 Overview
    2. 7.2 Functional Block Diagram
    3. 7.3 Feature Description
      1. 7.3.1 Analog Input
      2. 7.3.2 Modulator
      3. 7.3.3 Isolation Channel Signal Transmission
      4. 7.3.4 Digital Output
        1. 7.3.4.1 Output Behavior in Case of a Full-Scale Input
        2. 7.3.4.2 Output Behavior in Case of a High-Side Supply Failure
      5. 7.3.5 Isolated DC/DC Converter
      6. 7.3.6 Diagnostic Output
    4. 7.4 Device Functional Modes
  8. Application and Implementation
    1. 8.1 Application Information
      1. 8.1.1 Digital Filter Usage
    2. 8.2 Typical Application
      1. 8.2.1 Solar Inverter Application
        1. 8.2.1.1 Design Requirements
        2. 8.2.1.2 Detailed Design Procedure
          1. 8.2.1.2.1 Shunt Resistor Sizing
          2. 8.2.1.2.2 Input Filter Design
          3. 8.2.1.2.3 Bitstream Filtering
        3. 8.2.1.3 Application Curve
      2. 8.2.2 What To Do and What Not To Do
  9. Power Supply Recommendations
  10. 10Layout
    1. 10.1 Layout Guidelines
    2. 10.2 Layout Example
  11. 11Device and Documentation Support
    1. 11.1 Device Support
      1. 11.1.1 Device Nomenclature
        1. 11.1.1.1 Isolation Glossary
    2. 11.2 Documentation Support
      1. 11.2.1 Related Documentation
    3. 11.3 接收文档更新通知
    4. 11.4 支持资源
    5. 11.5 Trademarks
    6. 11.6 静电放电警告
    7. 11.7 术语表
  12. 12Mechanical, Packaging, and Orderable Information

Timing Diagrams

GUID-20201127-CA0I-0LVQ-XCLD-WHT30HKNWCX8-low.gif Figure 6-1 Digital Interface Timing
GUID-20201127-CA0I-MMP2-RQJS-5KGP3RBR0P3V-low.gif Figure 6-2 Device Startup Timing