ZHCSM11A October   2020  – May 2024 TMUX1575

PRODUCTION DATA  

  1.   1
  2. 特性
  3. 应用
  4. 说明
  5. Pin Configuration and Functions
    1.     Pin Functions
  6. Specifications
    1. 5.1 Absolute Maximum Ratings
    2. 5.2 ESD Ratings
    3. 5.3 Recommended Operating Conditions
    4. 5.4 Thermal Information
    5. 5.5 Electrical Characteristics
    6. 5.6 Dynamic Characteristics
    7. 5.7 Timing Requirements
    8. 5.8 Typical Characteristics
  7. Parameter Measurement Information
    1. 6.1  On-Resistance
    2. 6.2  Off-Leakage Current
    3. 6.3  On-Leakage Current
    4. 6.4  IPOFF Leakage Current
    5. 6.5  Transition Time
    6. 6.6  tON (EN) and tOFF (EN) Time
    7. 6.7  Break-Before-Make Delay
    8. 6.8  Charge Injection
    9. 6.9  Off Isolation
    10. 6.10 Channel-to-Channel Crosstalk
    11. 6.11 Bandwidth
  8. Detailed Description
    1. 7.1 Overview
    2. 7.2 Functional Block Diagram
    3. 7.3 Feature Description
      1. 7.3.1 Bidirectional Operation
      2. 7.3.2 Beyond Supply Operation
      3. 7.3.3 1.2V Logic Compatible Inputs
      4. 7.3.4 Powered-off Protection
      5. 7.3.5 Fail-Safe Logic
      6. 7.3.6 Integrated Pull-Down Resistors
    4. 7.4 Device Functional Modes
      1. 7.4.1 Truth Tables
  9. Application and Implementation
    1. 8.1 Typical Application
      1. 8.1.1 Design Requirements
      2. 8.1.2 Detailed Design Procedure
    2. 8.2 Power Supply Recommendations
    3. 8.3 Layout
      1. 8.3.1 Layout Guidelines
      2. 8.3.2 Layout Example
  10. Device and Documentation Support
    1. 9.1 Documentation Support
      1. 9.1.1 Related Documentation
    2. 9.2 接收文档更新通知
    3. 9.3 支持资源
    4. 9.4 Trademarks
    5. 9.5 静电放电警告
    6. 9.6 术语表
  11. 10Revision History
  12. 11Mechanical, Packaging, and Orderable Information
    1. 11.1 Mechanical Data

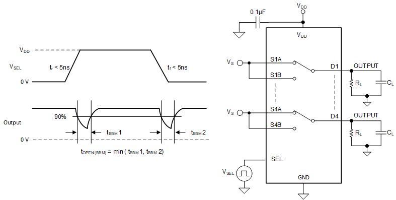
Break-Before-Make Delay

Break-before-make delay is a safety feature that prevents two inputs from connecting when the device is switching. The output first breaks from the on-state switch before making the connection with the next on-state switch. The time delay between the break and the make is known as break-before-make delay. Figure 6-7 shows the setup used to measure break-before-make delay, denoted by the symbol tOPEN(BBM).

TMUX1575 Break-Before-Make Delay Measurement Setup Figure 6-7 Break-Before-Make Delay Measurement Setup