ZHCSLK6B July   2021  – February 2025 TPS1HC100-Q1

PRODUCTION DATA  

  1.   1
  2. 特性
  3. 应用
  4. 说明
  5. Pin Configuration and Functions
    1. 4.1 Recommended Connections for Unused Pins
  6. Specifications
    1. 5.1 Absolute Maximum Ratings
    2. 5.2 ESD Ratings
    3. 5.3 Recommended Operating Conditions
    4. 5.4 Thermal Information
    5. 5.5 Electrical Characteristics
    6. 5.6 SNS Timing Characteristics
    7. 5.7 Switching Characteristics
    8. 5.8 Typical Characteristics
  7. Parameter Measurement Information
  8. Detailed Description
    1. 7.1 Overview
    2. 7.2 Functional Block Diagram
    3. 7.3 Feature Description
      1. 7.3.1 Accurate Current Sense
      2. 7.3.2 Programmable Current Limit
        1. 7.3.2.1 Capacitive Charging
      3. 7.3.3 Inductive-Load Switching-Off Clamp
      4. 7.3.4 Full Protections and Diagnostics
        1. 7.3.4.1  Short-Circuit and Overload Protection
        2. 7.3.4.2  Open-Load and Short-to-Battery Detection
        3. 7.3.4.3  Short-to-Battery Detection
        4. 7.3.4.4  Reverse-Polarity and Battery Protection
        5. 7.3.4.5  Latch-Off Mode
        6. 7.3.4.6  Thermal Protection Behavior
        7. 7.3.4.7  UVLO Protection
        8. 7.3.4.8  Loss of GND Protection
        9. 7.3.4.9  Loss of Power Supply Protection
        10. 7.3.4.10 Reverse Current Protection
        11. 7.3.4.11 Protection for MCU I/Os
      5. 7.3.5 Diagnostic Enable Function
    4. 7.4 Device Functional Modes
      1. 7.4.1 Working Mode
  9. Application and Implementation
    1. 8.1 Application Information
    2. 8.2 Typical Application
      1. 8.2.1 Design Requirements
      2. 8.2.2 Detailed Design Procedure
        1. 8.2.2.1 Dynamically Changing Current Limit
        2. 8.2.2.2 AEC Q100-012 Test Grade A Certification
        3. 8.2.2.3 EMC Transient Disturbances Test
      3. 8.2.3 Application Curves
    3. 8.3 Power Supply Recommendations
    4. 8.4 Layout
      1. 8.4.1 Layout Guidelines
      2. 8.4.2 Layout Example
        1. 8.4.2.1 Without a GND Network
        2. 8.4.2.2 With a GND Network
      3. 8.4.3 Thermal Considerations
  10. Device and Documentation Support
    1. 9.1 Documentation Support
      1. 9.1.1 Related Documentation
    2. 9.2 接收文档更新通知
    3. 9.3 支持资源
    4. 9.4 Trademarks
    5. 9.5 静电放电警告
    6. 9.6 术语表
  11. 10Revision History
  12. 11Mechanical, Packaging, and Orderable Information

Parameter Measurement Information

TPS1HC100-Q1 Parameter Definitions Figure 6-1 Parameter Definitions
TPS1HC100-Q1 Switching Characteristics Definitions
Rise and fall time of VEN is 100 ns.
Figure 6-2 Switching Characteristics Definitions
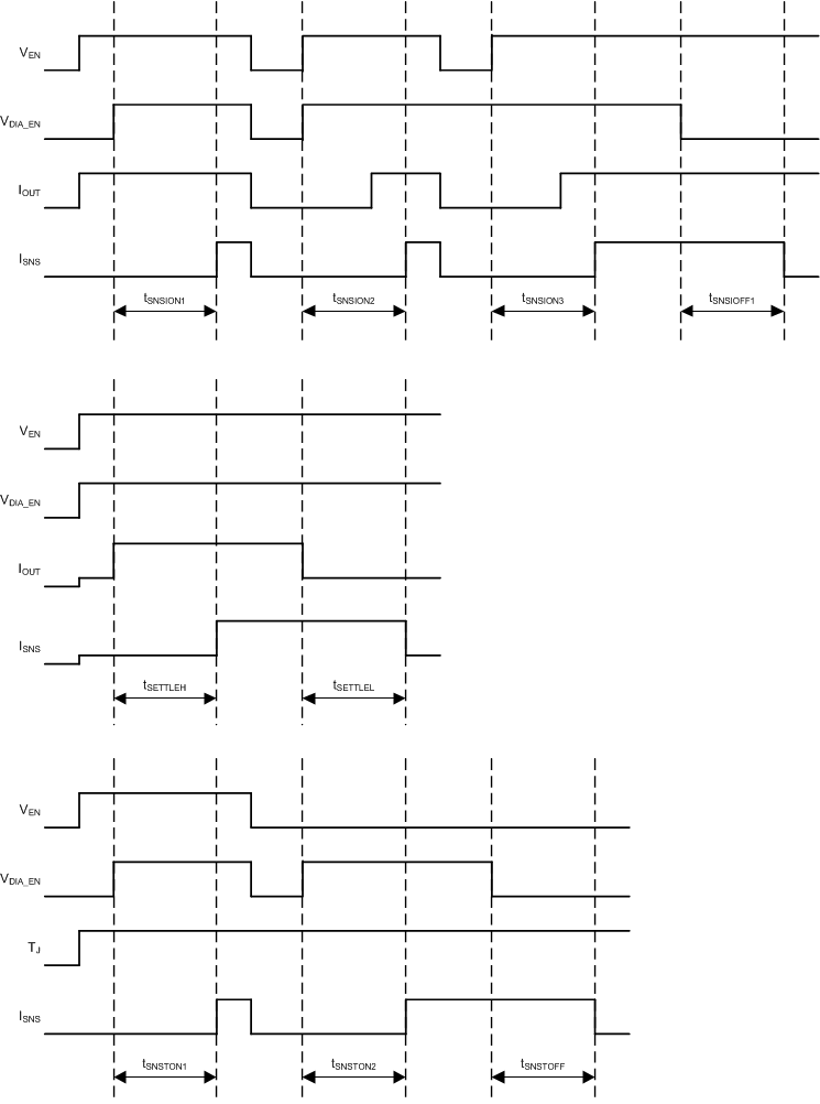
TPS1HC100-Q1 SNS
                        Timing Characteristics Definitions
Rise and fall times of control signals are 100 ns. Control signals include: EN, DIA_EN.
Figure 6-3 SNS Timing Characteristics Definitions