ZHCSJR9A May   2019  – November 2019 AMC1035-Q1

PRODUCTION DATA.  

  1. 特性
  2. 应用
  3. 说明
    1.     Device Images
      1.      应用示例
  4. 修订历史记录
  5. Pin Configuration and Functions
    1.     Pin Functions
  6. Specifications
    1. 6.1      Absolute Maximum Ratings
    2. 6.2      ESD Ratings Automotive
    3. Table 1. Recommended Operating Conditions
    4. 6.3      Thermal Information
    5. 6.4      Electrical Characteristics
    6. 6.5      Switching Characteristics
    7. 6.6      Typical Characteristics
  7. Detailed Description
    1. 7.1 Overview
    2. 7.2 Functional Block Diagram
    3. 7.3 Feature Description
      1. 7.3.1 Analog Input
      2. 7.3.2 Modulator
      3. 7.3.3 Reference Output
      4. 7.3.4 Clock Input
      5. 7.3.5 Digital Output
      6. 7.3.6 Manchester Coding Feature
    4. 7.4 Device Functional Modes
      1. 7.4.1 Output Behavior in Case of a Full-Scale Input
      2. 7.4.2 Fail-Safe Output
  8. Application and Implementation
    1. 8.1 Application Information
      1. 8.1.1 Digital Filter Usage
    2. 8.2 Typical Applications
      1. 8.2.1 Voltage Sensing
        1. 8.2.1.1 Design Requirements
        2. 8.2.1.2 Detailed Design Procedure
        3. 8.2.1.3 Application Curve
      2. 8.2.2 IGBT Temperature Sensing
      3. 8.2.3 What to Do and What Not to Do
  9. Power Supply Recommendations
  10. 10Layout
    1. 10.1 Layout Guidelines
    2. 10.2 Layout Example
  11. 11器件和文档支持
    1. 11.1 文档支持
      1. 11.1.1 相关文档
    2. 11.2 接收文档更新通知
    3. 11.3 社区资源
    4. 11.4 商标
    5. 11.5 静电放电警告
    6. 11.6 Glossary
  12. 12机械、封装和可订购信息

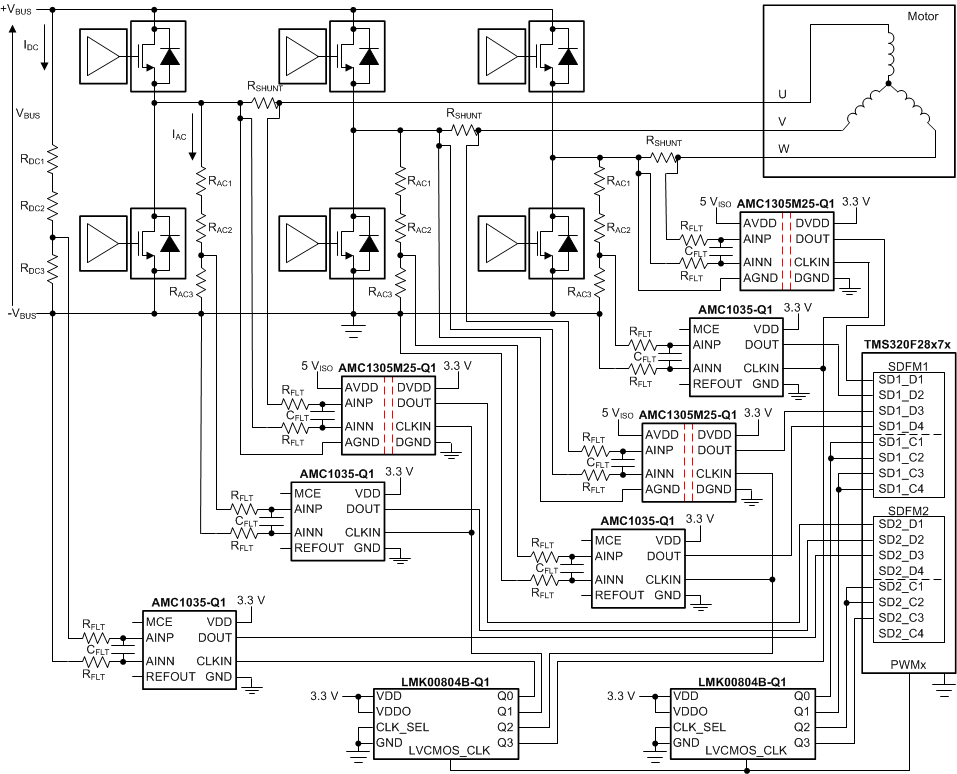
Voltage Sensing

ΔΣ modulators are widely used in high-efficiency systems because of their high AC and DC performance. In automotive applications, the AMC1035-Q1 can be used in traction inverters, on-board chargers, DC/DC converters, and as parts of integrated power modules.

Figure 45 shows a simplified schematic of a traction inverter application with the AMC1035-Q1 used for the DC-link and output phase voltage sensing. In this example, all resistive dividers reference to the negative DC-link voltage that is also used as a ground reference point for the microcontroller. An additional fifth AMC1035-Q1 can be used for temperature sensing of the insulated-gate bipolar transistor (IGBT) module; see the IGBT Temperature Sensing section for more details.

Current feedback is performed with shunt resistors (RSHUNT) and TI's AMC1305M25-Q1 isolated modulators. Depending on the system design, either all three or only two motor phase currents are sensed.

Depending on the overall digital processing power requirements, and with a total of eight ΔΣ modulator bitstreams to be processed by the MCU, a derivate from either the low-cost single-core TMS320F2807x or the dual-core TMS320F2837x families can be used in this application.

AMC1035-Q1 ai_inv_bas941.gifFigure 45. The AMC1035-Q1 in a Traction Inverter Application