ZHCSJ10B September   2006  – November 2018 TPS2376-H

PRODUCTION DATA.  

  1. 特性
  2. 应用
  3. 说明
    1.     Device Images
      1.      典型应用电路
  4. 修订历史记录
  5. Device Comparison Table
  6. Pin Configuration and Functions
    1.     Pin Functions
  7. Specifications
    1. 7.1 Absolute Maximum Ratings
    2. 7.2 ESD Ratings
    3. 7.3 ESD Ratings IEC
    4. 7.4 Recommended Operating Conditions
    5. 7.5 Thermal Information
    6. 7.6 Electrical Characteristics
    7. 7.7 Typical Characteristics
  8. Detailed Description
    1. 8.1 Overview
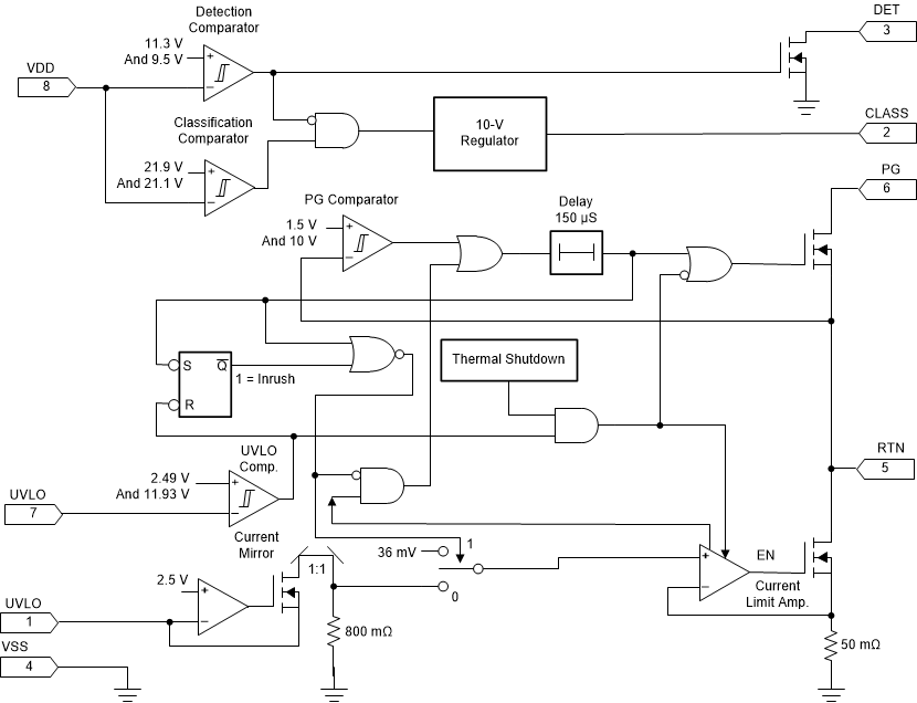
    2. 8.2 Functional Block Diagram
    3. 8.3 Feature Description
      1. 8.3.1 Undervoltage Lockout (UVLO)
      2. 8.3.2 Programmable Inrush Current Limit and Fixed Operational Current Limit
      3. 8.3.3 Power Good
  9. Application and Implementation
    1. 9.1 Application Information
      1. 9.1.1 Internal Thresholds
      2. 9.1.2 Detection
      3. 9.1.3 Classification
    2. 9.2 Typical Application
      1. 9.2.1 External Components
        1. 9.2.1.1 Detection Resistor and UVLO Divider
        2. 9.2.1.2 Magnetics
        3. 9.2.1.3 Input Diodes or Diode Bridges
        4. 9.2.1.4 Input Capacitor
        5. 9.2.1.5 Load Capacitor
        6. 9.2.1.6 Transient Suppressor
  10. 10Power Supply Recommendations
    1. 10.1 Maintain Power Signature
    2. 10.2 DC/DC Converter Startup
    3. 10.3 Auxiliary Power Source ORing
  11. 11Layout
    1. 11.1 Layout Guidelines
    2. 11.2 Layout Example
    3. 11.3 Thermal Protection
    4. 11.4 ESD
  12. 12器件和文档支持
    1. 12.1 文档支持
      1. 12.1.1 相关文档
    2. 12.2 接收文档更新通知
    3. 12.3 社区资源
    4. 12.4 商标
    5. 12.5 静电放电警告
    6. 12.6 术语表
  13. 13机械、封装和可订购信息

Functional Block Diagram

TPS2376-H fbd_lvs646.gif