ZHCSHU6L march   2018  – august 2023 BQ77915

PRODUCTION DATA  

  1.   1
  2. 特性
  3. 应用
  4. 说明
  5. Revision History
  6. 说明(续)
  7. Device Comparison Table
  8. Pin Configuration and Functions
  9. Specifications
    1. 8.1 Absolute Maximum Ratings
    2. 8.2 ESD Ratings
    3. 8.3 Recommended Operating Conditions
    4. 8.4 Thermal Information
    5. 8.5 Electrical Characteristics
    6. 8.6 Typical Characteristics
  10. Detailed Description
    1. 9.1 Overview
      1. 9.1.1 Device Functionality Summary
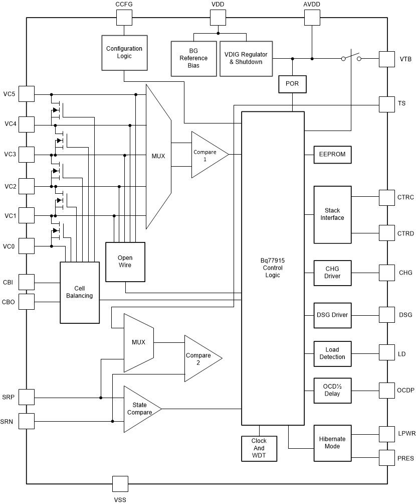
    2. 9.2 Functional Block Diagram
    3. 9.3 Feature Description
      1. 9.3.1  Protection Summary
      2. 9.3.2  Fault Operation
        1. 9.3.2.1  Operation in OV
        2. 9.3.2.2  Operation in UV
        3. 9.3.2.3  Operation in OW
        4. 9.3.2.4  Operation in OCD1
        5. 9.3.2.5  Operation in OCD2
        6. 9.3.2.6  Programming the OCD1/2 Delay Using the OCDP Pin
        7. 9.3.2.7  Operation in SCD
        8. 9.3.2.8  Operation in OCC
        9. 9.3.2.9  Overcurrent Recovery Timer
        10. 9.3.2.10 Load Detection and Load Removal Detection
        11. 9.3.2.11 Operation in OTC
        12. 9.3.2.12 Operation in OTD
        13. 9.3.2.13 Operation in UTC
        14. 9.3.2.14 Operation in UTD
      3. 9.3.3  Protection Response and Recovery Summary
      4. 9.3.4  Cell Balancing
      5. 9.3.5  HIBERNATE Mode Operation
      6. 9.3.6  Configuration CRC Check and Comparator Built-In-Self-Test
      7. 9.3.7  Fault Detection Method
        1. 9.3.7.1 Filtered Fault Detection
      8. 9.3.8  State Comparator
      9. 9.3.9  DSG FET Driver Operation
      10. 9.3.10 CHG FET Driver Operation
      11. 9.3.11 External Override of CHG and DSG Drivers
      12. 9.3.12 Configuring 3-Series, 4-Series, or 5-Series Modes
      13. 9.3.13 Stacking Implementations
      14. 9.3.14 Zero-Volt Battery Charging Inhibition
    4. 9.4 Device Functional Modes
      1. 9.4.1 Power Modes
        1. 9.4.1.1 Power On Reset (POR)
        2. 9.4.1.2 NORMAL Mode
        3. 9.4.1.3 FAULT Mode
        4. 9.4.1.4 HIBERNATE Mode
        5. 9.4.1.5 SHUTDOWN Mode
        6. 9.4.1.6 Customer Fast Production Test Modes
  11. 10Application and Implementation
    1. 10.1 Application Information
      1. 10.1.1 Recommended System Implementation
        1. 10.1.1.1 CHG and DSG FET Rise and Fall Time
        2. 10.1.1.2 Protecting CHG and LD
        3. 10.1.1.3 Protecting the CHG FET
        4. 10.1.1.4 Using Load Detect for UV Fault Recovery
        5. 10.1.1.5 Temperature Protection
        6. 10.1.1.6 Adding RC Filters to the Sense Resistor
        7. 10.1.1.7 Using the State Comparator in an Application
          1. 10.1.1.7.1 Examples
    2. 10.2 Typical Application
      1. 10.2.1 Design Requirements
      2. 10.2.2 Detailed Design Procedure
        1. 10.2.2.1 Design Example
      3. 10.2.3 Application Curves
  12. 11Power Supply Recommendations
  13. 12Layout
    1. 12.1 Layout Guidelines
    2. 12.2 Layout Example
  14. 13Device and Documentation Support
    1. 13.1 第三方产品免责声明
    2. 13.2 Documentation Support
      1. 13.2.1 Related Documentation
    3. 13.3 接收文档更新通知
    4. 13.4 支持资源
    5. 13.5 Trademarks
    6. 13.6 静电放电警告
    7. 13.7 术语表
  15. 14Mechanical, Packaging, and Orderable Information

Functional Block Diagram

GUID-E91CF8D2-0B96-43B2-BE4A-808958AAAE19-low.gif