ZHCSH77D June   2017  – May 2019 DAC8740H , DAC8741H

PRODUCTION DATA.  

  1. 特性
  2. 应用
  3. 说明
    1.     Device Images
      1.      简化原理图
  4. 修订历史记录
  5. Device Comparison Table
  6. Pin Configuration and Functions
    1.     Pin Functions: DAC8740H
    2.     Pin Functions: DAC8741H
  7. Specifications
    1. 7.1 Absolute Maximum Ratings
    2. 7.2 ESD Ratings
    3. 7.3 Recommended Operating Conditions
    4. 7.4 Thermal Information
    5. 7.5 Electrical Characteristics
    6. 7.6 Timing Requirements
    7. 7.7 Typical Characteristics
  8. Detailed Description
    1. 8.1 Overview
    2. 8.2 Functional Block Diagram
    3. 8.3 Feature Description
      1. 8.3.1  HART Modulator
      2. 8.3.2  HART Demodulator
      3. 8.3.3  FOUNDATION Fieldbus or PROFIBUS PA Manchester Encoder
      4. 8.3.4  FOUNDATION Fieldbus or PROFIBUS PA Manchester Decoder
      5. 8.3.5  Internal Reference
      6. 8.3.6  Clock Configuration
      7. 8.3.7  Reset and Power-Down
      8. 8.3.8  Full-Duplex Mode
      9. 8.3.9  I/O Selection
      10. 8.3.10 Jabber Inhibitor
    4. 8.4 Device Functional Modes
      1. 8.4.1 UART Interfaced HART
      2. 8.4.2 UART Interfaced FOUNDATION Fieldbus or PROFIBUS PA
      3. 8.4.3 SPI Interfaced HART
      4. 8.4.4 SPI Interfaced FOUNDATION Fieldbus or PROFIBUS PA
      5. 8.4.5 Digital Interface
        1. 8.4.5.1 UART
          1. 8.4.5.1.1 UART Carrier Detect
        2. 8.4.5.2 SPI
          1. 8.4.5.2.1 SPI Cyclic Redundancy Check
          2. 8.4.5.2.2 SPI Interrupt Request
    5. 8.5 Register Maps
      1. 8.5.1 CONTROL Register (Offset = 2h) [reset = 0x8042]
        1. Table 9. CONTROL Register Field Descriptions
      2. 8.5.2 RESET Register (Offset = 7h) [reset = 0x0000]
        1. Table 10. RESET Register Field Descriptions
      3. 8.5.3 MODEM_STATUS Register (Offset = 20h) [reset = 0x0000]
        1. Table 11. MODEM_STATUS Register Field Descriptions
      4. 8.5.4 MODEM_IRQ_MASK Register (Offset = 21h) [reset = 0x0024]
        1. Table 12. MODEM_IRQ_MASK Register Field Descriptions
      5. 8.5.5 MODEM_CONTROL Register (Offset = 22h) [reset = 0x0048]
        1. Table 13. MODEM_CONTROL Register Field Descriptions
      6. 8.5.6 FIFO_D2M Register (Offset = 23h) [reset = 0x0200]
        1. Table 14. FIFO_D2M Register Field Descriptions
      7. 8.5.7 FIFO_M2D Register (Offset = 24h) [reset = 0x0200]
        1. Table 15. FIFO_M2D Register Field Descriptions
      8. 8.5.8 FIFO_LEVEL_SET Register (Offset = 25h) [reset = 0x0000]
        1. Table 16. FIFO_LEVEL_SET Register Field Descriptions
      9. 8.5.9 PAFF_JABBER Register (Offset = 27h) [reset = 0x0000]
        1. Table 17. PAFF_JABBER Register Field Descriptions
  9. Application and Implementation
    1. 9.1 Application Information
      1. 9.1.1 Design Recommendations
      2. 9.1.2 Selecting the Crystal or Resonator
      3. 9.1.3 Included Functions and Filter Selection
    2. 9.2 Typical Application
      1. 9.2.1 Design Requirements
      2. 9.2.2 Detailed Design Procedure
        1. 9.2.2.1 DAC8740H HART Modem
        2. 9.2.2.2 2-Wire Current Loop
        3. 9.2.2.3 Regulator
        4. 9.2.2.4 DAC
        5. 9.2.2.5 Amplifiers
        6. 9.2.2.6 Diodes
        7. 9.2.2.7 Passives
      3. 9.2.3 Application Curves
  10. 10Power Supply Recommendations
  11. 11Layout
    1. 11.1 Layout Guidelines
    2. 11.2 Layout Example
  12. 12器件和文档支持
    1. 12.1 文档支持
      1. 12.1.1 相关文档
    2. 12.2 相关链接
    3. 12.3 接收文档更新通知
    4. 12.4 社区资源
    5. 12.5 商标
    6. 12.6 静电放电警告
    7. 12.7 Glossary
  13. 13机械、封装和可订购信息

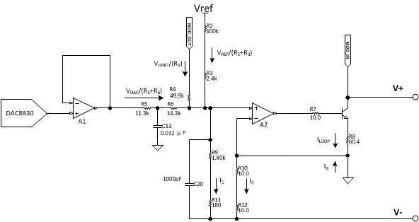
DAC8740H HART Modem

In this design, the DAC8740H internal reference and band-pass filter was chosen to optimize board area, consequently reducing form factor and cost. X7R, 10% accurate, bypass capacitances of 1-µF and 0.1-µF values were chosen for the reference and supplies, respectively.

The DAC8740H device interfaces with the MSP430FR5969, or other similar host controller, through a standard UART interface. The DAC8740H digital pins connected through this interface include UART_RTS, UART_OUT (TX), UART_IN (RX), and CD.

The remaining portion of the schematic includes other TI devices that aid in the realization of a highly accurate 4-mA to 20-mA, 2-wire transmitter. This combination of circuitry is an excellent choice for remote signal conditioning of a wide variety of sensors and transducers, including thermocouples, RTDs, thermistors, and strain gauge bridges.

The two-wire transmitter is powered from an external DC power supply that is connected via the two BUS supply lines. The transmitter communicates by sourcing a 4-mA to 20-mA current through the connected bus, and back to the central host, which is typically a PLC analog input module. This expressed range of 4 mA to 20 mA is typically employed to adhere to industry standard, and makes sure that the transmitter receives a minimum of 4 mA for correct powered operation.

DAC8740H DAC8741H SBAS_AppsSCH.gifFigure 35. Simplified Schematic of the 2-Wire Current Loop