ZHCSFF5G July   2016  – December  2019 TPS2660

PRODUCTION DATA.  

  1. 特性
  2. 应用
    1.     简化电路原理图
  3. 说明
    1.     –60V 电源时的反向输入极性保护
  4. 修订历史记录
  5. Device Comparison Table
  6. Pin Configuration and Functions
    1.     Pin Functions
  7. Specifications
    1. 7.1 Absolute Maximum Ratings
    2. 7.2 ESD Ratings
    3. 7.3 Recommended Operating Conditions
    4. 7.4 Thermal Information
    5. 7.5 Electrical Characteristics
    6. 7.6 Timing Requirements
    7. 7.7 Typical Characteristics
  8. Parameter Measurement Information
  9. Detailed Description
    1. 9.1 Overview
    2. 9.2 Functional Block Diagram
    3. 9.3 Feature Description
      1. 9.3.1 Undervoltage Lockout (UVLO)
      2. 9.3.2 Overvoltage Protection (OVP)
      3. 9.3.3 Reverse Input Supply Protection
      4. 9.3.4 Hot Plug-In and In-Rush Current Control
      5. 9.3.5 Overload and Short Circuit Protection
        1. 9.3.5.1 Overload Protection
          1. 9.3.5.1.1 Active Current Limiting
          2. 9.3.5.1.2 Electronic Circuit Breaker with Overload Timeout, MODE = OPEN
        2. 9.3.5.2 Short Circuit Protection
          1. 9.3.5.2.1 Start-Up With Short-Circuit On Output
        3. 9.3.5.3 FAULT Response
          1. 9.3.5.3.1 Look Ahead Overload Current Fault Indicator
        4. 9.3.5.4 Current Monitoring
        5. 9.3.5.5 IN, OUT, RTN, and GND Pins
        6. 9.3.5.6 Thermal Shutdown
        7. 9.3.5.7 Low Current Shutdown Control (SHDN)
    4. 9.4 Device Functional Modes
  10. 10Application and Implementation
    1. 10.1 Application Information
    2. 10.2 Typical Application
      1. 10.2.1 Design Requirements
      2. 10.2.2 Detailed Design Procedure
        1. 10.2.2.1 Step by Step Design Procedure
        2. 10.2.2.2 Programming the Current-Limit Threshold—R(ILIM) Selection
        3. 10.2.2.3 Undervoltage Lockout and Overvoltage Set Point
        4. 10.2.2.4 Programming Current Monitoring Resistor—RIMON
        5. 10.2.2.5 Setting Output Voltage Ramp Time—(tdVdT)
          1. 10.2.2.5.1 Case 1: Start-Up Without Load—Only Output Capacitance C(OUT) Draws Current During Start-Up
          2. 10.2.2.5.2 Case 2: Start-Up With Load—Output Capacitance C(OUT) and Load Draws Current During Start-Up
          3. 10.2.2.5.3 Support Component Selections—RFLTb and C(IN)
      3. 10.2.3 Application Curves
    3. 10.3 System Examples
      1. 10.3.1 Acive ORing Operation
      2. 10.3.2 Field Supply Protection in PLC, DCS I/O Modules
      3. 10.3.3 Simple 24-V Power Supply Path Protection
    4. 10.4 Do's and Don'ts
  11. 11Power Supply Recommendations
    1. 11.1 Transient Protection
  12. 12Layout
    1. 12.1 Layout Guidelines
    2. 12.2 Layout Example
  13. 13器件和文档支持
    1. 13.1 器件支持
    2. 13.2 文档支持
      1. 13.2.1 相关文档
    3. 13.3 接收文档更新通知
    4. 13.4 社区资源
    5. 13.5 商标
    6. 13.6 静电放电警告
    7. 13.7 Glossary
  14. 14机械、封装和可订购信息

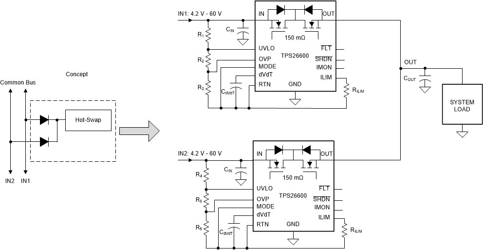
Acive ORing Operation

TPS2660 active_oring_app_SLVDG2.gifFigure 64. Active ORing Application Schematic

Figure 64 shows a typical redundant power supply configuration of the system. Schottky ORing diodes have been popular for connecting parallel power supplies, such as parallel operation of wall adapter with a battery or a hold-up storage capacitor. The disadvantage of using ORing diodes is high voltage drop and associated power loss. The TPS2660x with integrated, N-channel back to back FETs provide a simple and efficient solution.

A fast reverse comparator controls the internal FET and it is turned ON or OFF with hysteresis as shown in Figure 65. The internal FET is turned off within 1.5 μs (typical) as soon as V(IN) – V(OUT) falls below –110 mV. It turns on within 40 µs (typical) once the differential forward voltage V(IN) – V(OUT) exceeds 100 mV. Figure 66 and Figure 67 show typical switch-over waveforms of Active ORing implementation using the TPS26600.

TPS2660 activeoring_thresholds_SLVSDG2.gifFigure 65. Active ORing Thresholds
TPS2660 OR1.png
VIN1 = 22 V Cout = 47 μF Rload = 24 Ω
VIN2: Plugged In at 24 V C(dVdT) = 22 nF
Figure 66. Active ORing Between Two Supplies VOUT Change Over to VIN2
TPS2660 OR3.png
VIN1 = 22 V Cout = 47 μF Rload = 24 Ω
VIN2: Plugged Out C(dVdT) = 22 nF
Figure 67. Active ORing Between Two Supplies VOUT Change Over to VIN1

NOTE

All control pins of the un-powered TPS2660x device in the Active ORing configuration will measure approximately 0.7 V drop with respect to GND. The system micro-controller should ignore IMON and FLT pin voltage measurements of this device when these signals are being monitored.