ZHCSEO8C October   2015  – May 2017 TPS61193-Q1

PRODUCTION DATA.  

  1. 特性
  2. 应用
  3. 说明
  4. 修订历史记录
  5. 器件比较表
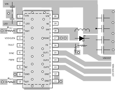
  6. Pin Configuration and Functions
  7. Specifications
    1. 7.1  Absolute Maximum Ratings
    2. 7.2  ESD Ratings
    3. 7.3  Recommended Operating Conditions
    4. 7.4  Thermal Information
    5. 7.5  Electrical Characteristics
    6. 7.6  Internal LDO Electrical Characteristics
    7. 7.7  Protection Electrical Characteristics
    8. 7.8  Current Sinks Electrical Characteristics
    9. 7.9  PWM Brightness Control Electrical Characteristics
    10. 7.10 Boost and SEPIC Converter Characteristics
    11. 7.11 Logic Interface Characteristics
    12. 7.12 Typical Characteristics
  8. Detailed Description
    1. 8.1 Overview
    2. 8.2 Functional Block Diagram
    3. 8.3 Feature Description
      1. 8.3.1 Integrated DC-DC Converter
      2. 8.3.2 Internal LDO
      3. 8.3.3 LED Current Sinks
        1. 8.3.3.1 Output Configuration
        2. 8.3.3.2 Current Setting
        3. 8.3.3.3 Brightness Control
      4. 8.3.4 Protection and Fault Detections
        1. 8.3.4.1 Adaptive DC-DC Voltage Control and Functionality of LED Fault Comparators
        2. 8.3.4.2 Overview of the Fault/Protection Schemes
    4. 8.4 Device Functional Modes
      1. 8.4.1 Device States
  9. Application and Implementation
    1. 9.1 Application Information
    2. 9.2 Typical Applications
      1. 9.2.1 Typical Application for 3 LED Strings
        1. 9.2.1.1 Design Requirements
        2. 9.2.1.2 Detailed Design Procedure
          1. 9.2.1.2.1 Inductor Selection
          2. 9.2.1.2.2 Output Capacitor Selection
          3. 9.2.1.2.3 Input Capacitor Selection
          4. 9.2.1.2.4 LDO Output Capacitor
          5. 9.2.1.2.5 Diode
        3. 9.2.1.3 Application Curves
      2. 9.2.2 SEPIC Mode Application
        1. 9.2.2.1 Design Requirements
        2. 9.2.2.2 Detailed Design Procedure
          1. 9.2.2.2.1 Inductor
          2. 9.2.2.2.2 Diode
          3. 9.2.2.2.3 Capacitor C1
        3. 9.2.2.3 Application Curves
  10. 10Power Supply Recommendations
  11. 11Layout
    1. 11.1 Layout Guidelines
    2. 11.2 Layout Example
  12. 12器件和文档支持
    1. 12.1 器件支持
      1. 12.1.1 开发支持
    2. 12.2 文档支持
      1. 12.2.1 相关文档
    3. 12.3 接收文档更新通知
    4. 12.4 社区资源
    5. 12.5 商标
    6. 12.6 静电放电警告
    7. 12.7 Glossary
  13. 13机械、封装和可订购信息

Layout

Layout Guidelines

Figure 28 is a layout recommendation for TPS61193-Q1 used to demonstrate the principles of a good layout. This layout can be adapted to the actual application layout if or where possible. It is important that all boost components are close to the chip, and the high current traces must be wide enough. By placing boost components on one side of the chip it is easy to keep the ground plane intact below the high current paths. This way other chip pins can be routed more easily without splitting the ground plane. Bypass LDO capacitor must as close as possible to the device.

Here are some main points to help the PCB layout work:

  • Current loops need to be minimized:
    • For low frequency the minimal current loop can be achieved by placing the boost components as close as possible to the SW and PGND pins. Input and output capacitor grounds must be close to each other to minimize current loop size.
    • Minimal current loops for high frequencies can be achieved by making sure that the ground plane is intact under the current traces. High-frequency return currents find a route with minimum impedance, which is the route with minimum loop area, not necessarily the shortest path. Minimum loop area is formed when return current flows just under the positive”current route in the ground plane, if the ground plane is intact under the route.
  • The GND plane must be intact under the high current boost traces to provide shortest possible return path and smallest possible current loops for high frequencies.
  • Current loops when the boost switch is conducting and not conducting must be on the same direction in optimal case.
  • Inductors must be placed so that the current flows in the same direction as in the current loops. Rotating inductor 180° changes current direction.
  • Use separate power and noise-free grounds. Power ground is used for boost converter return current and noise-free ground for more sensitive signals, such as LDO bypass capacitor grounding as well as grounding the GND pin of the device.
  • Boost output feedback voltage to LEDs must be taken out after the output capacitors, not straight from the diode cathode.
  • Place LDO 1-µF bypass capacitor as close as possible to the LDO pin.
  • Input and output capacitors require strong grounding (wide traces, many vias to GND plane).
  • If two output capacitors are used they must have symmetrical layout to get both capacitors working ideally.
  • Output ceramic capacitors have a DC-bias effect. If the output capacitance is too low, it can cause boost to become unstable on some loads, and this increases EMI. DC-bias characteristics should be obtained from the component manufacturer; they are not taken into account on component tolerance. TI recommends X5R/X7R capacitors.

Layout Example

TPS61193-Q1 layout_SNVSAC7.gif Figure 28. TPS61193-Q1 Boost Layout