ZHCSCC8E March   2014  – July 2018 TPS92601-Q1 , TPS92602-Q1

UNLESS OTHERWISE NOTED, this document contains PRODUCTION DATA.  

  1. 特性
  2. 应用范围
  3. 说明
    1.     Device Images
      1. 3.1 典型电路原理图
  4. 修订历史记录
  5. Pin Configuration and Functions
    1.     Pin Functions
  6. Specifications
    1. 6.1 Absolute Maximum Ratings
    2. 6.2 ESD Ratings
    3. 6.3 Recommended Operating Conditions
    4. 6.4 Thermal Information
    5. 6.5 Electrical Characteristics
    6. 6.6 Typical Characteristics
  7. Detailed Description
    1. 7.1 Overview
    2. 7.2 Functional Block Diagram
    3. 7.3 Feature Description
      1. 7.3.1 Fixed-Frequency PWM Control
      2. 7.3.2 Slope-Compensation Output Current
      3. 7.3.3 Boost-Current Limit
      4. 7.3.4 Oscillator and PLL
      5. 7.3.5 Control Loop Compensation
      6. 7.3.6 LED Open-Circuit Detection
      7. 7.3.7 Output Short-Circuit and Overcurrent Detection
      8. 7.3.8 Measuring LED Current During a Non-Failure Condition
      9. 7.3.9 LED Dimming Options
        1. 7.3.9.1 Analog Dimming
        2. 7.3.9.2 PWM Dimming
    4. 7.4 Device Functional Modes
      1. 7.4.1 Undervoltage and Overvoltage Shutdown
      2. 7.4.2 Overtemperature Shutdown
      3. 7.4.3 Device State Diagram
  8. Application and Implementation
    1. 8.1 Application Information
    2. 8.2 Typical Applications
      1. 8.2.1 Boost Regulator With Separate or Paralleled Channels
        1. 8.2.1.1 Design Requirements
        2. 8.2.1.2 Detailed Design Procedure
          1. 8.2.1.2.1  Switching Frequency
          2. 8.2.1.2.2  Maximum Output-Current Set Point
          3. 8.2.1.2.3  Output Overvoltage-Protection Set Point
          4. 8.2.1.2.4  Duty Cycle Estimation
          5. 8.2.1.2.5  Inductor Selection
          6. 8.2.1.2.6  Rectifier Diode Selection
          7. 8.2.1.2.7  Output Capacitor Selection
          8. 8.2.1.2.8  Input Capacitor Selection
          9. 8.2.1.2.9  Current Sense and Current Limit
          10. 8.2.1.2.10 Switching MOSFET Selection
          11. 8.2.1.2.11 Loop Compensation
        3. 8.2.1.3 Application Curves
      2. 8.2.2 Boost-to-Battery Regulator
        1. 8.2.2.1 Design Requirements
        2. 8.2.2.2 Detailed Design Procedure
          1. 8.2.2.2.1  Switching Frequency
          2. 8.2.2.2.2  Maximum Output-Current Set Point
          3. 8.2.2.2.3  Output Overvoltage-Protection Set Point
          4. 8.2.2.2.4  Duty Cycle Estimation
          5. 8.2.2.2.5  Inductor Selection
          6. 8.2.2.2.6  Rectifier Diode Selection
          7. 8.2.2.2.7  Output Capacitor Selection
          8. 8.2.2.2.8  Input Capacitor Selection
          9. 8.2.2.2.9  Current Sense and Current Limit
          10. 8.2.2.2.10 Switching MOSFET Selection
          11. 8.2.2.2.11 Loop Compensation
        3. 8.2.2.3 TPS92602y-Q1 Application Curves
  9. Power Supply Recommendations
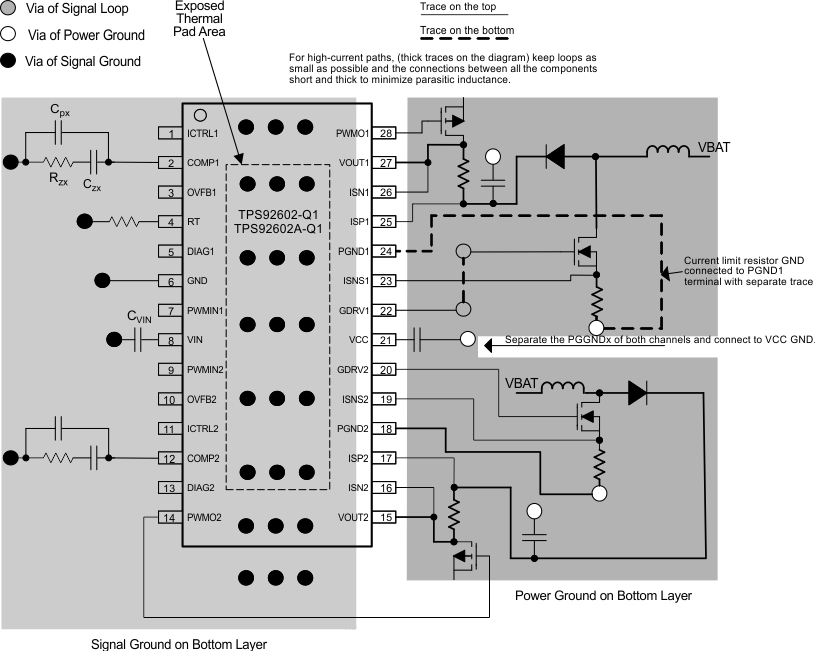
  10. 10Layout
    1. 10.1 Layout Guidelines
    2. 10.2 Layout Example
  11. 11器件和文档支持
    1. 11.1 相关链接
    2. 11.2 商标
    3. 11.3 静电放电警告
    4. 11.4 术语表
  12. 12机械、封装和可订购信息

Layout Example

TPS92601-Q1 TPS92602-Q1 layout_SLUSBP5.gifFigure 27. TPS92602y-Q1 Board Layout