ZHCSCC8E March   2014  – July 2018 TPS92601-Q1 , TPS92602-Q1

UNLESS OTHERWISE NOTED, this document contains PRODUCTION DATA.  

  1. 特性
  2. 应用范围
  3. 说明
    1.     Device Images
      1. 3.1 典型电路原理图
  4. 修订历史记录
  5. Pin Configuration and Functions
    1.     Pin Functions
  6. Specifications
    1. 6.1 Absolute Maximum Ratings
    2. 6.2 ESD Ratings
    3. 6.3 Recommended Operating Conditions
    4. 6.4 Thermal Information
    5. 6.5 Electrical Characteristics
    6. 6.6 Typical Characteristics
  7. Detailed Description
    1. 7.1 Overview
    2. 7.2 Functional Block Diagram
    3. 7.3 Feature Description
      1. 7.3.1 Fixed-Frequency PWM Control
      2. 7.3.2 Slope-Compensation Output Current
      3. 7.3.3 Boost-Current Limit
      4. 7.3.4 Oscillator and PLL
      5. 7.3.5 Control Loop Compensation
      6. 7.3.6 LED Open-Circuit Detection
      7. 7.3.7 Output Short-Circuit and Overcurrent Detection
      8. 7.3.8 Measuring LED Current During a Non-Failure Condition
      9. 7.3.9 LED Dimming Options
        1. 7.3.9.1 Analog Dimming
        2. 7.3.9.2 PWM Dimming
    4. 7.4 Device Functional Modes
      1. 7.4.1 Undervoltage and Overvoltage Shutdown
      2. 7.4.2 Overtemperature Shutdown
      3. 7.4.3 Device State Diagram
  8. Application and Implementation
    1. 8.1 Application Information
    2. 8.2 Typical Applications
      1. 8.2.1 Boost Regulator With Separate or Paralleled Channels
        1. 8.2.1.1 Design Requirements
        2. 8.2.1.2 Detailed Design Procedure
          1. 8.2.1.2.1  Switching Frequency
          2. 8.2.1.2.2  Maximum Output-Current Set Point
          3. 8.2.1.2.3  Output Overvoltage-Protection Set Point
          4. 8.2.1.2.4  Duty Cycle Estimation
          5. 8.2.1.2.5  Inductor Selection
          6. 8.2.1.2.6  Rectifier Diode Selection
          7. 8.2.1.2.7  Output Capacitor Selection
          8. 8.2.1.2.8  Input Capacitor Selection
          9. 8.2.1.2.9  Current Sense and Current Limit
          10. 8.2.1.2.10 Switching MOSFET Selection
          11. 8.2.1.2.11 Loop Compensation
        3. 8.2.1.3 Application Curves
      2. 8.2.2 Boost-to-Battery Regulator
        1. 8.2.2.1 Design Requirements
        2. 8.2.2.2 Detailed Design Procedure
          1. 8.2.2.2.1  Switching Frequency
          2. 8.2.2.2.2  Maximum Output-Current Set Point
          3. 8.2.2.2.3  Output Overvoltage-Protection Set Point
          4. 8.2.2.2.4  Duty Cycle Estimation
          5. 8.2.2.2.5  Inductor Selection
          6. 8.2.2.2.6  Rectifier Diode Selection
          7. 8.2.2.2.7  Output Capacitor Selection
          8. 8.2.2.2.8  Input Capacitor Selection
          9. 8.2.2.2.9  Current Sense and Current Limit
          10. 8.2.2.2.10 Switching MOSFET Selection
          11. 8.2.2.2.11 Loop Compensation
        3. 8.2.2.3 TPS92602y-Q1 Application Curves
  9. Power Supply Recommendations
  10. 10Layout
    1. 10.1 Layout Guidelines
    2. 10.2 Layout Example
  11. 11器件和文档支持
    1. 11.1 相关链接
    2. 11.2 商标
    3. 11.3 静电放电警告
    4. 11.4 术语表
  12. 12机械、封装和可订购信息

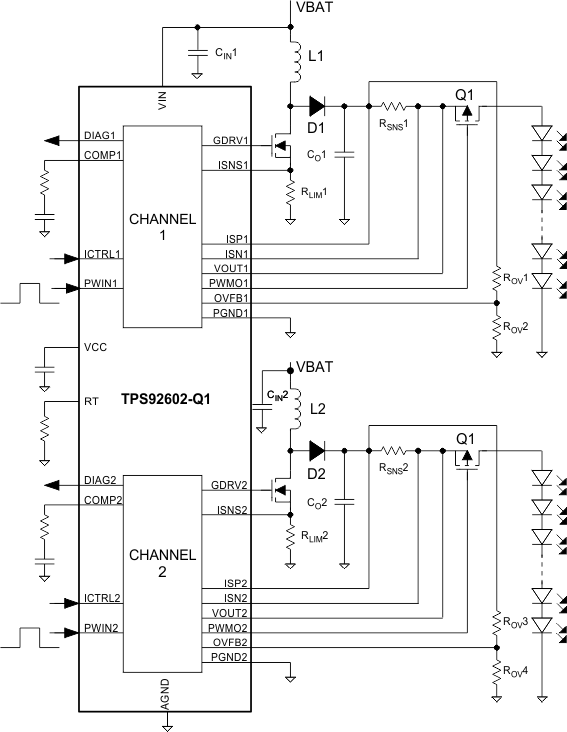
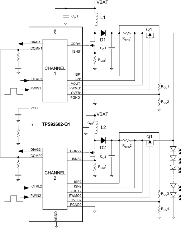
Boost Regulator With Separate or Paralleled Channels

A boost application is appropriate for a situation where V(VIN) is from 9 V to 16 V and LED forward voltage is always higher than battery the battery voltage. One can use the boost-regulator topology with each channel driving a separate LED string. For higher-current applications, connect both channels in parallel to drive a single LED string. The per-channel design parameters and calculations are the same in either case.

TPS92601-Q1 TPS92602-Q1 boost_reg_SLUSBP5.gifFigure 14. Boost Regulator (VIN < VO) Simplified Schematic, Separate Channels
TPS92601-Q1 TPS92602-Q1 parallel_reg_SLUSBP5.gifFigure 15. Boost Regulator (VIN < VO) Simplified Schematic, Paralleled Channels
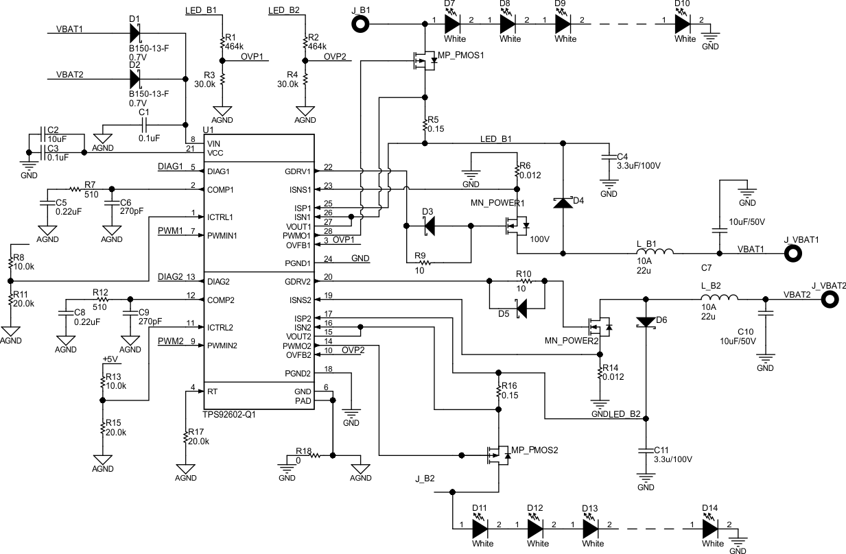
TPS92601-Q1 TPS92602-Q1 schem_2_SLUSBP5.gifFigure 16. Boost Regulator (VIN < VO) Detailed Schematic