ZHCA790B February 2018 – September 2024 ADS8588H , ADS8588S , ADS8598H , ADS8598S , ADS8688 , ADS8688W
| 输入 | ADC 输入 | 数字输出 |
|---|---|---|
| VinMin = –40V | AIN-xP = –10V AIN-xGND = 0V | -13107210 或 20000H |
| VinMax = 40V | AIN-xP = 10V AIN-xGND = 0V | 13107110 或 1FFFFH |
| AVDD | DVDD |
|---|---|
| 5V | 3.3V |
本指导设计介绍了如何扩大具有集成模拟前端 (AFE) 的 SAR ADC 的输入范围,以及如何通过实施两点校准法来降低精度损失。该设计采用了满量程范围为 ±10V 的 ADS8598H,并将可接近的输入范围扩展到了 ±40V。因此,该设计可使用更宽的输入范围,且无需额外增加模拟电路来进行降压;相应地,它使用了简单的分压器来与该器件的 AFE 进行交互,从而在该器件输入附近进行降压。您可以实施校准方法来消除可能会出现的误差。
此外还有一个类似的指导设计,即在集成 AFE 中减少外部 RC 滤波器对增益和漂移误差的影响:±10V,最高 200kHz,16 位,该设计介绍了如何测量外部元件引入的漂移,对于本应用也非常有用。增加 ADC 可以测量的输入范围对许多终端设备非常有用,例如以下设备:数据采集模块、多功能继电器、交流模拟输入模块 和轨道交通控制单元。
| 规格 | 未经校准的实测精度 | 经过校准的实测精度 |
|---|---|---|
| ±40V | 0.726318% | 0.008237% |
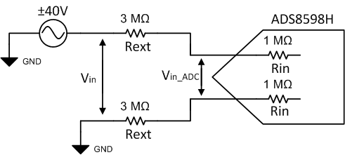
该器件的内部阻抗为 1MΩ,外部电阻器的选择则是基于所需的扩展输入范围 (Vin),在本例中该范围为 ±40V。该外部电阻器会结合该器件的内部阻抗形成一个分压器,将 ADC 输入引脚上的输入电压 (VinADC) 降低至 ±10V 的器件输入范围内。


根据所使用的外部电阻器值,可将输入扩展至各种范围。
| Vin | Rext |
|---|---|
| ±40 | 3MΩ |
| ±30 | 2MΩ |
| ±20 | 1MΩ |
| ±12 | 200kΩ |
在测量 ADC 电压输入和测量的精度时,我们使用了 ±40V 满量程范围内的不同直流输入值。以下方程式展示了如何计算通过 ADC 读取的模拟电压。FSR 在这里是指系统的满量程范围,在本例中该值为 40V。该方程式中添加了因数 2,因为这是一个双极性输入,其中输入范围实际上为 ±40V(也就是 80V 的范围)。此方程式中的 VoutADC 的范围为 ±40V,对应的是系统输入。
该值的百分比误差通过以下方程式计算得出:
通过施加校准,可消除外部电阻器引入的读数误差。两点校准法会在 ADC 线性范围内施加两个分别与满量程输入范围相差 0.25V 的测试信号并对其进行采样。然后,使用这些样本测量值计算线性传递函数的斜率和偏移量。校准将会消除外部电阻器引入的增益误差和内部器件的增益误差。
| Vmin | 测得的代码 |
|---|---|
| -39V | -128689 |
| Vmax | 测得的代码 |
|---|---|
| 39V | 128701 |



校准系数
m = 3299.872;b = 6.008
在施加校准后,读数误差会显著减小。
由于使用的是高值电阻器,因此加入电容器会显著影响各种读数,例如更高的漂移。这是由于电容器的漏洞造成的。这种漏电会随时间和温度的变化而变化,而且由此造成的误差很难通过校准消除。如果需要输入滤波器,则可以使用该备用原理图来实施该滤波器。该电容器应放置在外部电阻器前面(相对于输入信号而言),且需通过一个平衡的电阻器/电容器滤波器进行放置。
外部抗混叠 RC 滤波器可减小噪声,并防止因电气过载而造成损坏。此外,平衡的 RC 滤波器配置是实现良好共模噪声抑制效果的必要条件;正负输入路径上均添加了匹配的外部电阻器。正如设计说明 中所述,这些外部电阻器也必须为低温漂电阻器。
R = 10kΩ

可用的标准电容器最接近值 CFIL = 24nF
| 器件 | 主要特性 | 链路 | 类似器件 |
|---|---|---|---|
| ADS8598H | 采用单电源并具有双极性输入的 18 位高速 8 通道同步采样 ADC | 采用单电源并具有双极性输入的 18 位 500kSPS 8 通道同步采样 ADC | 精密 ADC |