TIDT256A March   2022  – March 2022

 

  1.   Description
  2.   Features
  3.   Applications
  4. 1Test Prerequisites
    1. 1.1 LM5156-Q1
      1. 1.1.1 Loading LM5156-Q1
      2. 1.1.2 LM5156-Q1 SEPIC Bode Loop Testing
    2. 1.2 Loading UCC14240-Q1
    3. 1.3 UCC5870-Q1 and UCC5870-Q1 EVM GUI
    4. 1.4 Voltage and Current Requirements
    5. 1.5 Required Equipment
    6. 1.6 Considerations
    7. 1.7 Dimensions
  5. 2Testing and Results
    1. 2.1 SEPIC Efficiency Graphs
    2. 2.2 SEPIC Efficiency Data
    3. 2.3 SEPIC Bode Plots
    4. 2.4 Thermal Images
  6. 3Waveforms
    1. 3.1 SEPIC Switching
    2. 3.2 SEPIC Output Voltage Ripple
    3. 3.3 SEPIC Load Transients
    4. 3.4 SEPIC Start-Up Sequence
    5. 3.5 Isolated Bias Supply Start Up and Shutdown
    6. 3.6 Isolated Gate Drive

Applications

GUID-20220126-SS0I-RZR7-GHPK-RS7B3FCNF3SV-low.jpgTop of Board
GUID-20220126-SS0I-3QDR-4DWJ-9K85CD3FJKFR-low.jpgBottom of Board
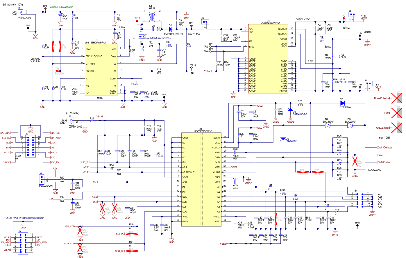
GUID-20220302-SS0I-NL4B-DLHM-ZHBTL6S3V61C-low.gif Simplified Schematic