SSZT489 April   2019 TPS50601A-SP , TPS7A4501-SP , TPS7H1101A-SP , TPS7H2201-SP , TPS7H2211-SP

 

  1.   1
  2.   2
    1.     3
    2.     With Integration Comes Reduced Complexity
    3.     Conclusion
    4.     Additional Resources

Sree Alvarado

GUID-12E58E10-9E75-458D-86AB-3EDD2F64A1F5-low.jpg

Complex applications like communications, navigation and Earth observation demand insanely complex electrical and software engineering. With numerous sensors, field programmable gate arrays (FPGAs) and integrated circuits (ICs) drawing more power, designers must distribute components more widely to increase efficient power use and load balancing.

Each of these components also has different demands, with a single source often required to deliver power at multiple voltages and currents. A modern satellite might be home to thousands of points of load (PoL), yet a single charged particle impacting a sensitive PoL switch could cause catastrophic failure to millions of dollars’ worth of hard-to-replace equipment.

Thus, from a project’s inception, designers must build every component to exacting standards and integrate redundancies and safety features to prevent such failures, despite the crazy forces and vibration of launch and, once in space, a punishing environment characterized by radiation and temperature extremes.

With Integration Comes Reduced Complexity

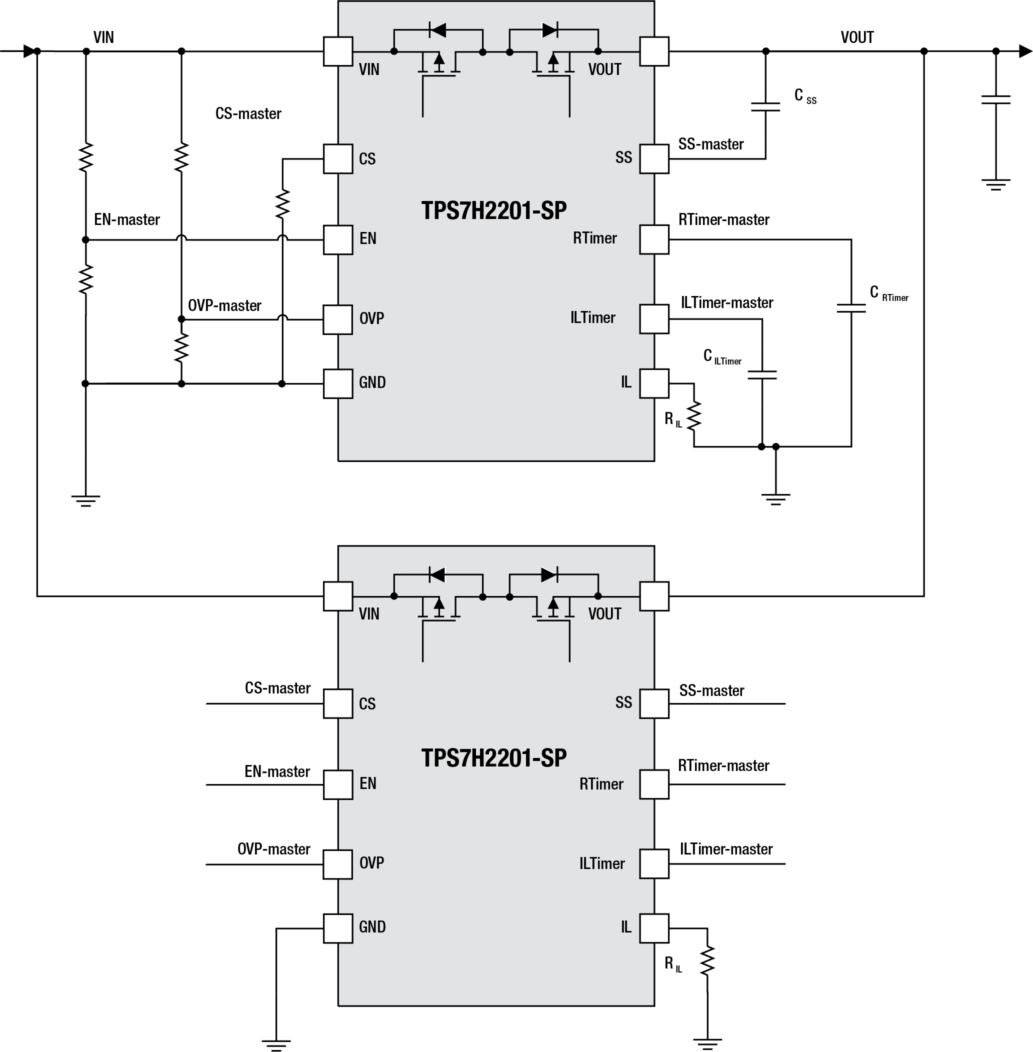
The TPS7H2201-SP space-grade integrated smart load switch is a first–to-market monolithic IC solution that delivers high power density, electronics protection and improved functionality. The device helps decrease board size and weight, reduces the risk of failure from using multiple parts and requires less work to achieve board power requirements. The switch doesn’t compromise safety for a smaller footprint; it increases and improves monitoring, power supply and load protection, and is able to provide redundancy simultaneously. Figure 1 shows a redundancy application using the TPS7H2201-SP.

GUID-7E1462B1-EAE2-4987-A684-A03D9572D590-low.jpg Figure 1 Block Diagram of a Cold Sparing Application

The device has an input voltage range from 1.5 V-7 V and supports a maximum continuous current of 6 A. You can connect multiple units in parallel to achieve higher currents as shown in Figure 2. Internal logic allows autonomous functionality, which eliminates the need for an external microcontroller.

GUID-820D2CCD-C721-41F1-A9E7-62AF505D47C2-low.jpg Figure 2 Block Diagram of a Smart Load Switch Used in Parallel

The TPS7H2201-SP can shrink a board’s load-switch solution by 50% compared to previous discrete components. Integrating many pieces into one translates to weight reductions that can also decrease launch costs.

TI also upgraded the switch to provide advanced current protection – integrating reverse-current protection and overcurrent detection and protection – reducing reliance on past generations of electromechanical devices. Downstream devices get overcurrent, overvoltage and monitoring protection.

To endure the unique rigors of space, the TPS7H2201-SP can withstand total ionizing radiation doses of up to 100 kilorads, a level of protection that is more than enough to safely operate in geosynchronous orbit for at least 20 years. TI also tested the device to ensure that it would function through destructive single-event effects caused by cosmic-ray bombardment with heavy ions.

Conclusion

Our space-ready IC portfolio offers industry-leading specs in power density, size and efficiency. You can rest easy connecting the most sensitive imaging, communications, attitude and propulsion control payloads to a power rail managed by TI products.

The TPS7H2201-SP switch joins TI’s spaceflight-proven complete portfolio of radiation-hardened power-management components, which include the:

  • TPS50601A-SP single-output 6A space-grade DC/DC converter.
  • TPS7H1101A-SP 3A output radiation-hardened low-dropout regulator (LDO).
  • TPS7A4501-SP wide-input-voltage radiation-hardened LDO.

Fewer component requirements, technical documentation like radiation reports and reference designs, and a guaranteed continuity of supply all translate to shorter design cycles, greater confidence, and less weight and area needed for space applications, from communications and navigation satellites to science and earth observation platforms.

Additional Resources