SLYY109B February   2021  – March 2022 HD3SS3212 , HD3SS460 , TPD4S311A , TPD6S300A , TPD8S300 , TPS25740A , TPS25750 , TPS65982 , TPS65983B , TPS65987D , TPS65988 , TPS65994AD , TUSB1042I , TUSB1046A-DCI , TUSB1210 , TUSB1310A , TUSB320 , TUSB542 , TUSB544 , TUSB546A-DCI , TUSB564

 

  1.   At a glance
  2.   Authors
  3.   3
  4.   Introduction
  5.   Data and power roles
  6.   USB Type-C UFP sink: USB 2.0 without USB PD
  7.   USB Type-C DFP: USB 2.0 without USB PD
  8.   USB Type-C DRP/DRD USB 2.0 without USB PD
  9.   USB Type-C DRP/DRD: USB 2.0 with USB PD
  10.   USB 3.1 Gen 1 (SuperSpeed) and Gen 2 (SuperSpeed+)
  11.   Alternate Mode
  12.   USB Type-C pinout and reversibility
  13.   Conclusion
  14.   References

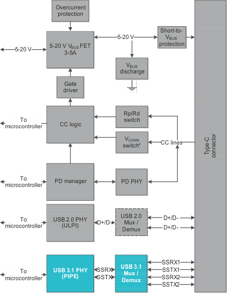
USB 3.1 Gen 1 (SuperSpeed) and Gen 2 (SuperSpeed+)

Applications that require transfer rates faster than 480 Mbps will need to leverage either USB 3.1 Gen 1 (SuperSpeed) or Gen 2 (SuperSpeed+). As stated in the introduction, SuperSpeed supports data-transfer rates up to 5 Gbps, while SuperSpeed+ supports up to 10 Gbps. To enable these higher transfer rates in a USB Type-C application, you need to include a USB 3.1 PHY interface for the PCI Express (PCIe) (PIPE) PHY (Serial Advanced Technology Attachment and USB architectures) and a bidirectional differential switch that supports USB 3.1, as shown in Figure 9.

GUID-426A1CB2-C355-45AE-AE0D-893E0F7C6BB3-low.gif Figure 9 USB Type-C USB 3.1 block diagram. Note that the VCONN switch is not always required.

The USB 3.1 PIPE-compliant PHY provides a bridge between the media access control, the open systems interconnection model layer and the physical medium. For example, TI offers a variety of PIPE-compliant USB 3.1 PHY transceivers that support up to 5-Gbps data rates.

The bidirectional differential switch operates in mux and demultiplexer (demux) operation. Unlike USB 2.0 data, the mux/demux is not optional and is required for all applications,except USB Type-C plugs that connect directly to a host (versus a female receptacle).

One example is a USB 3.1 flash drive with a USB Type-C plug that is physically incorporated into the device. In this typeof application, the USB 3.1 data bus is fixed by design, as shown in Figure 10. Thus, there are only two possible connected states that exist when viewed by a USB Type-C host.

Figure 10 shows a host, which is required to have the USB 3.1mux/demux route the USB 3.1 signal pairs. USB Type-C cables are wired such that the CC wires are position-aligned with the USB 3.1 signal pairs. As a result, the host can configure the switch based on which CC pins (CC1/CC2) terminate at the receptacle.

GUID-ABB639DE-7C1F-4DE7-9D93-D07B338E6181-low.gif Figure 10 USB 3.1 data bus connection for a USB Type-C plug directly connected to USB Type-C host. (Source: Figure 4-4 in USB Type-C specification v1.2)

All USB 3.1 applications incorporating a USB Type-C receptacle must include the USB 3.1 switch, because when you have a USB Type-C cable connecting two USB Type-C receptacles, the cable orientation and twist are not fixed. As a result, four possible connected states exist when viewed by either the USB Type-C host or device, as illustrated in Figure 11.

It does not matter whether the application is for a DFP or UFP. If it incorporates a USB Type-C receptacle, the USB 3.1 switch is required to route the transceiver (TX) and receiver (RX) signal pairs. TI has a variety of active and passive muxes to meet the USB 3.1 switching needs of USB Type-C.

GUID-3AD8EB78-4A05-44B4-97BB-05E8B9B883AB-low.gif Figure 11 USB 3.1 data bus connection for Type-C receptacle connected to Type-C receptacle.
(Source: Figure 4-3 in the USB Type-C Specification v1.2)
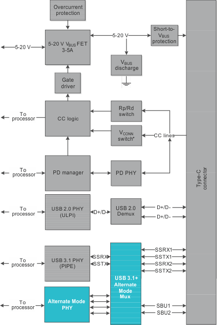
GUID-C4D27D84-3181-42C9-A530-69D88B5B8C4B-low.gif Figure 12 Type-C Alternate Mode block diagram. *VCONN switch is not always required as will be discussed.

As with any high-speed interface, some USB 3.1 applications may require signal conditioning to maintain signal integrity. To address this need, TI has a variety of USB Type-C active muxes that incorporate both USB mux/demux needs, as well as receiver equalization and transmitter de-emphasis, in order to maintain signal integrity on both the TX and RX data paths for Gen1 and Gen 2 data rates.

For USB 3.1 applications with USB PD, TI offers a complete solution including the USB PD manager and PHY, a 20-V and 3-A FET, CC logic, and a SuperSpeed mux. See the USB Type-C portal for more details.