SLVUBU6A April   2020  – June 2020

 

  1.   TPS274160 Evaluation Module User's Guide
    1.     Trademarks
    2. 1 Introduction
      1. 1.1 Description
      2. 1.2 Applications
      3. 1.3 Features
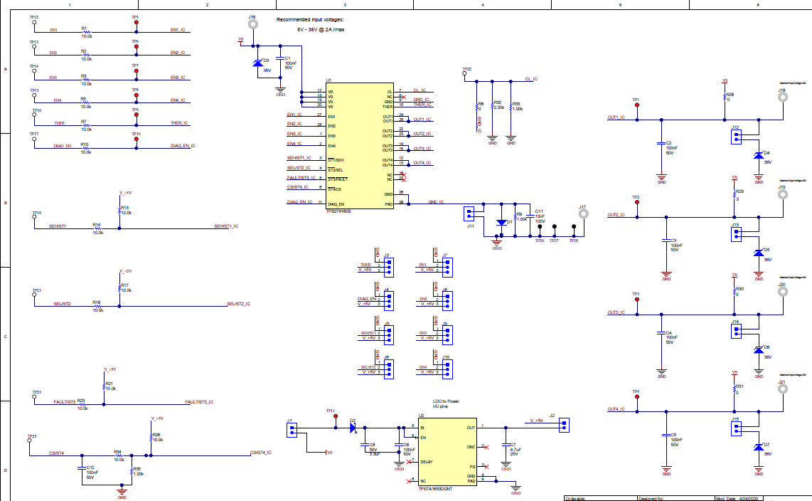
    3. 2 TPS274160 Schematic
    4. 3 Connection Descriptions
      1. 3.1 Connectors
      2. 3.2 Jumpers
    5. 4 TPS274160 EVM Assembly Drawings and Layout
    6. 5 Variable Resistor for CS and CL
      1. 5.1 Current Sense Resistor
      2. 5.2 Current Limit Resistor
    7. 6 Bill of Materials
  2.   Revision History

TPS274160 Schematic

Annotation 2020-06-11 155304.pngFigure 1. TPS274160EVM Schematic