SLVSA73F April 2010 – July 2014 DRV8825
PRODUCTION DATA.
The DRV8825 is an integrated motor driver solution for bipolar stepper motors. The device integrates two NMOS H-bridges, current sense, regulation circuitry, and a microstepping indexer. The DRV8825 can be powered with a supply voltage between 8.2 and 45 V and is capable of providing an output current up to 2.5 A full-scale.
A simple STEP/DIR interface allows for easy interfacing to the controller circuit. The internal indexer is able to execute high-accuracy microstepping without requiring the processor to control the current level.
The current regulation is highly configurable, with three decay modes of operation. Depending on the application requirements, the user can select fast, slow, and mixed decay.
A low-power sleep mode is included which allows the system to save power when not driving the motor.

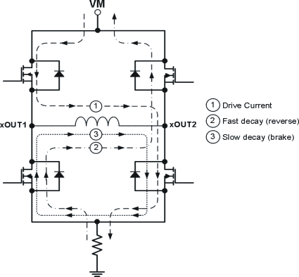
The DRV8825 contains two H-bridge motor drivers with current-control PWM circuitry. Figure 6 shows a block diagram of the motor control circuitry.
Figure 6. Motor Control Circuitry
Note that there are multiple VM motor power supply pins. All VM pins must be connected together to the motor supply voltage.
The current through the motor windings is regulated by a fixed-frequency PWM current regulation, or current chopping. When an H-bridge is enabled, current rises through the winding at a rate dependent on the DC voltage and inductance of the winding. Once the current hits the current chopping threshold, the bridge disables the current until the beginning of the next PWM cycle.
In stepping motors, current regulation is used to vary the current in the two windings in a semi-sinusoidal fashion to provide smooth motion.
The PWM chopping current is set by a comparator which compares the voltage across a current sense resistor connected to the xISEN pins, multiplied by a factor of 5, with a reference voltage. The reference voltage is input from the xVREF pins.
The full-scale (100%) chopping current is calculated in Equation 1.

Example:
If a 0.25-Ω sense resistor is used and the VREFx pin is 2.5 V, the full-scale (100%) chopping current will be 2.5 V / (5 x 0.25 Ω) = 2 A.
The reference voltage is scaled by an internal DAC that allows fractional stepping of a bipolar stepper motor, as described in the microstepping indexer section below.
During PWM current chopping, the H-bridge is enabled to drive current through the motor winding until the PWM current chopping threshold is reached. This is shown in Figure 7 as case 1. The current flow direction shown indicates positive current flow.
Once the chopping current threshold is reached, the H-bridge can operate in two different states, fast decay or slow decay.
In fast decay mode, once the PWM chopping current level has been reached, the H-bridge reverses state to allow winding current to flow in a reverse direction. As the winding current approaches 0, the bridge is disabled to prevent any reverse current flow. Fast decay mode is shown in Figure 7 as case 2.
In slow decay mode, winding current is recirculated by enabling both of the low-side FETs in the bridge. This is shown in Figure 7 as case 3.
Figure 7. Decay Mode
The DRV8825 supports fast decay, slow decay and a mixed decay mode. Slow, fast, or mixed decay mode is selected by the state of the DECAY pin; logic low selects slow decay, open selects mixed decay operation, and logic high sets fast decay mode. The DECAY pin has both an internal pullup resistor of approximately 130 kΩ and an internal pulldown resistor of approximately 80 kΩ. This sets the mixed decay mode if the pin is left open or undriven.
Mixed decay mode begins as fast decay, but at a fixed period of time (75% of the PWM cycle) switches to slow decay mode for the remainder of the fixed PWM period. This occurs only if the current through the winding is decreasing (per the indexer step table); if the current is increasing, then slow decay is used.
After the current is enabled in an H-bridge, the voltage on the xISEN pin is ignored for a fixed period of time before enabling the current sense circuitry. This blanking time is fixed at 3.75 μs. Note that the blanking time also sets the minimum on time of the PWM.
Built-in indexer logic in the DRV8825 allows a number of different stepping configurations. The MODE0 through MODE2 pins are used to configure the stepping format as shown in Table 1.
| MODE2 | MODE1 | MODE0 | STEP MODE |
|---|---|---|---|
| 0 | 0 | 0 | Full step (2-phase excitation) with 71% current |
| 0 | 0 | 1 | 1/2 step (1-2 phase excitation) |
| 0 | 1 | 0 | 1/4 step (W1-2 phase excitation) |
| 0 | 1 | 1 | 8 microsteps/step |
| 1 | 0 | 0 | 16 microsteps/step |
| 1 | 0 | 1 | 32 microsteps/step |
| 1 | 1 | 0 | 32 microsteps/step |
| 1 | 1 | 1 | 32 microsteps/step |
Table 2 shows the relative current and step directions for different settings of MODEx. At each rising edge of the STEP input, the indexer travels to the next state in the table. The direction is shown with the DIR pin high; if the DIR pin is low the sequence is reversed. Positive current is defined as xOUT1 = positive with respect to xOUT2.
Note that if the step mode is changed while stepping, the indexer will advance to the next valid state for the new MODEx setting at the rising edge of STEP.
The home state is 45°. This state is entered at power-up or application of nRESET. This is shown in Table 2 by the shaded cells. The logic inputs DIR, STEP, nRESET, and MODEx have internal pulldown resistors of 100 kΩ.
| 1/32 STEP | 1/16 STEP | 1/8 STEP | 1/4 STEP | 1/2 STEP | FULL STEP 70% |
WINDING CURRENT A |
WINDING CURRENT B |
ELECTRICAL ANGLE |
|---|---|---|---|---|---|---|---|---|
| 1 | 1 | 1 | 1 | 1 | 100% | 0% | 0 | |
| 2 | 100% | 5% | 3 | |||||
| 3 | 2 | 100% | 10% | 6 | ||||
| 4 | 99% | 15% | 8 | |||||
| 5 | 3 | 2 | 98% | 20% | 11 | |||
| 6 | 97% | 24% | 14 | |||||
| 7 | 4 | 96% | 29% | 17 | ||||
| 8 | 94% | 34% | 20 | |||||
| 9 | 5 | 3 | 2 | 92% | 38% | 23 | ||
| 10 | 90% | 43% | 25 | |||||
| 11 | 6 | 88% | 47% | 28 | ||||
| 12 | 86% | 51% | 31 | |||||
| 13 | 7 | 4 | 83% | 56% | 34 | |||
| 14 | 80% | 60% | 37 | |||||
| 15 | 8 | 77% | 63% | 39 | ||||
| 16 | 74% | 67% | 42 | |||||
| 17 | 9 | 5 | 3 | 2 | 1 | 71% | 71% | 45 |
| 18 | 67% | 74% | 48 | |||||
| 19 | 10 | 63% | 77% | 51 | ||||
| 20 | 60% | 80% | 53 | |||||
| 21 | 11 | 6 | 56% | 83% | 56 | |||
| 22 | 51% | 86% | 59 | |||||
| 23 | 12 | 47% | 88% | 62 | ||||
| 24 | 43% | 90% | 65 | |||||
| 25 | 13 | 7 | 4 | 38% | 92% | 68 | ||
| 26 | 34% | 94% | 70 | |||||
| 27 | 14 | 29% | 96% | 73 | ||||
| 28 | 24% | 97% | 76 | |||||
| 29 | 15 | 8 | 20% | 98% | 79 | |||
| 30 | 15% | 99% | 82 | |||||
| 31 | 16 | 10% | 100% | 84 | ||||
| 32 | 5% | 100% | 87 | |||||
| 33 | 17 | 9 | 5 | 3 | 0% | 100% | 90 | |
| 34 | –5% | 100% | 93 | |||||
| 35 | 18 | –10% | 100% | 96 | ||||
| 36 | –15% | 99% | 98 | |||||
| 37 | 19 | 10 | –20% | 98% | 101 | |||
| 38 | –24% | 97% | 104 | |||||
| 39 | 20 | –29% | 96% | 107 | ||||
| 40 | –34% | 94% | 110 | |||||
| 41 | 21 | 11 | 6 | –38% | 92% | 113 | ||
| 42 | –43% | 90% | 115 | |||||
| 43 | 22 | –47% | 88% | 118 | ||||
| 44 | –51% | 86% | 121 | |||||
| 45 | 23 | 12 | –56% | 83% | 124 | |||
| 46 | –60% | 80% | 127 | |||||
| 47 | 24 | –63% | 77% | 129 | ||||
| 48 | –67% | 74% | 132 | |||||
| 49 | 25 | 13 | 7 | 4 | 2 | –71% | 71% | 135 |
| 50 | –74% | 67% | 138 | |||||
| 51 | 26 | –77% | 63% | 141 | ||||
| 52 | –80% | 60% | 143 | |||||
| 53 | 27 | 14 | –83% | 56% | 146 | |||
| 54 | –86% | 51% | 149 | |||||
| 55 | 28 | –88% | 47% | 152 | ||||
| 56 | –90% | 43% | 155 | |||||
| 57 | 29 | 15 | 8 | –92% | 38% | 158 | ||
| 58 | –94% | 34% | 160 | |||||
| 59 | 30 | –96% | 29% | 163 | ||||
| 60 | –97% | 24% | 166 | |||||
| 61 | 31 | 16 | –98% | 20% | 169 | |||
| 62 | –99% | 15% | 172 | |||||
| 63 | 32 | –100% | 10% | 174 | ||||
| 64 | –100% | 5% | 177 | |||||
| 65 | 33 | 17 | 9 | 5 | –100% | 0% | 180 | |
| 66 | –100% | –5% | 183 | |||||
| 67 | 34 | –100% | –10% | 186 | ||||
| 68 | –99% | –15% | 188 | |||||
| 69 | 35 | 18 | –98% | –20% | 191 | |||
| 70 | –97% | –24% | 194 | |||||
| 71 | 36 | –96% | –29% | 197 | ||||
| 72 | –94% | –34% | 200 | |||||
| 73 | 37 | 19 | 10 | –92% | –38% | 203 | ||
| 74 | –90% | –43% | 205 | |||||
| 75 | 38 | –88% | –47% | 208 | ||||
| 76 | –86% | –51% | 211 | |||||
| 77 | 39 | 20 | –83% | –56% | 214 | |||
| 78 | –80% | –60% | 217 | |||||
| 79 | 40 | –77% | –63% | 219 | ||||
| 80 | –74% | –67% | 222 | |||||
| 81 | 41 | 21 | 11 | 6 | 3 | –71% | –71% | 225 |
| 82 | –67% | –74% | 228 | |||||
| 83 | 42 | –63% | –77% | 231 | ||||
| 84 | –60% | –80% | 233 | |||||
| 85 | 43 | 22 | –56% | –83% | 236 | |||
| 86 | –51% | –86% | 239 | |||||
| 87 | 44 | –47% | –88% | 242 | ||||
| 88 | –43% | –90% | 245 | |||||
| 89 | 45 | 23 | 12 | –38% | –92% | 248 | ||
| 90 | –34% | –94% | 250 | |||||
| 91 | 46 | –29% | –96% | 253 | ||||
| 92 | –24% | –97% | 256 | |||||
| 93 | 47 | 24 | –20% | –98% | 259 | |||
| 94 | –15% | –99% | 262 | |||||
| 95 | 48 | –10% | –100% | 264 | ||||
| 96 | –5% | –100% | 267 | |||||
| 97 | 49 | 25 | 13 | 7 | 0% | –100% | 270 | |
| 98 | 5% | –100% | 273 | |||||
| 99 | 50 | 10% | –100% | 276 | ||||
| 100 | 15% | –99% | 278 | |||||
| 101 | 51 | 26 | 20% | –98% | 281 | |||
| 102 | 24% | –97% | 284 | |||||
| 103 | 52 | 29% | –96% | 287 | ||||
| 104 | 34% | –94% | 290 | |||||
| 105 | 53 | 27 | 14 | 38% | –92% | 293 | ||
| 106 | 43% | –90% | 295 | |||||
| 107 | 54 | 47% | –88% | 298 | ||||
| 108 | 51% | –86% | 301 | |||||
| 109 | 55 | 28 | 56% | –83% | 304 | |||
| 110 | 60% | –80% | 307 | |||||
| 111 | 56 | 63% | –77% | 309 | ||||
| 112 | 67% | –74% | 312 | |||||
| 113 | 57 | 29 | 15 | 8 | 4 | 71% | –71% | 315 |
| 114 | 74% | –67% | 318 | |||||
| 115 | 58 | 77% | –63% | 321 | ||||
| 116 | 80% | –60% | 323 | |||||
| 117 | 59 | 30 | 83% | –56% | 326 | |||
| 118 | 86% | –51% | 329 | |||||
| 119 | 60 | 88% | –47% | 332 | ||||
| 120 | 90% | –43% | 335 | |||||
| 121 | 61 | 31 | 16 | 92% | –38% | 338 | ||
| 122 | 94% | –34% | 340 | |||||
| 123 | 62 | 96% | –29% | 343 | ||||
| 124 | 97% | –24% | 346 | |||||
| 125 | 63 | 32 | 98% | –20% | 349 | |||
| 126 | 99% | –15% | 352 | |||||
| 127 | 64 | 100% | –10% | 354 | ||||
| 128 | 100% | –5% | 357 |
The nRESET pin, when driven active low, resets internal logic, and resets the step table to the home position. It also disables the H-bridge drivers. The STEP input is ignored while nRESET is active.
The nENBL pin is used to control the output drivers and enable/disable operation of the indexer. When nENBL is low, the output H-bridges are enabled, and rising edges on the STEP pin are recognized. When nENBL is high, the H-bridges are disabled, the outputs are in a high-impedance state, and the STEP input is ignored.
Driving nSLEEP low will put the device into a low power sleep state. In this state, the H-bridges are disabled, the gate drive charge pump is stopped, the V3P3OUT regulator is disabled, and all internal clocks are stopped. In this state all inputs are ignored until nSLEEP returns inactive high. When returning from sleep mode, some time (approximately 1 ms) needs to pass before applying a STEP input, to allow the internal circuitry to stabilize. Note that nRESET and nENABL have internal pulldown resistors of approximately 100 kΩ. The nSLEEP pin has an internal pulldown resistor of 1 MΩ. nSLEEP and nRESET signals need to be driven to logic high for device operation.
The DRV8825 is fully protected against undervoltage, overcurrent, and overtemperature events.
An analog current limit circuit on each FET limits the current through the FET by removing the gate drive. If this analog current limit persists for longer than the OCP time, all FETs in the H-bridge will be disabled and the nFAULT pin will be driven low. The device remains disabled until either nRESET pin is applied, or VM is removed and reapplied.
Overcurrent conditions on both high-side and low-side devices; that is, a short to ground, supply, or across the motor winding all result in an overcurrent shutdown. Note that overcurrent protection does not use the current sense circuitry used for PWM current control, and is independent of the ISENSE resistor value or xVREF voltage.
If the die temperature exceeds safe limits, all FETs in the H-bridge will be disabled and the nFAULT pin will be driven low. After the die temperature has fallen to a safe level, operation automatically resumes.
If at any time the voltage on the VM pins falls below the UVLO threshold voltage, all circuitry in the device will be disabled and internal logic will be reset. Operation will resume when V(VMx) rises above the UVLO threshold.
The STEP/DIR interface provides a simple method for advancing through the indexer table. For each rising edge on the STEP pin, the indexer travels to the next state in the table. The direction it moves in the table is determined by the input to the DIR pin. The signals applied to the STEP and DIR pins should not violate the timing diagram specified in Figure 1.
The microstepping indexer allows for a variety of stepping configurations. The state of the indexer is determined by the configuration of the three MODE pins (refer to Table 1 for configuration options). The DRV8825 supports full step up to 1/32 microstepping.