SLUUBA2B March   2015  – November 2015

 

  1.   bq25890EVM, bq25892EVM, bq25895EVM, bq25896EVM and bq25895MEVM(PWR664)
    1.     Trademarks
    2. 1 Introduction
      1. 1.1 EVM Features
      2. 1.2 I/O Descriptions
    3. 2 Test Summary
      1. 2.1 Equipment
      2. 2.2 Equipment Setup
      3. 2.3 Procedure
        1. 2.3.1 Communication Verification
        2. 2.3.2 Charger Mode Verification
        3. 2.3.3 Boost Mode Verification
        4. 2.3.4 Helpful Hints
    4. 3 PCB Layout Guideline
    5. 4 Board Layout, Schematic, and Bill of Materials
      1. 4.1 PWR664 PCB Layouts
      2. 4.2 Schematics
      3. 4.3 Bill of Materials
  2.   Revision History

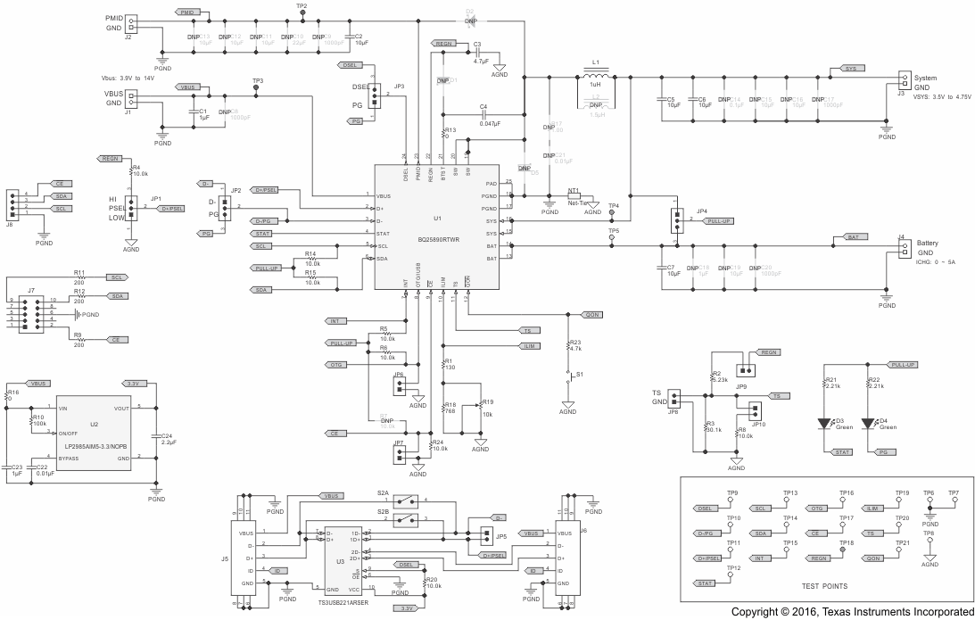
Schematics

The bq25890EVM (Figure 18), bq25892EVM (Figure 19), bq25895EVM (Figure 21), bq25896EVM (Figure 22) and bq25895MEVM (Figure 21) schematics are provided for reference.

fig01_sch890_sluuba2.gifFigure 18. bq25890 EVM Schematic
fig02_sch892_sluuba2.gifFigure 19. bq25892 EVM Schematic
fig03_sch895_sluuba2.gifFigure 20. bq25895 EVM Schematic
sch25895M_sluuba2.gifFigure 21. bq25895M EVM Schematic
schematic04_slusba2.gifFigure 22. bq25896 EVM Schematic