SLUSCE9B June   2017  – March 2020

PRODUCTION DATA.  

  1. Features
  2. Applications
  3. Description
    1.     Device Images
      1.      Simplified Schematic
      2.      Typical Propagation Delay Comparison
  4. Revision History
  5. Pin Configuration and Functions
    1.     Pin Functions
  6. Specifications
    1. 6.1 Absolute Maximum Ratings
    2. 6.2 ESD Ratings
    3. 6.3 Recommended Operating Conditions
    4. 6.4 Thermal Information
    5. 6.5 Electrical Characteristics
    6. 6.6 Dynamic Electrical Characteristics
    7. 6.7 Typical Characteristics
  7. Detailed Description
    1. 7.1 Overview
    2. 7.2 Functional Block Diagram
    3. 7.3 Feature Description
      1. 7.3.1 VDD and Under Voltage Lockout
      2. 7.3.2 Input and Output Logic Table
      3. 7.3.3 Input Stage
      4. 7.3.4 Output Stage
      5. 7.3.5 Level Shift
      6. 7.3.6 Low Propagation Delays and Tightly Matched Outputs
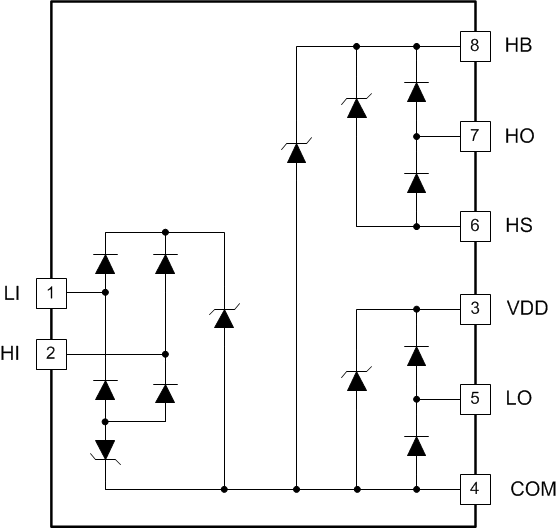
      7. 7.3.7 Parasitic Diode Structure
    4. 7.4 Device Functional Modes
      1. 7.4.1 Minimum Input Pulse Operation
      2. 7.4.2 Output Interlock and Dead Time
      3. 7.4.3 Operation Under 100% Duty Cycle Condition
      4. 7.4.4 Operation Under Negative HS Voltage Condition
  8. Application and Implementation
    1. 8.1 Application Information
    2. 8.2 Typical Application
      1. 8.2.1 Design Requirements
      2. 8.2.2 Detailed Design Procedure
        1. 8.2.2.1 Selecting HI and LI Low Pass Filter Components (RHI, RLI, CHI, CLI)
        2. 8.2.2.2 Selecting Bootstrap Capacitor (CBOOT)
        3. 8.2.2.3 Selecting VDD Bypass/Holdup Capacitor (CVDD) and Rbias
        4. 8.2.2.4 Selecting Bootstrap Resistor (RBOOT)
        5. 8.2.2.5 Selecting Gate Resistor RON/ROFF
        6. 8.2.2.6 Selecting Bootstrap Diode
        7. 8.2.2.7 Estimate the UCC27712 Power Losses (PUCC27712)
        8. 8.2.2.8 Estimating Junction Temperature
        9. 8.2.2.9 Operation With IGBT's
      3. 8.2.3 Application Curves
  9. Power Supply Recommendations
  10. 10Layout
    1. 10.1 Layout Guidelines
    2. 10.2 Layout Example
  11. 11Device and Documentation Support
    1. 11.1 Documentation Support
      1. 11.1.1 Related Documentation
    2. 11.2 Related Links
    3. 11.3 Community Resources
    4. 11.4 Trademarks
    5. 11.5 Electrostatic Discharge Caution
    6. 11.6 Glossary
  12. 12Mechanical, Packaging, and Orderable Information

Parasitic Diode Structure

Figure 35 illustrates the multiple parasitic diodes involved in the ESD protection components of UCC27712 device. This provides a pictorial representation of the absolute maximum rating for the device.

UCC27712 esd_slusce9.gifFigure 35. ESD Structure