SLOU441 July   2016 TPA3255

 

  1.   TPA3255EVM
    1.     Trademarks
    2. 1 Hardware Overview
      1. 1.1 TPA3255EVM Features
      2. 1.2 TPA3255EVM Frequency Adjust
      3. 1.3 TPA3255EVM Single-Ended and Differential Input
      4. 1.4 TPA3255EVM Clip Overtemperature and Fault Indicators
    3. 2 TPA3255EVM Setup
      1. 2.1 TPA3255EVM Setup
      2. 2.2 Hardware Requirements
      3. 2.3 Hardware Default Setup BTL (2.0)
    4. 3 Using TPA3255EVM in Different Output Configurations
      1. 3.1 BTL Plus Two SE (2.1) Operation
      2. 3.2 PBTL (0.1) Output Operation
      3. 3.3 Single-Ended (SE) Output (4.0) Operation
    5. 4 Board Layouts, Bill of Materials, and Schematic
      1. 4.1 TPA3255EVM Board Layouts
      2. 4.2 TPA3255EVM Board Dimension
      3. 4.3 Bill of Materials
      4. 4.4 TPA3255EVM Schematics

TPA3255EVM Schematics

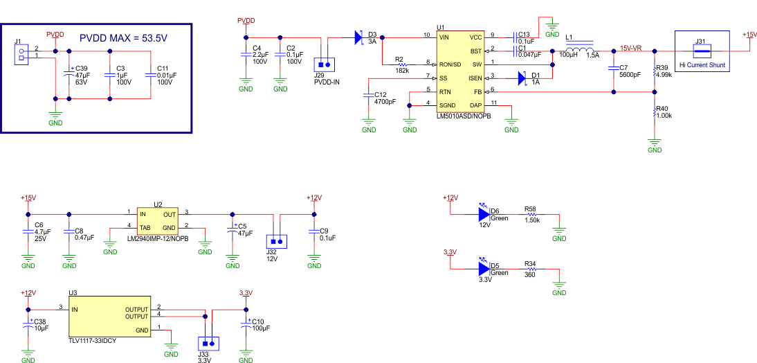
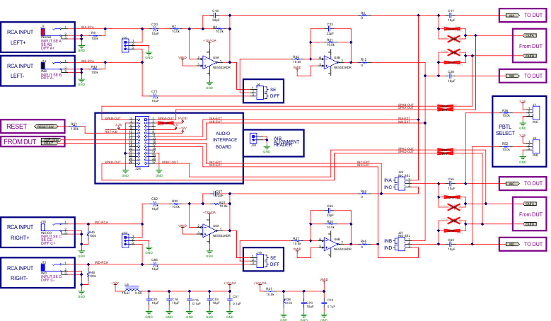
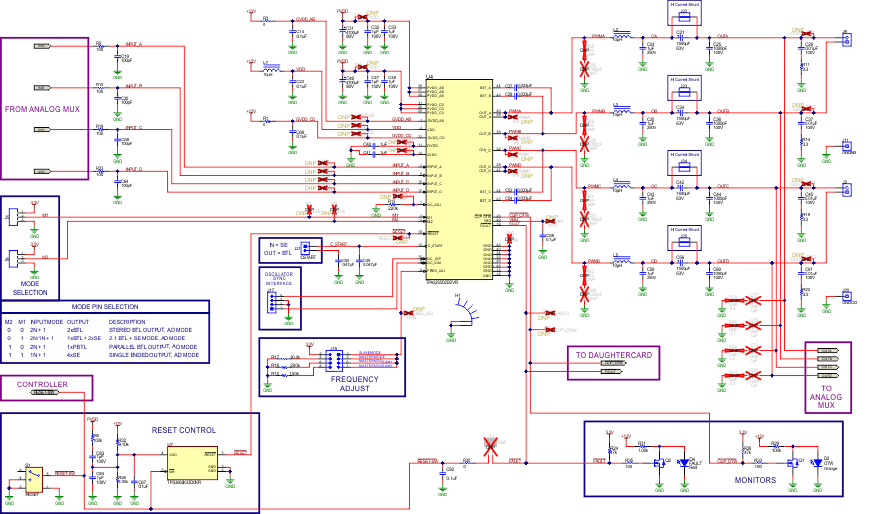
The schematics for TPA3255EVM is illustrated in Figure 6, Figure 7, and Figure 8.

sch_1_slou441.gifFigure 6. TPA3255EVM Schematic 1
sch_2_slou441.gifFigure 7. TPA3255EVM Schematic 2
sch_3_slou441.gifFigure 8. TPA3255EVM Schematic 3