SLAU628 August   2020 DRV5825P

 

  1.   Abstract
  2.   Trademarks
  3. 1Hardware Overview
  4. 2Hardware Setup
  5. 3Schematic
  6. 4Board Layouts
    1. 4.1 Bill of Materials

Schematic

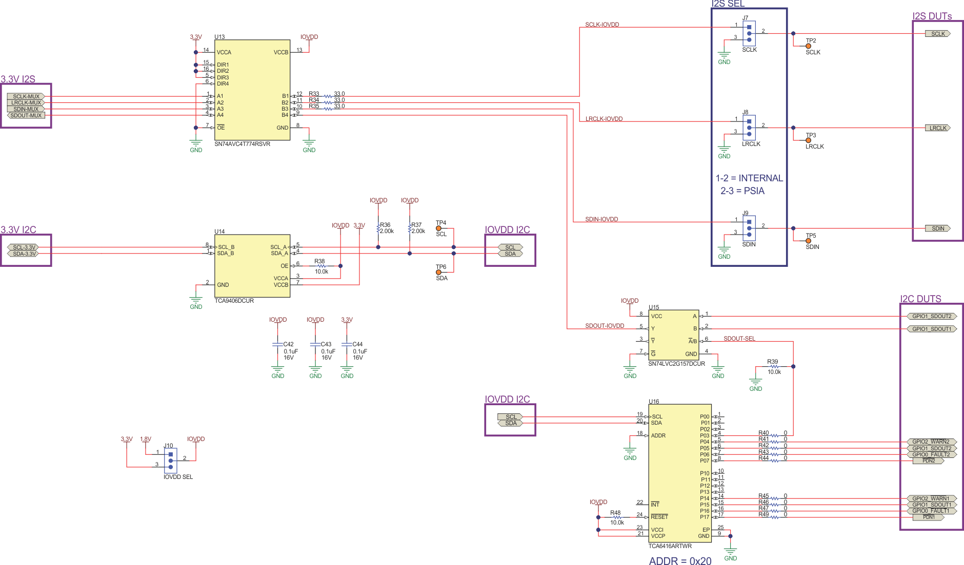
Figure 3-1 to Figure 3-7 show the EVM schematics.

GUID-20200731-CA0I-LNTW-ZLHM-CS6D6HLZZRVS-low.gifFigure 3-1 DRV5825PEVM Schematic - XMOS/USB
GUID-20200731-CA0I-2QHG-RGT2-12SRRQDHGFXS-low.gifFigure 3-2 DRV5825PEVM Schematic - Optical S/PDIF
GUID-20200731-CA0I-SSDC-RHNS-ZTQZSGSPBGS5-low.gifFigure 3-3 DRV5825PEVM Schematic - IOVDD Select
GUID-20200731-CA0I-LKTV-HSL8-DSTZ6MZX1GQT-low.gifFigure 3-4 DRV5825PEVM Schematic - Top Device
GUID-20200731-CA0I-WMQP-DBGT-1DVHWLGWFMVG-low.gifFigure 3-5 DRV5825PEVM Schematic - Bottom Device
GUID-20200731-CA0I-6WV1-2CPK-5VXNRQ4SS5XP-low.gifFigure 3-6 DRV5825PEVM - Power Supplies
GUID-20200731-CA0I-G4JZ-THK6-H7WGTCF0T070-low.gifFigure 3-7 DRV5825PEVM Schematic - Hardware