SFFS225 September   2021 UCC25800-Q1

 

  1.   Trademarks
  2. 1Overview
  3. 2Functional Safety Failure In Time (FIT) Rates
  4. 3Failure Mode Distribution (FMD)
  5. 4Pin Failure Mode Analysis (Pin FMA)

Overview

This document contains information for UCC25800-Q1 (DGN-8 package) to aid in a functional safety system design. Information provided are:

  • Functional Safety Failure In Time (FIT) rates of the semiconductor component estimated by the application of industry reliability standards
  • Component failure modes and their distribution (FMD) based on the primary function of the device
  • Pin failure mode analysis (Pin FMA)

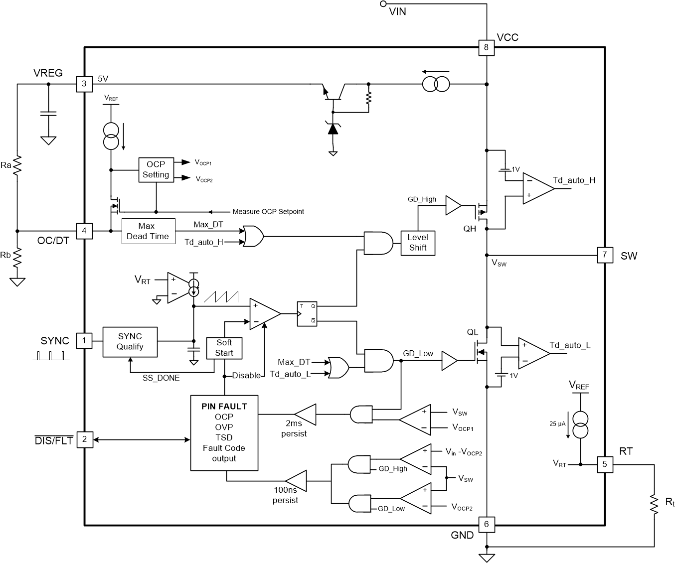
Figure 1-1 shows the device functional block diagram for reference.

GUID-FF462440-2E81-4B66-A280-8E49FF8A663C-low.gif Figure 1-1 Functional Block Diagram

UCC25800-Q1 was developed using a quality-managed development process, but was not developed in accordance with the IEC 61508 or ISO 26262 standards.

ADVANCE INFORMATION for preproduction products; subject to change without notice.