SBOA386B March   2020  – October 2023 INA180-Q1 , INA181-Q1 , INA185-Q1 , INA2180-Q1 , INA2181-Q1 , INA4180-Q1 , INA4181-Q1

 

  1.   1
  2.   Trademarks
  3. 1Overview
  4. 2Functional Safety Failure In Time (FIT) Rates
    1. 2.1 INA180-Q1, SOT-23-5 Package
    2. 2.2 INA2180-Q1, VSSOP-8 Package
    3. 2.3 INA4180-Q1, TSSOP-14 Package
    4. 2.4 INA181-Q1, SOT-23-6 Package
    5. 2.5 INA2181-Q1, VSSOP-10 Package
    6. 2.6 INA4181-Q1, TSSOP-20 Package
    7. 2.7 INA181-Q1 and INA185-Q1, DCK Package
  5. 3Failure Mode Distribution (FMD)
  6. 4Pin Failure Mode Analysis (Pin FMA)
    1. 4.1 INA180-Q1, SOT-23-5 Package (Pinout A)
    2. 4.2 INA180-Q1, SOT-23-5 Package (Pinout B)
    3. 4.3 INA2180-Q1, VSSOP-8 Package
    4. 4.4 INA4180-Q1, TSSOP-14 Package
    5. 4.5 INA181-Q1, SOT-23-6 Package
    6. 4.6 INA2181-Q1, VSSOP-10 Package
    7. 4.7 INA4181-Q1, TSSOP-20 Package
    8. 4.8 INA181-Q1 and INA185-Q1, DCK Package
  7. 5Revision History

Overview

This document contains information for INAx180-Q1 (SOT-23-5, VSSOP-8, and TSSOP-14 packages), INAx181-Q1 (SOT-23-6, VSSOP-10, TSSOP-20, and DCK packages) and INA185-Q1 DCK package to aid in a functional safety system design. In this report, INAx180-Q1, INAx181-Q1, and INA185-Q1 refer to the family of devices including:

  • INA180-Q1
  • INA2180-Q1
  • INA4180-Q1
  • INA181-Q1
  • INA2181-Q1
  • INA4181-Q1
  • INA185-Q1

Information provided are:

  • Functional Safety Failure In Time (FIT) rates of the semiconductor component estimated by the application of industry reliability standards
  • Component failure modes and their distribution (FMD) based on the primary function of the device
  • Pin failure mode analysis (Pin FMA)

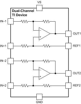
INA180-Q1 Functional Block Diagram, Figure 1-2, Figure 1-3, Figure 1-4, Figure 1-5, and Figure 1-6 show the device functional block diagrams for reference.

GUID-4E223782-E36C-4A8F-A11C-04D3E8720A07-low.gifFigure 1-1 INA180-Q1 Functional Block Diagram
GUID-20200610-SS0I-Q10H-VVD1-LDRK2C0SVNWL-low.gifFigure 1-2 INA2180-Q1 Functional Block Diagram
GUID-20200610-SS0I-KGQP-BDBM-T4SKFVD3FGXH-low.png Figure 1-3 INA4180-Q1 Functional Block Diagram
GUID-96EBFA8F-ED29-40B9-952E-F75651A8EFDE-low.gif Figure 1-4 INA181-Q1 and INA185-Q1 Functional Block Diagram
GUID-20200610-SS0I-LTJH-CJKM-W0KQVMHKNFRW-low.gif Figure 1-5 INA2181-Q1 Functional Block Diagram
GUID-20200610-SS0I-X009-PP8Q-K1VTJN2WRRHG-low.gif Figure 1-6 INA4181-Q1 Functional Block Diagram

INAx180-Q1, INAx181-Q1, and INA185-Q1 were developed using a quality-managed development process, but were not developed in accordance with the IEC 61508 or ISO 26262 standards.