SBAS655F September   2014  – January 2020

PRODUCTION DATA.  

  1. Features
  2. Applications
  3. Description
    1.     Device Images
      1.      Simplified Schematic
  4. Revision History
  5. Device Comparison Table
  6. Pin Configuration and Functions
    1.     Pin Functions
  7. Specifications
    1. 7.1  Absolute Maximum Ratings
    2. 7.2  ESD Ratings
    3. 7.3  Recommended Operating Conditions
    4. 7.4  Thermal Information
    5. 7.5  Power Ratings
    6. 7.6  Insulation Specifications
    7. 7.7  Safety-Related Certifications
    8. 7.8  Safety Limiting Values
    9. 7.9  Electrical Characteristics: AMC1304x05
    10. 7.10 Electrical Characteristics: AMC1304x25
    11. 7.11 Switching Characteristics
    12. 7.12 Insulation Characteristics Curves
    13. 7.13 Typical Characteristics
  8. Detailed Description
    1. 8.1 Overview
    2. 8.2 Functional Block Diagram
    3. 8.3 Feature Description
      1. 8.3.1 Analog Input
      2. 8.3.2 Modulator
      3. 8.3.3 Digital Output
    4. 8.4 Device Functional Modes
      1. 8.4.1 Fail-Safe Output
      2. 8.4.2 Output Behavior in Case of a Full-Scale Input
  9. Application and Implementation
    1. 9.1 Application Information
      1. 9.1.1 Digital Filter Usage
    2. 9.2 Typical Applications
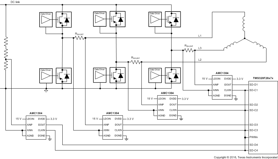
      1. 9.2.1 Frequency Inverter Application
        1. 9.2.1.1 Design Requirements
        2. 9.2.1.2 Detailed Design Procedure
        3. 9.2.1.3 Application Curve
      2. 9.2.2 Isolated Voltage Sensing
        1. 9.2.2.1 Design Requirements
        2. 9.2.2.2 Detailed Design Procedure
        3. 9.2.2.3 Application Curve
      3. 9.2.3 What To Do and What Not To Do
  10. 10Power Supply Recommendations
  11. 11Layout
    1. 11.1 Layout Guidelines
    2. 11.2 Layout Examples
  12. 12Device and Documentation Support
    1. 12.1 Device Support
      1. 12.1.1 Device Nomenclature
    2. 12.2 Documentation Support
      1. 12.2.1 Related Documentation
    3. 12.3 Related Links
    4. 12.4 Receiving Notification of Documentation Updates
    5. 12.5 Community Resources
    6. 12.6 Trademarks
    7. 12.7 Electrostatic Discharge Caution
    8. 12.8 Glossary
  13. 13Mechanical, Packaging, and Orderable Information

Frequency Inverter Application

Isolated ΔΣ modulators are being widely used in new-generation frequency inverter designs because of their high ac and dc performance. Frequency inverters are critical parts of industrial motor drives, photovoltaic inverters (string and central inverters), uninterruptible power supplies (UPS), electrical and hybrid electrical vehicles, and other industrial applications. The input structure of the AMC1304 is optimized for use with low-impedance shunt resistors and is therefore tailored for isolated current sensing using shunts.

AMC1304L05 AMC1304L25 AMC1304M05 AMC1304M25 ai_inv_bas655.gifFigure 54. The AMC1304 in a Frequency Inverter Application