ZHCSLD8G April   1999  – April 2025 UCC2813-0 , UCC2813-1 , UCC2813-2 , UCC2813-3 , UCC2813-4 , UCC2813-5 , UCC3813-0 , UCC3813-1 , UCC3813-2 , UCC3813-3 , UCC3813-4 , UCC3813-5

PRODUCTION DATA  

  1.   1
  2. 特性
  3. 应用
  4. 说明
  5. 器件比较表
  6. 引脚配置和功能
  7. 规格
    1. 6.1 绝对最大额定值
    2. 6.2 ESD 等级
    3. 6.3 建议运行条件
    4. 6.4 热性能信息
    5. 6.5 电气特性
    6. 6.6 典型特性
  8. 详细说明
    1. 7.1 概述
    2. 7.2 功能方框图
    3. 7.3 特性说明
      1. 7.3.1  详细引脚说明
        1. 7.3.1.1 COMP
        2. 7.3.1.2 CS
        3. 7.3.1.3 FB
        4. 7.3.1.4 GND
        5. 7.3.1.5 OUT
        6. 7.3.1.6 RC
        7. 7.3.1.7 REF
        8. 7.3.1.8 VCC
      2. 7.3.2  欠压锁定 (UVLO)
      3. 7.3.3  自偏置,低电平有效输出
      4. 7.3.4  基准电压
      5. 7.3.5  振荡器
      6. 7.3.6  同步
      7. 7.3.7  PWM 生成器
      8. 7.3.8  最小关断时间调整(死区时间控制)
      9. 7.3.9  前缘消隐
      10. 7.3.10 最小脉冲宽度
      11. 7.3.11 电流限制
      12. 7.3.12 过流保护和全周期重启
      13. 7.3.13 软启动
      14. 7.3.14 斜率补偿
    4. 7.4 器件功能模式
      1. 7.4.1 正常运行
      2. 7.4.2 UVLO 模式
      3. 7.4.3 软启动模式
      4. 7.4.4 故障模式
  9. 应用和实施
    1. 8.1 应用信息
    2. 8.2 典型应用
      1. 8.2.1 设计要求
      2. 8.2.2 详细设计过程
        1. 8.2.2.1  大容量电容器计算
        2. 8.2.2.2  变压器设计
        3. 8.2.2.3  MOSFET 和输出二极管选型
        4. 8.2.2.4  输出电容器计算
        5. 8.2.2.5  电流检测网络
        6. 8.2.2.6  栅极驱动电阻器
        7. 8.2.2.7  REF 旁路电容器
        8. 8.2.2.8  RT 和 /CT
        9. 8.2.2.9  启动电路
        10. 8.2.2.10 电压反馈补偿程序
          1. 8.2.2.10.1 功率级增益、零点和极点
          2. 8.2.2.10.2 环路补偿
      3. 8.2.3 应用曲线
    3. 8.3 电源相关建议
    4. 8.4 布局
      1. 8.4.1 布局指南
      2. 8.4.2 布局示例
  10. 器件和文档支持
    1. 9.1 文档支持
      1. 9.1.1 相关文档
    2. 9.2 相关链接
    3. 9.3 接收文档更新通知
    4. 9.4 支持资源
    5. 9.5 商标
    6. 9.6 静电放电警告
    7. 9.7 术语表
  11. 10修订历史记录
  12. 11机械、封装和可订购信息

封装选项

请参考 PDF 数据表获取器件具体的封装图。

机械数据 (封装 | 引脚)
  • D|8
  • PW|8
散热焊盘机械数据 (封装 | 引脚)
订购信息

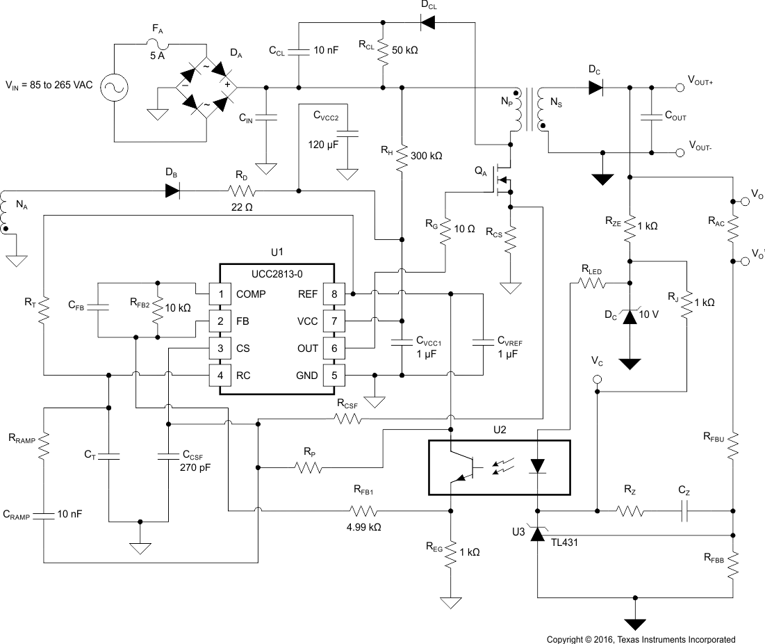
典型应用

图 8-1 显示了在峰值电流模式控制反激式应用中使用 UCC2813-0 的交流/直流转换器的典型电路图。

UCC2813-0 UCC2813-1 UCC2813-2 UCC2813-3 UCC2813-4 UCC2813-5 UCC3813-0 UCC3813-1 UCC3813-2 UCC3813-3 UCC3813-4 UCC3813-5 典型应用电路图图 8-1 典型应用电路图