ZHCSDP1E January   2009  – February 2019 UC1842A-SP , UC1844A-SP

PRODUCTION DATA.  

  1. 特性
  2. 应用
  3. 说明
    1.     Device Images
      1.      简化原理图
  4. 修订历史记录
  5. Device Comparison Table
  6. Pin Configuration and Functions
    1.     Pin Functions
  7. Specifications
    1. 7.1 Absolute Maximum Ratings
    2. 7.2 ESD Ratings
    3. 7.3 Recommended Operating Conditions
    4. 7.4 Thermal Information
    5. 7.5 Electrical Characteristics
    6. 7.6 Electrical Characteristics (Radiation-Improved Devices)
    7. 7.7 Typical Characteristics
  8. Detailed Description
    1. 8.1 Overview
    2. 8.2 Functional Block Diagram
    3. 8.3 Feature Description
      1. 8.3.1 UVLO
      2. 8.3.2 Reference
      3. 8.3.3 Totem-Pole Output
    4. 8.4 Device Functional Modes
  9. Application and Implementation
    1. 9.1 Application Information
    2. 9.2 Typical Application
      1. 9.2.1 Design Requirements
      2. 9.2.2 Detailed Design Procedure
        1. 9.2.2.1 Oscillator
        2. 9.2.2.2 Current Sensing and Limiting
        3. 9.2.2.3 Error Amplifier
      3. 9.2.3 Application Curves
  10. 10Power Supply Recommendations
  11. 11Layout
    1. 11.1 Layout Guidelines
      1. 11.1.1 Feedback Traces
      2. 11.1.2 Input/Output Capacitors
      3. 11.1.3 Compensation Components
      4. 11.1.4 Traces and Ground Planes
    2. 11.2 Layout Example
  12. 12器件和文档支持
    1. 12.1 相关链接
    2. 12.2 接收文档更新通知
    3. 12.3 社区资源
    4. 12.4 商标
    5. 12.5 静电放电警告
    6. 12.6 术语表
  13. 13机械、封装和可订购信息

封装选项

机械数据 (封装 | 引脚)
散热焊盘机械数据 (封装 | 引脚)
订购信息

Power Supply Recommendations

The devices are designed to operate from an input voltage supply range between 8 V and 40 V. This input supply should be well regulated. If the input supply is located more than a few inches from the UC184xA-SP converter, additional bulk capacitance may be required in addition to the ceramic bypass capacitors. A tantalum capacitor with a value of 47 µF is a typical choice; however, this may vary depending upon the output power being delivered.

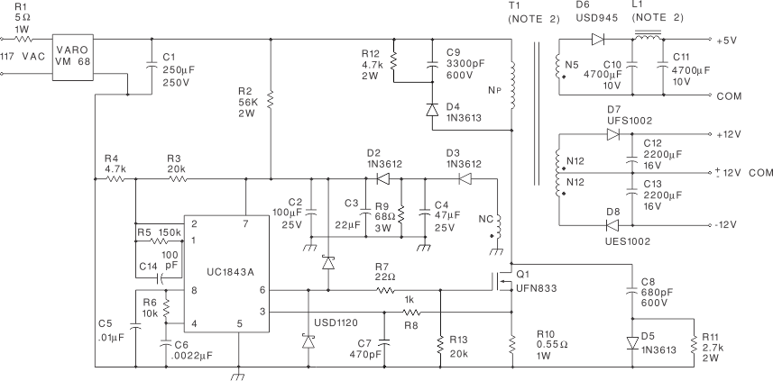
UC1842A-SP UC1844A-SP flyback_reg_lus872.gif
Power supply specifications:
  1. Input voltage: 95 VAC to 130 VAC (50 Hz/60 Hz)
  2. Line isolation: 3750 V
  3. Switching frequency: 40 kHz
  4. Efficiency full load: 70%
  5. Output voltage:
    1. +5 V, ±5%; 1- to 4-A load, ripple voltage: 50 mVP-P max
    2. +12 V, ±3%; 0.1- to 0.3-A load, ripple voltage: 100 mVP-P max
    3. –12 V, ±3%; 0.1- to 0.3-A load, ripple voltage: 100 mVP-P max
Figure 25. Offline Flyback Regulator