SLLS413L February   2000  – June 2017 TUSB2046B , TUSB2046I

PRODUCTION DATA.  

  1. Features
  2. Applications
  3. Description
    1.     Device Images
      1.      USB-Tiered Configuration Example
  4. Revision History
  5. Description (Continued)
  6. Pin Configuration and Functions
    1.     Pin Functions
  7. Specifications
    1. 7.1 Absolute Maximum Ratings
    2. 7.2 ESD Ratings
    3. 7.3 Recommended Operating Conditions
    4. 7.4 Thermal Information
    5. 7.5 Electrical Characteristics
    6. 7.6 Differential Driver Switching Characteristics (Full Speed Mode)
    7. 7.7 Differential Driver Switching Characteristics (Low Speed Mode)
    8. 7.8 Typical Characteristics
  8. Detailed Description
    1. 8.1 Overview
    2. 8.2 Functional Block Diagram
    3. 8.3 Feature Description
      1. 8.3.1 USB Power Management
      2. 8.3.2 Clock Generation
    4. 8.4 Device Functional Modes
      1. 8.4.1 Vendor ID and Product ID With External Serial EEPROM
    5. 8.5 Programming
      1. Table 1. EEPROM Memory Map
  9. Application and Implementation
    1. 9.1 Application Information
    2. 9.2 Typical Application
      1. 9.2.1 Design Requirements
      2. 9.2.2 Detailed Design Procedure
      3. 9.2.3 Application Curve
  10. 10Power Supply Recommendations
    1. 10.1 TUSB2046x Power Supply
    2. 10.2 Downstream Port Power
  11. 11Layout
    1. 11.1 Layout Guidelines
      1. 11.1.1 Placement
      2. 11.1.2 Differential Pairs
      3. 11.1.3 Ground
    2. 11.2 Layout Example
  12. 12Device and Documentation Support
    1. 12.1 Related Links
    2. 12.2 Community Resources
    3. 12.3 Trademarks
    4. 12.4 Electrostatic Discharge Caution
    5. 12.5 Glossary
  13. 13Mechanical, Packaging, and Orderable Information

封装选项

机械数据 (封装 | 引脚)
散热焊盘机械数据 (封装 | 引脚)
订购信息

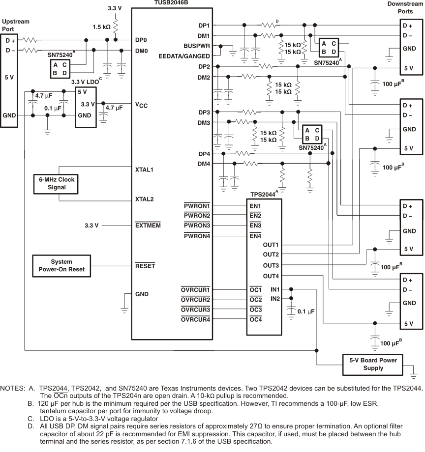
Detailed Design Procedure

In a self-powered configuration, the TUSB2046x can be implemented for individual-port power management when used with the TPS2044 because it is capable of supplying 500 mA of current to each downstream port and can provide current limiting on a per-port basis. When the hub detects a fault on a downstream port, power is removed from only the port with the fault and the remaining ports continue to operate normally. Self-powered hubs are required to implement overcurrent protection and report overcurrent conditions. The SN75240 transient suppressors reduce inrush current and voltage spikes on the data lines.

TUSB2046B TUSB2046I appin3_lls413.gifFigure 11. TUSB2046x Self-Powered Hub, Individual-Port Power-Management Application