ZHCSIS1G January   2005  – January 2019 TS3A5017

PRODUCTION DATA.  

  1. 特性
  2. 应用
  3. 说明
    1.     Device Images
      1.      方框图
  4. 修订历史记录
  5. Pin Configuration and Functions
    1.     Pin Functions
  6. Specifications
    1. 6.1 Absolute Maximum Ratings
    2. 6.2 ESD Ratings
    3. 6.3 Recommended Operating Conditions
    4. 6.4 Thermal Information
    5. 6.5 Electrical Characteristics for 3.3-V Supply
    6. 6.6 Electrical Characteristics for 2.5-V Supply
    7. 6.7 Switching Characteristics for 3.3-V supply
    8. 6.8 Switching Characteristics for 2.5-V supply
    9. 6.9 Typical Characteristics
  7. Parameter Measurement Information
  8. Detailed Description
    1. 8.1 Overview
    2. 8.2 Functional Block Diagram
    3. 8.3 Feature Description
    4. 8.4 Device Functional Modes
  9. Application and Implementation
    1. 9.1 Application Information
    2. 9.2 Typical Application
      1. 9.2.1 Design Requirements
      2. 9.2.2 Detailed Design Procedure
      3. 9.2.3 Application Curve
  10. 10Power Supply Recommendations
  11. 11Layout
    1. 11.1 Layout Guidelines
    2. 11.2 Layout Example
  12. 12器件和文档支持
    1. 12.1 器件支持
      1. 12.1.1 器件命名规则
    2. 12.2 文档支持
      1. 12.2.1 相关文档
    3. 12.3 商标
    4. 12.4 静电放电警告
    5. 12.5 术语表
  13. 13机械、封装和可订购信息

封装选项

请参考 PDF 数据表获取器件具体的封装图。

机械数据 (封装 | 引脚)
  • PW|16
  • DBQ|16
  • RGY|16
  • D|16
  • DGV|16
  • RSV|16
散热焊盘机械数据 (封装 | 引脚)
订购信息

Parameter Measurement Information

TS3A5017 pmi_ron_cds188.gifFigure 12. ON-State Resistance (ron)
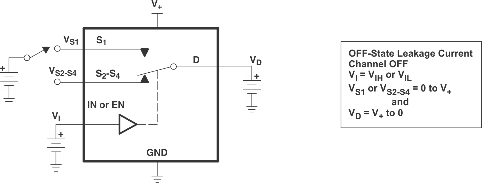
TS3A5017 pmi_offleakage_cds188.gifFigure 13. OFF-State Leakage Current (ID(OFF), IS(OFF))
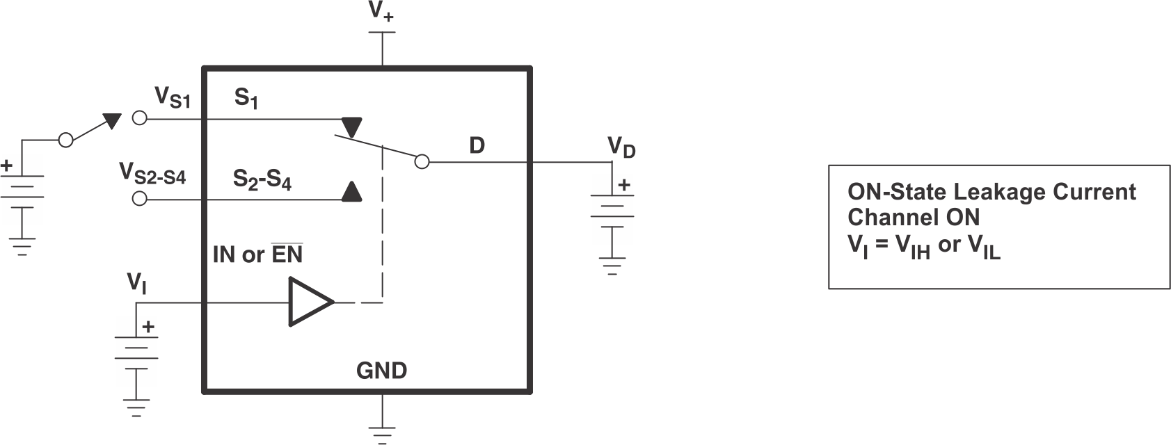
TS3A5017 pmi_onleakage_cds188.gifFigure 14. ON-State Leakage Current (ID(ON), IS(ON))
TS3A5017 pmi_capacitance_cds188.gifFigure 15. Capacitance (CI, CD(OFF), CD(ON), CS(OFF), CS(ON))
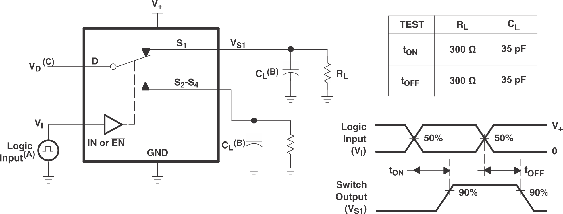
TS3A5017 pmi_ton_toff_cds188.gif
All input pulses are supplied by generators having the following characteristics:
PRR ≤ 10 MHz, ZO = 50 Ω, tr < 5 ns, tf < 5 ns.
CL includes probe and jig capacitance.
See Electrical Characteristics for VD.
Figure 16. Turnon (tON) and Turnoff Time (tOFF)
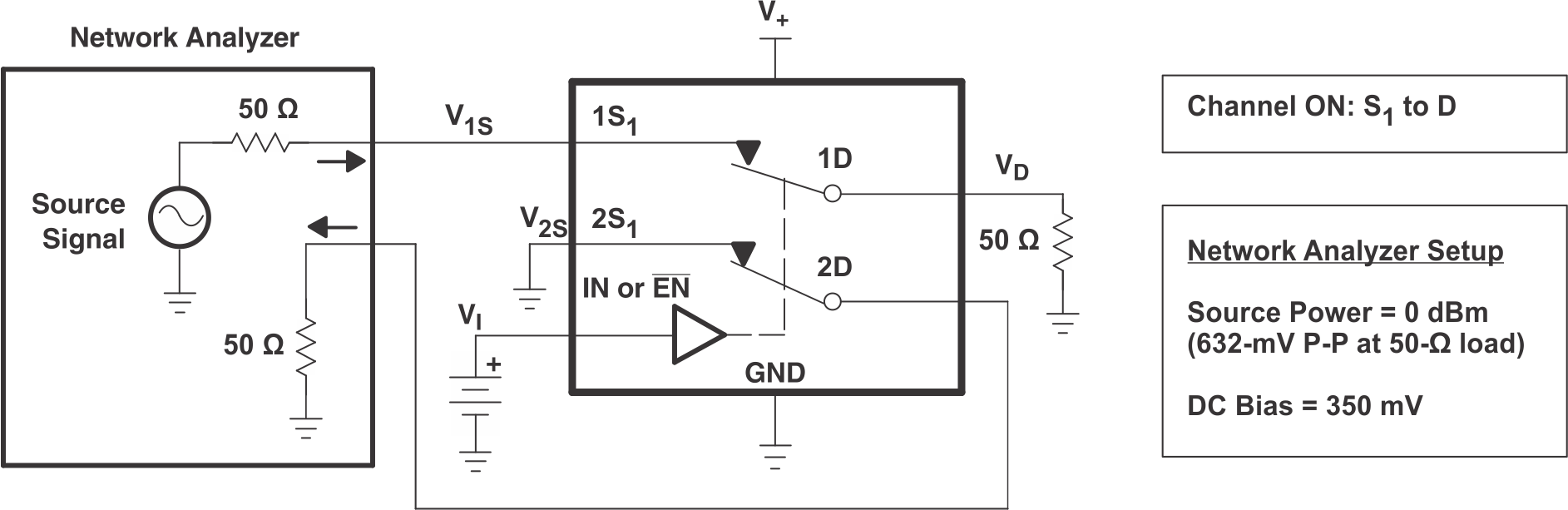
TS3A5017 pmi_bandwidth_cds188.gifFigure 17. Bandwidth (BW)
TS3A5017 pmi_offiso_cds188.gifFigure 18. OFF Isolation (OISO)
TS3A5017 pmi_crosstalk_cds188.gifFigure 19. Crosstalk (XTALK)
TS3A5017 pmi_crosstalkadj_cds188.gifFigure 20. Adjacent Crosstalk (XTALK)
TS3A5017 pmi_qc_cds188.gif
All input pulses are supplied by generators having the following characteristics:
PRR ≤ 10 MHz, ZO = 50 Ω, tr < 5 ns, tf < 5 ns.
CL includes probe and jig capacitance.
Figure 21. Charge Injection (QC)
TS3A5017 pmi_thd_cds188.gif
CL includes probe and jig capacitance.
Figure 22. Total Harmonic Distortion (THD)