ZHCSIY9 October   2018 TS3A5017-Q1

PRODUCTION DATA.  

  1. 特性
  2. 应用
  3. 说明
    1.     Device Images
      1.      方框图
  4. 修订历史记录
  5. Pin Configuration and Functions
    1.     Pin Functions
  6. Specifications
    1. 6.1 Absolute Maximum Ratings
    2. 6.2 ESD Ratings
    3. 6.3 Recommended Operating Conditions
    4. 6.4 Thermal Information
    5. 6.5 Electrical Characteristics for 3.3-VSupply
    6. 6.6 Electrical Characteristics for 2.5-VSupply
    7. 6.7 Switching Characteristics for 3.3-VSupply
    8. 6.8 Switching Characteristics for 2.5-VSupply
    9. 6.9 Typical Characteristics
  7. Parameter Measurement Information
  8. Detailed Description
    1. 8.1 Overview
    2. 8.2 Functional Block Diagram
    3. 8.3 Feature Description
    4. 8.4 Device Functional Modes
  9. Application and Implementation
    1. 9.1 Application Information
    2. 9.2 Typical Application
      1. 9.2.1 Design Requirements
      2. 9.2.2 Detailed Design Procedure
      3. 9.2.3 Application Curve
  10. 10Power Supply Recommendations
  11. 11Layout
    1. 11.1 Layout Guidelines
    2. 11.2 Layout Example
  12. 12器件和文档支持
    1. 12.1 器件支持
      1. 12.1.1 器件命名规则
    2. 12.2 文档支持
      1. 12.2.1 相关文档
    3. 12.3 接收文档更新通知
    4. 12.4 社区资源
    5. 12.5 商标
    6. 12.6 静电放电警告
    7. 12.7 术语表
  13. 13机械、封装和可订购信息

封装选项

机械数据 (封装 | 引脚)
散热焊盘机械数据 (封装 | 引脚)
订购信息

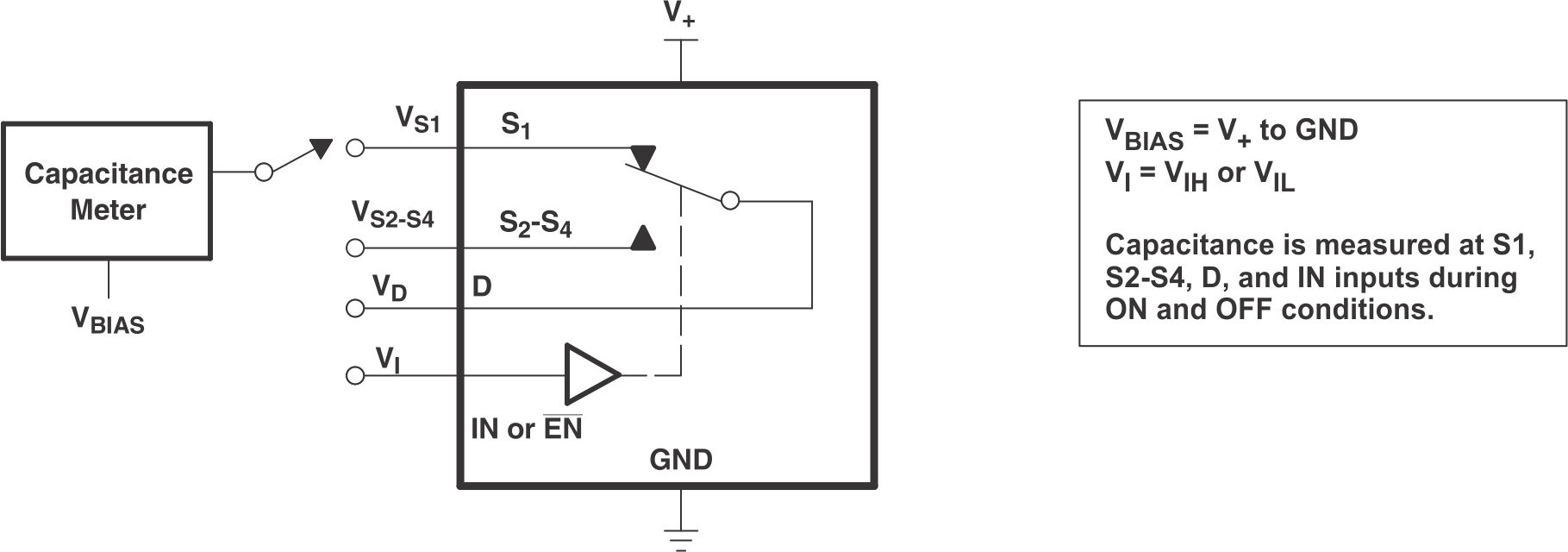
Parameter Measurement Information

TS3A5017-Q1 pmi_ron_cds188.gifFigure 12. ON-State Resistance (ron)
TS3A5017-Q1 pmi_offleakage_cds188.gifFigure 13. OFF-State Leakage Current (ID(OFF), IS(OFF))
TS3A5017-Q1 pmi_onleakage_cds188.gifFigure 14. ON-State Leakage Current (ID(ON), IS(ON))
TS3A5017-Q1 pmi_capacitance_cds188.gifFigure 15. Capacitance (CI, CD(OFF), CD(ON), CS(OFF), CS(ON))
TS3A5017-Q1 pmi_ton_toff_cds188.gif
All input pulses are supplied by generators having the following characteristics:
PRR ≤ 10 MHz, ZO = 50 Ω, tr < 5 ns, tf < 5 ns.
CL includes probe and jig capacitance.
See Electrical Characteristics for VD.
Figure 16. Turnon (tON) and Turnoff Time (tOFF)
TS3A5017-Q1 pmi_bandwidth_cds188.gifFigure 17. Bandwidth (BW)
TS3A5017-Q1 pmi_offiso_cds188.gifFigure 18. OFF Isolation (OISO)
TS3A5017-Q1 pmi_crosstalk_cds188.gifFigure 19. Crosstalk (XTALK)
TS3A5017-Q1 pmi_crosstalkadj_cds188.gifFigure 20. Adjacent Crosstalk (XTALK)
TS3A5017-Q1 pmi_qc_cds188.gif
All input pulses are supplied by generators having the following characteristics:
PRR ≤ 10 MHz, ZO = 50 Ω, tr < 5 ns, tf < 5 ns.
CL includes probe and jig capacitance.
Figure 21. Charge Injection (QC)
TS3A5017-Q1 pmi_thd_cds188.gif
CL includes probe and jig capacitance.
Figure 22. Total Harmonic Distortion (THD)