ZHCSKB7A October   2019  – January 2020 TPS92662A-Q1

PRODUCTION DATA.  

  1. 1特性
  2. 2应用
  3. 3说明
    1.     Device Images
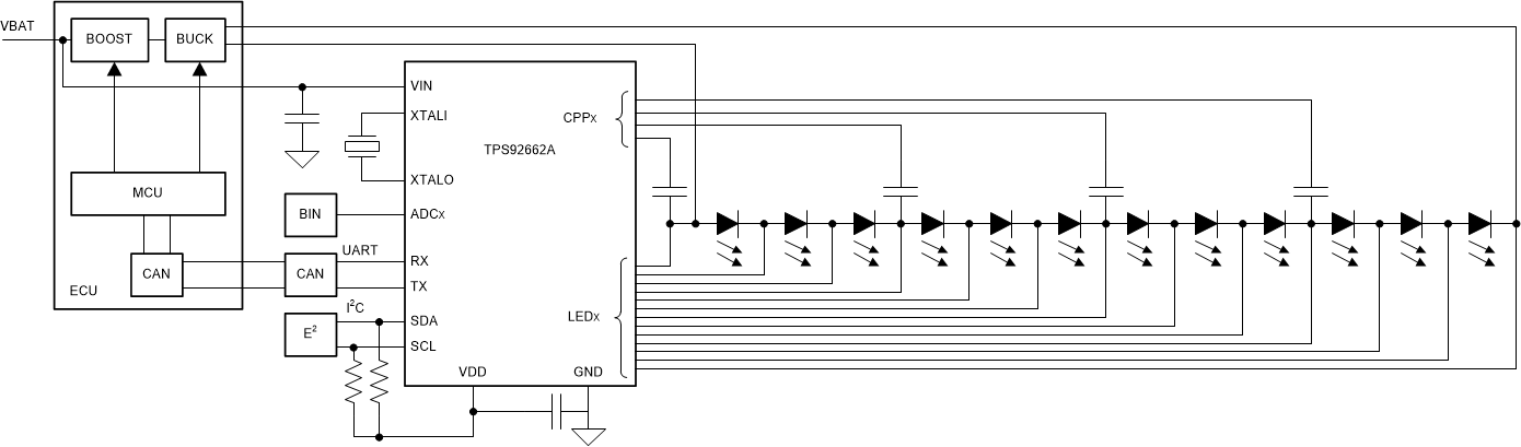
      1.      简化应用
  4. 4修订历史记录
  5. 5说明 (续)
  6. 6器件和文档支持
    1. 6.1 接收文档更新通知
    2. 6.2 支持资源
    3. 6.3 商标
    4. 6.4 静电放电警告
    5. 6.5 Glossary
  7. 7机械、封装和可订购信息

封装选项

机械数据 (封装 | 引脚)
散热焊盘机械数据 (封装 | 引脚)
订购信息

Device Images

简化应用

TPS92662A-Q1 SIMP_SCH5_SLUSDL7.gif