ZHCSIY0 October   2018 TPS92515AHV-Q1

PRODUCTION DATA.  

  1. 特性
  2. 应用
  3. 说明
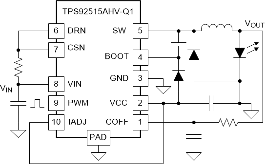
    1.     简化的降压 LED 驱动器应用
  4. 修订历史记录
  5. Device Comparison Table
  6. Pin Configuration and Functions
    1.     Pin Functions
  7. Specifications
    1. 7.1 Absolute Maximum Ratings
    2. 7.2 ESD Ratings
    3. 7.3 Recommended Operating Conditions
    4. 7.4 Thermal Information
    5. 7.5 Electrical Characteristics
    6. 7.6 Typical Characteristics
  8. Detailed Description
    1. 8.1 Overview
    2. 8.2 Functional Block Diagram
    3. 8.3 Feature Description
      1. 8.3.1  General Operation
      2. 8.3.2  Current Sense Comparator
      3. 8.3.3  OFF Timer
      4. 8.3.4  OFF-Timer, Shunt FET Dimming or Shunted Output Condition
      5. 8.3.5  Internal N-channel MOSFET
        1. 8.3.5.1 Drop-Out
      6. 8.3.6  VCC Internal Regulator and Undervoltage Lockout (UVLO)
      7. 8.3.7  Analog Adjust Input
        1. 8.3.7.1 IADJ Pin Clamp
        2. 8.3.7.2 IADJ Pin Clamp Characteristic
        3. 8.3.7.3 Analog Adjust (IADJ Pin) Control Methods
        4. 8.3.7.4 IADJ Control Method Notes
      8. 8.3.8  Thermal Protection
        1. 8.3.8.1 Maximum Output Current and Junction Temperature
      9. 8.3.9  Junction Temperature Relative Estimation
      10. 8.3.10 BOOT and BOOT UVLO
        1. 8.3.10.1 Start-Up, BOOT-UVLO and Pre-Charged Condition
      11. 8.3.11 PWM (UVLO and Enable)
        1. 8.3.11.1 Using PWM for UVLO (Undervoltage Lockout) Protection
          1. 8.3.11.1.1 UVLO Programming Resistors
        2. 8.3.11.2 Using PWM for Digitally Controlled Enable
        3. 8.3.11.3 UVLO: VIN, VCC and BOOT UVLO
        4. 8.3.11.4 Analog and PWM Dimming - Normalized Results and Comparison
    4. 8.4 Device Functional Modes
  9. Application and Implementation
    1. 9.1 Application Information
    2. 9.2 Typical Application
      1. 9.2.1 General Design Procedure
        1. 9.2.1.1 Calculating Duty Cycle
        2. 9.2.1.2 Calculate OFF-Time Estimate
        3. 9.2.1.3 Calculate OFF-Time Resistor ROFF
        4. 9.2.1.4 Calculate the Minimum Inductance Value
        5. 9.2.1.5 Calculate the Sense Resistance
        6. 9.2.1.6 Calculate Input Capacitance
        7. 9.2.1.7 Calculate Output Capacitance
      2. 9.2.2 Design Requirements
      3. 9.2.3 Detailed Design Procedure
        1. 9.2.3.1 Calculating Duty Cycle
        2. 9.2.3.2 Calculate OFF-Time Estimate
        3. 9.2.3.3 Calculate OFF-Time Resistor ROFF
        4. 9.2.3.4 Calculate the Inductance Value
        5. 9.2.3.5 Calculate the Sense Resistance
        6. 9.2.3.6 Calculate Input Capacitance
        7. 9.2.3.7 Verify Peak Current for Inductor Selection
        8. 9.2.3.8 Calculate Output Capacitance
        9. 9.2.3.9 Calculate UVLO Resistance Values
      4. 9.2.4 Application Curves
    3. 9.3 Dos and Don'ts
  10. 10Power Supply Recommendations
    1. 10.1 Input Source Direct from Battery
    2. 10.2 Input Source from a Boost Stage
  11. 11Layout
    1. 11.1 Layout Guidelines
    2. 11.2 Layout Example
  12. 12器件和文档支持
    1. 12.1 文档支持
      1. 12.1.1 相关文档
        1. 12.1.1.1 相关链接
    2. 12.2 接收文档更新通知
    3. 12.3 社区资源
    4. 12.4 商标
    5. 12.5 静电放电警告
    6. 12.6 术语表
  13. 13机械、封装和可订购信息

封装选项

机械数据 (封装 | 引脚)
散热焊盘机械数据 (封装 | 引脚)
订购信息

说明

TPS92515AHV-Q1 是一款包含低电阻 N 沟道 MOSFET 的紧凑型单片开关稳压器。此器件适用于高亮度 LED 照明 应用 ,满足效率、高带宽、PWM 或模拟调光和小尺寸方面的要求。

此稳压器具有恒定关断时间和峰值电流控制功能。工作原理十分简单:在基于输出电压的一段关断时间后,即开始导通时间。达到电感峰值电流阈值后,导通时间立即结束。TPS92515AHV-Q1 器件可配置为在分流 FET 调光周期的导通和关断时间内保持恒定的峰间纹波。此周期非常适合在整个分流 FET 调光范围内保持线性响应。

低失调电压的高侧比较器有助于实现稳态精度。可单独使用模拟或 PWM 调光技术或者同时使用这两种技术来调制 LED 电流。其他 特性 包括欠压闭锁 (UVLO)、宽输入电压操作、固有 LED 开路操作和热关断功能,其工作温度范围较宽。

TPS92515AHV-Q1 器件采用热增强型 10 引脚 HVSSOP 封装,提供高电压选件,输入电压范围高达 65V。

器件信息(1)

器件型号 封装 封装尺寸(标称值)
TPS92515AHV-Q1 HVSSOP (10) 3mm x 3mm
  1. 要了解所有可用封装,请参见数据表末尾的可订购产品附录。

简化的降压 LED 驱动器应用

TPS92515AHV-Q1 simp_app_slusdg2.gif