ZHCSMP6A November   2020  – December 2021 TPS7H4010-SEP

PRODUCTION DATA  

  1. 特性
  2. 应用
  3. 说明
  4. Revision History
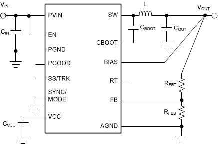
  5. Pin Configuration and Functions
  6. Specifications
    1. 6.1 Absolute Maximum Ratings
    2. 6.2 ESD Ratings
    3. 6.3 Recommended Operating Conditions
    4. 6.4 Thermal Information
    5. 6.5 Electrical Characteristics
    6. 6.6 Timing Characteristics
    7. 6.7 Switching Characteristics
    8. 6.8 Typical Characteristics
  7. Detailed Description
    1. 7.1 Overview
    2. 7.2 Functional Block Diagram
    3. 7.3 Feature Description
      1. 7.3.1  Synchronous Step-Down Regulator
      2. 7.3.2  Auto Mode and FPWM Mode
      3. 7.3.3  Fixed-Frequency Peak Current-Mode Control
      4. 7.3.4  Adjustable Output Voltage
      5. 7.3.5  Enable and UVLO
      6. 7.3.6  Internal LDO, VCC_UVLO, and BIAS Input
      7. 7.3.7  Soft Start and Voltage Tracking
      8. 7.3.8  Adjustable Switching Frequency
      9. 7.3.9  Frequency Synchronization and Mode Setting
      10. 7.3.10 Internal Compensation and CFF
      11. 7.3.11 Bootstrap Capacitor and VBOOT-UVLO
      12. 7.3.12 Power-Good and Overvoltage Protection
      13. 7.3.13 Overcurrent and Short-Circuit Protection
      14. 7.3.14 Thermal Shutdown
    4. 7.4 Device Functional Modes
      1. 7.4.1 Shutdown Mode
      2. 7.4.2 Standby Mode
      3. 7.4.3 Active Mode
        1. 7.4.3.1 CCM Mode
        2. 7.4.3.2 DCM Mode
        3. 7.4.3.3 PFM Mode
        4. 7.4.3.4 Fault Protection Mode
  8. Application and Implementation
    1. 8.1 Application Information
    2. 8.2 Typical Application
      1. 8.2.1 Design Requirements
      2. 8.2.2 Detailed Design Procedure
        1. 8.2.2.1  Output Voltage Setpoint
        2. 8.2.2.2  Switching Frequency
        3. 8.2.2.3  Input Capacitors
        4. 8.2.2.4  Inductor Selection
        5. 8.2.2.5  Output Capacitor Selection
        6. 8.2.2.6  Feed-Forward Capacitor
        7. 8.2.2.7  Bootstrap Capacitors
        8. 8.2.2.8  VCC Capacitor
        9. 8.2.2.9  BIAS
        10. 8.2.2.10 Soft Start
        11. 8.2.2.11 Undervoltage Lockout Setpoint
        12. 8.2.2.12 PGOOD
      3. 8.2.3 Application Curves
  9. Power Supply Recommendations
  10. 10Layout
    1. 10.1 Layout Guidelines
      1. 10.1.1 Layout For EMI Reduction
      2. 10.1.2 Ground Plane
      3. 10.1.3 Optimize Thermal Performance
    2. 10.2 Layout Example
  11. 11Device and Documentation Support
    1. 11.1 Device Support
      1. 11.1.1 第三方产品免责声明
    2. 11.2 Related Documentation
    3. 11.3 接收文档更新通知
    4. 11.4 支持资源
    5. 11.5 Trademarks
    6. 11.6 Electrostatic Discharge Caution
    7. 11.7 术语表
  12. 12Mechanical, Packaging, and Orderable Information

封装选项

请参考 PDF 数据表获取器件具体的封装图。

机械数据 (封装 | 引脚)
  • RNP|30
  • KGD|0
散热焊盘机械数据 (封装 | 引脚)
订购信息

特性

  • 耐辐射
    • SEL、SEB 和 SEGR 对于
      LET 的抗扰度高达 43MeV-cm2/mg
    • SET 和 SEFI 的
      LET 特征值高达 43MeV-cm2/mg
    • 每个晶圆批次的保障 TID 高达
      20krad(Si)
    • TID 特征值高达 30krad(Si)
  • 增强型航天塑料
    • 受控基线
    • Au 键合线和 NiPdAu 铅涂层
    • 采用增强型模塑化合物实现低释气
    • 制造、组装和测试一体化基地
    • 延长了产品生命周期
    • 延长了产品变更通知
    • 产品可追溯性
  • 宽电压转换范围:
    • tON-MIN = 60ns(典型值)
    • tOFF-MIN = 70ns(典型值)
  • 低 MOSFET 导通电阻:
    • RDS_ON_HS = 53mΩ(典型值)
    • RDS_ON_LS = 31mΩ(典型值)
  • 可调频率范围:350 kHz 至 2.2MHz
  • 可与外部时钟同步
  • 内部补偿
  • 电源正常状态标志
  • 通过精密使能功能对系统 UVLO 进行编程
  • 固定或可调的软启动时间
  • 逐周期电流限制
  • 具有断续模式的短路保护
  • 热关断保护
GUID-204F643D-0424-4CB3-8954-C273ABE8E21A-low.gif简化版原理图