ZHCSJG2A March   2019  – September 2019 TPS7A78

PRODUCTION DATA.  

  1. 特性
  2. 应用
  3. 说明
    1.     Device Images
      1.      半桥配置典型原理图
      2.      全桥配置典型原理图
  4. 修订历史记录
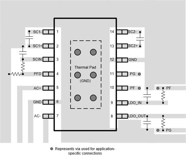
  5. Pin Configuration and Functions
    1.     Pin Functions
  6. Specifications
    1. 6.1 Absolute Maximum Ratings
    2. 6.2 ESD Ratings
    3. 6.3 Recommended Operating Conditions
    4. 6.4 Thermal Information
    5. 6.5 Electrical Characteristics
    6. 6.6 Timing Requirements
    7. 6.7 Typical Characteristics
  7. Detailed Description
    1. 7.1 Overview
    2. 7.2 Functional Block Diagram
    3. 7.3 Feature Description
      1. 7.3.1 Active Bridge Control
      2. 7.3.2 Full-Bridge (FB) and Half-Bridge (HB) Configurations
      3. 7.3.3 4:1 Switched-Capacitor Voltage Reduction
      4. 7.3.4 Undervoltage Lockout Circuits (VUVLO_SCIN) and (VUVLO_LDO_IN)
      5. 7.3.5 Dropout Voltage Regulation
      6. 7.3.6 Current Limit
      7. 7.3.7 Programmable Power-Fail Detection
      8. 7.3.8 Power-Good (PG) Detection
      9. 7.3.9 Thermal Shutdown
    4. 7.4 Device Functional Modes
      1. 7.4.1 Normal Operation
      2. 7.4.2 Dropout Mode
      3. 7.4.3 Disabled Mode
  8. Application and Implementation
    1. 8.1 Application Information
      1. 8.1.1 Recommended Capacitor Types
      2. 8.1.2 Input and Output Capacitors Requirements
      3. 8.1.3 Startup Behavior
      4. 8.1.4 Load Transient
      5. 8.1.5 Standby Power and Output Efficiency
      6. 8.1.6 Reverse Current
      7. 8.1.7 Switched-Capacitor Stage Output Impedance
      8. 8.1.8 Power Dissipation (PD)
      9. 8.1.9 Estimating Junction Temperature
    2. 8.2 Typical Application
      1. 8.2.1 Design Requirements
      2. 8.2.2 Detailed Design Procedure
        1. 8.2.2.1 Calculating the Cap-Drop Capacitor CS
          1. 8.2.2.1.1 CS Calculations for the Typical Design
        2. 8.2.2.2 Calculating the Surge Resistor RS
          1. 8.2.2.2.1 RS Calculations for the Typical Design
        3. 8.2.2.3 Checking for the Device Maximum ISHUNT Current
          1. 8.2.2.3.1 ISHUNT Calculations for the Typical Design
        4. 8.2.2.4 Calculating the Bulk Capacitor CSCIN
          1. 8.2.2.4.1 CSCIN Calculations for the Typical Design
        5. 8.2.2.5 Calculating the PFD Pin Resistor Dividers for a Power-Fail Detection
          1. 8.2.2.5.1 PFD Pin Resistor Divider Calculations for the Typical Design
        6. 8.2.2.6 Summary of the Typical Application Design Components
      3. 8.2.3 Application Curves
  9. Power Supply Recommendations
  10. 10Layout
    1. 10.1 Layout Guidelines
    2. 10.2 Layout Example
  11. 11器件和文档支持
    1. 11.1 器件支持
      1. 11.1.1 开发支持
        1. 11.1.1.1 评估模块
        2. 11.1.1.2 SIMPLIS 模型
      2. 11.1.2 器件命名规则
    2. 11.2 文档支持
      1. 11.2.1 相关文档
    3. 11.3 接收文档更新通知
    4. 11.4 社区资源
    5. 11.5 商标
    6. 11.6 静电放电警告
    7. 11.7 Glossary
  12. 12机械、封装和可订购信息

封装选项

机械数据 (封装 | 引脚)
散热焊盘机械数据 (封装 | 引脚)
订购信息

Layout Example

TPS7A78 TPS7A78_Layout.gifFigure 37. Example Layout